Logo Passei Direto
Buscar

Eletrônica Industrial Princípios Básicos

Ferramentas de estudo

Material
páginas com resultados encontrados.
páginas com resultados encontrados.
left-side-bubbles-backgroundright-side-bubbles-background

Crie sua conta grátis para liberar esse material. 🤩

Já tem uma conta?

Ao continuar, você aceita os Termos de Uso e Política de Privacidade

Prévia do material em texto

Eletrônica Industrial – Princípios Básicos
Data: .
Aluno (a): 
Avaliação Pratica 
INSTRUÇÕES:
· Esta Avaliação contém 1 (uma) questão, totalizando 10 (dez) pontos;
· Baixe o arquivo disponível com a Atividade Pratica;
· Você deve preencher dos dados no Cabeçalho para sua identificação: 
· Nome / Data de entrega.
· As respostas devem ser digitadas abaixo de cada pergunta;
· Ao terminar grave o arquivo com o nome Atividade Prática;
· Quando solicitado 
· Envio o arquivo pelo sistema no local indicado;
· Em caso de dúvidas consulte o seu Tutor.
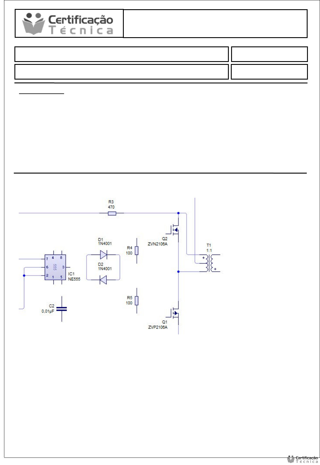
De acordo com o circuito disponibilizado para esse exercício, siga os procedimentos nele descritos e elabore o projeto proposto.

Mais conteúdos dessa disciplina