Logo Passei Direto
Buscar
Material
páginas com resultados encontrados.
páginas com resultados encontrados.
left-side-bubbles-backgroundright-side-bubbles-background

Crie sua conta grátis para liberar esse material. 🤩

Já tem uma conta?

Ao continuar, você aceita os Termos de Uso e Política de Privacidade

Prévia do material em texto

Escola de Engenharia de São Carlos-USP 
Departamento de Engenharia Mecânica 
SEM350 – Manufatura Assistida por Computador 
 
 
EXERCÍCIO 01 
 
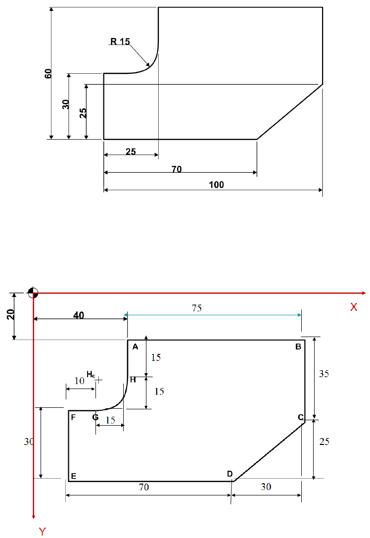
1. Escolha um ponto para a origem do sistema de coordenadas no perfil da peça dada a seguir 
(zero-peça). Em seguida, defina um sentido hipotético de usinagem e identifique cada ponto da 
trajetória da ferramenta (final de cada linha). 
 
 
 
2. Faça o mesmo para a peça abaixo, considerando a origem (zero-peça) já previamente escolhida 
abaixo.

Mais conteúdos dessa disciplina