Logo Passei Direto
Buscar

Exercícios de Conservação de Energia

User badge image
Nivia Sales

em

Ferramentas de estudo

Questões resolvidas

17. Quando um besouro salta-martim está deitado de costas, ele pode pular encurvando bruscamente o corpo, o que converte em energia mecânica a energia armazenada em um músculo, produzindo um estalo audível. O videotape de um desses pulos mostra que um besouro de massa m=4,0x10−6 kg se desloca 0,77 mm na vertical durante um salto e consegue atingir uma altura máxima h=0,30 m. Qual é o valor médio, durante o salto do módulo da força externa exercida pelo piso sobre as costas do besouro e do módulo da aceleração do besouro em unidades de g?
Resposta: a) 150 N, b) 380g

18. Um disco de plástico de 75 g é arremessado de um ponto 1,1 m acima do solo, com uma velocidade escalar de 12 m/s. Quando o disco atinge uma altura de 2,1 m, sua velocidade é 10,5 m/s. Qual é a redução da energia mecânica do sistema disco-Terra produzida pela força de arrasto do ar?
Resposta: -0,53 J

19. Um esquiador de 60 kg deixa uma rampa de salto com uma velocidade de 24 m/s, fazendo um ângulo de 25° com a horizontal. Devido à força de arrasto do ar, o esquiador toca a neve com uma velocidade de 22 m/s, em um ponto 14 m abaixo da rampa. De quanto a energia mecânica do sistema esquiador-Terra foi reduzida pela força de arrasto do ar durante o salto?
Resposta: 11000 J

Uma bola de massa de 12,2 g é solta do repouso de uma altura 76 cm acima da superfície do óleo que preenche um barril até um profundidade de 55 cm. A bola atinge o fundo do barril com velocidade de 1,48 m/s.

a) Desprezando a resistência do ar, determine a velocidade da bola quando ela entra no óleo.

b) Qual é a variação de energia interna do sistema bola + óleo?

Material
páginas com resultados encontrados.
páginas com resultados encontrados.
details

Libere esse material sem enrolação!

Craque NetoCraque Neto

Ao continuar, você aceita os Termos de Uso e Política de Privacidade

details

Libere esse material sem enrolação!

Craque NetoCraque Neto

Ao continuar, você aceita os Termos de Uso e Política de Privacidade

details

Libere esse material sem enrolação!

Craque NetoCraque Neto

Ao continuar, você aceita os Termos de Uso e Política de Privacidade

details

Libere esse material sem enrolação!

Craque NetoCraque Neto

Ao continuar, você aceita os Termos de Uso e Política de Privacidade

details

Libere esse material sem enrolação!

Craque NetoCraque Neto

Ao continuar, você aceita os Termos de Uso e Política de Privacidade

details

Libere esse material sem enrolação!

Craque NetoCraque Neto

Ao continuar, você aceita os Termos de Uso e Política de Privacidade

Questões resolvidas

17. Quando um besouro salta-martim está deitado de costas, ele pode pular encurvando bruscamente o corpo, o que converte em energia mecânica a energia armazenada em um músculo, produzindo um estalo audível. O videotape de um desses pulos mostra que um besouro de massa m=4,0x10−6 kg se desloca 0,77 mm na vertical durante um salto e consegue atingir uma altura máxima h=0,30 m. Qual é o valor médio, durante o salto do módulo da força externa exercida pelo piso sobre as costas do besouro e do módulo da aceleração do besouro em unidades de g?
Resposta: a) 150 N, b) 380g

18. Um disco de plástico de 75 g é arremessado de um ponto 1,1 m acima do solo, com uma velocidade escalar de 12 m/s. Quando o disco atinge uma altura de 2,1 m, sua velocidade é 10,5 m/s. Qual é a redução da energia mecânica do sistema disco-Terra produzida pela força de arrasto do ar?
Resposta: -0,53 J

19. Um esquiador de 60 kg deixa uma rampa de salto com uma velocidade de 24 m/s, fazendo um ângulo de 25° com a horizontal. Devido à força de arrasto do ar, o esquiador toca a neve com uma velocidade de 22 m/s, em um ponto 14 m abaixo da rampa. De quanto a energia mecânica do sistema esquiador-Terra foi reduzida pela força de arrasto do ar durante o salto?
Resposta: 11000 J

Uma bola de massa de 12,2 g é solta do repouso de uma altura 76 cm acima da superfície do óleo que preenche um barril até um profundidade de 55 cm. A bola atinge o fundo do barril com velocidade de 1,48 m/s.

a) Desprezando a resistência do ar, determine a velocidade da bola quando ela entra no óleo.

b) Qual é a variação de energia interna do sistema bola + óleo?

Prévia do material em texto

Lista de Exerćıcios 7 - Conservação de
energia
Para a resolução dos exerćıcios considere o valor da gravidade de g = 9, 81 m/s2.
1. Num escorregador, a energia potencial de uma criança diminui em 1000 J, enquanto sua energia cinética aumenta
em 900 J. Que outra forma de energia está envolvida e quanto vale?
2. Na ausência de resistência do ar, uma bola atirada verticalmente para cima com uma certa energia cinética
inicial retorna ao ńıvel original com a mesma energia cinética. Quando a resistência do ar for um fator que
afete a bola, ela retornará ao ńıvel original com energia cinética igual, maior ou menor do que a original? Sua
resposta contradiz a lei da conservação da energia? Justifique.
3. Uma pedra em queda adquire energia cinética enquanto perde energia potencial, tal que o total energia cinética
mais energia potencial é constante. Quanto a pedra bate no chão, ela perde energia cinética sem ganho que
compense a energia potencial. Como é consistente com a conservação da energia?
4. Deixa-se uma pedra cair de uma certa altura e ela penetra na lama. Se tudo fosse mantido igual, quanto ela
penetraria a mais se fosse largada de uma altura duas vezes maior?
5. Um carro que viaja numa rodovia horizontal com velocidade v pisa nos freios e derrapa até parar. Se a força de
atrito sobre o carro valer metade do peso do carro, quão longe ele derrapará?
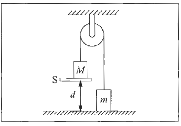
6. No sistema da figura, M=3 kg, m=1 kg e d=2 m. O suporte S é retirado num dado instante.
a) Usando conservação de energia, ache com que velocidade M chega ao chão.
b) Verifique o resultado, calculando a aceleração do sistema pelas leis de Newton.
Resposta: 4,43 m/s
7. Um carrinho desliza do alto de uma montanha russa de 5 m de altura, com atrito despreźıvel. Chegando ao
ponto A, no sopé da montanha, ele é freiado pelo terreno AB coberto de areia (figura), parando em 1,25 s. Qual
é o coeficiente de atrito cinético entre o carrinho e a areia?
Resposta: 0,81
8. Uma menina de 20 kg desce por um escorregador cujo desńıvel vertical é de 3,2 m. Quando ela chega à base do
escorregador, sua velocidade é 1,3 m/s.
a) Quanta energia foi dissipada pelo atrito?
b) Se a inclinação do escorregador é de 20◦ com a horizontal, qual é o coeficiente de atrito cinético entre a
menina e o escorregador?
Resposta: a) 610 J, b) 0,35
2
9. Um bloco de massa de 5 kg, deslizando sobre uma mesa horizontal, com coeficientes de atrito cinético e estático
0,5 e 0,6, respectivamente, de constante de mola K=250 N/m, inicialmente na posição relaxada (figura). O
bloco atinge a mola com velocidade de 1 m/s.
a) Qual é a deformação máxima da mola?
b) Que acontece depois que a mola atinge sua deformação máxima?
c) Que fração da energia inicial é dissipada pelo atrito nesse processo?
Resposta: a) 0,074 m, c) 1,82 J
10. Um pêndulo é afastado da vertical de um ângulo de 60◦ e solto em repouso. Para que ângulo com a vertical sua
velocidade será a metade da velocidade máxima atingida pelo pêndulo?
Resposta: 29◦
11. Um bloco de 2,4 kg é largado sobre uma mola de altura de 5 m. Quando o bloco está momentaneamente em
repouso, a mola está comprimida de 25 cm. Determine a velocidade do bloco quando a compressão da mola é
de 15 cm.
Resposta: 6,04 m/s
12. Um carrinho de montanha-russa, de 1500 kg, parte do repouso de uma altura H=23 m acima da base de um
laço de 15 m de diâmetro. Se o atrito é despreźıvel, determine a força para baixo exercida pelos trilhos sobre o
carrinho, quando este está no topo do loop, de cabeça para baixo.
Resposta: 16660 N
3
13. Em um canteiro de obras, um balde de concreto de 65 kg está suspenso por um cabo leve (porém forte), que
passa sobre uma polia leve sem atrito e está conectado a uma caixa de 80 kg sobre o teto horizontal. O cabo
puxa horizontalmente a caixa, e um saco de cascalho de 50 kg repousa sobre o topo da caixa. Os coeficientes
de atrito entre a caixa e o teto são indicados na figura.
a) Ache a força de atrito sobre o saco de cascalho e sobre a caixa.
b) Subitamente, um operário apanha o saco de cascalho. Use a conservação de energia para determinar a
velocidade do balde após ele ter descido 2 m partindo do repouso. (Confira sua resposta usando as leis de
Newton).
Resposta: a) 637 N, b) 2,99 m/s
14. Um bloco de 0,50 kg é empurrado contra uma mola horizontal de massa despreźıvel, comprimindo a mola até
uma distância igual a 0,20 m. Quando o bloco é liberado, ele se move sobre o topo de uma mesa horizontal até
uma distância de 1,0 m antes de parar. A constante da mola é igual a 100 N/m. Calcule o coeficiente de atrito
cinético µc entre o bloco e a mesa.
Resposta: 0,4
15. Sobre uma superf́ıcie horizontal, uma caixa com massa de 50 kg é colocada contra uma mola que armazena
360 J de energia. A mola é liberada, e a caixa desliza por 5,6 m antes de parar. Qual é a velocidade escalar da
caixa, quando ela está a 2,0 m da sua posição inicial?
Resposta: 6,8 m/s
16. Uma bola de borracha de 650 g é largada de uma altura inicial de 2,50 m, e a cada quique ela retorna a 75% da
sua altura anterior.
a) Qual é a energia mecânica inicial da bola assim que é liberada da sua altura inicial?
b) Quanta energia mecânica a bola perde durante o seu primeiro quique?
c) Quanta energia mecânica é perdida durante o segundo quique?
Resposta: a) 15,9 J, b) 4 J
17. Quando um besouro salta-martim está deitado de costas, ele pode pular encurvando bruscamente o corpo, o
que converte em energia mecânica a energia armazenada em um músculo, produzindo um estalo aud́ıvel. O
videoteipe de um desses pulos mostra que um besouro de massa m=4,0x10−6 kg se desloca 0,77 mm na vertical
durante um salto e consegue atingir uma altura máxima h=0,30 m. Qual é o valor médio, durante o salto do
módulo da força externa exercida pelo piso sobre as costas do besouro e do módulo da aceleração do besouro
em unidades de g?
Resposta: a) 150 N, b) 380g
4
18. Um disco de plástico de 75 g é arremessado de um ponto 1,1 m acima do solo, com uma velocidade escalar de
12 m/s. Quando o disco atinge uma altura de 2,1 m, sua velocidade é 10,5 m/s. Qual é a redução da energia
mecânica do sistema disco-Terra produzida pela força de arrasto do ar?
Resposta: -0,53 J
19. Um esquiador de 60 kg deixa uma rampa de salto com uma velocidade de 24 m/s, fazendo um ângulo de 25◦
com a horizontal. Devido à força de arrasto do ar, o esquiador toca a neve com uma velocidade de 22 m/s, em
um ponto 14 m abaixo da rampa. De quanto a energia mecânica do sistema equiador-Terra foi reduzida pela
força de arrasto do ar durante o salto?
Resposta: 11000 J
20. Uma bala de 4,54 g de massa é disparada horizontalmente sobre um bloco de madeira de 2,41 kg que está em
repouso sobre uma superf́ıcie horizontal. O coeficiente de atrito cinético entre o bloco e a superf́ıcie é 0,21. A
vala alcança o repouso dentro do bloco, que se move 1,83 m. Suponha que o trabalho realizado sobre o bloco
devido ao atrito representa 83% da energia dissipada devido ao atrito.
a) Qual é a intensidade da velocidade do bloco imediatamente após a bala alcançar o repouso no seu interior?
b) Qual é a velocidade inicial da bala?
21. Um bloco de 2 kg é empurrado contra uma mola de massa despreźıvel e constante k = 400 N/m, comprimindo
a mola até uma distância igual a 0,220 m. Quando o bloco é liberado, ele se move ao longo de uma superf́ıcie
horizontal sem atrito e sobe um plano inclinado de 37◦, como mostra a figura abaixo.
a) Qual é a velocidade do bloco enquanto ele desliza ao longo da superf́ıcie horizontal depois de abandonar a
mola?
b) Qual é a distância máxima que ele atinge ao subir o plano inclinado até parar antes de voltar para a base do
plano?
22. Um carro de montanha-russa com 350 kg parte do repouso no ponto A e desce para realizar um loop sem atrito,
como mostra a figura.
a) Com que velocidade o carro se move no ponto B?
b) Com que rigidez ele pressiona otrilho no ponto B?
5
23. Um carro em um parque de diversões se desloca sem atrito ao longo do trilho indicado na figura. Ele parte do
repouso no ponto A, situado a uma altura h acima da base do ćırculo. Considere o carro como uma part́ıcula.
a) Qual é o menor valor de h (em função de R) para que o carro atinja o topo do ćırculo (ponto B) sem cair?
b) Se h=3,50R e R=14,0 m, calcule a velocidade, o componente radial da aceleração e o componente tangencial da
aceleração dos passageiros quando o carro está no ponto C, que está na extremidade de um diâmetro horizontal.
Use um diagrama aproximadamente em escala para mostrar esses componentes da aceleração.
24. Um bloco de 1,34 kg que desliza sobre uma superf́ıcie horizontal colide com uma mola de constante elástica
1,93 N/cm. O bloco comprime a mola por 4,16 cm desde a posição relaxada. O atrito entre o bloco e a
superf́ıcie dissipa 117 mJ de energia mecânica, enquanto o bloco é levado ao repouso. Determine a intensidade
da velocidade do bloco no instante da colisão com a mola.
25. Um pedaço de madeira de 2,0 kg desliza sobre uma superf́ıcie curva como mostra a figura. As laterais curvas
da superf́ıcie são perfeitamente lisas, mas o fundo horizontal áspero tem 30 m de comprimento e possui um
coeficiente de atrito cinético de 0,20 com a madeira. A madeira parte do repouso 4,0 m acima do fundo áspero.
a) Onde esse objeto vai parar?
b) Qual é o trabalho total realizado pelo atrito para o movimento, desde a liberação inicial até a parada do
pedaço de madeira?
26. Uma rocha de 28 kg se aproxima da base de uma colina com uma velocidade cujo módulo é igual a 15 m/s. Essa
colina tem inclinação de baixo para cima a um ângulo constante de 40◦ acima da horizontal. Os coeficientes de
atrito estático e cinético entre a colina e a rocha são 0,75 e 0,20, respectivamente.
a) Use a conservação de energia para determinar a altura máxima acima da base da colina atingida pela rocha.
b) A rocha permanecerá em repouso em seu ponto mais alto ou vai deslizar de volta para a base?
c) Se a rocha deslizar de volta, ache sua velocidade quando ela atingir a base da colina.
27. Uma pedra de 15 kg desliza de cima para baixo ao longo de uma colina coberta de neve como mostra a figura,
deixando o ponto A com velocidade de 10 m/s. Não há atrito na colina entre os pontos A e B, mas há atrito no
ńıvel do solo à base da colina, entre B e a parede. Após chegar à região horizontal áspera, a pedra se desloca por
100 m e, então, colide com uma mola leve, porém comprida, com força constante de 2,0 N/m. Os coeficientes
de atrito cinético e estático entre a pedra e o plano horizontal são 0,20 e 0,80, respectivamente.
a) Qual é a velocidade da pedra quando ela atinge o ponto B?
b) A que distância a pedra comprimirá a mola?
c) A pedra se moverá novamente após ter sido parada pela mola?
28. Uma pequena pedra com massa de 0,12 kg está presa a um fio de 0,80 m de comprimento, de massa despreźıvel,
formando um pêndulo, que oscila até um ângulo de 45◦ com a vertical. Despreze a resistência do ar.
6
a) Qual é a velocidade da pedra quando ela passa pela posição vertical?
b) Qual é a tensão no fio quando ele faz um ângulo de 45◦ com a vertical e quando ele passa pela posição
vertical?
29. Uma bola de massa de 12,2 g é solta do repouso de uma altura 76 cm acima da superf́ıcie do óleo que preenche
um barril até um profundidade de 55 cm. A bola atinge o fundo do barril com velocidade de 1,48 m/s.
a) Desprezando a resistência do ar, determine a velocidade da bola quando ela entra no óleo.
b) Qual é a variação de energia interna do sistema bola + óleo?

Mais conteúdos dessa disciplina