

Cadastre-se ou realize login
Ao continuar, você aceita os Termos de Uso e Política de Privacidade


Cadastre-se ou realize login
Ao continuar, você aceita os Termos de Uso e Política de Privacidade


Cadastre-se ou realize login
Ao continuar, você aceita os Termos de Uso e Política de Privacidade
Prévia do material em texto
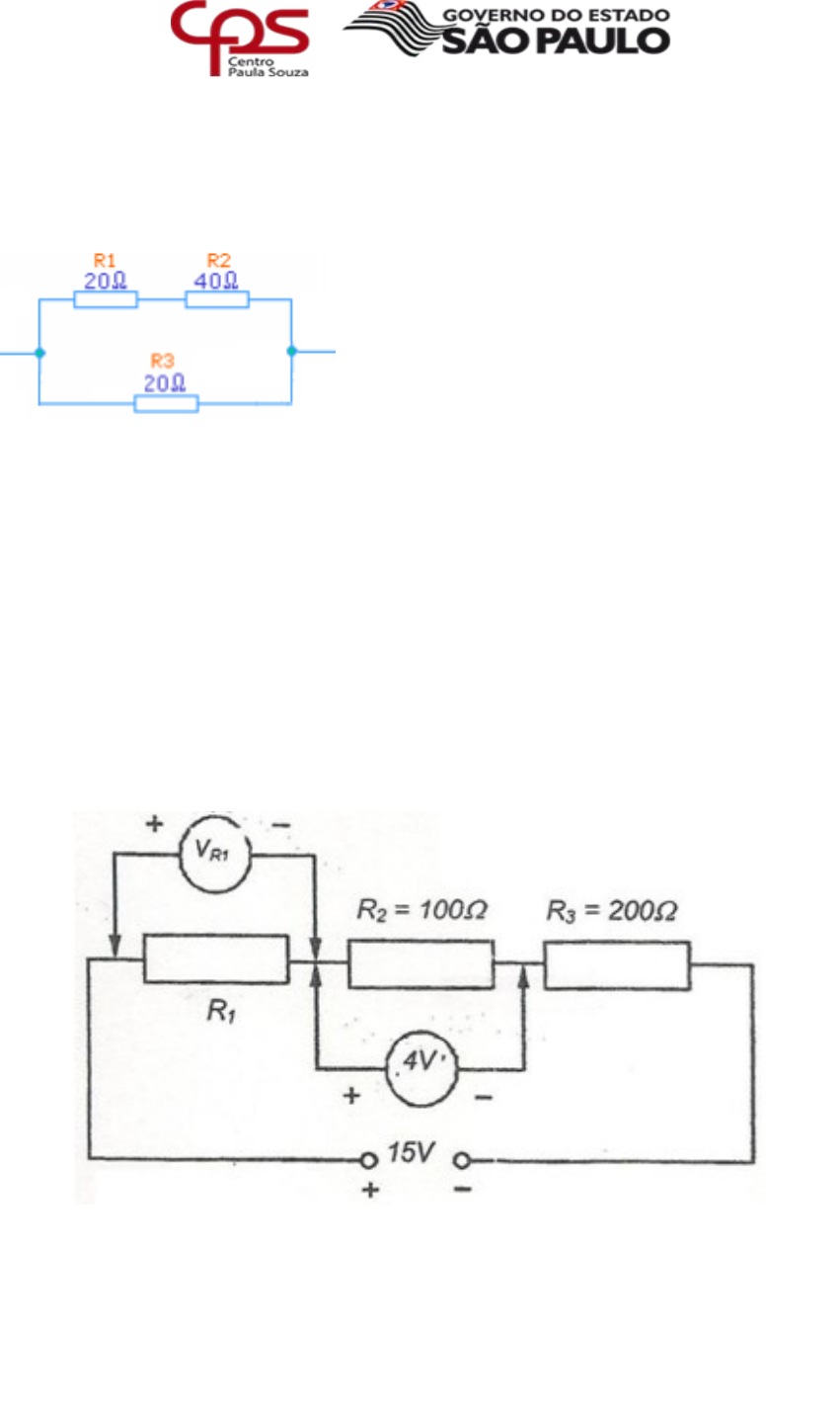
Atividade de Eletricidade 1 – Analisando o circuito abaixo, podemos dizer que: 1. R1 está em série com R2 e ambos em série com R3; 1. R1 está em paralelo com R3 e em série com R2; 1. R1 está em série com R3 e ambos em paralelo com R2; 1. R1 está em série com R2 e ambos em paralelo com R3; 1. Nenhuma das alternativas anteriores. Descreva o motivo que você marcou a sua alternativa. 2 - Determinar no circuito a seguir: o valor de IR3 (corrente R3), VR1 (tensão R1) e PR2 (potência R2). 3 - Determine IT (corrente elétrica) no circuito abaixo: a) b) 4 - Determine, na seqüência, os valores RA, RB e Req. 5 - Um isqueiro de automóvel funciona com 36 V fornecidos pela bateria. Sabendo que a resistência do isqueiro é de 6Ω, calcular a potência dissipada. image6.png image1.png image2.png image4.png image5.png image3.png