Logo Passei Direto
Buscar
Material
páginas com resultados encontrados.
páginas com resultados encontrados.
left-side-bubbles-backgroundright-side-bubbles-background

Experimente o Premium!star struck emoji

Acesse conteúdos dessa e de diversas outras disciplinas.

Libere conteúdos
sem pagar

Ajude estudantes e ganhe conteúdos liberados!

Prévia do material em texto

UMC 
RESISTÊNCIA DOS 
MATERIAIS III 
Prof. Márcio Cintra CURSO: Enga. ________ 
TURMA:__________________ DATA: _____/____/_____ 
 
ALUNO:............……………………………………………………………………..RGM:………........………….. 
 
 
Lista 01- Data de apresentação: na data de realização da P1 
Apresentar esta folha como capa da lista de exercícios. 
 
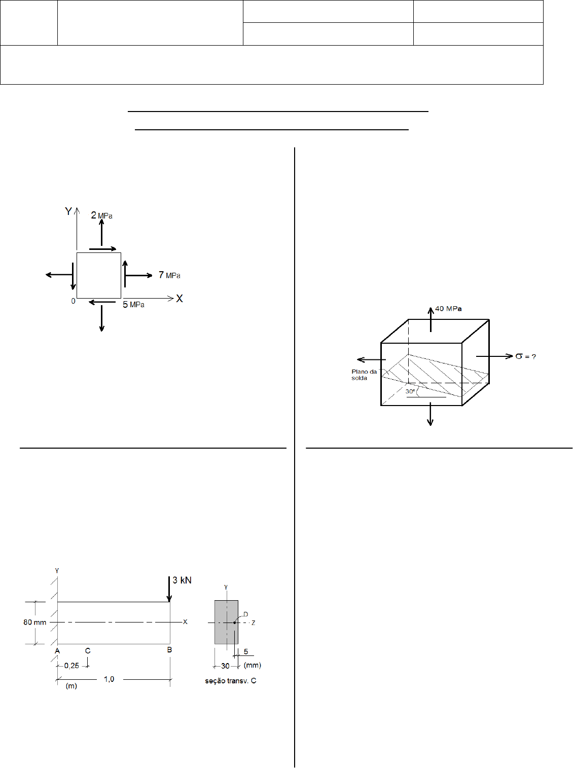
Para cada estado de tensão bidimensional a 
seguir determinar: 
1) 
 
 
 
 
 
 
 
 
a) A representação gráfica para o estado plano 
de tensão com θ = - 30º. 
 
 
 
 
2) Em função dos esforços internos atuantes em 
uma viga de seção transversal retangular constante, 
representar graficamente (com Ɵ = 0) o estado plano 
de tensões atuante no ponto “D” da seção 
transversal „C”. 
 
 
 
 
 
 
 
 
 
 
3) Uma placa soldada está sujeita a uma 
tração biaxial conforme figura. Determinar a 
tensão “σ máxima” a ser aplicada na placa 
para que sejam atendidas as tensões 
admissíveis, normal (60 MPa) e de 
cisalhamento (25 MPa) atuantes no plano da 
solda. 
 
 
 
 
 
 
 
 
 
 
4) O estado de tensão em um ponto é definido 
(com θ = zero) pelas tensões: 
σx= 20 MPa σy= - 10 MPa δxy= - 10 MPa 
 
Representar graficamente pela técnica do 
Círculo de Mohr: 
a) As tensões principais e de cisalhamento 
(máximo e mínimo). 
b) As tensões atuantes para o ponto em 
análise, com planos orientados de 30º 
(sentido anti-horário de rotação).

Mais conteúdos dessa disciplina