Logo Passei Direto
Buscar

Avaliacao Proficiencia Engenharia Mecanica RE V1 PRF 92913 original

User badge image
Felipe

em

Ferramentas de estudo

Questões resolvidas

Sistemas mecânicos podem ser formados por massas, molas e amortecedores, sendo o sistema mais simples o formado por apenas um componente dos mencionados. Porém estes podem ser interconectados formando sistemas mais complexos. Considere a figura a seguir. E considere as afirmacoes relacionadas ao sistema apresentado na figura:
É correto o que está indicado na alternativa:
I. A equação que descreve o movimento do sistema é dada por:
II. Se associarmos uma mola em paralelo o novo coeficiente de amortecimento será:
III. Se associarmos uma mola em série o novo coeficiente de amortecimento será:
IV. Se f(t) for maior que a força gravitacional o sistema será instável.
I, apenas.
I e IV, apenas.
II e III, apenas.
I, II e III, apenas.
I, II, III e IV.

O ensaio de tração consiste em aplicar uma carga uniaxial ao longo de um corpo de prova. O corpo de prova se deforma elasticamente (ao cessar a carga o mesmo retorna ao estado inicial) até o limite de escoamento; a partir desse ponto, o material inicia seu regime plástico (com deformação permanente), até o ponto máximo de tensão, chamado de Limite de Resistência à Tração, onde se dá a formação do pescoço no corpo de prova até a tensão de ruptura.
A respeito dessas asserções, assinale a alternativa correta:
I. Em geral, a tensão de ruptura é inferior ao Limite de Resistência à Tração.
II. A partir do Limite de Resistência à Tração, o material começa a ficar mais fraco e, consequentemente, menos resistente à tensão.
Tanto a primeira quanto a segunda asserções são proposições falsas.
A primeira asserção é uma proposta verdadeira, e a segunda, uma proposição falsa.
A primeira asserção é uma proposição falsa, e a segunda, uma proposição verdadeira.
As duas asserções são proposições verdadeiras, e a segunda é uma justificativa correta da primeira.
As duas asserções são proposições são verdadeiras, mas a segunda não é uma justificativa correta da primeira.

No processo de usinagem, o uso adequado das ferramentas de corte é de grande importância para o processo, por essa razão é fundamental conhecer suas principais características e condições necessárias para seu correto uso. Alguns aspectos importantes das ferramentas de corte: velocidades de corte e de avanço; tempo de corte; geometria da ferramenta etc. Com relação às velocidades (corte e avanço), estas não têm os movimentos constantes, pois hora podem ser rápidos, hora podem ser lentos. Velocidade de corte é a velocidade desenvolvida pelo movimento de corte, podendo ser rotativos ou lineares. A velocidade de avanço corresponde à velocidade do movimento de avanço. Durante o movimento de avanço, a peça ou a ferramenta se desloca segundo a direção do movimento de avanço, e ocorre a cada volta ou golpe da ferramenta sobre a peça, e como resultado desses movimentos o cavaco é produzido.
O deslocamento da ferramenta ou da peça, a cada volta ou golpe, é chamado de:
movimento de avanço.
movimento de corte.
rotação da ferramenta.
velocidade de avanço.
velocidade de corte.

Observe as figuras a seguir que traz imagens de uma soldagem a ponto. Agora avalie as asserções a seguir e a relação entre elas.
A respeito dessas asserções, assinale a alternativa correta:
I. Um dos problemas de falhas na solda a ponto de chapas é o depósito de eletrodos na peça, o que causa má aparência, redução da resistência à corrosão, redução da resistência da solda (expulsão de material) e redução da vida útil do eletrodo.
II. Há sujeira no material, baixa força no eletrodo ou alta corrente de solda, bem como manutenção imprópria do eletrodo e material impróprio do eletrodo.
A primeira é uma afirmativa verdadeira; e a segunda, falsa.
A primeira é uma afirmativa falsa; e a segunda, verdadeira.
As duas são verdadeiras, mas não estabelecem relação entre si.
As duas são verdadeiras, e a segunda é uma justificativa correta da primeira.
Tanto a primeira quanto a segunda afirmativa são proposições falsas.

Material
páginas com resultados encontrados.
páginas com resultados encontrados.
left-side-bubbles-backgroundright-side-bubbles-background

Crie sua conta grátis para liberar esse material. 🤩

Já tem uma conta?

Ao continuar, você aceita os Termos de Uso e Política de Privacidade

left-side-bubbles-backgroundright-side-bubbles-background

Crie sua conta grátis para liberar esse material. 🤩

Já tem uma conta?

Ao continuar, você aceita os Termos de Uso e Política de Privacidade

Questões resolvidas

Sistemas mecânicos podem ser formados por massas, molas e amortecedores, sendo o sistema mais simples o formado por apenas um componente dos mencionados. Porém estes podem ser interconectados formando sistemas mais complexos. Considere a figura a seguir. E considere as afirmacoes relacionadas ao sistema apresentado na figura:
É correto o que está indicado na alternativa:
I. A equação que descreve o movimento do sistema é dada por:
II. Se associarmos uma mola em paralelo o novo coeficiente de amortecimento será:
III. Se associarmos uma mola em série o novo coeficiente de amortecimento será:
IV. Se f(t) for maior que a força gravitacional o sistema será instável.
I, apenas.
I e IV, apenas.
II e III, apenas.
I, II e III, apenas.
I, II, III e IV.

O ensaio de tração consiste em aplicar uma carga uniaxial ao longo de um corpo de prova. O corpo de prova se deforma elasticamente (ao cessar a carga o mesmo retorna ao estado inicial) até o limite de escoamento; a partir desse ponto, o material inicia seu regime plástico (com deformação permanente), até o ponto máximo de tensão, chamado de Limite de Resistência à Tração, onde se dá a formação do pescoço no corpo de prova até a tensão de ruptura.
A respeito dessas asserções, assinale a alternativa correta:
I. Em geral, a tensão de ruptura é inferior ao Limite de Resistência à Tração.
II. A partir do Limite de Resistência à Tração, o material começa a ficar mais fraco e, consequentemente, menos resistente à tensão.
Tanto a primeira quanto a segunda asserções são proposições falsas.
A primeira asserção é uma proposta verdadeira, e a segunda, uma proposição falsa.
A primeira asserção é uma proposição falsa, e a segunda, uma proposição verdadeira.
As duas asserções são proposições verdadeiras, e a segunda é uma justificativa correta da primeira.
As duas asserções são proposições são verdadeiras, mas a segunda não é uma justificativa correta da primeira.

No processo de usinagem, o uso adequado das ferramentas de corte é de grande importância para o processo, por essa razão é fundamental conhecer suas principais características e condições necessárias para seu correto uso. Alguns aspectos importantes das ferramentas de corte: velocidades de corte e de avanço; tempo de corte; geometria da ferramenta etc. Com relação às velocidades (corte e avanço), estas não têm os movimentos constantes, pois hora podem ser rápidos, hora podem ser lentos. Velocidade de corte é a velocidade desenvolvida pelo movimento de corte, podendo ser rotativos ou lineares. A velocidade de avanço corresponde à velocidade do movimento de avanço. Durante o movimento de avanço, a peça ou a ferramenta se desloca segundo a direção do movimento de avanço, e ocorre a cada volta ou golpe da ferramenta sobre a peça, e como resultado desses movimentos o cavaco é produzido.
O deslocamento da ferramenta ou da peça, a cada volta ou golpe, é chamado de:
movimento de avanço.
movimento de corte.
rotação da ferramenta.
velocidade de avanço.
velocidade de corte.

Observe as figuras a seguir que traz imagens de uma soldagem a ponto. Agora avalie as asserções a seguir e a relação entre elas.
A respeito dessas asserções, assinale a alternativa correta:
I. Um dos problemas de falhas na solda a ponto de chapas é o depósito de eletrodos na peça, o que causa má aparência, redução da resistência à corrosão, redução da resistência da solda (expulsão de material) e redução da vida útil do eletrodo.
II. Há sujeira no material, baixa força no eletrodo ou alta corrente de solda, bem como manutenção imprópria do eletrodo e material impróprio do eletrodo.
A primeira é uma afirmativa verdadeira; e a segunda, falsa.
A primeira é uma afirmativa falsa; e a segunda, verdadeira.
As duas são verdadeiras, mas não estabelecem relação entre si.
As duas são verdadeiras, e a segunda é uma justificativa correta da primeira.
Tanto a primeira quanto a segunda afirmativa são proposições falsas.

Prévia do material em texto

QUESTÃO 1
Sistemas mecânicos podem ser formados por massas,
molas e amortecedores, sendo o sistema mais simples o
formado por apenas um componente dos mencionados.
Porém estes podem ser interconectados formando
sistemas mais complexos. Considere a figura a seguir.
E considere as afirmações relacionadas ao sistema
apresentado na figura:
I. A equação que descreve o movimento do sistema é dada
por: 
II. Se associarmos uma mola em paralelo o novo
coeficiente de amortecimento será 
III. Se associarmos uma mola em série o novo coeficiente
de amortecimento será 
IV. Se f(t) for maior que a força gravitacional o sistema
será instável.
É correto o que está indicado na alternativa: 
 
I, apenas.
I e IV, apenas.
II e III, apenas.
I, II e III, apenas.
I, II, III e IV.
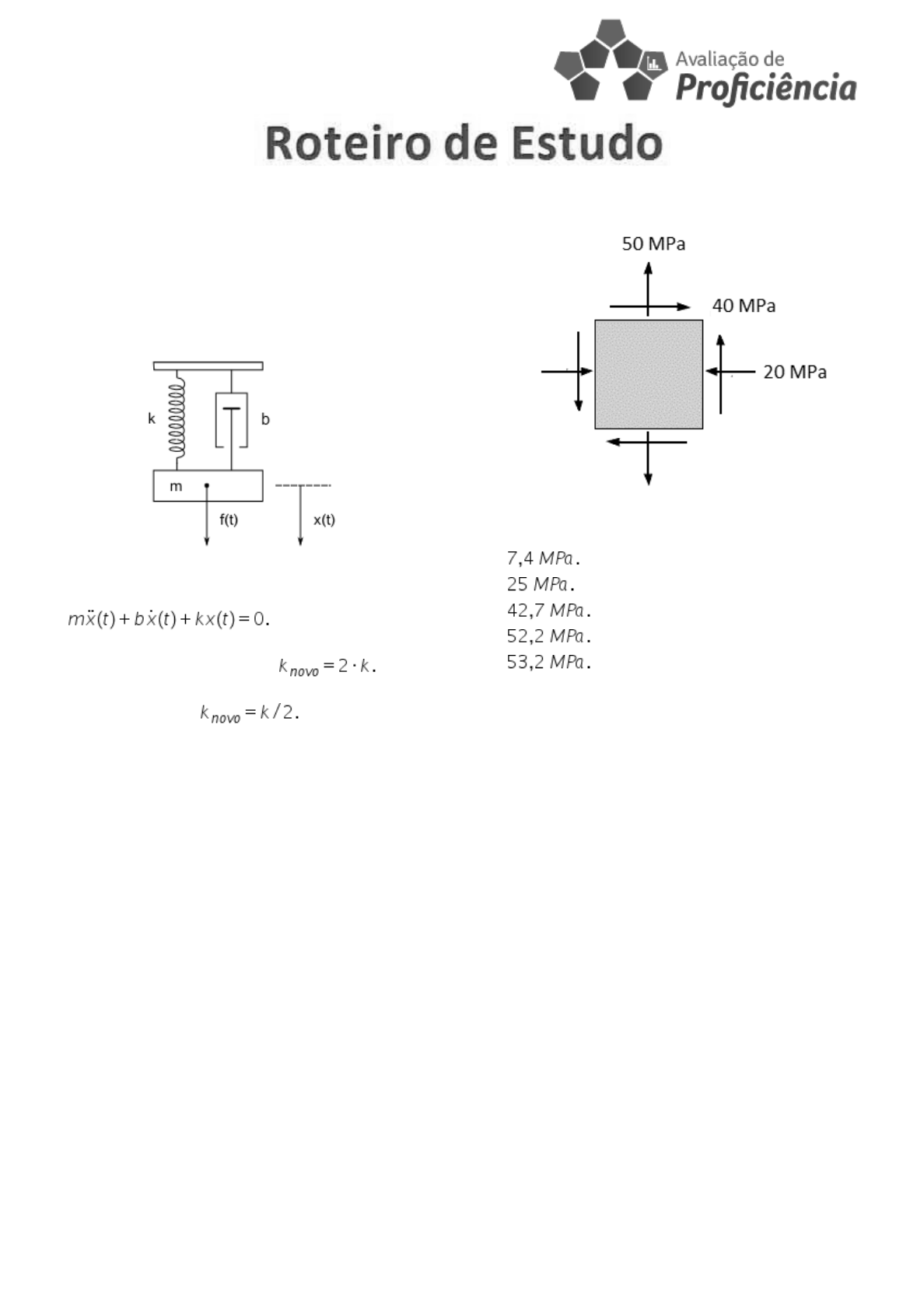
QUESTÃO 2
O estado plano de tensão em um ponto é representado
pela combinação das tensões normais nas duas direções
perpendiculares e um componente de cisalhamento que
age nas quatro faces do elemento. A variação dos
componentes de tensão com a mudança da orientação do
plano do elemento pode ser identificada através de uma
solução gráfica, o círculo de Mohr. Em um ponto qualquer
de uma viga, o estado plano de tensão é representado
pelo elemento na figura.
 
Determine o valor da tensão de cisalhamento máximo no
plano do elemento:
QUESTÃO 3 - (ENADE - Adaptado)
O ensaio de tração consiste em aplicar uma carga uniaxial
ao longo de um corpo de prova. O corpo de prova se
deforma elasticamente (ao cessar a carga o mesmo
retorna ao estado inicial) até o limite de escoamento; a
partir desse ponto, o material inicia seu regime plástico
(com deformação permanente), até o ponto máximo de
tensão, chamado de Limite de Resistência à Tração, onde
se dá a formação do pescoço no corpo de prova até a
tensão de ruptura.
I. Em geral, a tensão de ruptura é inferior ao Limite de
Resistência à Tração.
PORQUE
II. A partir do Limite de Resistência à Tração, o material
começa a ficar mais fraco e, consequentemente, menos
resistente à tensão.
A respeito dessas asserções, assinale a alternativa correta:
Tanto a primeira quanto a segunda asserções são
proposições falsas.
A primeira asserção é uma proposta verdadeira, e a
segunda, uma proposição falsa.
A primeira asserção é uma proposição falsa, e a
segunda, uma proposição verdadeira.
As duas asserções são proposições verdadeiras, e a
segunda é uma justificativa correta da primeira.
As duas asserções são proposições são verdadeiras,
mas a segunda não é uma justificativa correta da
primeira.
a)
b)
c)
d)
e)
a)
b)
c)
d)
e)
a)
b)
c)
d)
e)
DISCIPLINA: Avaliação Proficiência_Engenharia Mecânica
QUESTÃO 4
No processo de usinagem, o uso adequado das
ferramentas de corte é de grande importância para o
processo, por essa razão é fundamental conhecer suas
principais características e condições necessárias para seu
correto uso. Alguns aspectos importantes das ferramentas
de corte: velocidades de corte e de avanço; tempo de
corte; geometria da ferramenta etc.
Com relação às velocidades (corte e avanço), estas não
têm os movimentos constantes, pois hora podem ser
rápidos, hora podem ser lentos. Velocidade de corte é a
velocidade desenvolvida pelo movimento de corte,
podendo ser rotativos ou lineares. A velocidade de avanço
corresponde à velocidade do movimento de avanço.
Durante o movimento de avanço, a peça ou a ferramenta
se desloca segundo a direção do movimento de avanço, e
ocorre a cada volta ou golpe da ferramenta sobre a peça,
e como resultado desses movimentos o cavaco é
produzido.
 
Fonte: Ensino a distância. Processos mecânicos de
usinagem - Usinagem – Tecnologia do corte - módulo 1.
São Paulo: Senai, 1998.
O deslocamento da ferramenta ou da peça, a cada volta
ou golpe, é chamado de:
movimento de avanço.
movimento de corte.
rotação da ferramenta.
velocidade de avanço.
velocidade de corte.
QUESTÃO 5 - (ENADE - Adaptado)
Observe as figuras a seguir que traz imagens de uma
soldagem a ponto.
Agora avalie as asserções a seguir e a relação entre elas. 
 
I. Um dos problemas de falhas na solda a ponto de chapas
é o depósito de eletrodos na peça, o que causa má
aparência, redução da resistência à corrosão, redução da
resistência da solda (expulsão de material) e redução da
vida útil do eletrodo.
PORQUE
II. Há sujeira no material, baixa força no eletrodo ou alta
corrente de solda, bem como manutenção imprópria do
eletrodo e material impróprio do eletrodo.
A respeito dessas asserções, assinale a alternativa correta:
 
A primeira é uma afirmativa verdadeira; e a segunda,
falsa.
A primeira é uma afirmativa falsa; e a segunda,
verdadeira.
As duas são verdadeiras, mas não estabelecem relação
entre si.
As duas são verdadeiras, e a segunda é uma
justificativa correta da primeira.
Tanto a primeira quanto a segunda afirmativa são
proposições falsas.
a)
b)
c)
d)
e)
a)
b)
c)
d)
e)
	QUESTÃO 1
	QUESTÃO 3 - (ENADE - Adaptado)
	QUESTÃO 2
	QUESTÃO 4
	QUESTÃO 5 - (ENADE - Adaptado)

Mais conteúdos dessa disciplina