Logo Passei Direto
Buscar

Ferramentas de estudo

Questões resolvidas

O manovacuômetro metálico da figura assinala uma pressão de -508 mm Hg. Sabendo-se que as superfícies d’água nos reservatórios encontram-se a mesma cota, calcular o desnível que apresenta o mercúrio no manômetro diferencial.R= 54,8 cm

Água flui de um tanque através de um tubo de 0,05 m de diâmetro. Determine a Velocidade no tubo e a vazão de descarga.Dados: deflexão do manômetro (h) = 0,15m.

Um grande reservatório de óleo tem um tubo de 7,6cm e 2128m de comprimento a ele conectado, como mostrado na figura a seguir.
A superfície livre do reservatório está a 3m acima da linha do centro do tubo e pode ser considerada fixa nesta elevação. Admitindo escoamento laminar, calcule a velocidade média de escoamento e, posteriormente, verifique o Número de Reynolds.
Dado: oleo = 9,2.10-6m2/s.

Um tubo liso de 6,35 cm de diâmetro e 152 m de comprimento, transporta 9,46 L/s de água, desde uma linha principal onde a pressão é igual 7,0 Kgf/cm2 até o topo de um edifício que está a 26 m acima da linha principal. Qual a pressão existente no tubo no topo do edifício?Dados:ν agua = 1,32.10-6m2/s; ρagua = 103 kg/m3. Resp: P2 = 238383 Pa.

Um cilindro de 40 cm de altura está parcialmente imerso em óleo (0,90 g/cm3). A parte do cilindro que está fora do óleo, tem 10 cm de altura. Calcule a massa específica de que é feito o cilindro. Resp; 0,675 g/cm3.

A viscosidade dinâmica de um óleo é de 5 . 10-4 kgf.s/m2 e o peso específico relativo é de 0,82.Determinar a viscosidade cinemática.Considerar g= 10m/s2 e peso especifico da água = 1000kgf/m3. E transformar a unidade m2/s em St. Resp: 6,1 .10-6 m2/s, 6,1 .10-2cm2/s ou St.

Determinar o número de Reynolds para o escoamento de 140 l/s de óleo, = 0,00001 m2/s, num tubo de ferro fundido de 200 mm de diâmetro. Resp:Re=8909,9 turbulento.

Água escoa através da turbina na Figura 2. A turbina produz a potência de 65 HP. As pressões em A e B são 1,4 kgf/cm2 e –0,34 Kgf/cm2, respectivamente. Qual é a vazão volumétrica d’água ?. Desprezar a perda de carga devida ao atrito. Resp.: Vv=0,260 m3/s Dado: 332 /.10 mKgfOH =.

Na instalação da figura, a máquina é uma bomba e o fluido é água. A bomba tem uma potência de 7kW e seu rendimento é 70%. A água é descarregada com uma velocidade de 5m/s pela saída (2) com área de 12cm². Determine a perda de carga do fluido entre (1) e (2) e calcule a potência dissipada ao longo da instalação. Dados: peso especificoH2O = 10000N/m³, g = 10m/s². Resp: v= Hp1,2=3,75m....Lembrando que,HB=81,67 E Hp = 85,42m, a perda de carga efetiva Hp1,2 é a diferença.

Material
páginas com resultados encontrados.
páginas com resultados encontrados.
left-side-bubbles-backgroundright-side-bubbles-background

Crie sua conta grátis para liberar esse material. 🤩

Já tem uma conta?

Ao continuar, você aceita os Termos de Uso e Política de Privacidade

left-side-bubbles-backgroundright-side-bubbles-background

Crie sua conta grátis para liberar esse material. 🤩

Já tem uma conta?

Ao continuar, você aceita os Termos de Uso e Política de Privacidade

left-side-bubbles-backgroundright-side-bubbles-background

Crie sua conta grátis para liberar esse material. 🤩

Já tem uma conta?

Ao continuar, você aceita os Termos de Uso e Política de Privacidade

left-side-bubbles-backgroundright-side-bubbles-background

Crie sua conta grátis para liberar esse material. 🤩

Já tem uma conta?

Ao continuar, você aceita os Termos de Uso e Política de Privacidade

left-side-bubbles-backgroundright-side-bubbles-background

Crie sua conta grátis para liberar esse material. 🤩

Já tem uma conta?

Ao continuar, você aceita os Termos de Uso e Política de Privacidade

left-side-bubbles-backgroundright-side-bubbles-background

Crie sua conta grátis para liberar esse material. 🤩

Já tem uma conta?

Ao continuar, você aceita os Termos de Uso e Política de Privacidade

left-side-bubbles-backgroundright-side-bubbles-background

Crie sua conta grátis para liberar esse material. 🤩

Já tem uma conta?

Ao continuar, você aceita os Termos de Uso e Política de Privacidade

left-side-bubbles-backgroundright-side-bubbles-background

Crie sua conta grátis para liberar esse material. 🤩

Já tem uma conta?

Ao continuar, você aceita os Termos de Uso e Política de Privacidade

Questões resolvidas

O manovacuômetro metálico da figura assinala uma pressão de -508 mm Hg. Sabendo-se que as superfícies d’água nos reservatórios encontram-se a mesma cota, calcular o desnível que apresenta o mercúrio no manômetro diferencial.R= 54,8 cm

Água flui de um tanque através de um tubo de 0,05 m de diâmetro. Determine a Velocidade no tubo e a vazão de descarga.Dados: deflexão do manômetro (h) = 0,15m.

Um grande reservatório de óleo tem um tubo de 7,6cm e 2128m de comprimento a ele conectado, como mostrado na figura a seguir.
A superfície livre do reservatório está a 3m acima da linha do centro do tubo e pode ser considerada fixa nesta elevação. Admitindo escoamento laminar, calcule a velocidade média de escoamento e, posteriormente, verifique o Número de Reynolds.
Dado: oleo = 9,2.10-6m2/s.

Um tubo liso de 6,35 cm de diâmetro e 152 m de comprimento, transporta 9,46 L/s de água, desde uma linha principal onde a pressão é igual 7,0 Kgf/cm2 até o topo de um edifício que está a 26 m acima da linha principal. Qual a pressão existente no tubo no topo do edifício?Dados:ν agua = 1,32.10-6m2/s; ρagua = 103 kg/m3. Resp: P2 = 238383 Pa.

Um cilindro de 40 cm de altura está parcialmente imerso em óleo (0,90 g/cm3). A parte do cilindro que está fora do óleo, tem 10 cm de altura. Calcule a massa específica de que é feito o cilindro. Resp; 0,675 g/cm3.

A viscosidade dinâmica de um óleo é de 5 . 10-4 kgf.s/m2 e o peso específico relativo é de 0,82.Determinar a viscosidade cinemática.Considerar g= 10m/s2 e peso especifico da água = 1000kgf/m3. E transformar a unidade m2/s em St. Resp: 6,1 .10-6 m2/s, 6,1 .10-2cm2/s ou St.

Determinar o número de Reynolds para o escoamento de 140 l/s de óleo, = 0,00001 m2/s, num tubo de ferro fundido de 200 mm de diâmetro. Resp:Re=8909,9 turbulento.

Água escoa através da turbina na Figura 2. A turbina produz a potência de 65 HP. As pressões em A e B são 1,4 kgf/cm2 e –0,34 Kgf/cm2, respectivamente. Qual é a vazão volumétrica d’água ?. Desprezar a perda de carga devida ao atrito. Resp.: Vv=0,260 m3/s Dado: 332 /.10 mKgfOH =.

Na instalação da figura, a máquina é uma bomba e o fluido é água. A bomba tem uma potência de 7kW e seu rendimento é 70%. A água é descarregada com uma velocidade de 5m/s pela saída (2) com área de 12cm². Determine a perda de carga do fluido entre (1) e (2) e calcule a potência dissipada ao longo da instalação. Dados: peso especificoH2O = 10000N/m³, g = 10m/s². Resp: v= Hp1,2=3,75m....Lembrando que,HB=81,67 E Hp = 85,42m, a perda de carga efetiva Hp1,2 é a diferença.

Prévia do material em texto

LISTA MECANICA DOS FLUIDOS/FETRANS
Obs: Vv=Q=Vazão Volumétrica
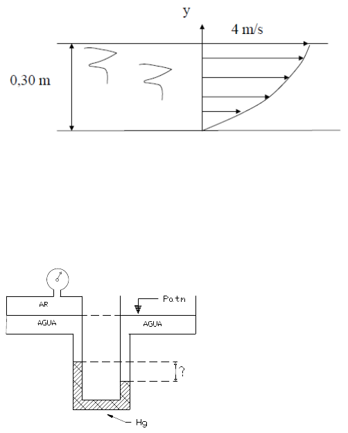
Sabendo-se que a figura a seguir é a representação de uma parábola que apresenta o vértice para y = 30 cm, pede-se: a)A equação que representa a função v = f(v) b)A equação que representa a função do gradiente de velocidade em relação ao y c)A tensão de cisalhamento para y = 0,1; 0,2 e 0,3 m.
2) O manovacuômetro metálico da figura assinala uma pressão de -508 mm Hg. Sabendo-se que as superfícies d’águ nos reservatórios encontram-se a mesma cota, calcular o desnível que apresenta o mercúrio no manômetro diferencial.R= 54,8 cm	
3) Na figura abaixo, o tubo A contém óleo (d = 0,80) e o tubo B, água. Calcular as pressões em A e em B.R: PA = 3840 ;PB = -5 860 Kgf/m2
 
4) A figura abaixo apresenta esquematicamente um manômetro diferencial. Pede-se a diferença de pressões entre os pontos A e B em Pascal, conhecendo-se os seguintes dados de densidades e alturas:dl = d5 = 1 d2 = 13,6 d3 = 0,8 d4 = 1,2;z1 = 1.0 m z2 = 2.0 m z3 = 2.5 m z4 = 5.0 m z5 = 6.0 m
R ) 355,122 KPa
5) A Água escoa em regime permanente no duto de seção circular mostrado na figura abaixo. Sabendo que o fluxo de massa é de 50 Kg/s, calcule a vazão em volume do escoamento e as velocidades médias nas seções 1 e 2.
6) Calcular a vazão (m3/s) e as pressões manométrica e absoluta no ponto B (em
Pascal) para o escoamento a partir do tanque fechado através da tubulação de
4 cm de diâmetro, sabendo que o fluido em escoamento é a água.
7) Calcular a velocidade na saída canalização ilustrada abaixo, sabendo que a pressão
manométrica no ponto 1 é 1 atm.
8) Determinar a vazão na tubulação por onde escoa água, através das informações
obtidas a partir do tubo venturi. Dados:dHg = 13,6; h = 30 cm.
Dados: diametroA = 8cm;diametroB = 5cm, deflexão do
manômetro (h) = 0,3m.
9) Água flui de um tanque através de um tubo de 0,05 m de diâmetro. Determine a Velocidade no tubo e a vazão de descarga.Dados: deflexão do manômetro (h) =
0,15m
10) Um grande reservatório de óleo tem um tubo de 7,6cm e 2128m de comprimento a ele conectado, como mostrado na figura a seguir. A superfície livre do reservatório está a 3m acima da linha do centro do tubo e pode ser considerada fixa nesta elevação. Admitindo escoamento laminar, calcule a velocidade média de escoamento e, posteriormente, verifique o Número de Reynolds.
Dado: ν oleo = 9,2.10-6m2/s
11) Um tubo liso de 6,35 cm de diâmetro e 152 m de comprimento, transporta 9,46 L/s de água,desde uma linha principal onde a pressão é igual 7,0 Kgf/cm2 até o topo de um edifício que está a 26 m acima da linha principal. Qual a pressão existente no tubo no topo do edifício?Dados:ν agua = 1,32.10-6m2/s; ρagua = 103 kg/m3.
Resp: P2 = 238383 Pa.
12) Um cilindro de 40 cm de altura está parcialmente imerso em óleo (0,90 g/cm3). A parte do cilindro que está fora do óleo, tem 10 cmde altura. Calcule a massa específica de que é feito o cilindro. Resp; 0,675 g/cm3
13) A viscosidade dinâmica de um óleo é de 5 . 10-4 kgf.s/m2 e o peso específico relativo é de 0,82.Determinar a viscosidade cinemática.Considerar g= 10m/s2 e peso especifico da água = 1000kgf/m3. E transformar a unidade m2/s em St. Resp: 6,1 .10-6 m2/s, 6,1 .10-2cm2/s ou St
14) Determinar o número de Reynolds para o escoamento de 140 l/s de óleo,  = 0,00001 m2/s, num tubo de ferro fundido de 200 mm de diâmetro. Resp:Re=8909,9 turbulento
15) A vazão de 1,44 m3/s de água ocorre em uma instalação (Fig.1), contendo uma bomba fornece 400 CV de energia à corrente líquida. São dados: A1 = 0,36 m2 , A2 = 0,18 m2 , z1 = 9,15 m , z2 = 24,4 m, e .Resp:Hp1,2 = 10.18m
Obs:M.C.A =METROS COLUNA D’ÁGUA
 (2)
BOMBA
 z1
 z2
 (1)
 V1
 V2
Plano de referência
 ( Fig.1 )
Calcular a perda de carga entre as
 seções (1) e (2)
Resp. hF 10,18 m
16) Água escoa através da turbina na Figura 2. A turbina produz a potência de 65 HP. As pressões em A e B são 1,4 kgf/cm2 e –0,34 Kgf/cm2, respectivamente. Qual é a vazão volumétrica d’água ?. Desprezar a perda de carga devida ao atrito. Resp.: Vv=0,260 m3/s
Dado: .
TURBINA
65 HP
 A
 B
REF ( 0,0 )
 D = 0,3 m
 D = 0,6 m
Figura 2.
 Resp.: 0,260 m3/s
17) Dados: Hp2-3 = 2 m; A3 = 20 cm²; A2 = 1 cm²; Hp0-1 = 0,8 m; rendimento da bomba igual a 70%. Determinar:a) a vazão (L/s);b) a área da seção (1) (cm²);c) a potência fornecida pela bomba ao fluido
18) Na instalação mostrada na figura, a bomba possui potência de 5cv e rendimento de 75%, considere que o fluido é água, determine:
 a) A velocidade do escoamento na tubulação de sucção.Resp: v= 1,33m/s
 b) A pressão em (2) na entrada da bomba. Resp: P= -20,9kpa
 c) A pressão em (3) na saída da bomba. Resp: P= 157,6kPa
 d) A altura Z4 da caixa d’água. Resp: 17,96m
 Dados: peso especificoH2O = 10000N/m³, g = 10m/s², d1 = d2 = 12cm, d3 = d4 = 8cm, QV = 15 litros/s.
19) Na instalação da figura, a máquina é uma bomba e o fluido é água. A bomba tem uma potência de 7kW e seu rendimento é 70%. A água é descarregada com uma velocidade de 5m/s pela saída (2) com área de 12cm². Determine a perda de carga do fluido entre (1) e (2) e calcule a potência dissipada ao longo da instalação.
 Dados: peso especificoH2O = 10000N/m³, g = 10m/s². Resp: v= Hp1,2=3,75m....Lembrando que,HB=81,67 E Hp = 85,42m, a perda de carga efetiva Hp1,2 é a diferença.
20) Para a instalação mostrada na figura a seguir calcule:
 a) A velocidade na tubulação de sucção. Resp: v= 3,9m/s
 b) A pressão na saída da bomba. Resp: P= 143,82kPa
 c) A vazão nas tubulações (4) e (5). Resp: Vv= 6,18 l/s e Vv5=8,82 l/s
 d) A velocidade nas tubulações (4) e (5). Resp: v= 3,15m/s e v5=3,11m/s
Dados: peso especifico H2O = 10000N/m³, g = 10m/s², Qv2 = 15 litros/s, Qv4 = 0,7Qv5, Qv4+Qv5=15 litros/s, d1 = d2 = 7cm, d3 = d4 = 5cm, d5 = 6cm, NB = 6cv, rendimentoB = 70%.

Mais conteúdos dessa disciplina