Logo Passei Direto
Buscar

1LISTA DE EXERCICIOS 1_com gabarito - Copia

Ferramentas de estudo

Questões resolvidas

Uma janela de vidro, com W = 1 m de largura e H = 2 m de altura, tem espessura de 5 mm e uma condutividade térmica de kv= 1,4 W/(m ∙ K). Se em um dia de inverno as temperaturas das superfícies interna e externa do vidro são de 15°C e −20°C, respectivamente.
Qual é a taxa de perda de calor através do vidro?

Um recipiente barato para alimentos e bebidas é fabricado com poliestireno (k=0,023 W/(mK)), com espessura de 25mm e dimensões interiores de (0,8m×0,6m×0,6m).
Qual é o fluxo térmico através das paredes do ambiente?
Sob condições nas quais a temperatura da superfície interna, de aproximadamente 2ºC, é mantida por uma mistura gelo-água e a temperatura da superfície externa de 20ºC é mantida pelo ambiente.

Você experimenta um resfriamento por convecção toda vez que estende sua mão para fora da janela de um veículo em movimento ou que a imerge em uma corrente de água fria.
Determine o fluxo de calor por convecção para (a) o caso de um veículo a 35 km/h em meio ao ar a -5ºC e com coeficiente de transferência de calor por convecção de 40W/m2 K, e para (b) uma corrente de água com velocidade de 0,2m/s, temperatura de 10oC e coeficiente de transferência por convecção de 900W/m2K.
Qual a condição que o faria sentir mais frio?
Compare estes resultados com uma perda de calor de aproximadamente 30W/m2 para condições ambiente normais.

Um recipiente fechado (garrafa térmica) cheio de café quente encontra-se em uma sala cujo ar e paredes estão a uma temperatura fixa.
Identifique todos os processos que contribuem para o resfriamento do café.
Comente sobre as características que contribuiriam para um melhor projeto do recipiente.
(Obs: o recipiente é constituído por um frasco de plástico, um espaço contendo ar e outro invólucro plástico)

A parede externa de uma casa é composta por um a camada de 20 cm de espessura de tijolo comum e uma camada de 5 cm de gesso.
Qual a taxa de transferência de calor por unidade de área, se a face externa da parede se encontra à 35 °C e a face interna à 20 °C?
Dados: ktijolo= 0,69 W/m.K , kgesso= 0,48 W/m.K

A base de concreto de um porão tem 11 metros de comprimento, 8 m de largura e 0,20 m de espessura.
Qual é a taxa de perda de calor através da base?
Durante o inverno, as temperaturas são normalmente de 17°C e 10°C em suas superfícies superior e inferior, respectivamente.
Se o concreto tiver uma condutividade térmica de 1,4 W/m.K.

As temperaturas interna e externa de uma janela de vidro com 5 mm de espessura são de 15°C e 5°C.
Qual é a perda de calor através de uma janela com dimensões de 1 m por 3 m?
A condutividade térmica do vidro é de 1,4 W/m.K.

O coeficiente de transferência convectiva de calor entre uma superfície a 40º C e o ar ambiente, a 20º C, é de 20W/m2 .K.
Calcular o fluxo de calor que sai da superfície por convecção.

Material
páginas com resultados encontrados.
páginas com resultados encontrados.
details

Libere esse material sem enrolação!

Craque NetoCraque Neto

Ao continuar, você aceita os Termos de Uso e Política de Privacidade

details

Libere esse material sem enrolação!

Craque NetoCraque Neto

Ao continuar, você aceita os Termos de Uso e Política de Privacidade

details

Libere esse material sem enrolação!

Craque NetoCraque Neto

Ao continuar, você aceita os Termos de Uso e Política de Privacidade

details

Libere esse material sem enrolação!

Craque NetoCraque Neto

Ao continuar, você aceita os Termos de Uso e Política de Privacidade

Questões resolvidas

Uma janela de vidro, com W = 1 m de largura e H = 2 m de altura, tem espessura de 5 mm e uma condutividade térmica de kv= 1,4 W/(m ∙ K). Se em um dia de inverno as temperaturas das superfícies interna e externa do vidro são de 15°C e −20°C, respectivamente.
Qual é a taxa de perda de calor através do vidro?

Um recipiente barato para alimentos e bebidas é fabricado com poliestireno (k=0,023 W/(mK)), com espessura de 25mm e dimensões interiores de (0,8m×0,6m×0,6m).
Qual é o fluxo térmico através das paredes do ambiente?
Sob condições nas quais a temperatura da superfície interna, de aproximadamente 2ºC, é mantida por uma mistura gelo-água e a temperatura da superfície externa de 20ºC é mantida pelo ambiente.

Você experimenta um resfriamento por convecção toda vez que estende sua mão para fora da janela de um veículo em movimento ou que a imerge em uma corrente de água fria.
Determine o fluxo de calor por convecção para (a) o caso de um veículo a 35 km/h em meio ao ar a -5ºC e com coeficiente de transferência de calor por convecção de 40W/m2 K, e para (b) uma corrente de água com velocidade de 0,2m/s, temperatura de 10oC e coeficiente de transferência por convecção de 900W/m2K.
Qual a condição que o faria sentir mais frio?
Compare estes resultados com uma perda de calor de aproximadamente 30W/m2 para condições ambiente normais.

Um recipiente fechado (garrafa térmica) cheio de café quente encontra-se em uma sala cujo ar e paredes estão a uma temperatura fixa.
Identifique todos os processos que contribuem para o resfriamento do café.
Comente sobre as características que contribuiriam para um melhor projeto do recipiente.
(Obs: o recipiente é constituído por um frasco de plástico, um espaço contendo ar e outro invólucro plástico)

A parede externa de uma casa é composta por um a camada de 20 cm de espessura de tijolo comum e uma camada de 5 cm de gesso.
Qual a taxa de transferência de calor por unidade de área, se a face externa da parede se encontra à 35 °C e a face interna à 20 °C?
Dados: ktijolo= 0,69 W/m.K , kgesso= 0,48 W/m.K

A base de concreto de um porão tem 11 metros de comprimento, 8 m de largura e 0,20 m de espessura.
Qual é a taxa de perda de calor através da base?
Durante o inverno, as temperaturas são normalmente de 17°C e 10°C em suas superfícies superior e inferior, respectivamente.
Se o concreto tiver uma condutividade térmica de 1,4 W/m.K.

As temperaturas interna e externa de uma janela de vidro com 5 mm de espessura são de 15°C e 5°C.
Qual é a perda de calor através de uma janela com dimensões de 1 m por 3 m?
A condutividade térmica do vidro é de 1,4 W/m.K.

O coeficiente de transferência convectiva de calor entre uma superfície a 40º C e o ar ambiente, a 20º C, é de 20W/m2 .K.
Calcular o fluxo de calor que sai da superfície por convecção.

Prévia do material em texto

Curso: Turma: 
Disciplina: FENÔMENOS DE TRANSPORTE Turno: 
Professor (a): JOSIANE OLIVEIRA Data: 
Aluno: 
 
 
 
 
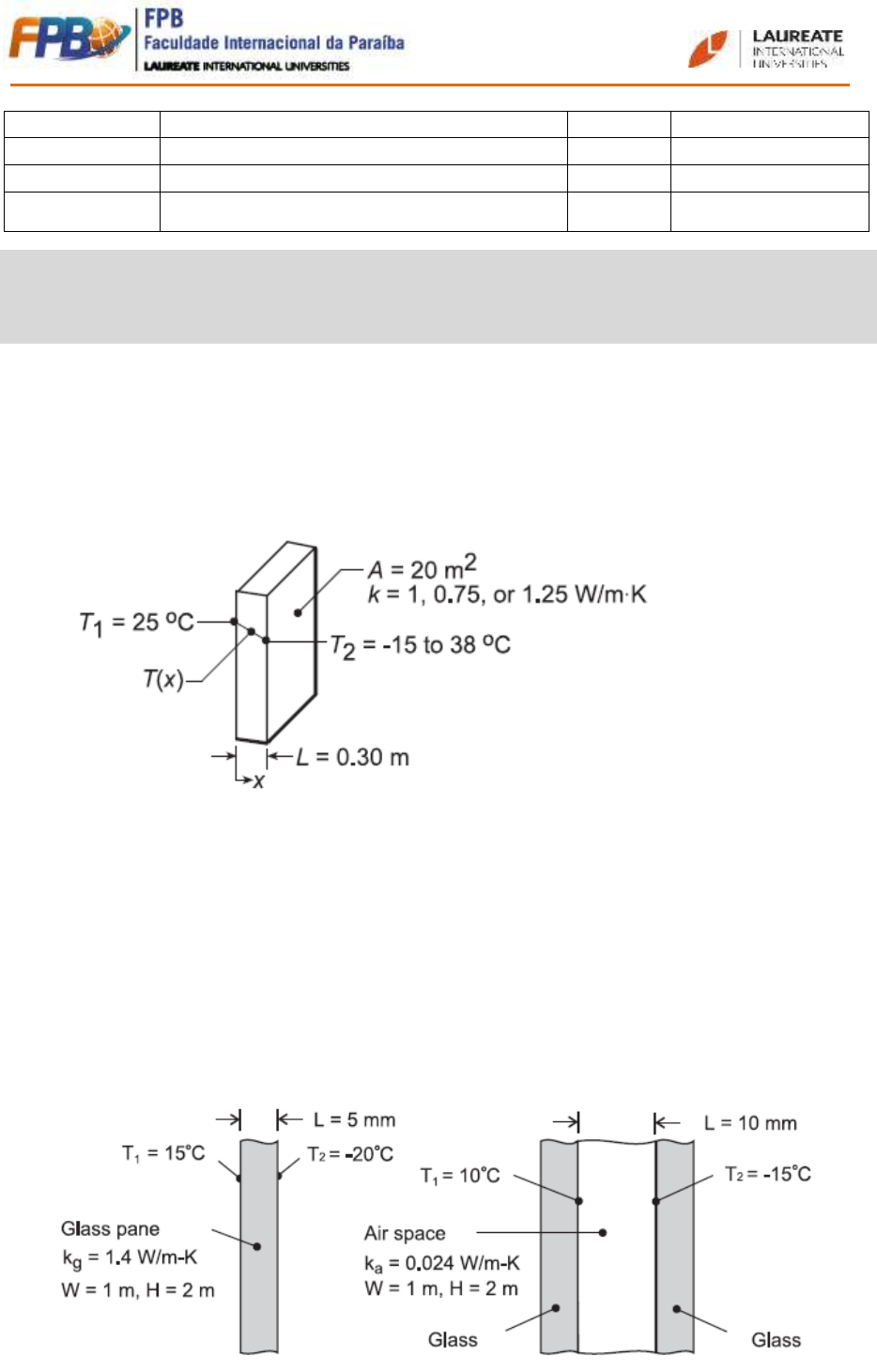
1-Uma parede de concreto com área superficial de 20m2 e espessura 0,3m , separa uma sala 
com ar condicionado do ar ambiente. A temperatura interna da parede é mantida a 25ºC , e a 
condutividade térmica do concreto é 1W/m.K. Determine a perda de calor através da parede 
externa para temperaturas ambientes na faixa de -15ºC a 38ºC , que correspondem aos extremos 
inverno e verão , respectivamente. (resp. 2667 W) 
 
 
 
2- Uma janela de vidro, com W = 1 m de largura e H = 2 m de altura, tem espessura de 5 mm e 
uma condutividade térmica de kv= 1,4 W/(m ∙ K). Se em um dia de inverno as temperaturas das 
superfícies interna e externa do vidro são de 15°C e −20°C, respectivamente, qual é a taxa de 
perda de calor através do vidro? Para reduzir a perda de calor através da janela, é costume usar 
janelas de vidro duplo nas quais as placas de vidro adjacentes são separadas por uma camada de 
ar. Se o afastamento entre as placas for de 10 mm e as temperaturas das superfícies do vidro em 
contato com os ambientes estiverem nas temperaturas de 10°C e −15°C, qual é a taxa de perda 
de calor em uma janela de 1 m × 2 m? A condutividade térmica do ar é ka = 0,024 W/(m∙ K). 
Resp qv = 19600W ; qar= 120W 
 
 
 
3ª UNIDADE 
LISTA DE EXRCÍCIOS – Transferência de calor 
 
 
 
 
 
3- Um recipiente barato para alimentos e bebidas é fabricado com poliestireno (k=0,023 
W/(mK)), com espessura de 25mm e dimensões interiores de (0,8m×0,6m×0,6m). Sob 
condições nas quais a temperatura da superfície interna, de aproximadamente 2ºC, é mantida 
por uma mistura gelo-água e a temperatura da superfície externa de 20ºC é mantida pelo 
ambiente, qual é o fluxo térmico através das paredes do ambiente? Considerando desprezível o 
ganho de calor pela base do recipiente ( 0,8m x 0,6m), qual é a carga térmica total para as 
condições especificadas? Resp: 35,9W 
 
 
4- Você experimenta um resfriamento por convecção toda vez que estende sua mão para fora 
da janela de um veículo em movimento ou que a imerge em uma corrente de água fria. Com a 
superfície de sua mão a uma temperatura de 30ºC, determine o fluxo de calor por convecção 
para (a) o caso de um veículo a 35 km/h em meio ao ar a -5ºC e com coeficiente de 
transferência de calor por convecção de 40W/m2 K, e para (b) uma corrente de água com 
velocidade de 0,2m/s, temperatura de 10oC e coeficiente de transferência por convecção de 
900W/m2K. Qual a condição que o faria sentir mais frio? Compare estes resultados com uma 
perda de calor de aproximadamente 30W/m2 para condições ambiente normais. 
 
Resp: a) qar= 1,400 w/m2 b) 18,000 w/m2 
 
 
5- Sob condições nas quais a mesma temperatura em um quarto é mantida por um sistema de 
aquecimento ou resfriamento, não é incomum uma pessoa sentir frio no inverno e estar 
confortável no verão. Forneça uma explicação razoável para esta situação (apoiada em 
cálculos), considerando um quarto cuja temperatura ambiente seja mantida a 20ºC ao longo do 
ano, enquanto suas paredes encontram-se normalmente a 27ºC e 14ºC no verão e no inverno 
respectivamente. A superfície exposta de uma pessoa no quarto pode ser considerada a uma 
temperatura de 32ºC ao longo do ano, com uma emissividade 0,90. O coeficiente associado a 
transferência de calor por convecção natural entre a pessoa e o ar do quarto é de 
aproximadamente 2W/(m2.K) 
 
Resp. qrad= 28,3 w/m2 qrad= 95,4 w/m2 
 
 
 
 
 
 
 
 
 
 
 
6-Um recipiente fechado (garrafa térmica) cheio de café quente encontra-se em uma 
sala cujo ar e paredes estão a uma temperatura fixa. Identifique todos os processos 
que contribuem para o resfriamento do café. Comente sobre as características que 
contribuiriam para um melhor projeto do recipiente. (Obs: o recipiente é constituído 
por um frasco de plástico, um espaço contento ar e outro invólucro plástico) 
 
 
 
 
 
 
7- A parede externa de uma casa é composta por um a camada de 20 cm de 
espessura de tijolo comum e uma camada de 5 cm de gesso. Qual a taxa de 
transferência de calor por unidade de área, se a face externa da parede se encontra à 
35 °C e a face interna à 20 °C? Dados: ktijolo= 0,69 W/m.K , kgesso= 0,48 W/m.K 
 
 
 
 
 
 
 
 
 
 
 
8- A base de concreto de um porão tem 11 metros de comprimento, 8 m de largura e 
0,20 m de espessura. Durante o inverno, as temperaturas são normalmente de 17°C e 10°C em 
suas superfícies superior e inferior, respectivamente. Se o concreto tiver uma 
condutividade térmica de 1,4 W/m.K, qual é a taxa de perda de calor através da base? 
(Resp. 4312 W) 
 
 
 
9- As temperaturas interna e externa de uma janela de vidro com 5 mm de espessura 
são de 15°C e 5°C. Qual é a perda de calor através de uma janela com dimensões de 
1 m por 3 m? A condutividade térmica do vidro é de 1,4 W/m.K. (Resp. 8400 W) 
 
 
 
 
 
 
10-O teto de um carro em um estacionamento absorve um fluxo solar radiante de 800 
W/m². A superfície inferior do teto encontra-se isolada termicamente. O coeficiente de 
transferência de calor por convecção entre o teto do carro e o ar ambiente é de 12 W/m².K. a) 
Desprezando a troca térmica por radiação com a vizinhança, calcule a temperatura do 
teto em condições de regime estacionário se a temperatura do ar ambiente for de 
20°C. b) Para a mesma temperatura do ar ambiente, calcule a temperatura do teto 
para uma emissividade de sua superfície igual a 0,8. (Resp. a) 86,7°C / b) 47°C) 
 
 
 
11- O coeficiente de transferência convectiva de calor entre uma superfície a 40º C e 
o ar ambiente, a 20º C, é de 20W/m2 .K . Calcular o fluxo de calor que sai da 
superfície por convecção. 
 
 
12-O ar a 300º C sobre uma chapa plana de 0,50 m por 0,25m . Se o coeficiente de 
transferência convectiva de calor for 24020W/m2 .K, determinar a taxa de 
transferência de calor através de uma face da chapa quando a temperatura for 
mantida a 40ºC.

Mais conteúdos dessa disciplina