Logo Passei Direto
Buscar
Material
páginas com resultados encontrados.
páginas com resultados encontrados.
left-side-bubbles-backgroundright-side-bubbles-background

Crie sua conta grátis para liberar esse material. 🤩

Já tem uma conta?

Ao continuar, você aceita os Termos de Uso e Política de Privacidade

left-side-bubbles-backgroundright-side-bubbles-background

Crie sua conta grátis para liberar esse material. 🤩

Já tem uma conta?

Ao continuar, você aceita os Termos de Uso e Política de Privacidade

left-side-bubbles-backgroundright-side-bubbles-background

Crie sua conta grátis para liberar esse material. 🤩

Já tem uma conta?

Ao continuar, você aceita os Termos de Uso e Política de Privacidade

Prévia do material em texto

Página 1 de 3 
 
 
1. IDENTIFICAÇÃO DOS ALUNOS 
NOME: 
TURNO: TURMA: DATA: 
CURSO: Docente: 
 
Exercícios Teoremas de Thévenin e Norton 
 
 
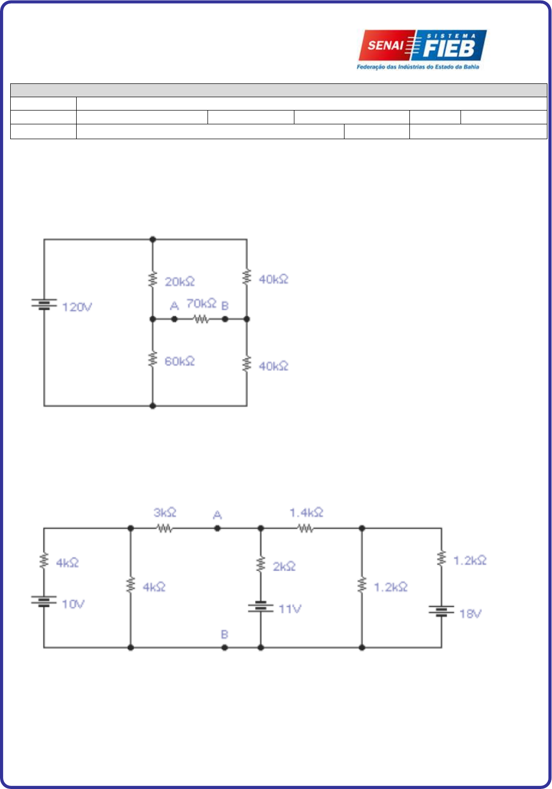
1. Calcule o circuito equivalente ao circuito dado utilizando o teorema de Thévenin. Determine 
a tensão e a corrente na resistência de carga de 70 kΩ. 
 
 
 
 
 
 
2. Calcule o circuito equivalente de Thévenin, (para ambos os lados) relativamente aos pon-
tos A e B no circuito dado. No circuito equivalente, determine a corrente que flui entre os 
pontos A e B. 
 
 
 
 
 
 
Página 2 de 3 
 
 
3. Calcule o circuito equivalente ao circuito dado utilizando o teorema de Norton. Determine a 
tensão e a corrente na resistência de carga de 70 kΩ. 
 
 
 
 
 
4. Determinar a corrente na resistência RAB = 10 Ω, utilizando o teorema de Thévenin 
. 
 
 
 
 
 
 
 
 
Página 3 de 3 
5. Calcule, utilizando o teorema de Thévenin, o circuito equivalente ao circuito dado visto de 
RL. Calcule a corrente e a tensão em RL.

Mais conteúdos dessa disciplina