Logo Passei Direto
Buscar

Ferramentas de estudo

Questões resolvidas

Se a tensão vo no resistor de 2Ω no circuito abaixo for vo(t)=10cos(2t)V, obtenha is.

Uma fonte de 240V rms, 60 Hz supre uma carga de 10 KW (resistiva), 15 KVAR (capacitiva) e 22KVAR (indutiva).
Determine: a) A potência aparente. b) A corrente absorvida da fonte.

Um gerador trifásico com uma tensão de linha no valor de 208B está alimentando uma carga em triangulo.
A corrente em cada impedância de carga é de 5A, e o fator de potencia é de 0,8 atrasado. Calcule a corrente na linha.

Material
páginas com resultados encontrados.
páginas com resultados encontrados.
left-side-bubbles-backgroundright-side-bubbles-background

Crie sua conta grátis para liberar esse material. 🤩

Já tem uma conta?

Ao continuar, você aceita os Termos de Uso e Política de Privacidade

left-side-bubbles-backgroundright-side-bubbles-background

Crie sua conta grátis para liberar esse material. 🤩

Já tem uma conta?

Ao continuar, você aceita os Termos de Uso e Política de Privacidade

left-side-bubbles-backgroundright-side-bubbles-background

Crie sua conta grátis para liberar esse material. 🤩

Já tem uma conta?

Ao continuar, você aceita os Termos de Uso e Política de Privacidade

left-side-bubbles-backgroundright-side-bubbles-background

Crie sua conta grátis para liberar esse material. 🤩

Já tem uma conta?

Ao continuar, você aceita os Termos de Uso e Política de Privacidade

left-side-bubbles-backgroundright-side-bubbles-background

Crie sua conta grátis para liberar esse material. 🤩

Já tem uma conta?

Ao continuar, você aceita os Termos de Uso e Política de Privacidade

Questões resolvidas

Se a tensão vo no resistor de 2Ω no circuito abaixo for vo(t)=10cos(2t)V, obtenha is.

Uma fonte de 240V rms, 60 Hz supre uma carga de 10 KW (resistiva), 15 KVAR (capacitiva) e 22KVAR (indutiva).
Determine: a) A potência aparente. b) A corrente absorvida da fonte.

Um gerador trifásico com uma tensão de linha no valor de 208B está alimentando uma carga em triangulo.
A corrente em cada impedância de carga é de 5A, e o fator de potencia é de 0,8 atrasado. Calcule a corrente na linha.

Prévia do material em texto

Circuitos Elétricos 
Lista 01 
Visando facilitar a comparação da sua resposta com a informada no exercício, sugere-
se utilizar 2 casas decimais após a vírgula; 
Se estiver utilizando calculadora(recomendável) atente-se se a configuração da 
mesma está em graus, e não em radianos ou gradianos; 
1) Determine os fasores correspondentes aos seguintes sinais: 
a. v(t) = 21cos(4t-15°)V 
b. i(t)=-8sen(10t+70°)mA 
c. v(t)=120sen(10t-50°)V 
d. i(t) =-60cos(30t+10°)mA 
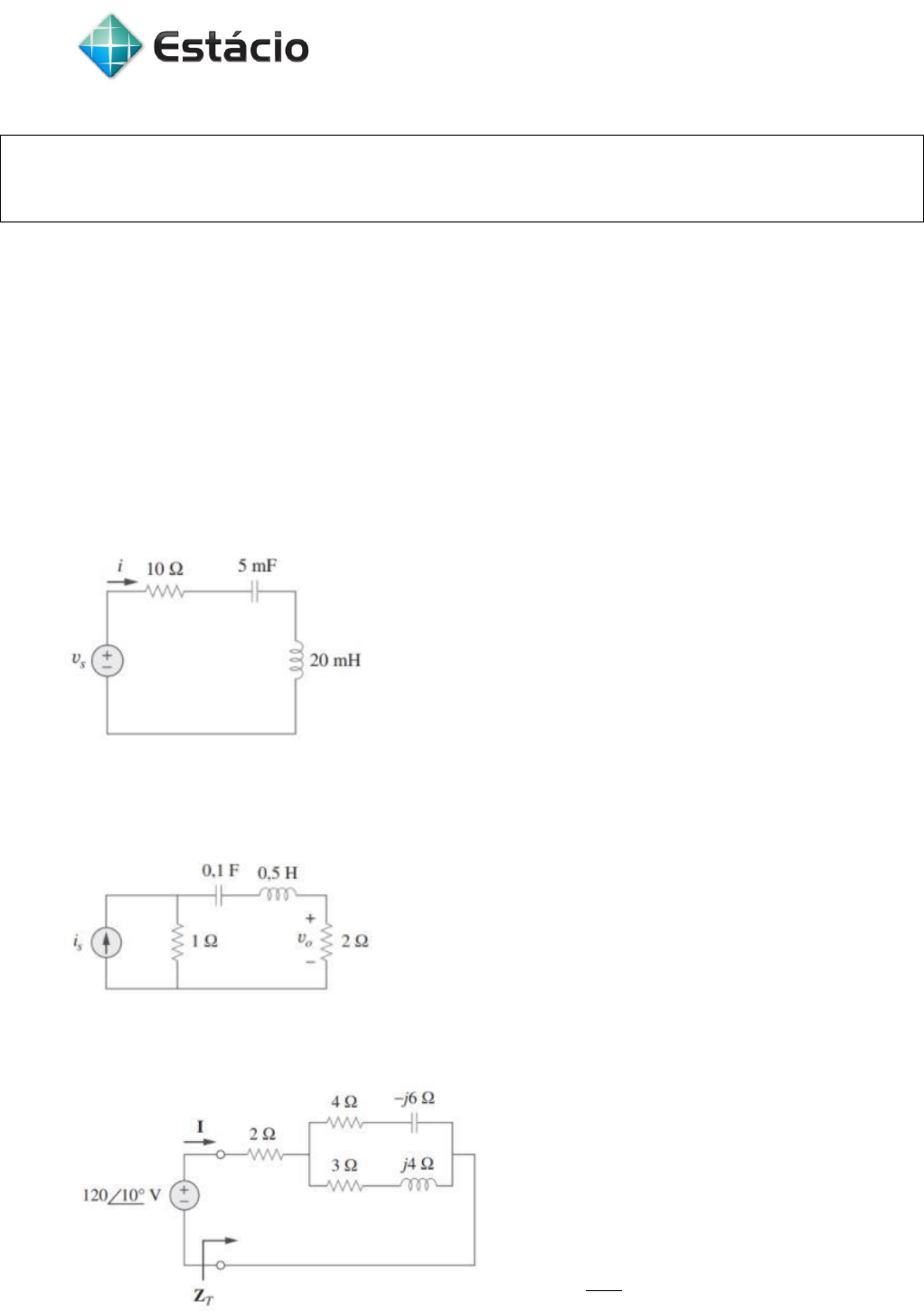
2) Determine a corrente i no circuito da figura abaixo, quando vs(t) = 50cos(200t)V 
 
Reposta: 4,789 cos (200t – 16,7°)A 
3) Se a tensão vo no resistor de 2Ω no circuito abaixo for vo(t)=10cos(2t)V, obtenha is. 
 
 
 
Resposta: 25 cos (2t – 53,13°)V 
4) Determine ZT e I no circuito abaixo: 
 
 
 
 
 Resposta: Z = 6,83 + j1,094 ; I = 17,352|0,9° A 
 
 
5) Use a análise nodal para determinar V no circuito: 
 
 
 
 
Resposta: 124,08|-154° V 
6) Determine I1 e I2 usando análise de malha: 
 
 
 
Resposta: 1,4142cos(2t+45°) A 
7) Determine io no circuito apresentado, usando superposição: 
 
 
 
 
Resposta: 791,1cos(10t+21,47°) + 299,5 sen(4t-176,6°)mA 
8) Determine os circuitos equivalentes de Thevenin e de Norton nos terminais a-b para 
cada um dos circuitos abaixo: 
 
 
 
 
Resposta: 
 
 
 
9) Calcule para o circuito da figura abaixo: R, Xc e C 
 
Resposta: R=10Ω, Xc=6Ω e C=265µF 
10) Calcule para o circuito da figura abaixo: P, XL e L 
 
Resposta: P 
11) Calcule a potência media (ativa) e a potência reativa total fornecida pela fonte da 
figura abaixo: 
 
Resposta: P=160W, Q=400VAR(ind) 
 
12) Uma fonte de 240V rms, 60 Hz supre uma carga de 10 KW (resistiva), 15 KVAR 
(capacitiva) e 22KVAR (indutiva). Determine: 
a) A potência aparente. 
b) A corrente absorvida da fonte. 
Resposta: (a) 1,21 KVA; (b) 50,86|-35°A; 
 
13) Três impedâncias são ligas em estrela, sendo cada uma do valor de 4-3j. As 
impedâncias são ligadas a um gerador trifásico equilibrado, com uma tensão de linha 
de 208V. Calcule: 
a. O valor da corrente em cada impedância; 
b. O fator de potência 
c. A prova ativa(média) total na carga 
 
 
Respostas: (a)24A, (b) 0,8, (c) 6,92kW 
14) Um gerador trifásico com uma tensão de linha no valor de 208B está alimentando uma 
carga em triangulo. A corrente em cada impedância de carga é de 5A, e o fator de 
potencia é de 0,8 atrasado. Calcule a corrente na linha. 
 
Resposta: IL = 8,66A 
 
 
15) Uma determinada carga trifásica conectada em Δ possui uma corrente IAC=10∠-
30° A . Nessas condições, pede-se: 
 
(a) Determinar as correntes de linha, assumindo que o circuito opera com uma 
sequência de fases direta; 
(b) Calcular a impedância da carga sabendo-se que VAB = 110∠0° V. 
RESP: (a) IA = 17,32 ∠0° A IB = 17,32 ∠-120° A IC = 17,32 ∠120° A (b) Z = 11∠30° 
 
 
16) No circuito trifásico balanceado mostrado na figura a seguir tem-se que Vab = 
125 ∠0° V. Diante do exposto, calcule as correntes IaA, IbB e IcC. 
 
RESP: IaA = 2,55∠2° A IbB = 2,55∠ - 118° A IcC = 2,55∠122° A

Mais conteúdos dessa disciplina