Logo Passei Direto
Material
Study with thousands of resources!

Text Material Preview

(NI: 0223) 
Física 02 
Tópico 07 
Vestibulares 
Questão 10 
Nível: alto 
Assunto: 6.26.66 
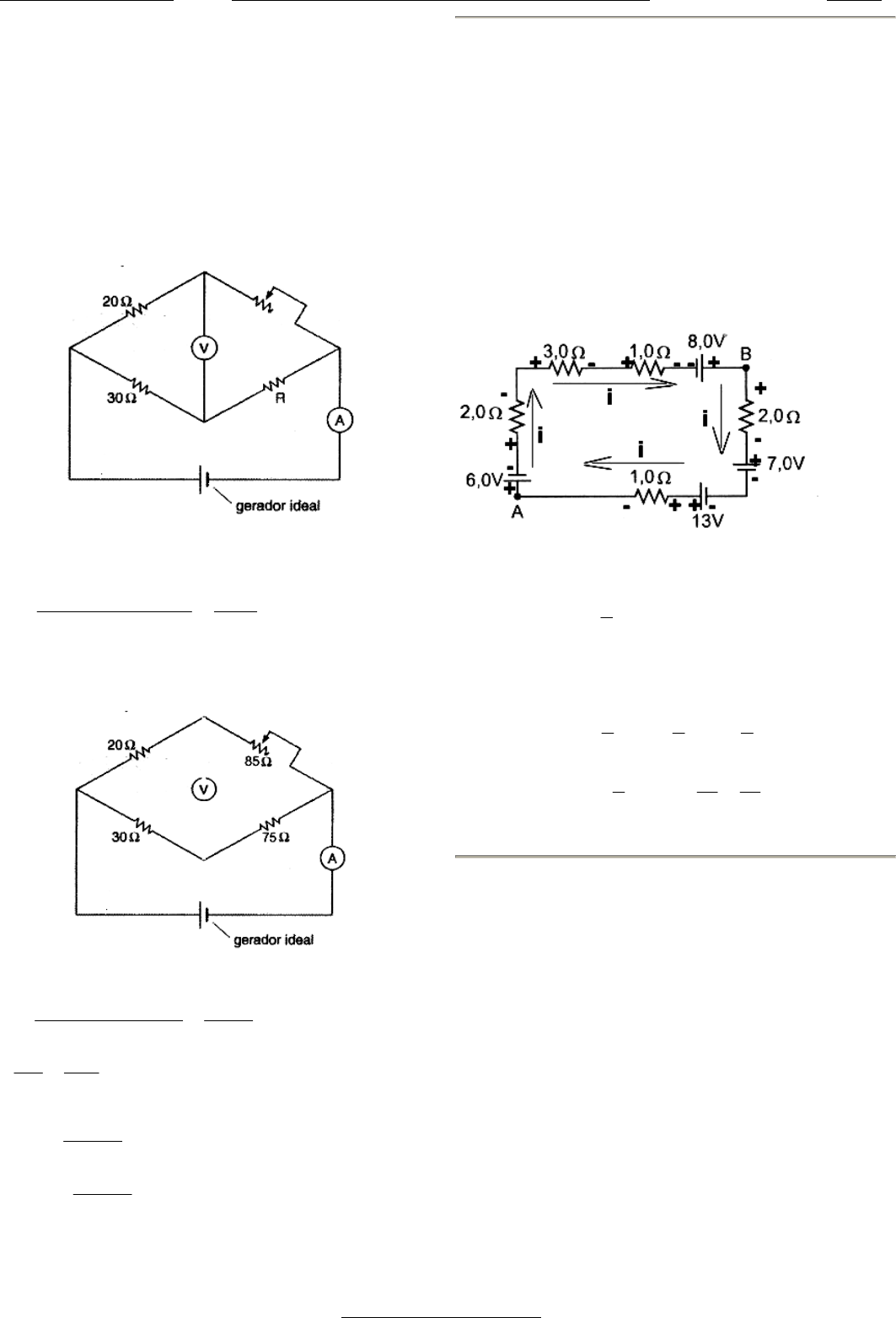
Em primeiro lugar com a ponte de Wheatstone em equi-
líbrio determinamos o valor do resistor R: 
Ω=⇒⋅=⋅ 75503020 RR 
Como o reostato vale 50Ω temos o seguinte resistor e-
quivalente do circuito: 
( ) ( )
ViRU
R
eq
eq
2100,542
42
175
7350
75305020
75305020
=⋅=⋅=
⇒Ω==
+++
+⋅+
=
Na segunda etapa, como o voltímetro ideal é um circuito 
aberto ou o equivalente a uma “chave aberta”, temos: 
Nesta nova situação o resistor equivalente é igual a: 
( ) ( )
⎪
⎪
⎩
⎪
⎪
⎨
⎧
=−=
−=
=⋅=
=⋅=
⇒
⎪
⎪
⎭
⎪⎪
⎬
⎫
=
+
=
=
+
=
===
⇒Ω==
+++
+⋅+
=
ΩΩ
Ω
Ω
Ω+Ω
Ω+Ω
VV
ddpddpV
Vddp
Vddp
Ai
A
i
A
R
Ui
R
eq
eq
204060
60230
40220
2
7530
210
2
8520
210
4
5,52
210
5,52
210
11025
75308520
75308520
2030
30
20
7530
8520
Resposta letra (d) 
(NI:0224) 
Física 02 
Tópico 08 
Propostas 
Questão 01 
Nível: fácil 
Assunto: 6.26.67 
Para calcular a intensidade de corrente elétrica pela Lei 
de Kirchhoff devemos arbitrar um sentido para a cor-
rente elétrica. Supondo que a corrente elétrica tenha o 
sentido horário, armamos a equação de acordo com este 
sentido, observe a figura. 
A soma das ddp numa malha é igual à zero, então: 
Aii
iiiii
9
8089
02611372813
=⇒=−⋅
=⋅++⋅+−+⋅+−⋅+⋅
Para determinarmos a ddp entre A e B podemos seguir 
qualquer dos dois caminhos, escolhendo o caminho pelo 
sentido horário temos: 
VVV
VV
BA
BA
3
10
3
162
9
862
8
9
81
9
83
9
826
=+−=⎟
⎠
⎞
⎜
⎝
⎛⋅+−=−
⇒−⎟
⎠
⎞
⎜
⎝
⎛⋅+⎟
⎠
⎞
⎜
⎝
⎛⋅+⎟
⎠
⎞
⎜
⎝
⎛⋅+=−
Resposta: 3,33V 
30 
Prof. Sérgio Torres Caderno - 01 - Com Resoluções das Questões Física
15/05/2010 111/160