Logo Passei Direto
Material
Study with thousands of resources!

Text Material Preview

(NI:0177) 
Física 02 
Tópico 05 
Propostas 
Questão 10 
Nível: alto 
Assunto: 6.26.65 
Sem levar em conta o motor de arranque temos: 
VirU 171050,012 =⇒⋅−=⇒⋅−= εεε 
A resistência interna do farol pode ser calculada por: 
Ω=== 2,1
10
12
i
UR F
F
Após ligar o motor de arranque a ddp no farol será: 
ViRU FF 6,90,82,1'' =⋅=⋅=
Esta também será a ddp no motor de arranque, então 
temos: 
AiiirU F 8,1450,0176,9' =⇒⋅−=⇒⋅−= ε 
Como 
Ai
iiii
arranquemotor
arranquemotorFarolarranquemotor
8,6
0,88,14
_
__
=
⇒+=⇒+=
Resposta: 6,8A 
OBSERVAÇÃO: Com os dados originais da ques-
tão inseridos, a solução fica: 
Para a situação em que o motor de arranque não 
está conectado à bateria, podemos calcular a re-
sistência equivalente R dos faróis por: 
Ω=⇒⋅=⇒⋅= 2,11012 RRiRU 
A fem pode ser calculada por: 
VirU 5,1210050,012 =⇒⋅−=⇒⋅−= εεε
Com o motor de arranque ligado à bateria temos: 
Ai
i
iiriRiRU
iirU
arranquemotor
arranquemotor
arranquemotorF
arranquemotorF
50
)0,8(050,05,120,82,1
)('''
)('
_
_
_
'
_
'
=
⇒+−=⋅
⇒+−=⋅⇒⋅=
⇒+⋅−=
ε
ε
Resposta corrigida: 50A 
(NI: 0178) 
Física 02 
Tópico 05 
Vestibulares 
Questão 01 
Nível: médio 
Assunto: 6.26.65 
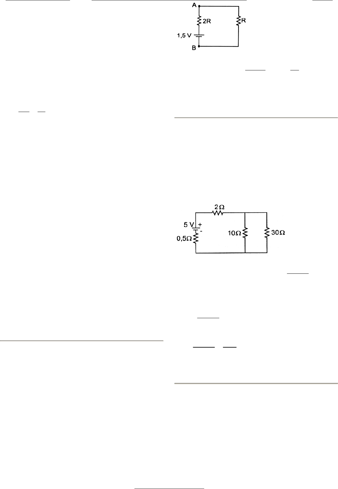
Vemos na figura que a ddp entre os pontos A e B é a ddp 
no resistor R. 
a) A intensidade de corrente de 0,1A nesta configu-
ração temos: Ω=⇒=⇒
+
= 5
3
5,11,0
2
R
RRR
i ε
b) O valor da UAB para o valor de intensidade de
corrente dada no item a, pode ser calculada por:
ViRU AB 5,01,05 =⋅=⋅=
Respostas: a) 5Ω; b) 0,5V 
(NI: 0179) 
Física 02 
Tópico 05 
Vestibulares 
Questão 02 
Nível: médio 
Assunto: 6.26.65 
Observe o circuito 
Pela equação do gerador no circuito temos: 
rR
iiriRirU
eq
eq +
=⇒⋅−=⋅⇒⋅−=
εεε
Para determinarmos o resistor equivalente no circuito 
temos dois resistores em paralelo (10Ω e 30Ω) em série 
com um resistor de 2Ω, então: 
Ω=+=⇒Ω=
+
⋅
= 5,925,75,7
3010
3010
// eqeq RR 
a) VUirU 75,45,05,05 =⋅−=⇒⋅−= ε
b) AV
rR
i
eq
5,0
10
5
=
Ω
=
+
=
ε
 
c) WiRP 5,05,02 22
2 =⋅=⋅=
Respostas: a) 4,75V; b) 0,5A; c) 0,5W 
18 
Prof. Sérgio Torres Caderno - 01 - Com Resoluções das Questões Física
15/05/2010 99/160