Logo Passei Direto
Material
Study with thousands of resources!

Text Material Preview

(NI:0227) 
Física 02 
Tópico 08 
Propostas 
 
Questão 04 
Nível: médio 
Assunto: 6.26.67 
 
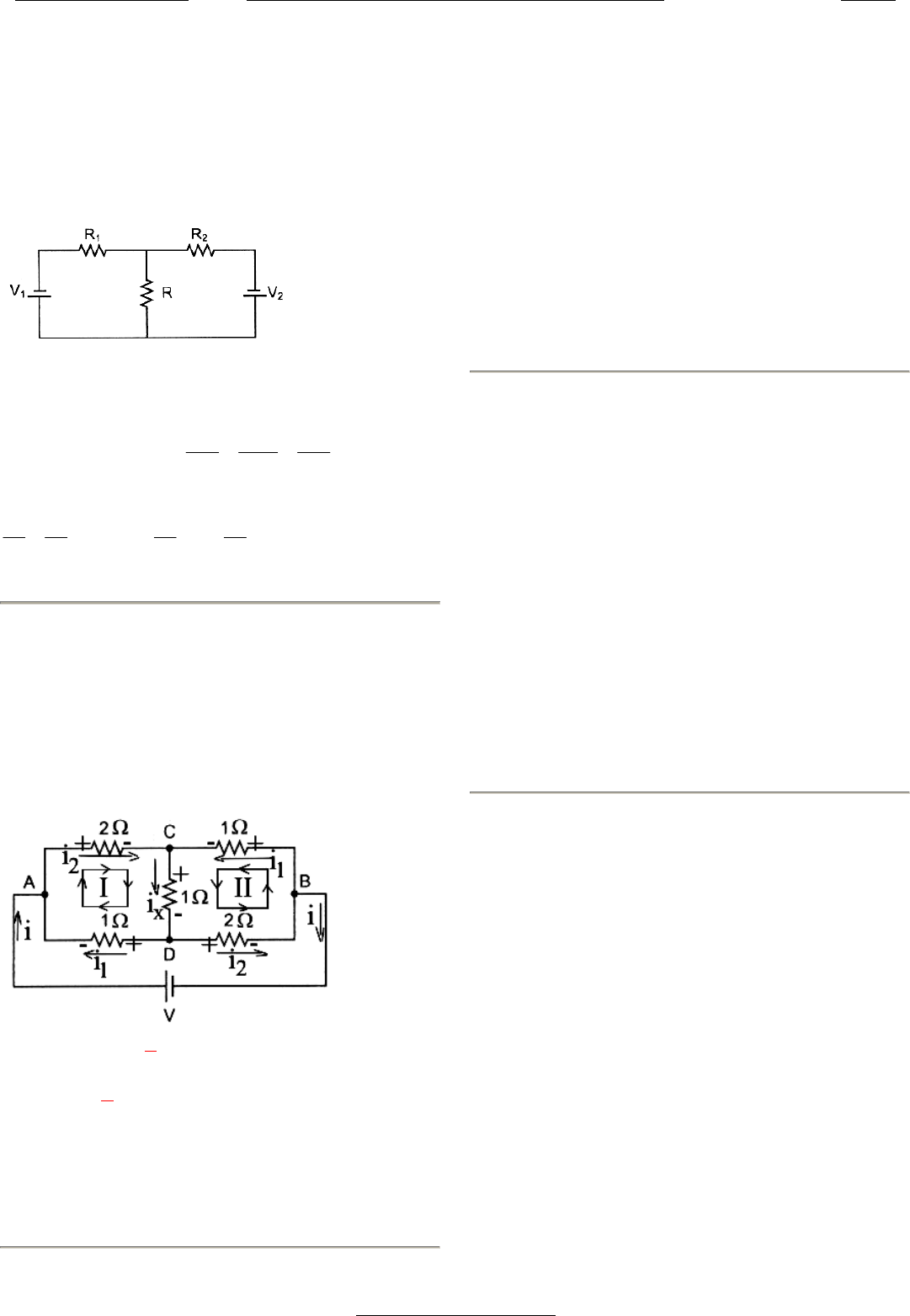
Observe o circuito: 
 
Se não há queda em R2 então a queda em R é igual a V2, 
portando levando-se em consideração a malha que con-
tém V1, R1 e R temos: 
V1 – ixR1 – ixR = 0  
R
R
V
V
R
R
V
V
entãoRiVmas
Ri
Ri
Ri
Ri
Ri
V
RiRiV
1
2
11
2
1
2
11
11
101
:,:
00
+=⇒=−−
⋅=
⇒=
⋅
⋅
−
⋅
⋅
−
⋅
⇒=⋅−⋅−
 
Resposta letra (a) 
 
(NI: 0228) 
 
Física 02 
Tópico 08 
Vestibulares 
 
Questão 01 
Nível: alto 
Assunto: 6.26.67 
 
 
Seguindo a malha I temos: 
0102 =⋅++ ii 1X
E pelo ponto 
 
C temos: 
110 iiX += 
Então: 
Ai
iii
X
XXX
5
10202010
=
=⇒=+−+
 
Resposta: 5A 
 
 
(NI: 0229) 
 
Física 02 
Tópico 08 
Vestibulares 
 
Questão 02 
Nível: fácil 
Assunto: 6.26.67 
 
Se o amperímetro não indica passagem de corrente elé-
trica significa que a ddp entre os pontos C e A é a mes-
ma da fonte de 4V. 
Portanto a malha CBAC fica: 
VUU CBCB 60104 =⇒=−+ 
Resposta: 6V 
 
(NI: 0230) 
 
Física 02 
Tópico 08 
Vestibulares 
 
Questão 03 
Nível: médio 
Assunto: 6.26.67 
 
Para que não haja corrente passando por 2ε a ddp em 
R3 deve ser igual a 2ε , ou seja, 12V. Então observando 
a malha composta por 1ε , R1 e R3 temos: 
V
AiiRimas
i
6001286
612212:
0128
11
3
1
=⇒=+⋅+−
⇒=⇒=⋅⇒=⋅
=+⋅+−
εε
ε
 
Resposta: 60V 
 
 32 
Prof. Sérgio Torres Caderno - 01 - Com Resoluções das Questões Física
15/05/2010 113/160