Logo Passei Direto

Práctico 10

User badge image
kary Gómez

en

Herramientas de estudio

Material
¡Estudia con miles de materiales!

Vista previa del material en texto

Ministerio de Educación 
Gobierno de la Provincia de Córdoba 
 
Instituto Técnico Superior Córdoba 
Extensión Áulica Villa El Libertador 
 
 
Tecnicatura Superior en Desarrollo de Software - AdlC – 2018 
 1 
Tecnicatura Superior en Desarrollo de Software 
Arquitectura de las Computadoras - 2018 
 
Práctico 10: Circuitos combinacionales 
 
1. Construir mediante puertas los circuitos correspondientes a las siguientes funciones lógicas: 
 F(A,B,C,D)=(ABC + A'C)D 
 F(A,B,C,D)= [A+B(B'+C)]D' 
 F(A,B,C,D)= (B+C')[(A'+B')(C+D')] 
 
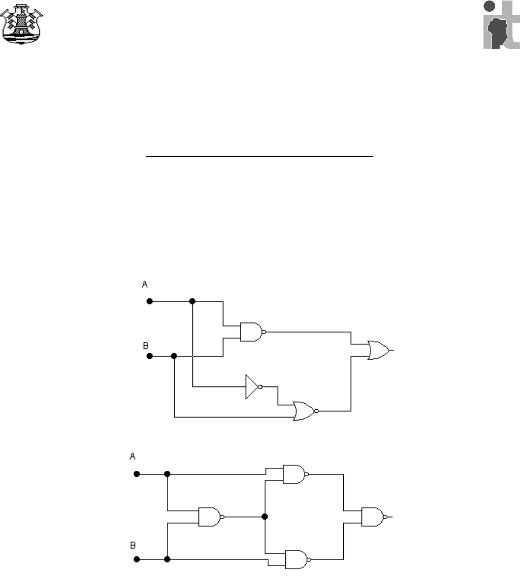
2. Obtener la función y tabla de la verdad de las siguientes figuras: 
 
 
3. Para realizar una primera selección de ingreso en una determinada empresa, se solicita a los 
aspirantes que cumplan los requisitos de alguno de los tres puntos siguientes: 
 Estar en posesión del título académico y dos años de experiencia en trabajo análogo al 
ofertado 
 Acreditar cinco años de experiencia y vivir en la misma ciudad 
 Ser recomendado de la dirección 
En todos los casos será necesario tener coche propio. 
Obtener la función lógica que relacione adecuadamente todas las variables, y construir un 
circuito que efectúe automáticamente la selección. 
 
4. Extraer la función en su forma canónica en producto de sumas y suma de productos, de la 
siguiente tabla y diseñar los circuitos correspondientes: 
 
 
Ministerio de Educación 
Gobierno de la Provincia de Córdoba 
 
Instituto Técnico Superior Córdoba 
Extensión Áulica Villa El Libertador 
 
 
Tecnicatura Superior en Desarrollo de Software - AdlC – 2018 
 2 
A B C S 
0 0 0 1 
0 0 1 0 
0 1 0 0 
0 1 1 1 
1 0 0 0 
1 0 1 1 
1 1 0 1 
1 1 1 0 
 
 
5. El sistema de apertura de puerta de un garaje se activa cuando, a la entrada ya la salida el coche 
se encuentre bien situado sobre la plataforma, para que se activen los pulsadores A1 o B1 y 
además, que el conductor introduzca una llave en el registro correspondiente (A2 o B2). Si un 
coche quiere salir y otro quiere entrar al mismo tiempo, la puerta no se abrirá, y una lámpara de 
color naranja indicará al conductor del coche que desea entrar que se retire para que pueda salir 
el que está dentro. Otra lámpara del mismo color, que se ilumina al mismo tiempo que la de 
fuera, indicará al conductor del coche de dentro que debe esperar hasta que se retire el de fuera. 
Otra lámpara de color rojo, situada al principio del túnel de salida (visible desde las plazas de 
aparcamiento), indicará al conductor que quiere salir del garaje que modere su velocidad, y 
espere, porque un coche está situado en la plataforma de entrada. El coche que quiera entrar o 
que quiera salir debe permanecer en reposo hasta que la puerta se haya abierto completamente. 
El cierre de la puerta se produce automáticamente transcurrido un tiempo. Desarrollar un 
circuito de control para la apertura de la puerta arrastrada por el motor M y para las señales 
luminosas LN y LR. Montar el diagrama lógico con puertas lógicas y comprobar el 
funcionamiento. 
 
6. Simplificar por el método de Karnaugh las siguientes expresiones y diseñar el circuito que la 
implemente: 
 S(A,B,C,D) = C’D + A’BC’D + AB’C’D’ + ABC’D’ + BCD 
 F(A,B,C,D) = A’B’C + (A+B)C 
 L(A,B,C,D) = A’B’ + A’C’ + AB’C’ + A’B 
 
7. Diseñar un circuito electrónico que cumpla con la siguiente tabla de verdad para la función 
F(A,B,C) con el menor número de puertas lógicas 
 
a b c F 
0 0 0 0 
0 0 1 1 
0 1 0 1 
0 1 1 0 
1 0 0 0 
1 0 1 1 
1 1 0 0 
1 1 1 1