Logo Passei Direto

Sesion 5 Vigas con refuerzo en compresion y seccion

Herramientas de estudio

Material
¡Estudia con miles de materiales!

Vista previa del material en texto

CONCRETO ARMADO I 
SESION 5
2022-1
16-09-22
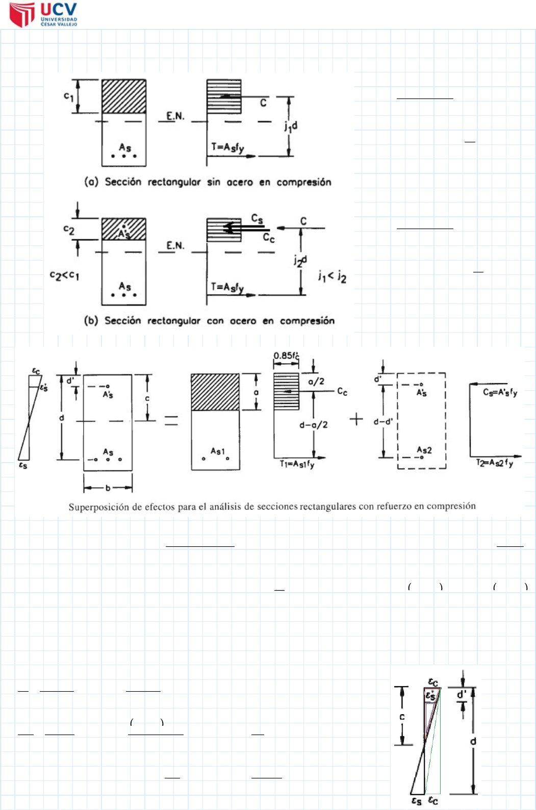
ANALISIS DE ELEMENTOS DE SECCION RECTANGULAR CON REFUERZO EN COMPRESION SOMETIDOS A 
FLEXION
=a ――――
⋅As fy
⋅⋅0.85 f'c b
=Mn ⋅⋅As fy
⎛
⎜
⎝
-d ―
a
2
⎞
⎟
⎠
=a ――――
⋅As1 fy
⋅⋅0.85 f'c b
=Mn1 ⋅⋅As1 fy
⎛
⎜
⎝
-d ―
a
2
⎞
⎟
⎠
=As1 -As As2
=a ―――――
⋅⎛⎝ -As As2⎞⎠ fy
⋅⋅0.85 f'c b
≔εc 0.003 ≔Es ⋅2039000 ――
kgf
cm 2
=Mn1 ⋅⋅⎛⎝ -As As2⎞⎠ fy
⎛
⎜
⎝
-d ―
a
2
⎞
⎟
⎠
==Mn2 ⋅⋅As2 fy (( -d d')) ⋅⋅A's fy (( -d d'))
=Mn +Mn1 Mn2
Por semejanza de triángulos conformados en el diagrama de deformaciones se tiene:
=―
c
d
―――
εc
+εc εs
=c ⋅
⎛
⎜
⎝
―――
εc
+εc εs
⎞
⎟
⎠
d
=―
ε's
εc
――
-c d'
c
=ε's ――――
⋅(( -c d')) εc
c
=ε's ⋅
⎛
⎜
⎝
-1 ―
d'
c
⎞
⎟
⎠
εc
=a ⋅β1 c =c ―
a
β1
=ε's ⋅
⎛
⎜
⎝
-1 ――
⋅β1 d'
a
⎞
⎟
⎠
εc
=f's ⋅⋅
⎛
⎜
⎝
-1 ――――
⋅⎛⎝ +εc εs⎞⎠ d'
⋅εc d
⎞
⎟
⎠
εc Es =f's ⋅⋅
⎛
⎜
⎝
-1 ――
⋅β1 d'
a
⎞
⎟
⎠
εc Es
Ing. Marco Muñiz
CONCRETO ARMADO I 
SESION 5
2022-1
16-09-22
=f's ⋅Es ε's =f's ⋅⋅
⎛
⎜
⎝
-1 ―
d'
c
⎞
⎟
⎠
εc Es =f's ⋅⋅
⎛
⎜
⎝
-1 ――――
⋅⎛⎝ +εc εs⎞⎠ d'
⋅εc d
⎞
⎟
⎠
εc Es =f's ⋅⋅
⎛
⎜
⎝
-1 ――
⋅β1 d'
a
⎞
⎟
⎠
εc Es
Determinación de la cuantía básica o balanceada :⎛⎝ρbtc⎞⎠
Equilibrio de fuerzas en el estado 1: =Cc T1
==Cc ⋅⋅⋅0.85 f'c ab b ⋅⋅⋅0.85 f'c ⎛⎝ ⋅β1 cb⎞⎠ b =T1 ⋅As1 fy
=cb ⋅
⎛
⎜
⎝
―――
εc
+εc εy
⎞
⎟
⎠
d =ρb ――
As1
⋅b d
—> =As1 ⋅⋅ρb b d
=Cc ⋅⋅⋅⋅0.85 f'c β1
⎛
⎜
⎝
⋅―――
εc
+εc εy
d
⎞
⎟
⎠
b =T1 ⋅⎛⎝ ⋅⋅ρb b d⎞⎠ fy
=⋅⋅⋅⋅0.85 f'c β1
⎛
⎜
⎝
⋅―――
εc
+εc εy
d
⎞
⎟
⎠
b ⋅⎛⎝ ⋅⋅ρb b d⎞⎠ fy
Cuantía balanceada del estado 1: =ρb ⋅――――
⋅⋅0.85 f'c β1
fy
⎛
⎜
⎝
―――
εc
+εc εy
⎞
⎟
⎠
Equilibrio de fuerzas superpuestas: estado 1 + estado 2
=+T1 T2 +Cc Cs
=+⋅As1 fy ⋅As2 fy ⋅⎛⎝ +As1 As2⎞⎠ fy =As +As1 As2
=+T1 T2 ⋅As fy =+Cc Cs +⋅⎛⎝ ⋅⋅ρb b d⎞⎠ fy ⋅A's f's
=⋅As fy +⋅⋅⋅ρb b d fy ⋅A's f's
=―――
⋅As fy
⋅⋅b d fy
+――――
⋅⋅⋅ρb b d fy
⋅⋅b d fy
―――
⋅A's f's
⋅⋅b d fy
=――
As
⋅b d
+ρb ⋅――
A's
⋅b d
―
f's
fy
=ρ' ――
A's
⋅b d
Cuantía de refuerzo 
por compresión:
=ρbtc +ρb ⋅ρ' ―
f's
fy
Cuantía balanceada de una sección 
con refuerzo en tracción y compresión:
Determinación de la cuantía maxima con acero en compresion :⎛⎝ρmax⎞⎠
Equilibrio de fuerzas en condicion 1: Seccion con refuerzo maximo unicamente en traccion 
=Cc T
=⋅⋅⋅0.85 f'c at b ⋅⋅⋅ρt b d fy
=⋅⋅⋅0.85 f'c ⎛⎝ ⋅β1 cb⎞⎠ b ⋅⋅⋅ρt b d fy
Equilibrio de fuerzas en condicion 2: Seccion con refuerzo en compresion 
=T +Cc Cs
=⋅As fy +⋅⋅⋅ρt b d fy ⋅A's f'sIng. Marco Muñiz
CONCRETO ARMADO I 
SESION 5
2022-1
16-09-22=T +Cc Cs
=⋅As fy +⋅⋅⋅ρt b d fy ⋅A's f's
Cuantia de refuerzo en compresion ρ'
=ρ' ――
A's
⋅b d
=⋅⋅⋅ρ b d fy +⋅⋅⋅ρt b d fy ⋅⋅⋅ρ' b d f's
Finalmente:
=ρmax +ρt ⋅ρ' ―
f's
fy
(ACI 2014)=≤ρ ρmax +⋅―――
⋅0.85 f'c
fy
⎛
⎜
⎝
―――――
⋅0.003 β1
+0.003 0.005
⎞
⎟
⎠
⋅ρ' ―
f's
fy
(E-060)=≤ρ ρmax +0.75 ρb ⋅ρ' ―
f's
fy
ANALISIS DE ELEMENTOS DE SECCION T SOMETIDOS A FLEXION
Ing. Marco Muñiz
CONCRETO ARMADO I 
SESION 5
2022-1
16-09-22
=Cf Tf =Cw Tw
=⋅Asf fy ⋅⋅⋅0.85 f'c ⎛⎝ -bf bw⎞⎠ hf =⋅Asw fy ⋅⋅⋅0.85 f'c bw a
=Asf ⋅⋅⋅0.85 ―
f'c
fy
⎛⎝ -bf bw⎞⎠ hf =a ――――
⋅Asw fy
⋅⋅0.85 f'c bw
=Mnf ⋅⋅⋅⋅0.85 f'c ⎛⎝ -bf bw⎞⎠ hf
⎛
⎜
⎝
-d ―
hf
2
⎞
⎟
⎠
=Mnw ⋅⋅⋅⋅0.85 f'c bw a
⎛
⎜
⎝
-d ―
a
2
⎞
⎟
⎠
Finalmente
=Mn +Mnf Mnw
=Mn ⋅⋅0.85 f'c
⎛
⎜
⎝
+⋅⋅⎛⎝ -bf bw⎞⎠ hf
⎛
⎜
⎝
-d ―
hf
2
⎞
⎟
⎠
⋅⋅bw a
⎛
⎜
⎝
-d ―
a
2
⎞
⎟
⎠
⎞
⎟
⎠
Considerar que:
=As +Asf Asw =Asw -As Asf
Con lo que:
=a ―――――
⋅⎛⎝ -As Asf⎞⎠ fy
⋅⋅0.85 f'c bw
Ing. Marco Muñiz
CONCRETO ARMADO I 
SESION 5
2022-1
16-09-22=As +Asf Asw =Asw -As Asf
Con lo que:
=a ―――――
⋅⎛⎝ -As Asf⎞⎠ fy
⋅⋅0.85 f'c bw
Cuantía máxima de una sección T
==Cc Ts ⋅Asmax fy
=+Ccf Ccw +Tsf Tsw
==Cc +Ccf Ccw +⋅⋅⋅0.85 f'c ⎛⎝ -bf bw⎞⎠ hf ⋅⋅0.85 f'c ⎛⎝ ⋅at bw⎞⎠
Utilizando la deformación unitaria del acero ≔εy 0.005 ——> =Asmax Ast ∴ =Ts ⋅Ast fy
como: =Cc Ts
=+⋅⋅⋅0.85 f'c ⎛⎝ -bf bw⎞⎠ hf ⋅⋅0.85 f'c ⎛⎝ ⋅at bw⎞⎠ ⋅Ast fy
de donde:
=Ast ――――――――――
⋅⋅0.85 f'c ⎛⎝ +⋅at bw ⋅⎛⎝ -bf bw⎞⎠ hf⎞⎠
fy
Finalmente la cuantia maxima de la seccion T es:
==ρst ――
Ast
⋅b d
――――――――――
⋅⋅0.85 f'c ⎛⎝ +⋅at bw ⋅⎛⎝ -bf bw⎞⎠ hf⎞⎠
⋅⋅fy b d
=at ⋅⋅β1
⎛
⎜
⎝
――――
εc
+εc 0.005
⎞
⎟
⎠
d
Cuantía mínima de una sección T
Las ecuaciones respecto al área mínima de refuerzo en secciones rectangulares son 
válidas también para secciones T con el ala en compresión. Para secciones T con el 
ala en tracción, el área mínima de acero será la menor determinada a través de las 
siguiente expresión considerando igual al ancho del ala de la viga T o , el bw b ⋅2 bw
que sea menor.
≤=Asmin ⋅⋅max
⎛
⎜
⎜⎝
,⋅0.8 ――
‾‾f'c
fy
―
14
fy
⎞
⎟
⎟⎠
bf d ⋅⋅⋅1.6 ――
‾‾f'c
fy
bw d
Diseño de una sección T
Se asume inicialmente, que sólo el ala de la sección contribuyen a la resistencia y se 
tiene:
=As ――――
――
Mu
ϕ
⋅fy
⎛
⎜
⎝
-d ―
hf
2
⎞
⎟
⎠
=a ――――
⋅As fy
⋅⋅0.85 f'c b
Si el valor estimado de a es menor o igual que h, entonces el elemento se diseña como 
una viga de sección rectangular con ancho igual a b. Si a es mayor que h,entonces se 
sigue el siguiente procedimiento:
Primero, se considera la resistencia aportada por las alas con un ancho igual a (b-bw) 
y luego se calcula:
=Asf ⋅⋅⋅0.85 ―
f'c
fy
⎛⎝ -bf bw⎞⎠ hf
Ing. Marco Muñiz
CONCRETO ARMADO I 
SESION 5
2022-1
16-09-22
=Asf ⋅⋅⋅0.85 ―
f'c
fy
⎛⎝ -bf bw⎞⎠ hf
=Mnf ⋅⋅⋅⋅0.85 f'c ⎛⎝ -bf bw⎞⎠ hf
⎛
⎜
⎝
-d ―
hf
2
⎞
⎟
⎠
Si el diseño ha concluido y el área de acero es igual en caso contrario el ≥Mnf Mn Ast
alma debe resistir la diferencia 
=Mnn -Mn Mnf
Ejemplo 5.4
Diseñar la sección central de la viga rectangular que se muestra en la figura. La viga está 
sometida a una carga permanente de 1710 kg/m (no incluye peso propio) y a una 
sobrecarga de 1575 kg/m. Usar f'c=210 kg/cm2 y fy=4200 kg/cm2.
≔f'c ⋅210 ――
kgf
cm 2
≔fy ⋅4200 ――
kgf
cm 2
≔γc ⋅2400 ――
kgf
m3
≔wd ⋅1710 ――
kgf
m
≔wl ⋅1575 ――
kgf
m
≔l ⋅5.00 m
≔b 0.25 m
≔h ⋅0.40 m
≔d' 6 cm
≔ϕ 0.9
El peso propio de la viga es:
≔ωdvig =⋅⋅⋅⋅0.25 m 0.40 m γc 240 ――
kgf
m
La carga amplificada sobre la viga es:
≔wu =+⋅1.2 ⎛⎝ +wd ωdvig⎞⎠ ⋅1.6 wl 4860 ――
kgf
m
Se asume el peralte efectivo:
≔d =-40 cm 6 cm 34 cm
Momento ultimo en el centro de la luz:
≔Mu =―――
⋅wu l2
8
15187.5 ⋅kgf m
Cuantia de refuerzo calculado con la funcion solve de Mathcad:
≔ro ―――→+-⋅
⎛
⎜
⎜⎝
―――
⋅ϕ fy
2
⋅1.70 f'c
⎞
⎟
⎟⎠
ρ2 ⋅⎛⎝ ⋅ϕ fy⎞⎠ ρ ――
Mu
⋅b d2
,solve ρ ――――――――――――――――――――――――――――――――――――――――――――
+⋅0.000022486772486772486772 ⎛⎝ +⋅⋅⋅⋅⋅⋅-2337014.0443720743969 cm2 cm 2 kgf kgf m m ⋅⋅⋅3572100.0 cm 4 kgf2 m2 ⎞⎠
0.5
⋅⋅⋅0.0425 cm 2 kgf m
⋅⋅cm 2 kgf m
――――――――――――――――――――――――――――――――――――――――――――
+⋅-0.000022486772486772486772 ⎛⎝ +⋅⋅⋅⋅⋅⋅-2337014.0443720743969 cm2 cm 2 kgf kgf m m ⋅⋅⋅3572100.0 cm 4 kgf2 m2 ⎞⎠
0.5
⋅⋅⋅0.0425 cm 2 kgf m
⋅⋅cm 2 kgf m
⎡
⎢
⎢
⎢
⎢
⎢
⎣
⎤
⎥
⎥
⎥
⎥
⎥
⎦
... =ro 0.0675
0.0175
⎡
⎢⎣
⎤
⎥⎦
≔ρ =ro
,2 1
0.0175
Cuantia de refuerzo calculado con expresion de Bhaskara:
Ing. Marco Muñiz
CONCRETO ARMADO I 
SESION 5
2022-1
16-09-22
≔ρ =―――――――――――――
-⋅ϕ fy
‾‾‾‾‾‾‾‾‾‾‾‾‾‾‾‾‾‾‾‾‾‾‾‾
-⎛⎝ ⋅ϕ fy⎞⎠
2
⋅⋅4
⎛
⎜
⎜⎝
―――
⋅ϕ fy
2
⋅1.70 f'c
⎞
⎟
⎟⎠
⎛
⎜
⎝
――
Mu
⋅b d2
⎞
⎟
⎠
⋅2
⎛
⎜
⎜⎝
―――
⋅ϕ fy
2
⋅1.70 f'c
⎞
⎟
⎟⎠
0.0175 (Los valores de ρ
coinciden)
Cuantía mínima:
≔ρsmin =max
⎛
⎜
⎜
⎜⎝
,⋅0.8 ――――
‾‾‾‾‾‾‾
⋅f'c ――
kgf
cm 2
fy
―――
⋅14 ――
kgf
cm 2
fy
⎞
⎟
⎟
⎟⎠
0.0033
Cuantía máxima recomendada ( ):ρst
≔β1 =
‖
‖
‖
‖
‖
‖
‖
‖
‖
‖
‖
‖
‖
|
|
|
|
|
|
|
|
|
|
|
|
|
|
|
|
|
|
|
|
|
|
|
|
||
if
else
≤f'c ⋅280 ――
kgf
cm 2
‖
‖ 0.85
‖
‖
‖
‖
‖
‖‖
max
⎛
⎜
⎜
⎜
⎜
⎝
,0.65 -0.85 ⋅0.05
⎛
⎜
⎜
⎜
⎜
⎝
―――――
-f'c ⋅280 ――
kgf
cm 2
⋅70 ――
kgf
cm 2
⎞
⎟
⎟
⎟
⎟
⎠
⎞
⎟
⎟
⎟
⎟
⎠
0.85
≔ρst =⋅―――
⋅0.85 f'c
fy
⎛
⎜
⎝
―――――
⋅0.003 β1
+0.003 0.005
⎞
⎟
⎠
0.0135
Verificación de la cuantía calculada :((ρ))
≔ρs =‖
‖
‖
‖
‖
‖
‖
‖
‖
‖
‖
‖‖
|
|
|
|
|
|
|
|
|
|
|
||
|
|
|
|
|
|
|
|
|
|
|
|
if
else
≤≤ρsmin ρ ρst
‖
‖ρ
‖
‖
‖
‖
‖
‖
‖‖
‖
‖
‖
‖
‖
‖
‖
|
|
|
|
|
|
|
|
|
|
|
|
||
if
else
<ρ ρsmin
‖
‖ρsmin
‖
‖ρst
0.0135
—> ≔As =⋅⋅ρs b d 11.515 cm 2
≔Ast As
Evaluacion de necesidad de acero en compresion: -----------------------------------
=‖
‖
‖
‖
‖
‖
‖
|
|
|
|
|
|
|
|
|
|
|
|
||
if
else
≤ρ ρst
‖
‖ “Laviga no requiere acero en compresion”
‖
‖ “La viga requiere acero en compresion”
“La viga requiere acero en compresion”
Area de refuerzo 
colocado :
≔cm2 cm 2 ≔qm ――
kgf
m
≔
db
Asb
qsb
⎡
⎢
⎢
⎢⎣
⎤
⎥
⎥
⎥⎦
Rebar: 6 (3/4) =Asb 2.84 cm 2
Ing. Marco Muñiz
CONCRETO ARMADO I 
SESION 5
2022-1
16-09-22≔cm2 cm 2 ≔qm ――
kgf
m
≔
db
Asb
qsb
⎡
⎢
⎢
⎢⎣
⎤
⎥
⎥
⎥⎦
Rebar: 6 (3/4) =Asb 2.84 cm 2
≔Ascoloc =⋅(( +⋅2 5.1 ⋅1 2.84)) cm 2 13.04 cm 2 ≔ρscoloc =――
Ascoloc
⋅b d
0.0153
(2#8+1#6)
Esta cuantía de acero puede ser provista por 2 varillas #8 y 1#6 (2#8+1#6=13.05cm2). 
Cualquier otra distribución de refuerzo requerirá colocarlo en dos capas.
El refuerzo total en tensión será igual a la suma de y por lo que será As As1 As2
necesario colocar refuerzo en dos capas, por ello, se reconsidera el peralte efectivo de 
la sección y se toma igual a:
Por lo tanto reajustamo para dos capasd ≔d =-h 9 cm 0.31 m
Analisis de la seccion de la condicion (1)
≔As1 Ast
≔Ascoloc ⋅13.05 cm 2
≔a =――――
⋅As1 fy
⋅⋅0.85 f'c b
0.108 m
≔Mn1 =⋅⋅As1 fy
⎛
⎜
⎝
-d ―
a
2
⎞
⎟
⎠
12371.692 ⋅kgf m
Analisis de la seccion de la condicion (2)
=Mn +Mn1 Mn2 =Mn2 -Mn Mn1 =Mn ――
Mu
ϕ
≔Mn2 =-――
Mu
ϕ
Mn1 4503.308 ⋅kgf m
≔As2 =――――
Mn2
⋅fy (( -d d'))
4.289 cm 2
Area total de acero en traccion
≔As =+As1 As2 15.804 cm 2 con 2#8+2#6 se tiene
≔cm2 cm 2 ≔qm ――
kgf
m
≔
db
Asb
qsb
⎡
⎢
⎢
⎢⎣
⎤
⎥
⎥
⎥⎦
Rebar: 6 (3/4) =Asb 2.84 cm 2
≔Ascoloc =⋅(( +⋅2 5.1 ⋅2 2.84)) cm 2 15.88 cm 2
Esfuerzo en acero de compresion
≔ε's =⋅
⎛
⎜
⎝
-1 ――
⋅β1 d'
a
⎞
⎟
⎠
εc 0.0016 =fy ⋅Es εy ≔εy =―
fy
Es
0.0021
≔f's =⋅Es ε's 3238.412 ――
kgf
cm2
=fy 4200 ――
kgf
cm2
=⋅A's f's ⋅As2 fy ≔A's =―――
⋅As2 fy
f's
5.562 cm 2
Area total de acero en compresiónIng. Marco Muñiz
CONCRETO ARMADO I 
SESION 5
2022-1
16-09-22≔A's =―――
⋅As2 fy
f's
5.562 cm 2=⋅A's f's ⋅As2 fy
Area total de acero en compresión
=A's 5.562 cm 2 con 2#6 se tiene
≔cm2 cm 2 ≔qm ――
kgf
m
≔
db
Asb
qsb
⎡
⎢
⎢
⎢⎣
⎤
⎥
⎥
⎥⎦
Rebar: 6 (3/4) =Asb 2.84 cm 2
≔A'scoloc =⋅(( ⋅2 2.84)) cm 2 5.68 cm 2
Finalmente se tiene la seccion de la viga reforzada en traccion y compresion
Ejemplo 5.7
Diseñar la sección central del tramo AB y la seccion del apoyo B de la viga mostrada, que 
esta sometida a una carga permanente de 2650 kg/m (no incluye peso propio) y a una 
sobrecarga de 3810 kg/m. Usar f'c=210 kg/cm2 y fy=4200 kg/cm2.
≔f'c ⋅210 ――
kgf
cm 2
≔fy ⋅4200 ――
kgf
cm 2
≔γc ⋅2400 ――
kgf
m3
≔wd ⋅2650 ――
kgf
m
≔wl ⋅3810 ――
kgf
m
≔l1 ⋅6.50 m ≔l2 ⋅0.40 m
≔bw 0.30 m ≔bf 0.60 m
≔hw ⋅0.60 m ≔hf ⋅0.10 m
≔d 6 cm ≔d' 5 cm
El peso propio de la viga 
es:
≔ωdvig =⋅⎛⎝ +⋅bw ⎛⎝ -hw hf⎞⎠ ⋅bf hf⎞⎠ γc 504 ――
kgf
m
La carga amplificada sobre la viga 
es:
≔wu =+⋅1.2 ⎛⎝ +wd ωdvig⎞⎠ ⋅1.6 wl 9880.8 ――
kgf
m
Se asume el peralte 
efectivo:
≔d =-hw 6 cm 54 cm
Resultados del analisis estructural: Ing. Marco Muñiz
CONCRETO ARMADO I 
SESION 5
2022-1
16-09-22≔d =-hw 6 cm 54 cm
Resultados del analisis estructural:
≔MuAB ⋅⋅49710 kgf m
≔MuB ⋅⋅4940 kgf m
Apoyo B: El momento es negativo y la zona en compresión se ubica en la parte baja de la 
sección por lo que se trata de una viga rectangular con base igual a 30 cm. Asumiendo un 
peralte efectivo igual a d=60-6=54 cm. Los cálculos se resumen la siguiente tabla.
≔Mu =MuB 4940 ⋅kgf m ≔b =bw 30 cm ≔d =-hw 6 cm 54 cm
Cuantia 
requerida
≔ρ =―――――――――――――
-⋅ϕ fy
‾‾‾‾‾‾‾‾‾‾‾‾‾‾‾‾‾‾‾‾‾‾‾‾
-⎛⎝ ⋅ϕ fy⎞⎠
2
⋅⋅4
⎛
⎜
⎜⎝
―――
⋅ϕ fy
2
⋅1.70 f'c
⎞
⎟
⎟⎠
⎛
⎜
⎝
――
Mu
⋅b d2
⎞
⎟
⎠
⋅2
⎛
⎜
⎜⎝
―――
⋅ϕ fy
2
⋅1.70 f'c
⎞
⎟
⎟⎠
0.0015
Cuantia 
minima:
=ρsmin max
⎛
⎜
⎜⎝
,⋅0.8 ――
‾‾f'c
fy
―
14
fy
⎞
⎟
⎟⎠
≔ρsmin =max
⎛
⎜
⎜
⎜⎝
,⋅0.8 ――――
‾‾‾‾‾‾‾
⋅f'c ――
kgf
cm 2
fy
―――
⋅14 ――
kgf
cm 2
fy
⎞
⎟
⎟
⎟⎠
0.0033
Cuantia maxima recomendada ( ):ρst
≤0.65 ≔β1 =-0.85 ⋅0.05
⎛
⎜
⎜
⎜
⎜
⎝
―――――
-f'c ⋅280 ――
kgf
cm 2
⋅70 ――
kgf
cm 2
⎞
⎟
⎟
⎟
⎟
⎠
0.9 ≤ 0.85 ——> ≔β1 0.85
≔ρst =⋅―――
⋅0.85 f'c
fy
⎛
⎜
⎝
―――――
⋅0.003 β1
+0.003 0.005
⎞
⎟
⎠
0.0135
como =ρsmin 0.0033 > =ρ 0.0015 < =ρst 0.0135 ——> ≔ρ =ρsmin 0.0033
entonces se requiere acero minimo en en tracción
≔As =⋅⋅ρ b d 5.4 cm 2
Area de refuerzo colocado con 5#4, se tiene:
=Asb 1.29 cm 2≔cm2 cm 2 ≔qm ――
kgf
m
≔
db
Asb
qsb
⎡
⎢
⎢
⎢⎣
⎤
⎥
⎥
⎥⎦
Rebar: 4 (1/2)
Ing. Marco Muñiz
CONCRETO ARMADO I 
SESION 5
2022-1
16-09-22
≔cm2 cm 2 ≔qm ――
kgf
m
≔
db
Asb
qsb
⎡
⎢
⎢
⎢⎣
⎤
⎥
⎥
⎥⎦
Rebar: 4 (1/2) =Asb 1.29 cm 2
≔Ascoloc =⋅(( ⋅5 1.29)) cm 2 6.45 cm 2
Las 5 varillas #4 se distribuirán en el ala de la sección T. Si el ancho del ala es mayor que 
L/10 entonces es necesario colocar refuerzo adicional en el ala. Sin embargo, el ancho 
del ala bf, es menor que L/10=0.65 m. por lo que no se requiere acero adicional
Centro del tramo AB: Se asume que sólo el ala contribuye a la resistencia de la sección y se 
estima un valor inicial de As.
≔MuAB ⋅⋅49710 kgf m
≔Mu =MuAB 49710 ⋅kgf m
≔b =bf 60 cm
≔bw 30 cm
≔d =-hw 6 cm 54 cm
=hf 10 cm
≔As =――――
――
Mu
ϕ
⋅fy
⎛
⎜
⎝
-d ―
hf
2
⎞
⎟
⎠
26.838 cm 2 ≔a =――――
⋅As fy
⋅⋅0.85 f'c b
10.525 cm
Como =a 10.525 cm > =hf 10 cm ——> La viga trabaja como seccion T, 
se analizará en dos etapas: primero el 
aporte de las alas y después el del 
alma
Momento nominal que aportan las 
alas:
≔Asf =⋅⋅⋅0.85 ―
f'c
fy
⎛⎝ -bf bw⎞⎠ hf 12.75 cm 2
≔Mnf =⋅⋅⋅⋅0.85 f'c ⎛⎝ -bf bw⎞⎠ hf
⎛
⎜
⎝
-d ―
hf
2
⎞
⎟
⎠
26239.5 ⋅kgf m
Al adicionar el refuerzo correspondiente al aporte de la compresión en el alma, las 
varillas requeridas no podrán distribuirse en una capa. Por ello, se asumirá que el refuerzo 
será colocado en dos capas. En este caso el peralte efectivo se tomara igual a 
d=60-9=51cm
≔d =-hw 9 cm 51 cm
≔Mnf =⋅⋅⋅⋅0.85 f'c ⎛⎝ -b bw⎞⎠ hf
⎛
⎜
⎝
-d ―
hf
2
⎞
⎟
⎠
24633 ⋅kgf m
=Mnw -――
Mu
ϕ
Mnf
Momento nominal que aporta el 
alma:
=Mn +Mnf Mnw =Mnw -Mn Mnf
Ing. Marco Muñiz
CONCRETO ARMADO I 
SESION 5
2022-1
16-09-22
=Mn +Mnf Mnw =Mnw -Mn Mnf =Mnw -――
Mu
ϕ
Mnf
≔Mnw =-――
Mu
ϕ
Mnf 30600.333 ⋅kgf m ≔Muw =⋅ϕ Mnw 27540.3 ⋅kgf m
≔Mu =Muw 27540.3 ⋅kgf m
≔b =bw 30 cm
≔d =-hw 9 cm 51 cm
≔ρ =―――――――――――――
-⋅ϕ fy
‾‾‾‾‾‾‾‾‾‾‾‾‾‾‾‾‾‾‾‾‾‾‾‾
-⎛⎝ ⋅ϕ fy⎞⎠
2
⋅⋅4
⎛
⎜
⎜⎝
―――
⋅ϕ fy
2
⋅1.70 f'c
⎞
⎟
⎟⎠
⎛
⎜
⎝
――
Mu
⋅b d2
⎞
⎟
⎠
⋅2
⎛
⎜
⎜⎝
―――
⋅ϕ fy
2
⋅1.70 f'c
⎞
⎟
⎟⎠
0.0107 —> ≔As =⋅⋅ρ b d 16.339 cm 2
≔a =――――
⋅As fy
⋅⋅0.85 f'c b
12.815 cm —> ≔εs =⋅
⎛
⎜
⎝
-――
⋅β1 d
a
1
⎞
⎟
⎠
εc 0.0071 > 0.005 ok
≔Asw =As 16.339 cm 2
=Asf 12.75 cm 2
=+Asf Asw 29.089 cm 2
Area de refuerzo colocado con 6#8, se tiene:
≔cm2 cm 2 ≔qm ――
kgf
m
≔
db
Asb
qsb
⎡
⎢
⎢
⎢⎣
⎤
⎥
⎥
⎥⎦
Rebar: 8 (1) =Asb 5.1 cm 2
≔Ascoloc =⋅(( ⋅6 5.1)) cm 2 30.6 cm 2
Refuerzo en el ala perpendicular al eje de viga
≔Mu =⋅⋅⋅
⎛
⎜
⎝
――
wu
bf
⎞
⎟
⎠
⎛
⎜
⎝
―――
-bf bw
2
⎞
⎟
⎠
⎛
⎜
⎜
⎜⎝
―――
―――
-bf bw
2
2
⎞
⎟
⎟
⎟⎠
1 m 185.265 ⋅kgf m
≔b 100 cm ≔d 7 cm
≔ρ =―――――――――――――
-⋅ϕ fy
‾‾‾‾‾‾‾‾‾‾‾‾‾‾‾‾‾‾‾‾‾‾‾‾
-⎛⎝ ⋅ϕ fy⎞⎠
2
⋅⋅4
⎛
⎜
⎜⎝
―――
⋅ϕ fy
2
⋅1.70 f'c
⎞
⎟
⎟⎠
⎛
⎜
⎝
――
Mu
⋅b d2
⎞
⎟
⎠
⋅2
⎛
⎜
⎜⎝
―――
⋅ϕ fy
2
⋅1.70 f'c
⎞
⎟
⎟⎠
0.001
La cuantia minima transversal del ala de la viga sera el equivalente a la cuantia por retraccion y 
temperatura.
Como: =ρ 0.001 < ≔ρmin 0.0018 —> ≔As =⋅⋅ρmin b d 1.26 cm 2
Area de refuerzo colocado con #3, se tiene:
Ing. Marco Muñiz
CONCRETO ARMADO I 
SESION 5
2022-1
16-09-22
Area de refuerzo colocado con #3, se tiene:
≔cm2 cm 2 ≔qm ――
kgf
m
≔
db
Asb
qsb
⎡
⎢
⎢
⎢⎣
⎤
⎥
⎥
⎥⎦
Rebar: 3 (3/8) =Asb 0.71 cm 2
≔Ascoloc =⋅(( ⋅1 0.71)) cm 2 0.71 cm 2
Espaciamiento con del refuerzo: ≔s =―――
Ascoloc
⋅ρmin d
56.3492 cm
Espaciamiento maximo permitido: ≔smax =min ⎛⎝ ,45 cm ⋅3 hf⎞⎠ 30 cm
∴ se coloca refuerzo: #3@30cm
Finalmente las seccion de la viga T en el tramo centra AB y en el apoyo B son:
Ing. Marco Muñiz