Logo Passei Direto
Buscar

Exercício de circuito elétrico: enunciado pede a soma das correntes I1–I4 em circuito com R=10Ω, 2Ω, 5Ω e 5Ω. Aplica Lei de Kirchhoff e análise de malhas, resolve sistema linear e apresenta resultados numéricos (I1=7,75A; I2=22,25A; I3=−14,5A; I4=22,25A; total 66,75A).

Material
páginas com resultados encontrados.
páginas com resultados encontrados.
details

Libere esse material sem enrolação!

Craque NetoCraque Neto

Ao continuar, você aceita os Termos de Uso e Política de Privacidade

details

Libere esse material sem enrolação!

Craque NetoCraque Neto

Ao continuar, você aceita os Termos de Uso e Política de Privacidade

Prévia do material em texto

Questão
1
Incorreta Questão com problema?
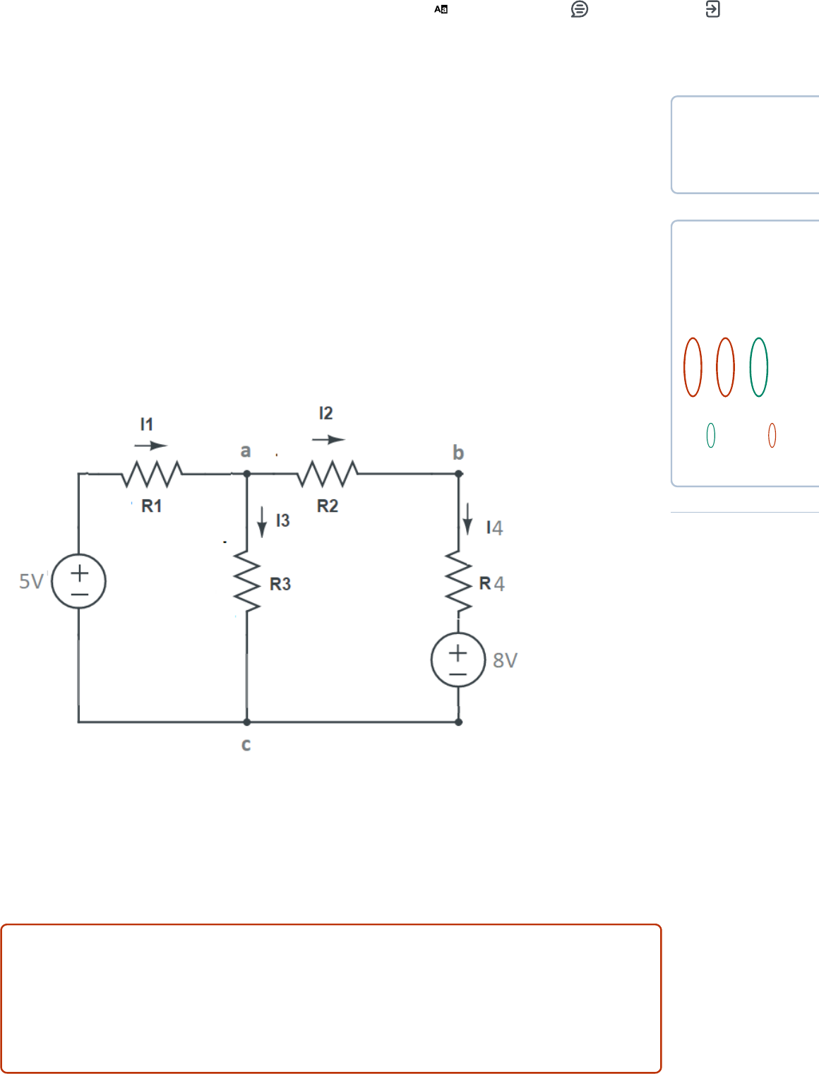
Os circuitos eletrônicos encontram aplicações nas mais diversas áreas como automação, transmissões de rádio e TV,
computadores entre outras. Há dois métodos eficientes para o cálculo das correntes e tensões em um circuito como o da
figura: análise nodal e a análise de malhas.
 
Fonte: Elaborado pela autora 
Dados: R =10Ω, R =2Ω, R =5Ω e R =5Ω
Assinale a alternativa que apresenta corretamente o valor da soma das correntes I , I , I e I representadas na figura.
Sua resposta Incorreta
7,75A
1 2 3 4
1 2 3 4 
Pontuação 4/
Questões realizadas: 
de 3
1 2 3
Acertou Errou
Anterior Próximo
Correção do exercício da unidade Tamanho da fonte Falar com o tutor Sair da correção
Solução esperada
66,75A
Comentário
Vamos nomear os nós de a e b no circuito, conforme a figura e aplicar a Lei de Kirchhoff. 
Nó a:
𝐼1 = 𝐼2 + 𝐼3𝐼3 = 𝐼1 - 𝐼2𝐼3 = 𝑖1 - 𝑖2 Malha 1
-5 + 𝑅1 · 𝐼1 + 𝑅3 · 𝐼3 = 0𝑅1 · 𝑖1 + 𝑅3 · � 𝑖1 - 𝑖2 � = 5𝑖1 · �𝑅1 + 𝑅3 � - 𝑖2 · �𝑅3 � = 5 Malha 2 
𝑅2 · 𝐼2 + 𝑅4 · 𝐼4 + 8 - 𝑅3 · 𝐼3 = 0𝑅2 · 𝐼2 + 𝑅4 · 𝑖2 + 8 - 𝑅3 · � 𝑖1 - 𝑖2 � = 0𝑖1 · � - 𝑅3 � + 𝑖2 · �𝑅2 + 𝑅3 + 𝑅4 � = - 8
𝑖1 · �𝑅2 + 𝑅� - 𝑖2 · �𝑅3 � = 5𝑖1 · � 10 + 5 � - 𝑖2 · 5 = 5𝑖1 · 15 - 𝑖2 · 5 = 5𝑖1 · 3 - 𝑖2 = 1
𝑖1 · � - 𝑅3 � + 𝑖2 · �𝑅2 + 𝑅3 + 𝑅4 � = - 8𝑖1 · � - 5 � + 𝑖2 · 12 = - 8Resolvendo o sistema linear:
𝑖1 · 3 - 𝑖2 = 1
𝑖1 · � - 5 � + 𝑖2 · 12 = - 8
𝑖1 · 3 - 𝑖2 = 1 � ×12 �
𝑖1 · � - 5 � + 𝑖2 · 12 = - 8
𝑖1 · 36 - 𝑖2 · 12 = 12
𝑖1 · � - 5 � + 𝑖2 · 12 = - 8 Somando as duas equações:
𝑖1 · 36 - 𝑖2 · 12 = 12 + 𝑖1 · � - 5 � + 𝑖2 · 12 = - 8 𝑖1 · �31� = 4𝑖1 =
31
4
𝑖1 = 7, 75𝐴
𝑖1 · 3 - 𝑖2 = 1𝑖2 = 𝑖1 · 3 - 1𝑖2 = 7, 75 · 3 - 1𝑖2 = 22, 25𝐴𝐼1 = 𝐼2 + 𝐼3𝐼3 = 𝐼1 - 𝐼2𝐼3 = 7, 75 - 22, 25𝐼3 = - 14, 5𝐴
𝐼1 = 7, 75𝐴𝐼2 = 22, 25𝐴𝐼3 = 14, 5𝐴𝐼4 = 𝐼2 = 22, 25 Lembre-se que o sinal negativo significa o sentido da
corrente foi assumido errado.Somando:𝐼𝑇 = 𝐼1 + 𝐼2 + 𝐼3 + 𝐼4𝐼𝑇 = 7, 75 + 22, 25 + 14, 5 + 22, 25𝐼𝑇 = 66, 75𝐴

Mais conteúdos dessa disciplina