Logo Passei Direto
Buscar
Material
páginas com resultados encontrados.
páginas com resultados encontrados.

Prévia do material em texto

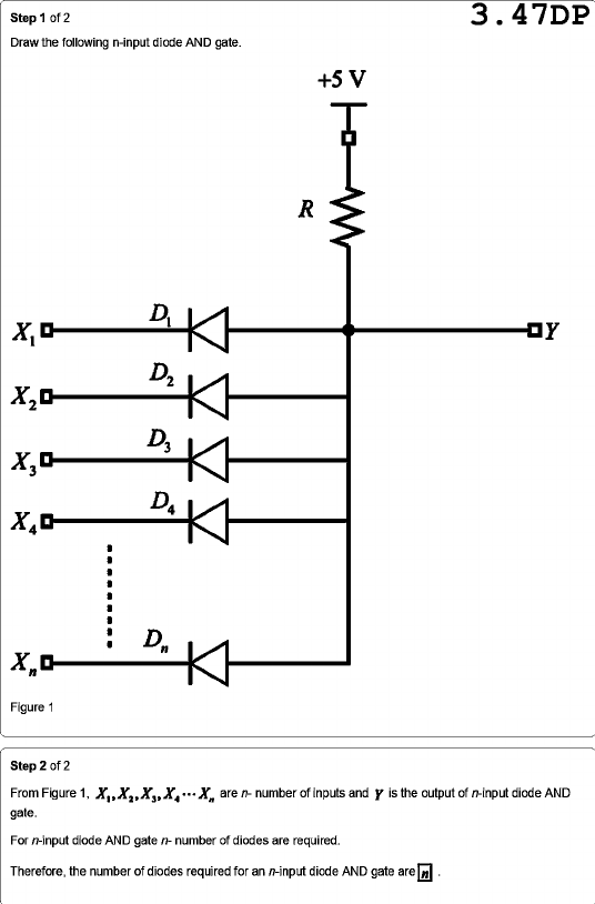
Step 1 of 2 3.47DP Draw the following n-input diode AND gate. R D₁ Y D₂ n Figure 1 Step 2 of 2 From Figure 1, are n- number of inputs and Y is the output of n-input diode AND gate. For n-input diode AND gate n- number of diodes are required. Therefore, the number of diodes required for an n-input diode AND gate are n

Mais conteúdos dessa disciplina