Logo Passei Direto
Buscar

PARTIDA ESTRELA TRIANGULO COM PLC

User badge image
Lucas Mahé

em

Ferramentas de estudo

Material
páginas com resultados encontrados.
páginas com resultados encontrados.
left-side-bubbles-backgroundright-side-bubbles-background

Crie sua conta grátis para liberar esse material. 🤩

Já tem uma conta?

Ao continuar, você aceita os Termos de Uso e Política de Privacidade

Prévia do material em texto

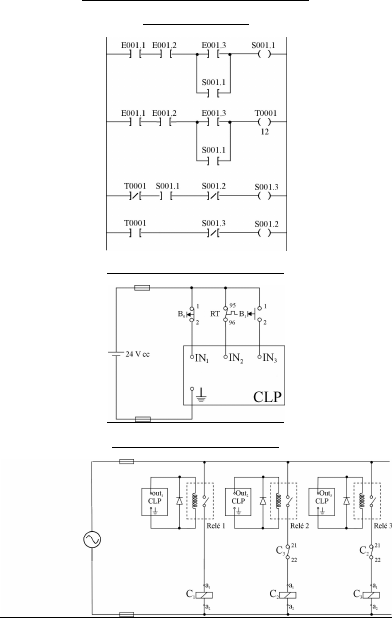
PARTIDA ESTRELA TRIÂNGULO COM PLC 
Diagrama em Ladder 
 
Diagrama de Ligação das Entradas 
 
Diagrama de Ligação das Saídas

Mais conteúdos dessa disciplina