Logo Passei Direto
Buscar

Exercicios_Thevenin_e_Norton

Ferramentas de estudo

Material
páginas com resultados encontrados.
páginas com resultados encontrados.
left-side-bubbles-backgroundright-side-bubbles-background

Crie sua conta grátis para liberar esse material. 🤩

Já tem uma conta?

Ao continuar, você aceita os Termos de Uso e Política de Privacidade

left-side-bubbles-backgroundright-side-bubbles-background

Crie sua conta grátis para liberar esse material. 🤩

Já tem uma conta?

Ao continuar, você aceita os Termos de Uso e Política de Privacidade

left-side-bubbles-backgroundright-side-bubbles-background

Crie sua conta grátis para liberar esse material. 🤩

Já tem uma conta?

Ao continuar, você aceita os Termos de Uso e Política de Privacidade

Prévia do material em texto

1 
 
Disciplina de Eletricidade 
Exercícios 
Prof. Dr. Felipe Neves 
Lista de exercícios 
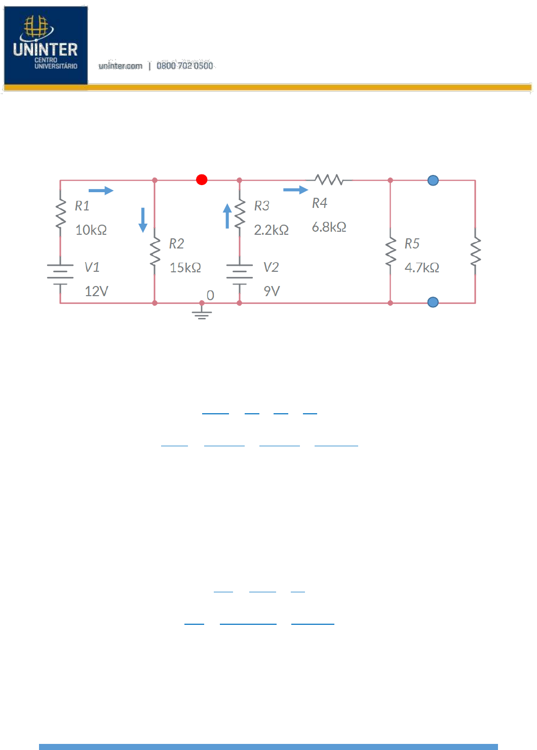
1. Calcule o equivalente Thevenin entre os pontos A e B, para isso utilize a análise 
nodal. 
 
RESOLUÇÃO: 
Inicialmente vamos encontrar a resistência de Thevenin (Rth). Para isso as 
fontes de tensão do circuito devem ser substituídas por curtos-circuitos. Neste caso, 
as resistências R1, R2 e R3 estarão em paralelo. 
1
𝑅𝑒𝑞1
=
1
𝑅1
+
1
𝑅2
+
1
𝑅3
 
1
𝑅𝑒𝑞1
=
1
10 ∙ 103
+
1
15 ∙ 103
+
1
2,2 ∙ 103
 
𝑅𝑒𝑞1 = 1,609 𝑘Ω 
Considerando a Req1 no circuito, esta resistência estará em série com o resistor 
R4, para calcular a resistência equivalente da ligação série, tem-se que: 
𝑅𝑒𝑞2 = 𝑅𝑒𝑞1 + 𝑅4 
𝑅𝑒𝑞2 = 1,609 ∙ 103 + 6,8 ∙ 103 
𝑅𝑒𝑞2 = 8,409 𝑘Ω 
A nova resistência, Req2, estará em paralelo com R5, por isso deve-se calcular: 
1
𝑅𝑡ℎ
=
1
𝑅𝑒𝑞2
+
1
𝑅5
 
1
𝑅𝑡ℎ
=
1
8,409 ∙ 103
+
1
4,7 ∙ 103
 
𝑹𝒕𝒉 = 𝟑, 𝟎𝟏𝟒 𝒌Ω 
Após calcular o valor da resistência, vamos calcular o valor da tensão de 
Thevenin (Vth). Para isso é necessário calcular o valor da tensão entre os pontos A 
e B, seja, a tensão aplicada no resistor R5. Utilizaremos a análise de nós, 
equacionando as correntes no nó, tem-se que: 
𝑖1 + 𝑖3 = 𝑖2 + 𝑖4 
V1 
i3 
 
i2 
 
A 
B 
i1 
 
i4 
 
 
 
 
 2 
 
Disciplina de Eletricidade 
Exercícios 
Prof. Dr. Felipe Neves 
(−𝑉1 + 12)
10 ∙ 103
+
(−𝑉1 + 9)
2,2 ∙ 103
=
(𝑉1 − 𝑉2)
15 ∙ 103
+
(𝑉1)
11,5 ∙ 103
 
−0,1 ∙ 10−3 ∙ 𝑉1 + 1,2 ∙ 10−3 − 0,4545 ∙ 10−3 ∙ 𝑉1 + 4,0909 ∙ 10−3
= 0,0666 ∙ 10−3 ∙ 𝑉1 + 0,0869 ∙ 10−3 ∙ 𝑉1 
𝑉1 ∙ 10−3 ∙ (−0,1 − 0,4545 − 0,0666 − 0,0869) = 10−3 ∙ (−4,0909 − 1,2) 
Considerando que 10-3 se repete dos dois lados da equação, ele pode ser 
removido dos cálculos. 
𝑉1 ∙ (−0,1 − 0,4545 − 0,0666 − 0,0869) = (−4,0909 − 1,2) 
𝑉1 =
(−4,0909 − 1,2)
(−0,1 − 0,4545 − 0,0666 − 0,0869)
 
𝑉1 =
−5,2909
−0,7080
= 7,473 𝑉 
Sabendo-se a tensão V1, pode-se aplicar um divisor de tensão para se encontrar 
o valor no resistor R5, que é a tensão de Thevenin. 
𝑉𝑡ℎ =
7,473 ∙ 4,7 ∙ 103
4,7 ∙ 103 + 6,8 ∙ 103
 
𝑽𝒕𝒉 = 𝟑, 𝟎𝟓𝟒 𝑽 
 
2. Calcule o equivalente Norton entre os pontos A e B, para isso utilize a análise de 
malhas. 
 
 
RESOLUÇÃO: 
Inicialmente vamos encontrar a resistência de Norton (Rn). Para isso as fontes 
de tensão do circuito devem ser substituídas por curtos-circuitos enquanto as fontes 
de corrente devem ser substituídas por circuitos-abertos. Neste caso, as 
resistências R10 e R17 estarão em série. 
𝑅𝑒𝑞1 = 𝑅10 + 𝑅17 
𝑅𝑒𝑞1 = 1 ∙ 103 + 2,2 ∙ 103 = 3,2 ∙ 103 
Com isso, as três resistências estarão em paralelo (Req1, R11 e R13), portanto: 
I3 
A 
B 
I1 I2 
 
 
 
 3 
 
Disciplina de Eletricidade 
Exercícios 
Prof. Dr. Felipe Neves 
1
𝑅𝑛
=
1
𝑅𝑒𝑞1
+
1
𝑅11
+
1
𝑅13
 
1
𝑅𝑛
=
1
3,2 ∙ 103
+
1
4,7 ∙ 103
+
1
6,8 ∙ 103
 
𝑹𝒏 = 𝟏, 𝟒𝟖𝟕𝟔 𝒌𝛀 
Para o cálculo da corrente de Norton (In), deve-se curto-circuitar A e B e calcular 
a corrente que circula entre A e B. Lembrando que todos os resistores em paralelo 
com um curto-circuito podem ser removidos do circuito, uma vez que a resistência 
equivalente deste paralelo será 0 Ω, pois toda a corrente irá circular exclusivamente 
pelo curto-circuito ao invés de circular pelas resistências. 
Aplicando a Lei das Tensões de Kirchhoff nas malhas, tem-se: 
LTK M2: 
1000 ∙ (𝑖2 − 0,009) + 2200 ∙ 𝑖2 + 4700 ∙ (𝑖2 − 𝑖3) + 12 = 0 
1000 ∙ 𝑖2 + 2200 ∙ 𝑖2 + 4700 ∙ 𝑖2 − 4700 ∙ 𝑖3 = −12 + 9 
7900 ∙ 𝑖2 − 4700 ∙ 𝑖3 = −3 
LTK M3: 
−12 + 4700 ∙ (𝑖3 − 𝑖2) = 0 
−4700 ∙ 𝑖2 + 4700 ∙ 𝑖3 = 12 
Assim tem-se duas equações e duas variáveis: 
7900 ∙ 𝑖2 − 4700 ∙ 𝑖3 = −3 
−4700 ∙ 𝑖2 + 4700 ∙ 𝑖3 = 12 
Somando as duas equações acima, tem-se: 
3200 ∙ 𝑖2 = 9 
𝑖2 =
9
3200
= 2,8125 𝑚𝐴 
Substituindo i2 na segunda equação, tem-se: 
−4700 ∙ (2,8125 ∙ 10−3) + 4700 ∙ 𝑖3 = 12 
4700 ∙ 𝑖3 = 12 + 13,2187 
𝑖3 =
25,2187
4700
= 5,365 𝑚𝐴 
Sabendo que a corrente que circula entre A e B é i3, então: 
𝑰𝒏 = 𝟓, 𝟑𝟔𝟓 𝒎𝑨 
 
 
Respostas: 
1. Vth=3,05 V e Rth = 3,014 kΩ 
2. In=5,365 mA e Rn=1,487 kΩ

Mais conteúdos dessa disciplina