Logo Passei Direto
Buscar
Material
páginas com resultados encontrados.
páginas com resultados encontrados.
left-side-bubbles-backgroundright-side-bubbles-background

Experimente o Premium!star struck emoji

Acesse conteúdos dessa e de diversas outras disciplinas.

Libere conteúdos
sem pagar

Ajude estudantes e ganhe conteúdos liberados!

Prévia do material em texto

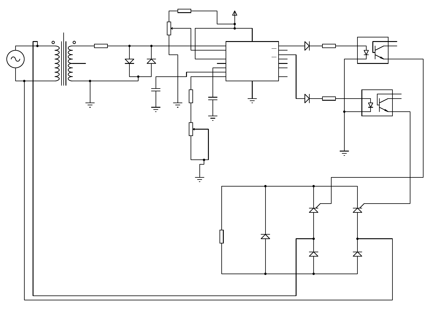
Q1
14
Q1
4
Q2
15
Q2
2
QU
3
QZ
7
C12
12
VSYNC
5
V11
11
C10
10
R9
9
INHIBIT
6
L
13
VREF
8
VS
16
GND
1
U1
TCA785
R2
22k
R3
22k
RV1
100k
D1
DIODE
D2
DIODE
C1
680p
C2
680p
RV2
10k
TR1
15V
R4
8.2k
A
K
C
E
B
1
2 4
5
6
U2
4N25
A
K
C
E
B
1
2 4
5
6
U3
4N25
R1
330ohm
R5
330ohm
D3
DIODE
D4
DIODE
U4
S4SRP
U5
S4SRP
D5
DIODE
D6
DIODE
D7
DIODE
R6
10k
Carga

Mais conteúdos dessa disciplina