Logo Passei Direto
Material
Study with thousands of resources!

Text Material Preview

CADERNO 
FÍSICA ENEM 
novocadernoenem@gmail.co 4
B) um dos princípios da termodinâmica, segun-
do o qual o rendimento de uma máquina térmica
nunca atinge o ideal.
C) o funcionamento cíclico de todos os motores.
A repetição contínua dos movimentos exige que
parte da energia seja transferida ao próximo
ciclo.
D) as forças de atrito inevitável entre as peças.
Tais forças provocam desgastes contínuos que
com o tempo levam qualquer material à fadiga e
ruptura.
E) a temperatura em que eles trabalham. Para
atingir o plasma, é necessária uma temperatura
maior que a de fusão do aço com que se fazem
os motores.
Questão 113 (2012.1)
Nossa pele possui células que reagem à inci-
dência de luz ultravioleta e produzem uma subs-
tância chamada melanina, responsável pela
pigmentação da pele. Pensando em se bronze-
ar, uma garota vestiu um biquíni, acendeu a luz
de seu quarto e deitou-se exatamente abaixo da
lâmpada incandescente. Após várias horas ela
percebeu que não conseguiu resultado algum.
O bronzeamento não ocorreu porque a luz emi-
tida pela lâmpada incandescente é de:
A) baixa intensidade.
B) baixa frequência.
C) um espectro contínuo.
D) amplitude inadequada.
E) curto comprimento de onda.
Questão 114 (2012.2)
No manual de uma máquina de lavar, o usuário
vê o símbolo:
Este símbolo orienta o consumidor sobre a ne-
cessidade de a máquina ser ligada a:
A) uma rede de coleta de água da chuva.
B) um fio neutro para evitar sobrecarga elétrica.
C) um fio terra para aproveitar as cargas elétri-
cas do solo.
D) um fio terra para evitar sobrecarga elétrica.
E) uma rede de coleta de esgoto doméstico.
Questão 115 (2012.2)
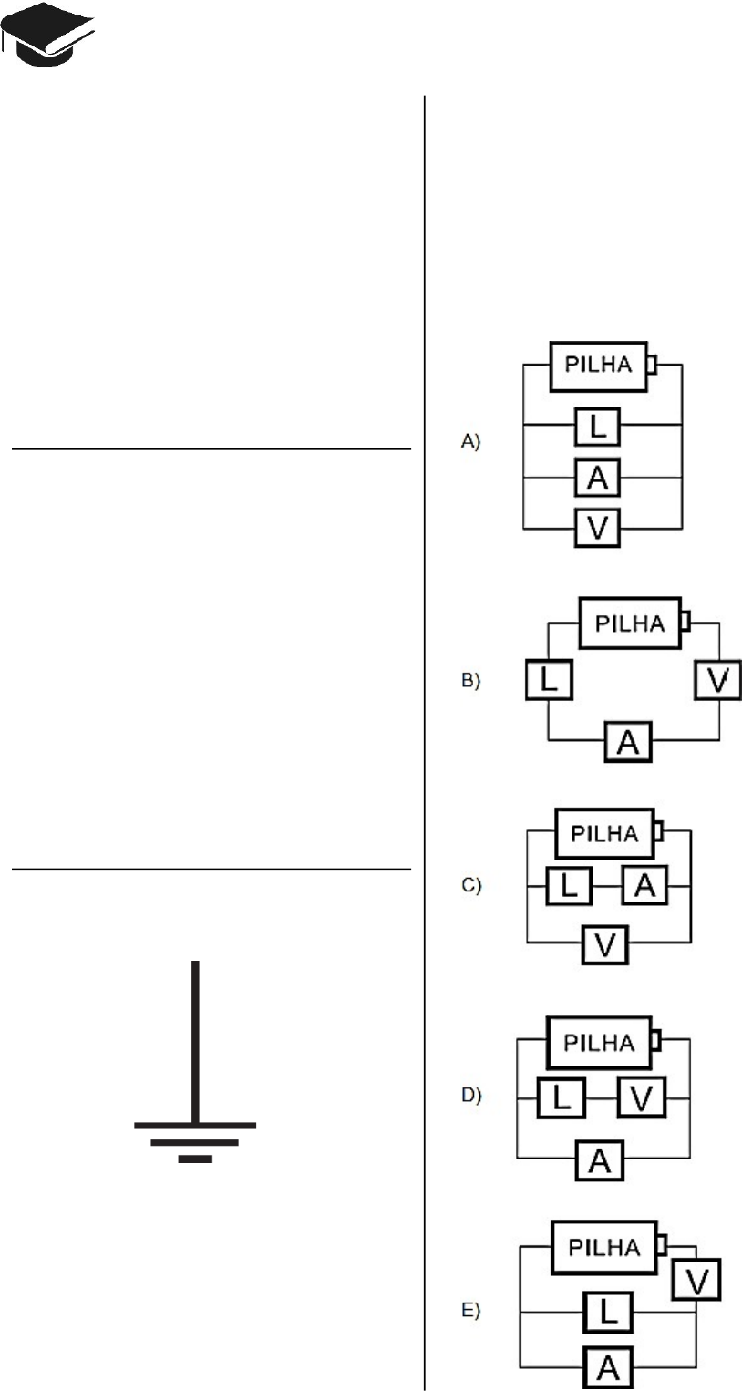
Um eletricista precisa medir a resistência elétri-
ca de uma lâmpada. Ele dispõe de uma pilha,
de uma lâmpada (L), de alguns fios e de dois
aparelhos: um voltímetro (V), para medir a dife-
rença de potencial entre dois pontos, e um am-
perímetro (A), para medir a corrente elétrica.
O circuito elétrico montado pelo eletricista para
medir essa resistência é:
	Na sequência apresentamos a relação das provas presentes no Caderno Enem. A sigla no início de cada questão é uma referência do ano e da ordem de aplicação da prova. Por exemplo, uma questão com a sigla ENEM 2014.2 foi aplicada nas Unidades Prisio- nais no ano de 2014, conforme explicamos:
	ENEM 2018.2 - Prova Unidades Prisionais 2018
	Questão 113 (2012.1)
	Questão 114 (2012.2)
	Questão 115 (2012.2)