Logo Passei Direto
Buscar

EXERCICIOS RESOLVIDOS_ CEME1

Ferramentas de estudo

Questões resolvidas

Considere o circuito: Circuito rotativo.
A corrente do estator é elevada de forma que fique duas vezes maior que a do rotor, portanto:
A A amplitude da curva de conjugado de relutância para o estator reduz.
B A amplitude da curva de conjugado de relutância para o rotor reduz.
C A amplitude da curva de conjugado mútuo reduz.
X D A amplitude da curva de conjugado de relutância para o estator aumenta.
E A amplitude da curva de conjugado mútuo não é afetado.

Avaliando um sistema de conversão eletromecânico de energia, com parte mecânica rotativa.
Assinale a alternativa correta.
A O aumento de fluxo não influencia na energia armazenada.
B Se a parte mecânica está parada, a energia elétrica é zero.
X C O bloqueio da parte móvel indica que não há energia mecânica.
D A energia armazenada é inversamente proporcional ao fluxo.
E A energia armazenada é proporcional à indutância.

Material
páginas com resultados encontrados.
páginas com resultados encontrados.
left-side-bubbles-backgroundright-side-bubbles-background

Crie sua conta grátis para liberar esse material. 🤩

Já tem uma conta?

Ao continuar, você aceita os Termos de Uso e Política de Privacidade

left-side-bubbles-backgroundright-side-bubbles-background

Crie sua conta grátis para liberar esse material. 🤩

Já tem uma conta?

Ao continuar, você aceita os Termos de Uso e Política de Privacidade

Questões resolvidas

Considere o circuito: Circuito rotativo.
A corrente do estator é elevada de forma que fique duas vezes maior que a do rotor, portanto:
A A amplitude da curva de conjugado de relutância para o estator reduz.
B A amplitude da curva de conjugado de relutância para o rotor reduz.
C A amplitude da curva de conjugado mútuo reduz.
X D A amplitude da curva de conjugado de relutância para o estator aumenta.
E A amplitude da curva de conjugado mútuo não é afetado.

Avaliando um sistema de conversão eletromecânico de energia, com parte mecânica rotativa.
Assinale a alternativa correta.
A O aumento de fluxo não influencia na energia armazenada.
B Se a parte mecânica está parada, a energia elétrica é zero.
X C O bloqueio da parte móvel indica que não há energia mecânica.
D A energia armazenada é inversamente proporcional ao fluxo.
E A energia armazenada é proporcional à indutância.

Prévia do material em texto

EXERCICIOS RESOLVIDOS
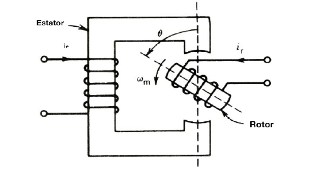
Considere o circuito:
Circuito rotativo.
A corrente do estator é elevada de forma que fique duas vezes maior que a do rotor, portanto:
A A amplitude da curva de conjugado de relutância para o estator reduz.
B A amplitude da curva de conjugado de relutância para o rotor reduz.
C A amplitude da curva de conjugado mútuo reduz.
X D A amplitude da curva de conjugado de relutância para o estator aumenta.
E amplitude da curva de conjugado mútuo não é afetado.
Questão 2
Avaliando um sistema de conversão eletromecânico de energia, com parte mecânica rotativa, assinale a alternativa correta.
A O aumento de fluxo não influencia na energia armazenada.
B Se a parte mecânica está parada, a energia elétrica é zero.
X C O bloqueio da parte móvel indica que não há energia mecânica.
D A energia armazenada é inversamente proporcional ao fluxo.
E A energia armazenada é proporcional à indutância.
EXERCICIOS 
RESOLVIDOS
 
Considere o circuito:
 
 
Circuito rotativo.
 
A corrente do estator é elevada de forma que fique duas vezes maior que a do 
rotor, portanto:
 
A
 
A amplitude da curva de conjugado de relutância para o estator reduz.
 
 
B
 
A amplitude da curva de conjugado de 
relutância para o rotor reduz.
 
 
C
 
A amplitude da curva de conjugado mútuo reduz.
 
 
X 
D
 
A amplitude da curva de conjugado de relutância para o estator aumenta.
 
 
E
 
 
amplitude da curva de conjugado mútuo não é afetado.
 
 
Questão 2
 
Avaliando um sistema de c
onversão eletromecânico de energia, com parte 
mecânica rotativa, assinale a alternativa correta.
 
A
 
O aumento de fluxo não influencia na energia armazenada.
 
 
B
 
Se a parte mecânica está parada, a energia elétrica é zero.
 
 
X 
C
 
O bloqueio da parte móvel indica que não há energia mecânica.
 
 
D
 
A energia armazenada é inversamente proporcional ao fluxo.
 
 
E
 
A energia armazenada é proporcional à indutância.
 
 
EXERCICIOS RESOLVIDOS 
Considere o circuito: 
 
Circuito rotativo. 
A corrente do estator é elevada de forma que fique duas vezes maior que a do 
rotor, portanto: 
A A amplitude da curva de conjugado de relutância para o estator reduz. 
 
B A amplitude da curva de conjugado de relutância para o rotor reduz. 
 
C A amplitude da curva de conjugado mútuo reduz. 
 
X D A amplitude da curva de conjugado de relutância para o estator aumenta. 
 
E amplitude da curva de conjugado mútuo não é afetado. 
 
Questão 2 
Avaliando um sistema de conversão eletromecânico de energia, com parte 
mecânica rotativa, assinale a alternativa correta. 
A O aumento de fluxo não influencia na energia armazenada. 
 
B Se a parte mecânica está parada, a energia elétrica é zero. 
 
X C O bloqueio da parte móvel indica que não há energia mecânica. 
 
D A energia armazenada é inversamente proporcional ao fluxo. 
 
E A energia armazenada é proporcional à indutância.

Mais conteúdos dessa disciplina