Logo Passei Direto
Buscar

Ferramentas de estudo

Material
páginas com resultados encontrados.
páginas com resultados encontrados.
left-side-bubbles-backgroundright-side-bubbles-background

Crie sua conta grátis para liberar esse material. 🤩

Já tem uma conta?

Ao continuar, você aceita os Termos de Uso e Política de Privacidade

left-side-bubbles-backgroundright-side-bubbles-background

Crie sua conta grátis para liberar esse material. 🤩

Já tem uma conta?

Ao continuar, você aceita os Termos de Uso e Política de Privacidade

left-side-bubbles-backgroundright-side-bubbles-background

Crie sua conta grátis para liberar esse material. 🤩

Já tem uma conta?

Ao continuar, você aceita os Termos de Uso e Política de Privacidade

left-side-bubbles-backgroundright-side-bubbles-background

Crie sua conta grátis para liberar esse material. 🤩

Já tem uma conta?

Ao continuar, você aceita os Termos de Uso e Política de Privacidade

Prévia do material em texto

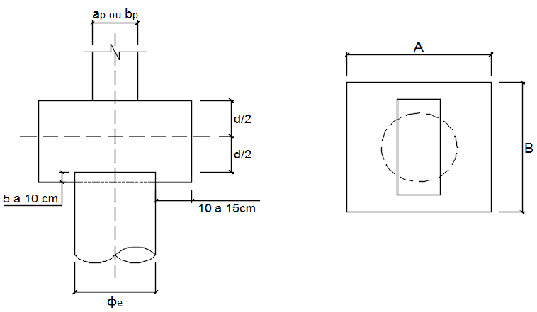
<p>A = 70 cm</p><p>B = 84 cm</p><p>ap = 30 cm</p><p>bp = 20 cm</p><p>d = 36,0 cm</p><p>φe = 30 cm</p><p>lb,pilar = 33 cm</p><p>c = 4 cm</p><p>fck = 25 MPa</p><p>fyk = 250 MPa</p><p>γf = 1,4</p><p>γS = 1,15</p><p>OBS.: Coeficientes obtidos dos itens 11.7 e 12.4.1 da NBR 6118:2014</p><p>Bloco P1 (19x19)</p><p>• Propriedades geométricas:</p><p>• Propriedade dos materiais:</p><p>(Lado do bloco paralelo ao lado ap do pilar)</p><p>(Lado do bloco paralelo ao lado bp do pilar)</p><p>(Lado do pilar paralelo ao lado A do bloco)</p><p>(Lado do pilar paralelo ao lado B do bloco)</p><p>(Diâmetro da estaca)</p><p>(Comprimento básico de ancoragem das barras do pilar)</p><p>(Cobrimento da armadura)</p><p>(Altura útil)</p><p>(Resistência característica do concreto à compressão)</p><p>(Tensão de escoamento do aço - Valor característico)</p><p>• Coeficientes de ponderação:</p><p>(Coeficiente de ponderação dos esforços e do concreto)</p><p>(Coeficiente de ponderação do aço)</p><p>A carga axial que o pilar aplica no bloco faz surgir em seu interior uma região comprimida que tende a se</p><p>uniformizar a medida que se aproxima da estaca (Princípio de Saint-Venant). Isso ocorre quando a altura últil d</p><p>tem um valor próximo do diâmetro da estaca (1 a 1,1.φe)</p><p>Perpendicularmente a direção da carga axial surgem esforços de tração que são resistidos por uma armadura</p><p>horizontal na forma de estribos. O valor desses esforços pode ser obtido através de um modelo de bielas e</p><p>tirantes que será apresentado a seguir</p><p>𝑑 ≥ ቊ</p><p>1,2 . 𝜙𝑒</p><p>𝑙𝑏,𝑝𝑖𝑙𝑎𝑟</p><p>Nk = 200,00 kN</p><p>Nd = 280,00 kN</p><p>Td = 70,00 kN</p><p>As = 3,22 cm²</p><p>• Cálculo da força de tração horizontal:</p><p>OBS.: Como Tka e Tkb costumam assumir valores muito pequenos,</p><p>o cálculo da área de aço dos estribos horizontais será feito</p><p>considerando que a força de tração horizontal corresponde a 1/4</p><p>da carga axial do pilar</p><p>OBS.: Tka e Tkb são as forças de tração horizontal nas direções</p><p>paralelas ao lado A e lado B, respectivamente</p><p>• Cálculo da área de aço:</p><p>(Área de aço dos estribos horizontais)</p><p>OBS.: Por simplicidade será adotada para os estribos verticais (Armadura construtiva), a mesma área de aço dos</p><p>estribos horizontais</p><p>Τ𝑁𝑘 2</p><p>Τ𝑑 2</p><p>=</p><p>𝑇𝑘</p><p>Τ(𝜙𝑒 − 𝑎𝑝) 4</p><p>𝑇𝑘𝑎 =</p><p>𝑁𝑘</p><p>4</p><p>𝜙𝑒 − 𝑎𝑝</p><p>𝑑</p><p>𝑇𝑘𝑏 =</p><p>𝑁𝑘</p><p>4</p><p>𝜙𝑒 − 𝑏𝑝</p><p>𝑑</p><p>𝑇𝑘 ≌</p><p>𝑁𝑘</p><p>4</p><p>𝑇𝑑 ≌ 𝛾𝑓 . 𝑇𝑘</p><p>𝐴𝑆 =</p><p>𝑇𝑑</p><p>𝑓𝑦𝑑</p><p>8 mm</p><p>12,5 mm</p><p>4</p><p>5</p><p>5</p><p>10,67 cm</p><p>18,49 cm</p><p>14,99 cm</p><p>OK</p><p>OK</p><p>Não OK</p><p>Não OK</p><p>OK</p><p>OK</p><p>A seção ou área das bielas varia ao longo da altura do bloco e, por isso, devem ser verificadas as seções junto ao</p><p>pilar e junto à estaca</p><p>φe < A ≤ φe+30cm</p><p>É recomendado que o lado A do bloco seja maior que o diâmetro da estaca e menor ou igual ao diâmetro da</p><p>estaca somado a 30cm</p><p>φe < B ≤ φe+30cm</p><p>É recomendado que o lado B do bloco seja maior que o diâmetro da estaca e menor ou igual ao diâmetro da</p><p>estaca somado a 30cm</p><p>Verificação da biela de compressão:</p><p>(Bitola dos estribos verticais)</p><p>A ≥ ap+6cm</p><p>É recomendado que o lado A do bloco seja maior ou igual a soma do lado ap do pilar com 6cm</p><p>É recomendado que o lado B do bloco seja maior ou igual a soma do lado bp do pilar com 6cm</p><p>B ≥ ap+6cm</p><p>Nº de estribos horizontais N1 =</p><p>OBS.: Foi adotado pelo menos 1 estribo horizontal a cada 15cm e 1 estribo vertical a cada 20cm</p><p>• Verificações:</p><p>Nº de estribos verticais N3 =</p><p>Esp. Estribo horizontal = (Espaçamento entre os estribos horizontais)</p><p>Esp. Estribo vertical N2 = (Espaçamento entre os estribos verticais N2)</p><p>Esp. Estribo vertical N3 = (Espaçamento entre os estribos verticais N3)</p><p>Nº de estribos verticais N2 =</p><p>σcd,b,pilar ≤ σcd,b,lim</p><p>σcd,b,estaca ≤ σcd,b,lim</p><p>φ estribos horizontais =</p><p>φ estribos verticais =</p><p>(Bitola dos estribos horizontais)</p><p>𝜎𝑐𝑑,𝑏,𝑝𝑖𝑙𝑎𝑟 =</p><p>𝑁𝑑</p><p>𝐴𝑝</p><p>; Ap = Área da seção transversal do pilar</p><p>𝜎𝑐𝑑,𝑏,𝑒𝑠𝑡𝑎𝑐𝑎 =</p><p>𝑁𝑑</p><p>𝐴𝑒</p><p>; Ae = Área da seção transversal da estaca</p><p>𝜎𝑐𝑑,𝑏,𝑙𝑖𝑚 = 𝑓𝑐𝑑 ; 𝑓𝑐𝑑 =</p><p>𝑓𝑐𝑘</p><p>𝛾𝑓</p><p>0,47 kN/cm²</p><p>0,40 kN/cm²</p><p>1,79 kN/cm²</p><p>OBS.: Devido ao confinamento em torno da biela é possível que a tensão resistente de cálculo seja ainda maior do que fcd</p><p>(Ver item 21.2.1 da NBR 6118:2014)</p><p>σcd,b,estaca =</p><p>σcd,b,lim =</p><p>(Tensão de compressão na seção da biela em contato com o pilar)</p><p>(Tensão de compressão na seção da biela em contato com a estaca)</p><p>(Resistência de cálculo da biela - Item 21.2.1 da NBR 6118:2014)</p><p>σcd,b,pilar =</p>

Mais conteúdos dessa disciplina