Logo Passei Direto
Buscar
Material
páginas com resultados encontrados.
páginas com resultados encontrados.
left-side-bubbles-backgroundright-side-bubbles-background

Crie sua conta grátis para liberar esse material. 🤩

Já tem uma conta?

Ao continuar, você aceita os Termos de Uso e Política de Privacidade

left-side-bubbles-backgroundright-side-bubbles-background

Crie sua conta grátis para liberar esse material. 🤩

Já tem uma conta?

Ao continuar, você aceita os Termos de Uso e Política de Privacidade

Prévia do material em texto

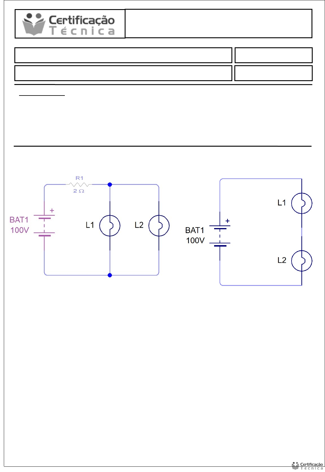
<p>Projeto Prático em Eletricidade</p><p>Data: 7 / 10 / 2024.</p><p>Aluno (a): Natália Bezerra de Menezes Andrade</p><p>Projeto Prático</p><p>NOTA:</p><p>INSTRUÇÕES:</p><p>· Esta Avaliação contém 1 (um) trabalho, totalizando 10 (dez) pontos;</p><p>· Você deve estregar os projetos solicitados com os seguintes dados:</p><p>· Nome / Data de entrega.</p><p>· Envio o arquivo pelo sistema no local indicado;</p><p>· Em caso de dúvidas consulte o seu Tutor.</p><p>Utilize o laboratório virtual para simular os circuitos abaixo e responda as questões:</p><p>1. Ao finalizar a montagem tire um print da tela e cole abaixo.</p><p>2. No primeiro caso é necessário o uso do resistor em série com a bateria. Porque?</p><p>Para garantir a limitação da corrente no circuito, protegendo o dispositivo, proporcionando uma vida útil com maior durabilidade e eficiência no projeto.</p><p>3. Qual o nome de cada tipo de associação de lâmpadas? Ignore o resistor.</p><p>Associação em série e associação em paralelo.</p><p>4. Qual desses tipos de associação é utilizado na instalação de sua casa?</p><p>Normalmente é usado associação em paralelo.</p><p>Projeto Prático em Eletrotécnica I - ELE</p><p>Projeto Prático em Eletrotécnica I - ELE</p><p>image3.png</p><p>image1.jpg</p><p>image2.png</p><p>image4.png</p><p>INSTRUÇÕES</p><p>:</p><p>v</p><p>Esta</p><p>Avaliação</p><p>contém</p><p>1</p><p>(</p><p>um</p><p>)</p><p>trabalho</p><p>, totalizando 10 (dez) pontos</p><p>;</p><p>v</p><p>Você</p><p>deve estregar os projetos solicitados com os seguintes dados</p><p>:</p><p>o</p><p>Nome / Data de entrega</p><p>.</p><p>v</p><p>Envio o arquivo pelo</p><p>sistema no local indicado</p><p>;</p><p>v</p><p>Em caso de dúvidas consulte o seu Tutor</p><p>.</p><p>Aluno</p><p>(a):</p><p>Natália</p><p>Bezerra de Menezes Andrade</p><p>D</p><p>ata:</p><p>7</p><p>/</p><p>10</p><p>/</p><p>202</p><p>4</p><p>.</p><p>Projeto Prático em</p><p>Eletricidade</p><p>Projeto Prático em Eletrotécnica I</p><p>-</p><p>ELE</p><p>NOTA:</p><p>Projeto Prático</p><p>Utilize o laboratório virtual para simular os circuitos abaixo e responda as questões:</p><p>1.</p><p>Ao finalizar a montagem tire um print da tela e cole abaixo.</p><p>INSTRUÇÕES:</p><p> Esta Avaliação contém 1 (um) trabalho, totalizando 10 (dez) pontos;</p><p> Você deve estregar os projetos solicitados com os seguintes dados:</p><p>o Nome / Data de entrega.</p><p> Envio o arquivo pelo sistema no local indicado;</p><p> Em caso de dúvidas consulte o seu Tutor.</p><p>Aluno (a): Natália Bezerra de Menezes Andrade</p><p>Data: 7 / 10 / 2024.</p><p>Projeto Prático em Eletricidade</p><p>Projeto Prático em Eletrotécnica I - ELE</p><p>NOTA:</p><p>Projeto Prático</p><p>Utilize o laboratório virtual para simular os circuitos abaixo e responda as questões:</p><p>1. Ao finalizar a montagem tire um print da tela e cole abaixo.</p>

Mais conteúdos dessa disciplina