Logo Passei Direto
Buscar
Material
páginas com resultados encontrados.
páginas com resultados encontrados.
left-side-bubbles-backgroundright-side-bubbles-background

Experimente o Premium!star struck emoji

Acesse conteúdos dessa e de diversas outras disciplinas.

Libere conteúdos
sem pagar

Ajude estudantes e ganhe conteúdos liberados!

Prévia do material em texto

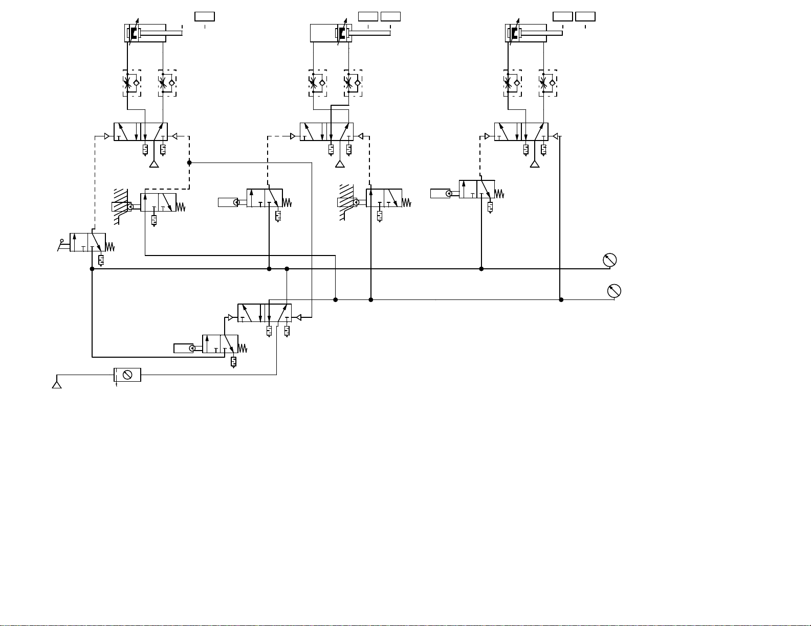
CILINDRO A 1S0 1S1
60
%
40
%
CILINDRO B
60
%
40
%
2S0 2S1
4 2
5
1
3
I
I I
4 2
5
1
3
CILINDRO C 3S0 3S1
60
%
40
%
4 2
5
1
3
4 2
5
1
3
MI - II
2
1 3
Botão1
2
1 3
3S1
2
1 3
2S1
2
1 3
2S0
2
1 3
1S1
2
1 3
3S0

Mais conteúdos dessa disciplina