Logo Passei Direto
Buscar
Material
páginas com resultados encontrados.
páginas com resultados encontrados.

Prévia do material em texto

Conteúdo gerado pelo EAD https://app.nmceduc.com.br
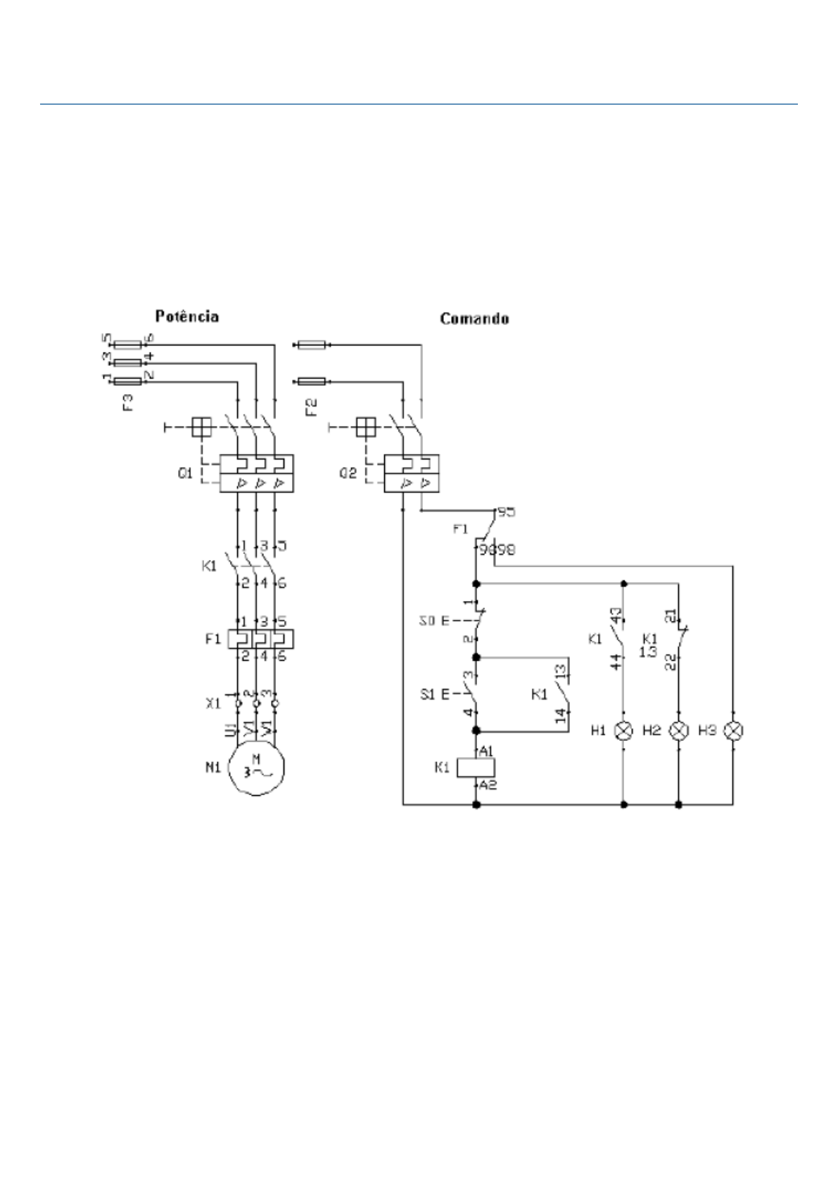
8. PARTIDA DIRETA COM COMANDO LOCAL E REMOTO
Objetivo: Neste laboratório o objetivo é o de consolidar os
conceitos já estudados e introduzir os elementos de sinalização
no comando.
 
Fig. 7.1 - Circuitos de comando e potência para uma partida direta de motores com
sinalização.
 
Componentes:
1 Disjuntor tripolar (Q1);
1 disjuntor bipolar (Q2);
1 relé térmico (F2);
Conteúdo gerado pelo EAD https://app.nmceduc.com.br
1 contator (K1);
1 botoeira NF (S0);
1 botoeira NA (S1);
1 Motor trifásico (M1);
1 lâmpada verde (H1);
1 lâmpada amarela (H2);
1 lâmpada vermelha (H3).
 
Partida direta com comando
local e remoto
 O diagrama de potência é idêntico à partida direta
convencional;
 A manobra do contator pode ser feita através de comando
local ou remoto;
 Algumas aplicações desta partida:
 Sistemas de bombeamento;
 Abertura e fechamento de válvulas solenoides;
 Controle de aquecedores em processos industriais.
 Todas as proteções estão presentes;
 As botoeiras S0 e S1 são responsáveis pelo comando local;
 As botoeiras S2 e S3 são responsáveis pelo comando
remoto
 As sinalizações são idênticas À do comando da partida
direta convencional.
 
Conteúdo gerado pelo EAD https://app.nmceduc.com.br
 
Partida direta com comando
intermitente
 Diagrama de potência é idêntico à partida direta
convencional ; 
 
 A manobra do contator pode ser feita através de um botão
selado ou botão intermitente;
 Algumas aplicações desta partida: Esteiras transportadoras;
Pequenos ajutes; torques rápidos.
 A botoeira S1 é responsável pelo comando direto, selado;
 A botoeira S2 possui dois módulos de contatos: 1 NA e 1 NF;
 O acionamento pelo botão intermitente ocorre apenas
quando S2 é mantido pressionado, pois abre a NF. 
 
Conteúdo gerado pelo EAD https://app.nmceduc.com.br
Dimensionamento para partida
direta
O dimensionamento dos componentes para partida direta de
motores segue exatamente
todas as metodologias apresentadas nas aulas anteriores:
O elemento magnético do disjuntor e o fusível devem ser
dimensionados para
a corrente de partida do motor;
O elemento térmico do disjuntor, o relé térmico e contator
devem ser dimensionados para a corrente nominal do
motor, levando em consideração o fator de serviço.
 
 
 
 
 
Conteúdo gerado pelo EAD https://app.nmceduc.com.br
 
 
 
REFERÊNCIA:
SOUZA, Neemias Silva de. Apostila de Comandos Elétricos - Curso de Eletrotécnica.
Na ta l : I FRN , 2009 . D i spon í ve l em:
. Acesso em: 6 jun. 2023.
https://docente.ifrn.edu.br/heliopinheiro/Disciplinas/maquinas-e-acionamentos-eletricos-ii/apostila-basica
https://docente.ifrn.edu.br/heliopinheiro/Disciplinas/maquinas-e-acionamentos-eletricos-ii/apostila-basica

Mais conteúdos dessa disciplina