Logo Passei Direto
Buscar

Ferramentas de estudo

Questões resolvidas

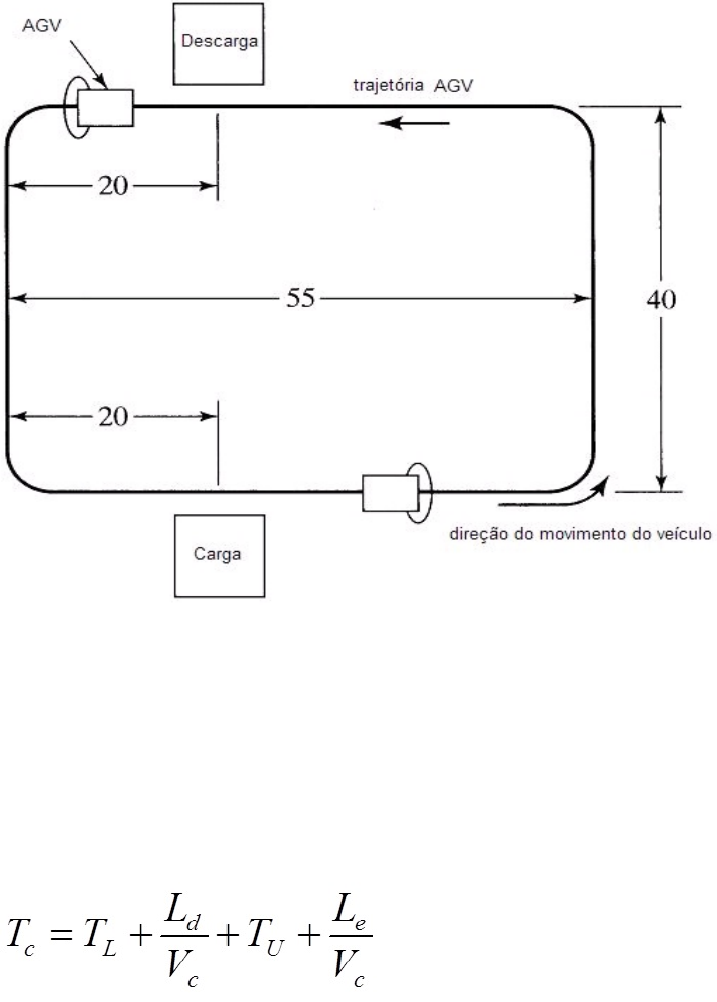
Dado o layout do sistema AGV (AGVS) da figura a seguir, os veículos trafegam no sentido anti-horário através do circuito para entregar cargas, a partir da estação de carga, na estação de descarga. O tempo de carga na estação de carga = 0,75 min e o tempo de descarga na estação de descarga = 0,50 min. A velocidade do veículo = 50 m/min. O sistema possui uma disponibilidade de 95%. Considerar que o sistema é automático e, portanto, a eficiência do operador é máxima.
Assinale a alternativa correta de quantos veículos são necessários para satisfazer a demanda desse layout se um total de 40 Entregas/Hora devem ser completadas pelo AGVS, levando em consideração um fator de Trafego de 90%.
a. []Apenas 2 veículos (AGVs) são necessários no sistema.
b. []São necessários 3 veículos (AGVs) no sistema.
c. [] São necessários 4 veículos (AGVs) no sistema.
d. [] São necessários 5 veículos (AGVs) no sistema.
e. []O sistema irá operar com apenas 1 veículo AGV mas a eficiência do operador deverá ser revista.

Um sistema flexível consiste de uma estação [1] de carga e descarga. Uma estação [2] de usinagem, composta de dois servidores, máquinas CNC idênticas. A estação 3 possui um servidor que realiza furação CNC. As estações estão conectadas por um sistema que possui quatro transportadores. O tempo de transporte médio é 3,0 min. O FMS produz duas partes A e B indicadas na tabela abaixo. A freqüência de operação f ijk = 1,0 para todas as operações.
Sabendo que a estação gargalo é identificada achando a maior razão do sistema de manufatura, dos valores da tabela podemos afirmar que:
a. [ ] A estação gargalo é a estação 1.
b. [ ] A estação gargalo é a estação 2.
c. [ ] A estação gargalo é a estação 3.
d. [ ] A estação gargalo é a estação 4 (n+1) que é o sistema de transporte automático com quatro transportadores.
e. [ ] Dos valores da tabela, verifica-se que a utilização do sistema é de 50% na estação 2 porque nela há dois servidores (duas máquinas CNC idênticas) e de 25% no sistema de transporte porque há quatro servidores (transportadores). As estações 1 e 3 possuem 100% de utilização.

Material
páginas com resultados encontrados.
páginas com resultados encontrados.
left-side-bubbles-backgroundright-side-bubbles-background

Crie sua conta grátis para liberar esse material. 🤩

Já tem uma conta?

Ao continuar, você aceita os Termos de Uso e Política de Privacidade

left-side-bubbles-backgroundright-side-bubbles-background

Crie sua conta grátis para liberar esse material. 🤩

Já tem uma conta?

Ao continuar, você aceita os Termos de Uso e Política de Privacidade

left-side-bubbles-backgroundright-side-bubbles-background

Crie sua conta grátis para liberar esse material. 🤩

Já tem uma conta?

Ao continuar, você aceita os Termos de Uso e Política de Privacidade

left-side-bubbles-backgroundright-side-bubbles-background

Crie sua conta grátis para liberar esse material. 🤩

Já tem uma conta?

Ao continuar, você aceita os Termos de Uso e Política de Privacidade

left-side-bubbles-backgroundright-side-bubbles-background

Crie sua conta grátis para liberar esse material. 🤩

Já tem uma conta?

Ao continuar, você aceita os Termos de Uso e Política de Privacidade

Questões resolvidas

Dado o layout do sistema AGV (AGVS) da figura a seguir, os veículos trafegam no sentido anti-horário através do circuito para entregar cargas, a partir da estação de carga, na estação de descarga. O tempo de carga na estação de carga = 0,75 min e o tempo de descarga na estação de descarga = 0,50 min. A velocidade do veículo = 50 m/min. O sistema possui uma disponibilidade de 95%. Considerar que o sistema é automático e, portanto, a eficiência do operador é máxima.
Assinale a alternativa correta de quantos veículos são necessários para satisfazer a demanda desse layout se um total de 40 Entregas/Hora devem ser completadas pelo AGVS, levando em consideração um fator de Trafego de 90%.
a. []Apenas 2 veículos (AGVs) são necessários no sistema.
b. []São necessários 3 veículos (AGVs) no sistema.
c. [] São necessários 4 veículos (AGVs) no sistema.
d. [] São necessários 5 veículos (AGVs) no sistema.
e. []O sistema irá operar com apenas 1 veículo AGV mas a eficiência do operador deverá ser revista.

Um sistema flexível consiste de uma estação [1] de carga e descarga. Uma estação [2] de usinagem, composta de dois servidores, máquinas CNC idênticas. A estação 3 possui um servidor que realiza furação CNC. As estações estão conectadas por um sistema que possui quatro transportadores. O tempo de transporte médio é 3,0 min. O FMS produz duas partes A e B indicadas na tabela abaixo. A freqüência de operação f ijk = 1,0 para todas as operações.
Sabendo que a estação gargalo é identificada achando a maior razão do sistema de manufatura, dos valores da tabela podemos afirmar que:
a. [ ] A estação gargalo é a estação 1.
b. [ ] A estação gargalo é a estação 2.
c. [ ] A estação gargalo é a estação 3.
d. [ ] A estação gargalo é a estação 4 (n+1) que é o sistema de transporte automático com quatro transportadores.
e. [ ] Dos valores da tabela, verifica-se que a utilização do sistema é de 50% na estação 2 porque nela há dois servidores (duas máquinas CNC idênticas) e de 25% no sistema de transporte porque há quatro servidores (transportadores). As estações 1 e 3 possuem 100% de utilização.

Prévia do material em texto

Pergunta 1 
1. Dado o layout do sistema AGV (AGVS) da figura a seguir, os veículos trafegam no sentido anti-horário através do circuito para entregar cargas, a partir da estação de carga, na estação de descarga.
O tempo de carga na estação de carga = 0,75 min e o tempo de descarga na estação de descarga = 0,50 min. A velocidade do veículo = 50 m/min. O sistema possui uma disponibilidade de 95%.
Considerar que o sistema é automático e, portanto, a eficiência do operador é máxima.
Assinale a alternativa correta de quantos veículos são necessários para satisfazer a demanda desse layout se um total de 40 Entregas/Horadevem ser completadas pelo AGVS, levando em consideração um fator de Trafego de 90%.
Formulário:
 
	
	a.
	[]Apenas 2 veículos (AGVs) são necessários no sistema. 
	
	b.
	[]São necessários 3 veículos (AGVs) no sistema. 
	
	c.
	[] São necessários 4 veículos (AGVs) no sistema. 
	
	d.
	[] São necessários 5 veículos (AGVs) no sistema. 
	
	e.
	[]O sistema irá operar com apenas 1 veículo AGV mas a eficiência do operador deverá ser revista. 
0,15 pontos   
Pergunta 2 
1. Complete a tabela a partir do diagrama a seguir
	
	Para (To)
	1
	2
	3
	4
	5
	De (From)
	1
	0
	a
	b
	c
	0
	
	2
	0
	0
	0
	0
	d
	
	3
	0
	0
	0
	e
	f
	
	4
	0
	0
	0
	0
	g
	
	5
	0
	0
	0
	0
	0
2. Assinale a alternativa correta para os itens da tabela na ordem de aag:
	
	a.
	[ ]9/50, 5/120, 6/205, 9/80, 3/170, 2/85, 8/85. 
	
	b.
	[ ]9/50, 5/120, 6/205, 9/80, 2/85, 3/170, 8/85. 
	
	c.
	[ ]9/50, 6/205, 5/120, 9/80, 2/85, 3/170, 8/85. 
	
	d.
	[ ]6/205, 9/80, 9/50, 5/120, 3/170, 2/85, 8/85. 
	
	e.
	[ ]9/50, 9/80, 6/205, 5/120, 3/170, 2/85, 8/85. 
0,15 pontos   
Pergunta 3 
1. Um sistema flexível consiste de uma estação [1] de carga e descarga. Uma estação [2] de usinagem, composta de dois servidores, máquinas CNC idênticas. A estação 3 possui um servidor que realiza furação CNC. As estações estão conectadas por um sistema que possui quatro transportadores. O tempo de transporte médio é 3,0 min. O FMS produz duas partes A e B indicadas na tabela abaixo. A freqüência de operação fijk = 1,0 para todas as operações
	
Parte j 
	Mix Partes (pj)
	Operação k
	Descrição
	Estação i 
	Tempo de Processamento tijk (min.)
	A
	0,4
	1
	Carga
	1
	4
	 
	 
	2
	Usinagem
	2
	30
	 
	 
	3
	Furação
	3
	10
	 
	 
	4
	Descarga
	1
	2
	B
	0,6
	1
	Carga
	1
	4
	 
	 
	2
	Usinagem
	2
	40
	 
	 
	3
	Furação
	3
	15
	 
	 
	4
	Descarga
	1
	2
2. Sabendo que a estação gargalo é identificada achando a maior razão(Rp*) do sistema de manufatura, dos valores da tabela podemos afirmar que a respectiva fração do mix de peças para os produtos A e B respectivamente é:
	
	a.
	[ ] ~1,33 peça/minuto e 2,0 peça/minuto. 
	
	b.
	[ ] ~3,33 peça/minuto e 2,0 peça/minuto. 
	
	c.
	[ ] ~1,33 peça/Hora e 2,0 peça/Hora. 
	
	d.
	[ ] 2,0 peça/minuto e ~1,33 peça/minuto. 
	
	e.
	[ ] 2,0 peça/Hora e ~1,33 peça/Hora. 
0,15 pontos   
Pergunta 4 
1. Um sistema flexível consiste de uma estação [1] de carga e descarga. Uma estação [2] de usinagem, composta de dois servidores, máquinas CNC idênticas. A estação 3 possui um servidor que realiza furação CNC. As estações estão conectadas por um sistema que possui quatro transportadores. O tempo de transporte médio é 3,0 min. O FMS produz duas partes A e B indicadas na tabela abaixo. A freqüência de operação fijk = 1,0 para todas as operações.
	
Parte j 
	Mix Partes (pj)
	Operação k
	Descrição
	Estação i 
	Tempo de Processamento tijk (min.)
	A
	0,4
	1
	Carga
	1
	4
	 
	 
	2
	Usinagem
	2
	30
	 
	 
	3
	Furação
	3
	10
	 
	 
	4
	Descarga
	1
	2
	B
	0,6
	1
	Carga
	1
	4
	 
	 
	2
	Usinagem
	2
	40
	 
	 
	3
	Furação
	3
	15
	 
	 
	4
	Descarga
	1
	2
2. Sabendo que a estação gargalo é identificada achando a maior razão do sistema de manufatura, dos valores da tabela podemos afirmar que:
	
	a.
	[ ] A estação gargalo é a estação 1. 
	
	b.
	[ ] A estação gargalo é a estação 2. 
	
	c.
	[ ] A estação gargalo é a estação 3. 
	
	d.
	[ ] A estação gargalo é a estação 4 (n+1) que é o sistema de transporte automático com quatro transportadores. 
	
	e.
	[ ] Dos valores da tabela, verifica-se que a utilização do sistema é de 50% na estação 2 porque nela há dois servidores (duas máquinas CNC idênticas) e de 25% no sistema de transporte porque há quatro servidores (transportadores). As estações 1 e 3 possuem 100% de utilização.

Mais conteúdos dessa disciplina