Logo Passei Direto
Buscar
Material
páginas com resultados encontrados.
páginas com resultados encontrados.
left-side-bubbles-backgroundright-side-bubbles-background

Crie sua conta grátis para liberar esse material. 🤩

Já tem uma conta?

Ao continuar, você aceita os Termos de Uso e Política de Privacidade

left-side-bubbles-backgroundright-side-bubbles-background

Crie sua conta grátis para liberar esse material. 🤩

Já tem uma conta?

Ao continuar, você aceita os Termos de Uso e Política de Privacidade

Prévia do material em texto

Universidade de Caxias do Sul 
Refrigeração e Ar Condicionado MEC0427D 
Prof. Sérgio Godoy 
 
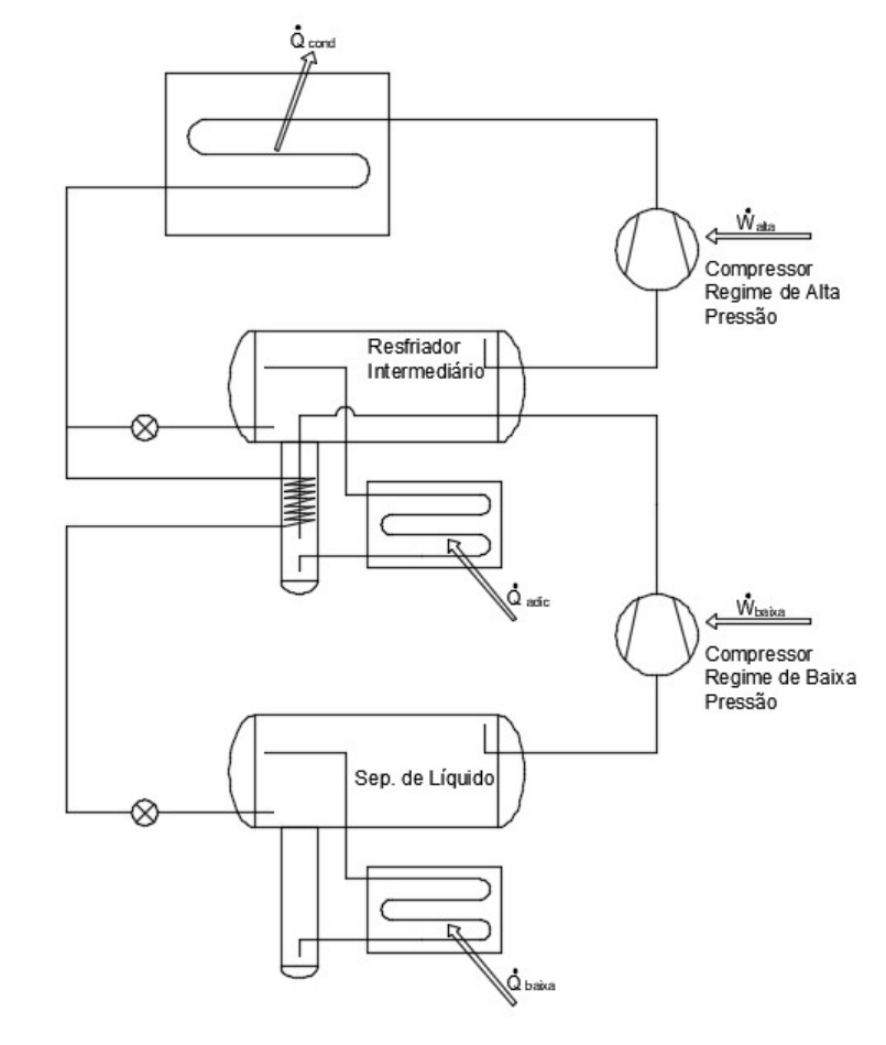
Estudo de Caso: considere um sistema frigorífico conforme ilustrado no esquema abaixo: 
 
 
O sistema pode ser descrito como de duplo estágio de pressão, utilizando um Resfriador 
Intermediário RI para resfriar a descarga do compressor de baixa pressão. 
O RI é do tipo fechado, possui uma serpentina para o subresfriamento do líquido condensado, 
utilizado para alimentar o Separador de Líquido do regime de baixa pressão. O resfriador 
intermediário alimenta ainda evaporadores para câmaras de estocagem de produtos resfriados. 
O separador de líquido do regime de baixa pressão alimenta os evaporadores para câmaras de 
estocagem de produtos congelados. 
Considerar as compressões isoentrópicas. 
 
Parte I 
Considerando as condições de operação abaixo: 
 Fluido refrigerante R717 
 Tev = -30°C 
 Tint = -10°C 
 Tcond = +35°C 
 T na saída da serpentina do RI = 0°C 
 Carga térmica para as câmaras de congelados = 230 kW 
 Carga térmica para as câmaras de resfriados = 110 kW 
 
Pede-se: 
a) Representar o ciclo no diagrama p-h 
b) Representar o ciclo no diagrama T-s 
c) Qual a massa de refrigerante evapora nas câmaras de congelados? 
d) Qual a massa de refrigerante evapora nas câmaras de resfriados? 
e) Qual o volume de refrigerante deslocado pelo compressor do regime de baixa pressão? 
f) Qual o volume de refrigerante deslocado pelo compressor do regime de alta pressão? 
g) Qual a massa de vapor formado por flash na alimentação do resfriador intermediário? 
h) Qual o COP do sistema? 
 
Parte II 
Com o objetivo de melhorar o COP da instalação, pensou-se nas seguintes alternativas: 
a) Alterar o fluido refrigerante para R507, mantendo as condições operacionais da parte I; 
b) Reduzir a temperatura de condensação para 32 °C, mantendo R717 como fluido 
refrigerante; 
c) Aumentar o subresfriamento na saída da serpentina para 40°C (Δ), mantendo R717 
como fluido refrigerante. 
Discutir cada uma das alternativas, com relação ao COP. Outras vantagens poderiam ser obtidas 
em cada uma das alternativas?

Mais conteúdos dessa disciplina