Logo Passei Direto
Buscar
Material
páginas com resultados encontrados.
páginas com resultados encontrados.
left-side-bubbles-backgroundright-side-bubbles-background

Crie sua conta grátis para liberar esse material. 🤩

Já tem uma conta?

Ao continuar, você aceita os Termos de Uso e Política de Privacidade

left-side-bubbles-backgroundright-side-bubbles-background

Crie sua conta grátis para liberar esse material. 🤩

Já tem uma conta?

Ao continuar, você aceita os Termos de Uso e Política de Privacidade

Prévia do material em texto

Acadêmico: Kellen Silvana Dias Roulim (1990086) 
Disciplina: Resistência dos Materiais (EPR02) 
Avaliação: 
Avaliação Final (Discursiva) - Individual Semipresencial ( 
Cod.:656310) ( peso.:4,00) 
Prova: 24425435 
Nota da 
Prova: 
5,00 
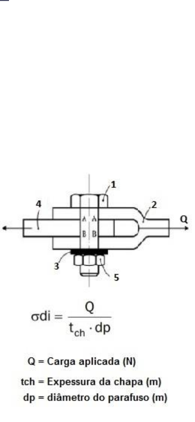
1. A tensão de cisalhamento é definida como a força tangencial aplicada à seção 
transversal da peça. Considere o conjunto representado na figura a seguir que é 
formado pelos seguintes componentes: 
 
1 - Parafuso sextavado M12. 
2 - Garfo com haste de espessura 6 mm. 
3 - Arruela de pressão. 
4 - Chapa de aço ABNT 1020 espessura 8 mm. 
5 - Porca M12. 
 
Suponha que não haja rosca no parafuso nas regiões de cisalhamento e 
esmagamento. A carga Q que atua no conjunto é de 6 kN. Calcule a pressão de 
contato nas hastes do garfo. 
 
Resposta Esperada: 
https://portaldoalunoead.uniasselvi.com.br/ava/notas/request_gabarito_n2.php?action1=RUNFMDE2MQ==&action2=RVBSMDI=&action3=NjU2MzEw&action4=MjAyMC8y&prova=MjQ0MjU0MzU=#questao_1%20aria-label=
Conforme imagem a seguir:
 
 
2. Os conceitos de resiliência, rigidez e resistência descrevem características mecânicas 
típicas dos materiais. Embora aparentem similaridades, são conceitos distintos. 
Disserte sobre a resiliência, a rigidez e a resistência. 
Resposta Esperada: 
Resistência é a capacidade de um corpo de resistir à ação de forças. 
Rigidez é a capacidade de um corpo de resistir às deformações. 
Resiliência é a capacidade do material de resistir a choques. 
 
 
https://portaldoalunoead.uniasselvi.com.br/ava/notas/request_gabarito_n2.php?action1=RUNFMDE2MQ==&action2=RVBSMDI=&action3=NjU2MzEw&action4=MjAyMC8y&prova=MjQ0MjU0MzU=#questao_2%20aria-label=

Mais conteúdos dessa disciplina