Logo Passei Direto
Buscar

Ferramentas de estudo

Questões resolvidas

Os materiais semicondutores utilizados na confecção dos diodos, quando colocados juntos, formam a chamada camada de depleção, cuja largura varia com a polarização do diodo e define a barreira de potencial.
Em qual estado está um diodo de silício se a queda de tensão direta sobre ele for de 0,7 V?
Polarizado diretamente
Em curto-circuito
Na região zener
Não polarizado
Polarizado reversamente

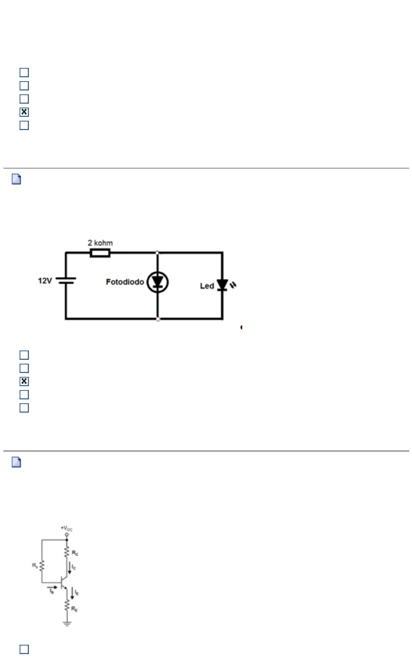
Observe o circuito a seguir. Sabendo-se que o fotodiodo, quando não iluminado, apresenta uma resistência máxima de 10 kΩ e acende um diodo com uma tensão de 2,0 V.
qual é a corrente que atravessa o fotodiodo nessa condição?
2 mA
2 µA
200 µA
200 mA
20 mA

O transistor da figura a seguir é de silício, possui um ganho β = 100 e está polarizado na região ativa.
Determine RE, RB, e RC sabendo que VCC = 20V, VCE = 3V, IB = 40µA e RC = 4RE.
RE = 1kΩ, RB = 400kΩ, RC = 4kΩ
RE = 850Ω, RB = 397,5kΩ, RC = 3,4kΩ
RE = 1kΩ, RB = 397,5kΩ, RC = 4kΩ
RE = 850Ω, RB = 400kΩ, RC = 3,4kΩ
RE = 2kΩ, RB = 397,5kΩ, RC = 8kΩ

Observe a figura adiante, que representa um circuito em que o transistor bipolar NPN foi especificado para ter β (hFE) na faixa de 15 a 75.
Para que o transistor Q1 opere na saturação (VCE de saturação = 0,2 V e VBE = 0,67V), com β Forçado igual a 0,75, o valor da resistência de base (RB) será de:
1,79 kΩ
38,83 Ω
7,06 kΩ
353,00 Ω
3,53 kΩ

O transistor representado na figura abaixo é polarizado com uma corrente no coletor de 0,5 mA.
O ganho de voltagem (v0/vi) para pequenos sinais é:
+100 V/V
-1 V/V
-10 V/V
+10 V/V
-100 V/V

Material
páginas com resultados encontrados.
páginas com resultados encontrados.
left-side-bubbles-backgroundright-side-bubbles-background

Experimente o Premium!star struck emoji

Acesse conteúdos dessa e de diversas outras disciplinas.

Libere conteúdos
sem pagar

Ajude estudantes e ganhe conteúdos liberados!

left-side-bubbles-backgroundright-side-bubbles-background

Experimente o Premium!star struck emoji

Acesse conteúdos dessa e de diversas outras disciplinas.

Libere conteúdos
sem pagar

Ajude estudantes e ganhe conteúdos liberados!

left-side-bubbles-backgroundright-side-bubbles-background

Experimente o Premium!star struck emoji

Acesse conteúdos dessa e de diversas outras disciplinas.

Libere conteúdos
sem pagar

Ajude estudantes e ganhe conteúdos liberados!

left-side-bubbles-backgroundright-side-bubbles-background

Experimente o Premium!star struck emoji

Acesse conteúdos dessa e de diversas outras disciplinas.

Libere conteúdos
sem pagar

Ajude estudantes e ganhe conteúdos liberados!

left-side-bubbles-backgroundright-side-bubbles-background

Experimente o Premium!star struck emoji

Acesse conteúdos dessa e de diversas outras disciplinas.

Libere conteúdos
sem pagar

Ajude estudantes e ganhe conteúdos liberados!

left-side-bubbles-backgroundright-side-bubbles-background

Experimente o Premium!star struck emoji

Acesse conteúdos dessa e de diversas outras disciplinas.

Libere conteúdos
sem pagar

Ajude estudantes e ganhe conteúdos liberados!

Questões resolvidas

Os materiais semicondutores utilizados na confecção dos diodos, quando colocados juntos, formam a chamada camada de depleção, cuja largura varia com a polarização do diodo e define a barreira de potencial.
Em qual estado está um diodo de silício se a queda de tensão direta sobre ele for de 0,7 V?
Polarizado diretamente
Em curto-circuito
Na região zener
Não polarizado
Polarizado reversamente

Observe o circuito a seguir. Sabendo-se que o fotodiodo, quando não iluminado, apresenta uma resistência máxima de 10 kΩ e acende um diodo com uma tensão de 2,0 V.
qual é a corrente que atravessa o fotodiodo nessa condição?
2 mA
2 µA
200 µA
200 mA
20 mA

O transistor da figura a seguir é de silício, possui um ganho β = 100 e está polarizado na região ativa.
Determine RE, RB, e RC sabendo que VCC = 20V, VCE = 3V, IB = 40µA e RC = 4RE.
RE = 1kΩ, RB = 400kΩ, RC = 4kΩ
RE = 850Ω, RB = 397,5kΩ, RC = 3,4kΩ
RE = 1kΩ, RB = 397,5kΩ, RC = 4kΩ
RE = 850Ω, RB = 400kΩ, RC = 3,4kΩ
RE = 2kΩ, RB = 397,5kΩ, RC = 8kΩ

Observe a figura adiante, que representa um circuito em que o transistor bipolar NPN foi especificado para ter β (hFE) na faixa de 15 a 75.
Para que o transistor Q1 opere na saturação (VCE de saturação = 0,2 V e VBE = 0,67V), com β Forçado igual a 0,75, o valor da resistência de base (RB) será de:
1,79 kΩ
38,83 Ω
7,06 kΩ
353,00 Ω
3,53 kΩ

O transistor representado na figura abaixo é polarizado com uma corrente no coletor de 0,5 mA.
O ganho de voltagem (v0/vi) para pequenos sinais é:
+100 V/V
-1 V/V
-10 V/V
+10 V/V
-100 V/V

Prévia do material em texto

AV-Eletrônica Analógica – Nota 10 
1a Questão (Ref.: 202109225106) 
Os materiais semicondutores utilizados na confecção dos diodos, quando colocados 
juntos, formam a chamada camada de depleção, cuja largura varia com a polarização 
do diodo e define a barreira de potencial. Em qual estado está um diodo de silício se 
a queda de tensão direta sobre ele for de 0,7 V? 
 
 
Em curto-circuito 
 
Na região zener 
 
Não polarizado 
 
Polarizado diretamente 
 
Polarizado reversamente 
 
 
 2a Questão (Ref.: 202109747932) 
Observe o circuito a seguir. Sabendo-se que o fotodiodo, quando não iluminado, 
apresenta uma resistência máxima de 10 kΩ e acende um diodo com uma tensão de 
2,0 V, qual é a corrente que atravessa o fotodiodo nessa condição? 
 
 
 
2 mA 
 
200 mA 
 
200 µA 
 
2 µA 
 
20 mA 
 
 
 3a Questão (Ref.: 202107789342) 
O transistor da figura a seguir é de silício, possui um ganho β = 100 e está polarizado 
na região ativa. Determine RE, RB, e RC sabendo que VCC = 20V, VCE = 3V, IB = 
40µA e RC = 4RE. 
 
 
 
RE = 850Ω, RB = 400kΩ, RC = 3,4kΩ 
javascript:alert('C%C3%B3digo da quest%C3%A3o: 6036044/n/nStatus da quest%C3%A3o: Liberada para Uso.');
javascript:alert('C%C3%B3digo da quest%C3%A3o: 4077454/n/nStatus da quest%C3%A3o: Liberada para Uso.');
 
RE = 850Ω, RB = 397,5kΩ, RC = 3,4kΩ 
 
RE = 1kΩ, RB = 400kΩ, RC = 4kΩ 
 
RE = 2kΩ, RB = 397,5kΩ, RC = 8kΩ 
 
RE = 1kΩ, RB = 397,5kΩ, RC = 4kΩ 
 
 
 4a Questão (Ref.: 202107804241) 
Observe a figura adiante, que representa um circuito em que o transistor bipolar NPN 
foi especificado para ter β (hFE) na faixa de 15 a 75. 
 
Para que o transistor Q1 opere na saturação (VCE de saturação = 0,2 V e VBE = 
0,67V), com β Forçado igual a 0,75 , o valor da resistência de base (RB) será de: 
 
 
3,53 kΩ 
 
38,83 Ω 
 
1,79 kΩ 
 
353,00 Ω 
 
7,06 kΩ 
 
 
 5a Questão (Ref.: 202107804269) 
O transistor representado na figura abaixo é polarizado com uma corrente no coletor de 0,5 
mA. 
javascript:alert('C%C3%B3digo da quest%C3%A3o: 4092353/n/nStatus da quest%C3%A3o: Liberada para Uso.');
javascript:alert('C%C3%B3digo da quest%C3%A3o: 4092381/n/nStatus da quest%C3%A3o: Liberada para Uso.');
 
O ganho de voltagem (v0/vi) para pequenos sinais é: 
 
 
+10 V/V 
 
-100 V/V 
 
-1 V/V 
 
+100 V/V 
 
-10 V/V 
 
 
 6a Questão (Ref.: 202109165290) 
Determine Rb para o transistor inversor da figura a seguir. Considere ICsaturação = 10mA. 
javascript:alert('C%C3%B3digo da quest%C3%A3o: 5453402/n/nStatus da quest%C3%A3o: Liberada para Uso.');
Fonte: EnsineMe. 
 
 
100kΩ 
 
155kΩ 
 
1kΩ 
 
1,5Ω 
 
15kΩ 
 
 
 7a Questão (Ref.: 202109225118) 
Determine RC para o transistor inversor da figura a seguir. Considere ICsaturação = 10mA. 
Fonte: EnsineMe. 
 
 
155kΩ 
 
10kΩ 
 
1kΩ 
 
0Ω 
 
100kΩ 
 
 
 8a Questão (Ref.: 202109404833) 
javascript:alert('C%C3%B3digo da quest%C3%A3o: 5513230/n/nStatus da quest%C3%A3o: Liberada para Uso.');
javascript:alert('C%C3%B3digo da quest%C3%A3o: 5692945/n/nStatus da quest%C3%A3o: Liberada para Uso.');
Para o amplificador inversor da figura a seguir, determine a tensão na saída: 
 
Fonte: Raphael de Souza dos Santos. 
 
 
0A 
 
-0,25V 
 
-2,5mV 
 
2,5mV 
 
0,25V 
 
 
 9a Questão (Ref.: 202109449841) 
Calcule o ganho do circuito amplificador da figura a seguir: 
 
Fonte: Raphael de Souza dos Santos. 
 
 
10 
 
-10 
 
1 
 
-1 
 
0 
 
 
 10a Questão (Ref.: 202109404837) 
javascript:alert('C%C3%B3digo da quest%C3%A3o: 5737953/n/nStatus da quest%C3%A3o: Liberada para Uso.');
javascript:alert('C%C3%B3digo da quest%C3%A3o: 5692949/n/nStatus da quest%C3%A3o: Liberada para Uso.');
Para o circuito da figura a seguir, determine o valor da corrente no resistor RL (IL): 
 
Fonte: Raphael de Souza dos Santos. 
 
 
-4mA 
 
0A 
 
4mA 
 
-40mA 
 
40mA

Mais conteúdos dessa disciplina