Logo Passei Direto
Buscar

03 - EXERCÍCIOS DE RESISTÊNCIA DOS MATERIAIS

Ferramentas de estudo

Questões resolvidas

Calcule a deformação sofrida por um corpo de 150 mm de comprimento, que após um ensaio de tração passou a apresentar 153 mm de comprimento. Expresse a resposta de forma percentual.

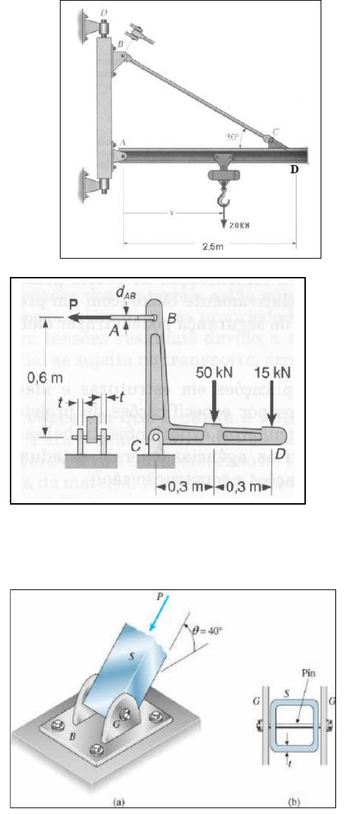
A estrutura da figura é formada por uma haste BC e uma viga AD, rotulada em A, suportando uma talha que pode mover-se ao longo da mesa inferior da viga, percorrendo o espaço de 0,2m= x =2,5m. A talha é projetada para suportar uma carga máxima de 20KN. A haste BC está devidamente reforçada nos pontos de ligação com os pinos B e C, e é feita de aço com 25mm de diâmetro e com as seguintes características mecânicas: E=200GPa e σY=250MPa. Pede-se, quando a carga se encontrar no seu ponto crítico em relação à haste: a) A tensão normal média na haste BC; b) A tensão de cisalhamento no pino B, de 15mm de diâmetro;

O sistema da figura é composto de uma alavanca rígida BCD, onde são aplicadas duas forças, conforme indicado na figura ao lado. Pede-se: a) Sabendo-se que a barra de controle AB é feita de aço com tensão última de 600MPa, determinar o diâmetro da barra para que o coeficiente de segurança seja de 3,0. b) O pino no ponto C é feito de aço com tensão última a cisalhamento de 350MPa. Determinar o diâmetro do pino C, utilizando um coeficiente de segurança de 3,5. c) Determinar a espessura necessária das chapas de apoio em C, sabendo-se que a tensão admissível para esmagamento do aço utilizado é de 250MPa.

Um apoio de aço S servindo como base para um guindaste de barco transmite uma força P=60KN para o deck de um píer, conforme figura ao lado. O apoio tem seção transversal quadrada e vazada com espessura t=12mm. Um pino, com diâmetro dpi=18mm fixa o suporte ao apoio GG, com espessura tG=15mm, que por sua vez é soldado à placa de base B, com espessura tB=8mm. A placa B é fixa ao deck através de quatro parafusos de diâmetro dpa=10mm. Pede-se: a) a tensão de cisalhamento no pino; b) a tensão de esmagamento entre o pino e o suporte GG; c) a tensão de cisalhamento nos parafusos de ancoragem (despreze o atrito entre a placa de base e o deck).

Duas barras cilíndricas AC e CD são soldadas em C e estão sujeitas ao carregamento mostrado. Sendo a tensão última do material igual a 400MPa, pede-se: a) a tensão normal média das porções AB, BC e CD; b) o coeficiente de segurança global para o conjunto.

A força P=15KN é aplicada no ponto C da alavanca da figura. Pede-se: a) Determinar o diâmetro necessário para o cabo BD, com um coeficiente de segurança igual a 4,0, sabendo-se que ele é feito de aço, com tensão última de 300MPa. b) Determinar o diâmetro do pino do apoio A, com um coeficiente de segurança de 3,0, se ele é feito de aço, com tensão última ao cisalhamento de 150MPa. c) Determinar a espessura t necessária para as chapas de apoio em A, para uma tensão admissível ao esmagamento do material utilizado de 60MPa.

Uma força de tração de 9kN vai ser aplicada a um fio de aço de 50m de comprimento. Determine o menor diâmetro a ser adotado para o fio, se a tensão normal não pode exceder a 150 MPa e a deformação do fio deve ser no máximo de 25mm. Considerar E= 200 GPa. (Resposta: d = 10,70mm)

Duas barras de 36mm de diâmetro, ABC de aço e CD de bronze, são ligadas em C e formando a barra ABCD de 7,5m de comprimento. Determinar, para a carga aplicada e desprezando o peso da barra, os deslocamentos: a) da seção C; b) da seção D. (Resposta: a) dC = 2,95mm ; b) dD = 5,29 mm)

A haste ABCD é feita de alumínio com E = 70 GPa. Determine, para as cargas indicadas, desprezando o peso próprio: a) o deslocamento da seção B; b) o deslocamento da seção D. (Resposta: a) dB = 0,781mm ; b) dD = 5,71mm)

Um trecho de um tubo de alumínio de 1,2m e seção transversal de área igual a 1100 mm2 está apoiado em um suporte fixo em A. Uma barra de aço BC de 15mm de diâmetro está pendurada em uma placa rígida que se apoia sobre o tubo, em B. Considerando Eaço = 200GPa e EAl = 70GPa, calcular o deslocamento da seção C quando P = 60kN. (Resposta: d = 4,5 mm)

Uma haste de aço com módulo de elasticidade de 210.000MPa, 3m de comprimento e seção transversal quadrada com 10mm de lado, quando carregada com um esforço axial de tração de 8.400N, sofre um alongamento, em mm, igual a: (A) 0,3 (B) 0,6 (C) 0,9 (D) 1,2 (E) 1,5

Sabendo que a seção transversal da alma de cada parafuso é de 600 mm2, o número mínimo de parafusos é de:

(A) 24
(B) 25
(C) 26
(D) 27
(E) 28

Qual a tensão normal, devido à compressão, em MPa, na haste do atuador hidráulico?

(A) 33/π
(B) 3(7/2)/ π
(C) 34/π
(D) 3(9/2)/ π
(E) 35/π

Considere as forças F1 e F2, em N, respectivamente iguais a 2.600 e 1.400. Qual a tensão normal, devido a esforço axial, em MPa, na seção transversal da parte B?

(A) 12/π
(B) 14/π
(C) 20/π
(D) 26/π
(E) 40/π

A tensão normal, devido à aplicação de um momento fletor de 30.000 N.mm, em uma seção transversal retangular com 10 mm de base e 20 mm de altura, em MPa, é igual a:

(A) 45
(B) 90
(C) 135
(D) 180
(E) 225

Sabendo-se que a carga máxima a ser aplicada na garra C é de P=2KN e que o aço a ser utilizado na construção de todas as peças tem as seguintes características mecânicas: E=200GPa, σU=400MPa e τU=240MPa. Pede-se determinar: a) o diâmetro necessário para o pino da articulação B, submetido a corte duplo, utilizando um coeficiente de segurança igual a 4,0 em relação ao cisalhamento; b) o diâmetro necessário para a haste do cilindro hidráulico BD, utilizando um coeficiente de segurança igual a 5,0 em relação à tensão normal.

Material
páginas com resultados encontrados.
páginas com resultados encontrados.
details

Libere esse material sem enrolação!

Craque NetoCraque Neto

Ao continuar, você aceita os Termos de Uso e Política de Privacidade

details

Libere esse material sem enrolação!

Craque NetoCraque Neto

Ao continuar, você aceita os Termos de Uso e Política de Privacidade

details

Libere esse material sem enrolação!

Craque NetoCraque Neto

Ao continuar, você aceita os Termos de Uso e Política de Privacidade

details

Libere esse material sem enrolação!

Craque NetoCraque Neto

Ao continuar, você aceita os Termos de Uso e Política de Privacidade

details

Libere esse material sem enrolação!

Craque NetoCraque Neto

Ao continuar, você aceita os Termos de Uso e Política de Privacidade

details

Libere esse material sem enrolação!

Craque NetoCraque Neto

Ao continuar, você aceita os Termos de Uso e Política de Privacidade

Questões resolvidas

Calcule a deformação sofrida por um corpo de 150 mm de comprimento, que após um ensaio de tração passou a apresentar 153 mm de comprimento. Expresse a resposta de forma percentual.

A estrutura da figura é formada por uma haste BC e uma viga AD, rotulada em A, suportando uma talha que pode mover-se ao longo da mesa inferior da viga, percorrendo o espaço de 0,2m= x =2,5m. A talha é projetada para suportar uma carga máxima de 20KN. A haste BC está devidamente reforçada nos pontos de ligação com os pinos B e C, e é feita de aço com 25mm de diâmetro e com as seguintes características mecânicas: E=200GPa e σY=250MPa. Pede-se, quando a carga se encontrar no seu ponto crítico em relação à haste: a) A tensão normal média na haste BC; b) A tensão de cisalhamento no pino B, de 15mm de diâmetro;

O sistema da figura é composto de uma alavanca rígida BCD, onde são aplicadas duas forças, conforme indicado na figura ao lado. Pede-se: a) Sabendo-se que a barra de controle AB é feita de aço com tensão última de 600MPa, determinar o diâmetro da barra para que o coeficiente de segurança seja de 3,0. b) O pino no ponto C é feito de aço com tensão última a cisalhamento de 350MPa. Determinar o diâmetro do pino C, utilizando um coeficiente de segurança de 3,5. c) Determinar a espessura necessária das chapas de apoio em C, sabendo-se que a tensão admissível para esmagamento do aço utilizado é de 250MPa.

Um apoio de aço S servindo como base para um guindaste de barco transmite uma força P=60KN para o deck de um píer, conforme figura ao lado. O apoio tem seção transversal quadrada e vazada com espessura t=12mm. Um pino, com diâmetro dpi=18mm fixa o suporte ao apoio GG, com espessura tG=15mm, que por sua vez é soldado à placa de base B, com espessura tB=8mm. A placa B é fixa ao deck através de quatro parafusos de diâmetro dpa=10mm. Pede-se: a) a tensão de cisalhamento no pino; b) a tensão de esmagamento entre o pino e o suporte GG; c) a tensão de cisalhamento nos parafusos de ancoragem (despreze o atrito entre a placa de base e o deck).

Duas barras cilíndricas AC e CD são soldadas em C e estão sujeitas ao carregamento mostrado. Sendo a tensão última do material igual a 400MPa, pede-se: a) a tensão normal média das porções AB, BC e CD; b) o coeficiente de segurança global para o conjunto.

A força P=15KN é aplicada no ponto C da alavanca da figura. Pede-se: a) Determinar o diâmetro necessário para o cabo BD, com um coeficiente de segurança igual a 4,0, sabendo-se que ele é feito de aço, com tensão última de 300MPa. b) Determinar o diâmetro do pino do apoio A, com um coeficiente de segurança de 3,0, se ele é feito de aço, com tensão última ao cisalhamento de 150MPa. c) Determinar a espessura t necessária para as chapas de apoio em A, para uma tensão admissível ao esmagamento do material utilizado de 60MPa.

Uma força de tração de 9kN vai ser aplicada a um fio de aço de 50m de comprimento. Determine o menor diâmetro a ser adotado para o fio, se a tensão normal não pode exceder a 150 MPa e a deformação do fio deve ser no máximo de 25mm. Considerar E= 200 GPa. (Resposta: d = 10,70mm)

Duas barras de 36mm de diâmetro, ABC de aço e CD de bronze, são ligadas em C e formando a barra ABCD de 7,5m de comprimento. Determinar, para a carga aplicada e desprezando o peso da barra, os deslocamentos: a) da seção C; b) da seção D. (Resposta: a) dC = 2,95mm ; b) dD = 5,29 mm)

A haste ABCD é feita de alumínio com E = 70 GPa. Determine, para as cargas indicadas, desprezando o peso próprio: a) o deslocamento da seção B; b) o deslocamento da seção D. (Resposta: a) dB = 0,781mm ; b) dD = 5,71mm)

Um trecho de um tubo de alumínio de 1,2m e seção transversal de área igual a 1100 mm2 está apoiado em um suporte fixo em A. Uma barra de aço BC de 15mm de diâmetro está pendurada em uma placa rígida que se apoia sobre o tubo, em B. Considerando Eaço = 200GPa e EAl = 70GPa, calcular o deslocamento da seção C quando P = 60kN. (Resposta: d = 4,5 mm)

Uma haste de aço com módulo de elasticidade de 210.000MPa, 3m de comprimento e seção transversal quadrada com 10mm de lado, quando carregada com um esforço axial de tração de 8.400N, sofre um alongamento, em mm, igual a: (A) 0,3 (B) 0,6 (C) 0,9 (D) 1,2 (E) 1,5

Sabendo que a seção transversal da alma de cada parafuso é de 600 mm2, o número mínimo de parafusos é de:

(A) 24
(B) 25
(C) 26
(D) 27
(E) 28

Qual a tensão normal, devido à compressão, em MPa, na haste do atuador hidráulico?

(A) 33/π
(B) 3(7/2)/ π
(C) 34/π
(D) 3(9/2)/ π
(E) 35/π

Considere as forças F1 e F2, em N, respectivamente iguais a 2.600 e 1.400. Qual a tensão normal, devido a esforço axial, em MPa, na seção transversal da parte B?

(A) 12/π
(B) 14/π
(C) 20/π
(D) 26/π
(E) 40/π

A tensão normal, devido à aplicação de um momento fletor de 30.000 N.mm, em uma seção transversal retangular com 10 mm de base e 20 mm de altura, em MPa, é igual a:

(A) 45
(B) 90
(C) 135
(D) 180
(E) 225

Sabendo-se que a carga máxima a ser aplicada na garra C é de P=2KN e que o aço a ser utilizado na construção de todas as peças tem as seguintes características mecânicas: E=200GPa, σU=400MPa e τU=240MPa. Pede-se determinar: a) o diâmetro necessário para o pino da articulação B, submetido a corte duplo, utilizando um coeficiente de segurança igual a 4,0 em relação ao cisalhamento; b) o diâmetro necessário para a haste do cilindro hidráulico BD, utilizando um coeficiente de segurança igual a 5,0 em relação à tensão normal.

Prévia do material em texto

<p>1</p><p>EXERCÍCIO DE RESISTÊNCIA DOS MATERIAIS</p><p>1- Calcule a deformação sofrida por um corpo de 150 mm de comprimento, que após um ensaio de</p><p>tração passou a apresentar 153 mm de comprimento. Expresse a resposta de</p><p>forma percentual.</p><p>2. A estrutura da figura é formada por uma haste BC e</p><p>uma viga AD, rotulada em A, suportando uma talha</p><p>que pode mover-se ao longo da mesa inferior da</p><p>viga, percorrendo o espaço de 0,2m= x =2,5m. A</p><p>talha é projetada para suportar uma carga máxima de</p><p>20KN. A haste BC está devidamente reforçada nos</p><p>pontos de ligação com os pinos B e C, e é feita de</p><p>aço com 25mm de diâmetro e com as seguintes</p><p>características mecânicas: E=200GPa e σY=250MPa .</p><p>Pede-se, quando a carga se encontrar no seu ponto crítico</p><p>em relação à haste:</p><p>a) A tensão normal média na haste BC;</p><p>b) A tensão de cisalhamento no pino B, de 15mm</p><p>de diâmetro;</p><p>3. O sistema da figura é composto</p><p>de uma alavanca rígida BCD, onde são</p><p>aplicadas duas forças, conforme indicado</p><p>na figura ao lado. Pede-se:</p><p>a) Sabendo-se que a barra de controle AB</p><p>é feita de aço com tensão última de 600MPa,</p><p>determinar o diâmetro da barra para que o</p><p>coeficiente de segurança seja de 3,0.</p><p>b) O pino no ponto C é feito de aço com</p><p>tensão última a cisalhamento de</p><p>350MPa. Determinar o diâmetro do pino</p><p>C, utilizando um coeficiente de</p><p>segurança de 3,5.</p><p>c) Determinar a espessura necessária das chapas de apoio em C, sabendo-se que a tensão admissível</p><p>para esmagamento do aço utilizado é de 250MPa.</p><p>4) Um apoio de aço S servindo como base</p><p>para um guindaste de barco transmite uma</p><p>força P=60KN para o deck de um píer,</p><p>conforme figura ao lado. O apoio tem seção</p><p>transversal quadrada e vazada com espessura</p><p>t=12mm. Um pino, com diâmetro dpi=18mm</p><p>fixa o suporte ao apoio GG, com espessura</p><p>tG=15mm, que por sua vez é soldado à placa</p><p>de base B, com espessura tB=8mm. A placa</p><p>B é fixa ao deck através de quatro</p><p>parafusos de diâmetro dpa=10mm.</p><p>Pede-se:</p><p>a) a tensão de cisalhamento no pino;</p><p>b) a tensão de esmagamento entre o pino e o suporte GG;</p><p>c) a tensão de cisalhamento nos parafusos de ancoragem (despreze o atrito entre a placa de base e o</p><p>deck).</p><p>2</p><p>5) Duas barras cilíndricas AC e CD são</p><p>soldadas em C e estão sujeitas ao</p><p>carregamento mostrado. Sendo a tensão última</p><p>do material igual a 400MPa, pede-se:</p><p>a) a tensão normal média das porções AB, BC</p><p>e CD;</p><p>b) o coeficiente de segurança global para o</p><p>conjunto.</p><p>6) Cada uma das quatro hastes de ligação</p><p>verticais, conectadas às duas barras horizontais,</p><p>tem uma seção transversal retangular uniforme</p><p>de 10x40mm e são feitas de aço com uma tensão</p><p>última de 400MPa, enquanto cada um dos pinos</p><p>C e F é feito de aço, com 14mm de diâmetro, e</p><p>tensão última de cisalhamento de 150MPa.</p><p>Sendo a carga aplicada em G de 24KN, pede-se</p><p>a) a tensão máxima na haste CF;</p><p>b) a tensão de cisalhamento média nos</p><p>pinos C e F;</p><p>c) o coeficiente de segurança para haste</p><p>CF, para os pinos C e F e o coeficiente de</p><p>segurança global para este conjunto de</p><p>hastes/pinos.</p><p>6 5</p><p>3</p><p>7) A força P=15KN é aplicada no ponto C da</p><p>alavanca da figura. Pede-se:</p><p>a) Determinar o diâmetro necessário para o cabo BD,</p><p>com um coeficiente de segurança igual a 4,0,</p><p>sabendo-se que ele é feito de aço, com tensão</p><p>última de 300MPa.</p><p>b) Determinar o diâmetro do pino do apoio A, com</p><p>um coeficiente de segurança de 3,0, se ele é feito</p><p>de aço, com tensão última ao cisalhamento de</p><p>150MPa.</p><p>c) Determinar a espessura t necessária para as chapas</p><p>de apoio em A, para uma tensão admissível ao</p><p>esmagamento do material utilizado de 60MPa.</p><p>15) As barras AB e BC têm diâmetros de 25mm e de 18mm respectivamente. Se uma força P = 6kN é aplicada</p><p>ao anel em B, determinar a tensão normal em cada uma das barras quando θ for igual a 60º. (Resposta: σAB =</p><p>21,2 MPa e σBC = 23,6 MPa)</p><p>16) Duas barras de alumínio AB e AC têm, respectivamente, diâmetros iguais a 10mm e 8mm.</p><p>Determinar a maior força vertical P que pode ser aplicada ao conjunto como mostrado na figura. A</p><p>tensão normal admissível para o alumínio vale 150 MPa. (Resposta: 7,54 kN)</p><p>17) Dois cabos de aço AB e AC são usados para suportar a força P indicada na figura. Se ambos</p><p>cabos têm tensão admissível à tração igual a 200 MPa, determinar o diâmetro mínimo necessário para cada um</p><p>desses cabos quando P = 5 kN. (Resposta: dAB = 5,26mm e dAC = 5,48mm)</p><p>18) Uma lâmpada com massa igual a 80 kg é suportada por duas barras AB e BC como mostrado na figura. Se</p><p>barra AB tem diâmetro de 10mm e a barra BC de 8 mm, determinar que barra está sujeita a maior tensão</p><p>normal. Considerar g = 9,81 m/s2. (Resposta: Barra AB - σAB = 8,05 MPa)</p><p>15 16</p><p>17 18</p><p>4</p><p>1) Em uma barra de alumínio de 12mm de diâmetro são feitas duas marcas distanciadas de 250mm.</p><p>Determinar o módulo de elasticidade longitudinal do alumínio usado, se para uma força de 6000N a</p><p>distância entre estas duas marcas é de 250,18mm. (Resposta: E = 73,7 GPa)</p><p>2) Uma força de tração de 9kN vai ser aplicada a um fio de aço de 50m de comprimento. Determine</p><p>o menor diâmetro a ser adotado para o fio, se a tensão normal não pode exceder a 150 MPa e a</p><p>deformação do fio deve ser no máximo de 25mm. Considerar E= 200 GPa. (Resposta: d = 10,70mm)</p><p>3) Duas barras de 36mm de diâmetro, ABC de aço e CD de bronze, são ligadas em C e formando a</p><p>barra ABCD de 7,5m de comprimento. Determinar, para a carga aplicada e desprezando o peso da</p><p>barra, os deslocamentos: a) da seção C; b) da seção D.</p><p>(Resposta: a) dC = 2,95mm ; b) dD = 5,29 mm)</p><p>4) A haste ABCD é feita de alumínio com E = 70 GPa. Determine, para as cargas indicadas,</p><p>desprezando o peso próprio: a) o deslocamento da seção B; b) o deslocamento da seção D. (Resposta:</p><p>a) dB = 0,781mm ; b) dD = 5,71mm )</p><p>5) Um trecho de um tubo de alumínio de 1,2m e seção transversal de área igual a 1100 mm2 está</p><p>apoiado em um suporte fixo em A. Uma barra de aço BC de 15mm de diâmetro está pendurada em</p><p>uma placa rígida que se apoia sobre o tubo, em B. Considerando Eaço = 200GPa e EAl = 70GPa,</p><p>calcular o deslocamento da seção C quando P = 60kN. (Resposta: d = 4,5 mm)</p><p>7</p><p>5</p><p>1 (transpetro 3-2006)</p><p>Uma haste de aço com módulo de elasticidade</p><p>de 210.000MPa, 3m de comprimento e seção</p><p>transversal quadrada com 10mm de lado,</p><p>quando carregada com um esforço axial de</p><p>tração de 8.400N, sofre um alongamento,</p><p>em mm, igual a:</p><p>(A) 0,3 (B) 0,6</p><p>(C) 0,9 (D) 1,2 (E) 1,5</p><p>2 (transpetro 3-2006)</p><p>A tensão nos parafusos do flange de uma</p><p>tubulação com 400 mm de diâmetro interno,</p><p>com líquido a uma pressão de</p><p>1200 kPa, não deve exceder a 10 MPa, além</p><p>do aperto do parafuso. Sabendo que a seção</p><p>transversal da alma de cada parafuso é de 600</p><p>mm2, o número mínimo de parafusos é de:</p><p>(A) 24 (B) 25 (C) 26 (D) 27 (E) 28</p><p>5- (petrobras 2005)</p><p>Observe a figura abaixo que representa um</p><p>guincho composto por uma coluna, uma lança,</p><p>um atuador hidráulico e pinos</p><p>nas articulações.</p><p>Qual a tensão normal, devido à compressão,</p><p>em MPa, na</p><p>haste do atuador hidráulico?</p><p>(A) 33/π (B) 3(7/2)/ π</p><p>(C) 34/π (D) 3(9/2)/ π (E) 35/π</p><p>6-Qual a tensão de cisalhamento, devido ao</p><p>esforço cortante, em MPa, no pino entre o</p><p>atuador hidráulico e a lança ?</p><p>(A) 3 √3 /π (B) 6 √3 /π</p><p>(C) 9 √3 /π (D) 12 √3 /π (E) 27 √3 /π</p><p>3 (petrobras 2005)</p><p>Considere as forças F1 e F2, em N,</p><p>respectivamente iguais</p><p>a 2.600 e 1.400. Qual a tensão normal, devido</p><p>a esforço axial, em MPa, na seção transversal</p><p>da parte B?</p><p>(A) 12/π (B) 14/π</p><p>(C) 20/π (D) 26/π (E) 40/π</p><p>4 - Considere as forças F1 e F2, em N,</p><p>respectivamente iguais a 1600 e 2400.</p><p>Qual a tensão normal, devida a esforço axial,</p><p>em</p><p>MPa, na seção transversal da parte A?</p><p>(A) 16/9 (B) 24/3</p><p>(C) 24/9 (D) 40/3 (E) 40/9</p><p>5 (petrobras 2005)</p><p>A tensão normal, devido à aplicação de um</p><p>momento fletor de 30.000 N.mm, em uma</p><p>seção transversal retangular com 10 mm de</p><p>base e 20 mm de altura, em MPa, é igual a:</p><p>(A) 45 (B) 90 (C) 135 (D) 180 (E) 225</p><p>6</p><p>1. O robô industrial da figura é rotulado em A, e tem o movimento do braço ABC comandado pelo</p><p>cilindro hidráulico de dupla ação BD.</p><p>Sabendo-se que a carga máxima a ser aplicada na</p><p>garra C é de P=2KN e que o aço a ser utilizado</p><p>na construção de todas as peças tem as seguintes</p><p>características mecânicas:</p><p>E=200GPa, σU=400MPa e τU=240MPa.</p><p>Pede-se determinar:</p><p>a) o diâmetro necessário para o pino da articulação B,</p><p>submetido a corte duplo, utilizando um coeficiente</p><p>de segurança igual a 4,0 em relação ao cisalhamento;</p><p>b) o diâmetro necessário para a haste do</p><p>cilindro hidráulico BD, utilizando um</p><p>coeficiente de segurança igual a 5,0 em</p><p>relação à tensão normal.</p>

Mais conteúdos dessa disciplina