Logo Passei Direto
Buscar
Material
páginas com resultados encontrados.
páginas com resultados encontrados.
details

Libere esse material sem enrolação!

Craque NetoCraque Neto

Ao continuar, você aceita os Termos de Uso e Política de Privacidade

details

Libere esse material sem enrolação!

Craque NetoCraque Neto

Ao continuar, você aceita os Termos de Uso e Política de Privacidade

details

Libere esse material sem enrolação!

Craque NetoCraque Neto

Ao continuar, você aceita os Termos de Uso e Política de Privacidade

details

Libere esse material sem enrolação!

Craque NetoCraque Neto

Ao continuar, você aceita os Termos de Uso e Política de Privacidade

Prévia do material em texto

Pincel Atômico - 24/02/2026 09:57:52 1/4
ALINE BARCELOS
PESSANHA
Avaliação Online (SALA EAD) - Capitulos/Referencias 1,2,3
Atividade finalizada em 10/02/2026 11:46:21 (5905729 / 1)
LEGENDA
Resposta correta na questão
# Resposta correta - Questão Anulada
X Resposta selecionada pelo Aluno
Disciplina:
MECÂNICA DOS SÓLIDOS I [1102231] - Avaliação com 5 questões, com o peso total de 15,00 pontos [capítulos - 1,2,3]
Turma:
Graduação: ENGENHARIA DE PRODUÇÃO - Grupo: AGOSTO/2024 - ENGPROD/24 [122615]
Aluno(a):
91897379 - ALINE BARCELOS PESSANHA - Respondeu 3 questões corretas, obtendo um total de 9,00 pontos como nota
[361742_185123]
Questão
001
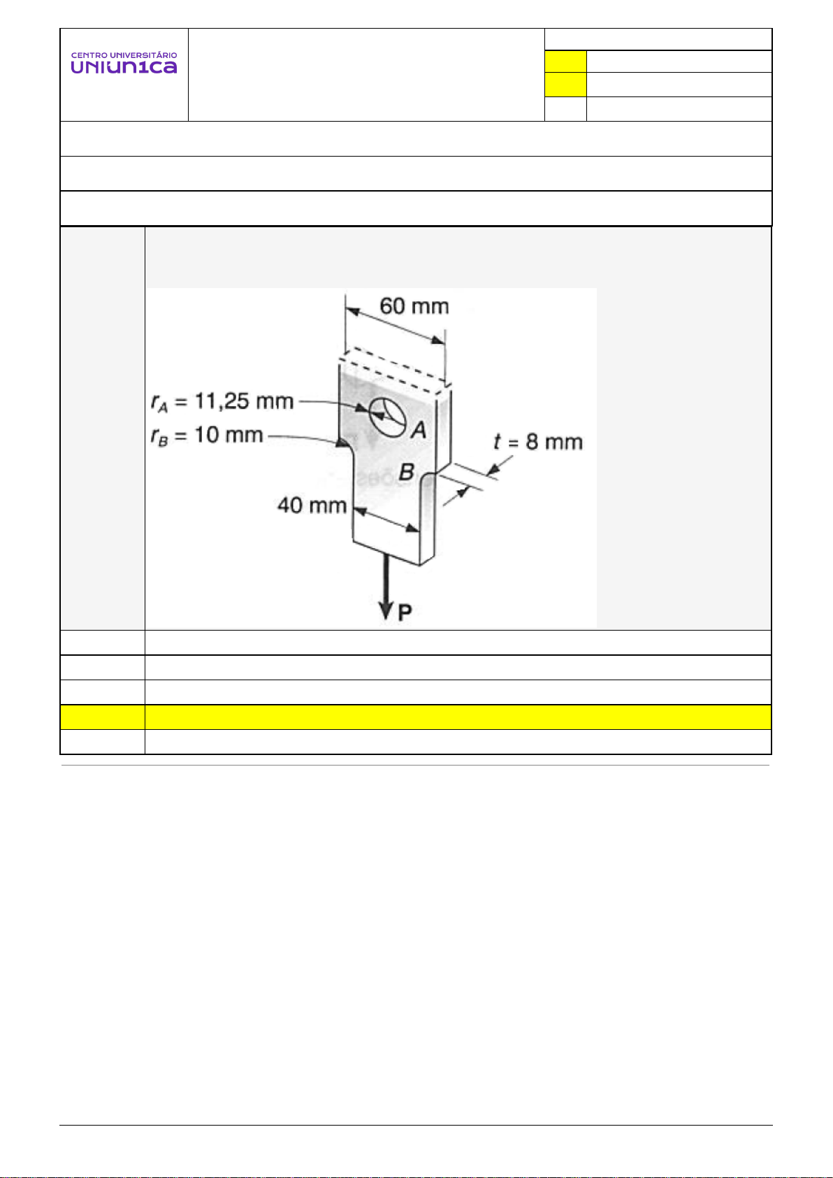
(Adaptada de BEER, 1995). Uma força axial e centrada, de intensidade P=40 kN, é
aplicado a barra de aço mostrada. Determinar o máximo valor da atenção normal em
A e em b.
(a)582 Mpa (b)3,25 MPa
(a)3,25 Mpa (b)2,96 MPa
(a)2,96 Mpa (b)2,02 MPa
X (a)296 Mpa (b)202 MPa
(a)325 Mpa (b)404 MPa
Pincel Atômico - 24/02/2026 09:57:52 2/4
[361742_184929]
Questão
002
(Adaptada de Mecânica dos Sólidos, PUCRS). Um guindaste montado em um
caminhão é utilizado para erguer um compressor de 3 kN. O peso da lança AB e do
caminhão estão indicados na figura abaixo, e o ângulo que a lança faz com a
horizontal α é de 45º. Determine a reação em cada uma das rodas: (a) traseiras C e
dianteiras D.
 
RC=19645 kN e RD=25000 kN
RC=26250 kN e RD=9605 kN
RC=19645 kN e RD=9605 kN
X RC=9605 e RD=19645 kN
RC=26250 kN e RD=25000 kN
[361742_184938]
Questão
003
(Adaptado de Petrobrás, 2005). Observe a figura abaixo que representa um guincho
composto por uma coluna, uma lança, um atuador hidráulico e pinos nas
articulações.
Qual a atenção de cisalhamento, devido ao esforço cortante em megapascal (MPa),
no pino entre o atuador hidráulico e a lança?
Pincel Atômico - 24/02/2026 09:57:52 3/4
X
[361743_184571]
Questão
004
A peça fundida a seguir é feita de aço, cujo peso específico é 80 kN/m³.
Autor (2019)
É correto afirmar que a tensão de compressão média que age no ponto A será de:
24 kPa
84 kPa
X 64 kPa
34 kPa
4 kPa
Pincel Atômico - 24/02/2026 09:57:52 4/4
[361744_184541]
Questão
005
O mancal de encosto está sujeito às cargas mostradas. Determine a tensão normal
média desenvolvida nas seções transversais que passam pelos pontos A, B e C.
Fonte: autor (2019)
A= 8,13 MPa; B=2,28 MPa ; C=1,98 MPa
A= 189,13 MPa; B=122,28 MPa ; C=116,98 MPa
A= 9,13 MPa; B=2,28 MPa ; C=6,98 MPa
A= 8913 MPa; B=2228 MPa ; C=1698 MPa
X A= 89,13 MPa; B=22,28 MPa ; C=16,98 MPa

Mais conteúdos dessa disciplina