Logo Passei Direto
Buscar

bosch_ksu44_training_manual1

Ferramentas de estudo

Material
páginas com resultados encontrados.
páginas com resultados encontrados.
left-side-bubbles-backgroundright-side-bubbles-background

Crie sua conta grátis para liberar esse material. 🤩

Já tem uma conta?

Ao continuar, você aceita os Termos de Uso e Política de Privacidade

Prévia do material em texto

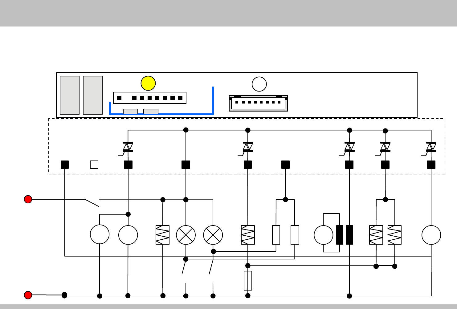
��iagramas��létricos
�iagrama��lectrico - Terminal�A:
1
B
1
A
1 2 3 4 5 6 7 8 9
R�f�r��c��
P��rt�
VC R R
�
N
Compr��or
M�cromotor
Fl�p
R����t��c��
mol��r�
fl�p
�ámp�r� �ámp�r�
I�t�rr�ptor
P��rt�
I�t�rr�ptor
P��rt�
R����tê�c��
Ev�por��or
R����t��c��
����l��r��o
R����t��c��
��cto c�l���t�
V��t�l��or
I�t�rr�ptor
pr��c�p�l
�
Tr���form��or
Prot�ctor
�térm�co
El�ctró��co
�z�l ��gro m�rró� v�ol�t� bl��co rojo gr�� ro��
VC
��V��t�l��or
Compr��or

Mais conteúdos dessa disciplina