Logo Passei Direto
Buscar

Ferramentas de estudo

Questões resolvidas

Um capacitor plano de capacitância 6 μF recebe uma carga elétrica de 25 μC.
Determine: a. a ddp (tensão) U entre as armaduras do capacitor; b. a energia potencial elétrica armazenada no capacitor.

Um capacitor de 150 μF é conectado a uma fonte de tensão de 110 V.
Calcule a carga elétrica adquirida por um capacitor de 150 μF, quando conectado a uma fonte de tensão de 110 V.

Um capacitor de 9,0 · 10–6 F é sujeito a uma diferença de potencial de 50 V.
Determine a carga que ele acumulou.

Dois capacitores, C1 = 25 µF e C2 = 15 µF, inicialmente descarregados, são associados e ligados a um gerador ideal de 12 V.
Determine a carga elétrica e a ddp (tensão) em cada capacitor se eles estão associados em série.

Material
páginas com resultados encontrados.
páginas com resultados encontrados.
left-side-bubbles-backgroundright-side-bubbles-background

Crie sua conta grátis para liberar esse material. 🤩

Já tem uma conta?

Ao continuar, você aceita os Termos de Uso e Política de Privacidade

Questões resolvidas

Um capacitor plano de capacitância 6 μF recebe uma carga elétrica de 25 μC.
Determine: a. a ddp (tensão) U entre as armaduras do capacitor; b. a energia potencial elétrica armazenada no capacitor.

Um capacitor de 150 μF é conectado a uma fonte de tensão de 110 V.
Calcule a carga elétrica adquirida por um capacitor de 150 μF, quando conectado a uma fonte de tensão de 110 V.

Um capacitor de 9,0 · 10–6 F é sujeito a uma diferença de potencial de 50 V.
Determine a carga que ele acumulou.

Dois capacitores, C1 = 25 µF e C2 = 15 µF, inicialmente descarregados, são associados e ligados a um gerador ideal de 12 V.
Determine a carga elétrica e a ddp (tensão) em cada capacitor se eles estão associados em série.

Prévia do material em texto

Lista de Exercícios 
 
01) Um capacitor plano de capacitância 6 μF recebe uma carga elétrica de 25 
μC. Determine: 
 
a. a ddp ( tensão) U entre as armaduras do capacitor; 
b. a energia potencial elétrica armazenada no capacitor. 
 
02) Calcule a carga elétrica adquirida por um capacitor de 150 μF, quando 
conectado a uma fonte de tensão de 110 V. 
 
03) Um capacitor de 9,0 · 10–6 F é sujeito a uma diferença de potencial de 
50 V. Determine a carga que ele acumulou. 
 
04) Dois capacitores, C1 = 25 µF e C2 = 15 µF, inicialmente descarregados, 
são associados e ligados a um gerador ideal de 12 V. Determine a carga 
elétrica e a ddp (tensão) em cada capacitor se eles estão associados em série. 
 
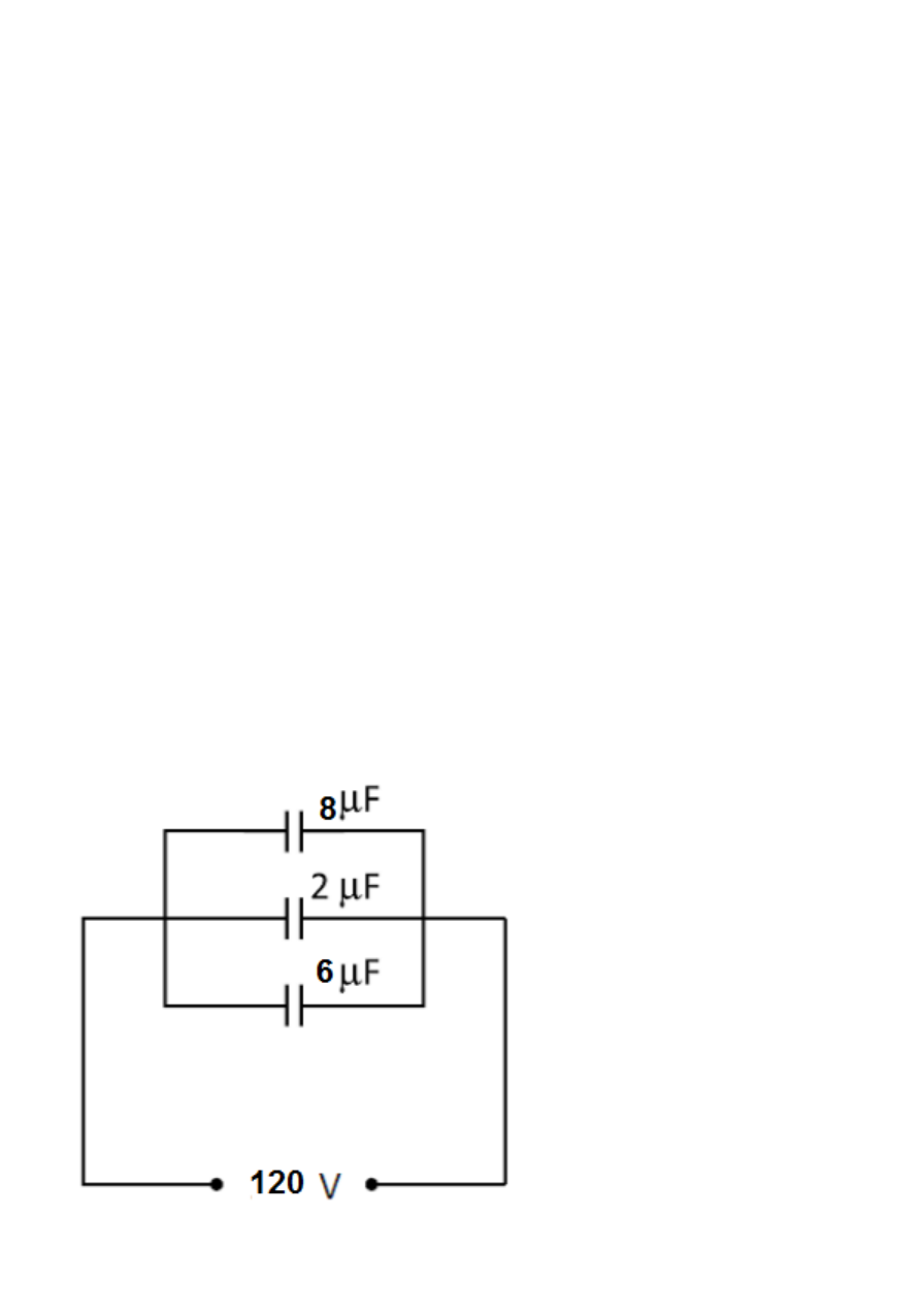
05) A figura abaixo representa uma determinada associação de capacitores: 
 
a) Encontre a capacitância equivalente da associação; 
b) Determine a carga armazenada por cada capacitor. 
c) Determine a energia potencial elétrica armazenada por cada capacitor.

Mais conteúdos dessa disciplina