Logo Passei Direto
Buscar
Material
páginas com resultados encontrados.
páginas com resultados encontrados.

Prévia do material em texto

UNIVERSIDAD SAN FRANCISCO DE QUITO 
SEGUNDO SEMESTRE 2020/2021 
 
LABORATORIO DE CIRCUITOS ELECTRICOS 
PRACTICA 4 
DISEÑO CON AMPLIFICADORES OPERACIONALES (OPAMs) 
ROBERT STEVEN REGALADO TAMAYO 
210224 
 
OBJETIVOS 
• Diseñar un circuito de acondicionamiento con amplificadores operacionales y verificar las mediciones 
experimentales mediante técnicas de análisis de circuitos. 
 
PRELABORATORIO 
1. Diseñar las siguientes configuraciones de amplificadores operacionales. Tomar en cuenta que los 
valores de las resistencias de sus diseños deben ser comerciales. 
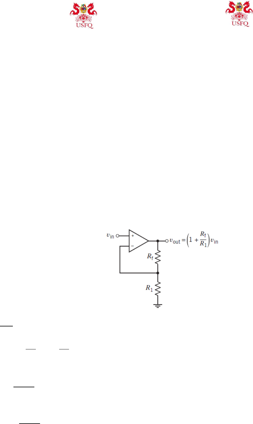
Amplificador no inversor (Ganancia 5) 
 
𝑣𝑜𝑢𝑡
𝑣𝑖𝑛
= 5 
5 = 1 +
𝑅𝑓
𝑅𝑖𝑛
→ 4 =
𝑅𝑓
𝑅𝑖𝑛
 
Asumo 𝑅𝑓 = 7.2 𝐾Ω 
4 =
7.2 𝐾Ω
𝑅𝑖𝑛
 
Por lo tanto: 
𝑅𝑖𝑛 =
7.2 𝐾Ω
4
= 1.8𝐾Ω 
UNIVERSIDAD SAN FRANCISCO DE QUITO 
SEGUNDO SEMESTRE 2020/2021 
 
Ganancia Real: 
𝑣𝑜𝑢𝑡
𝑣𝑖𝑛
=
𝑅𝑓
𝑅𝑖𝑛
=
7.2 𝐾Ω
1.8𝐾Ω
= 5 
 
Amplificador inversor (Ganancia 5) 
 
𝑣𝑜𝑢𝑡
𝑣𝑖𝑛
= 5 
5 = −
𝑅𝑓
𝑅𝑖𝑛
 
Asumo 𝑅𝑓 = 7.2 𝐾Ω 
5 = −
7.2 𝐾Ω
𝑅𝑖𝑛
 
Por lo tanto: 
𝑅𝑖𝑛 = −
7.2 𝐾Ω
5
= 1440 ≅ 1.5𝐾Ω 
Ganancia Real: 
𝑣𝑜𝑢𝑡
𝑣𝑖𝑛
=
𝑅𝑓
𝑅𝑖𝑛
=
7.2 𝐾Ω
1.5𝐾Ω
= 4.8 
 
UNIVERSIDAD SAN FRANCISCO DE QUITO 
SEGUNDO SEMESTRE 2020/2021 
 
Amplificador sumador inversor: 
 
Ganancia 1 (1): 
𝑣𝑜𝑢𝑡
𝑣𝑖𝑛
= 1 
1 = −
𝑅𝑓
𝑅1
 
Asumo 𝑅𝑓 = 3.3 𝐾Ω 
1 = −
3.3𝐾Ω
𝑅1
 
Por lo tanto: 
𝑅1 = −
3.3 𝐾Ω
1
= 3.3𝐾Ω 
Ganancia 2 (3.3): 
𝑣𝑜𝑢𝑡
𝑣𝑖𝑛
= 3.3 
1 = −
𝑅𝑓
𝑅2
 
3.3 = −
3.3 𝐾Ω
𝑅2
 
Por lo tanto: 
𝑅2 = −
3.3 𝐾Ω
3.3
= 1𝐾Ω 
 
UNIVERSIDAD SAN FRANCISCO DE QUITO 
SEGUNDO SEMESTRE 2020/2021 
 
PARTE 2 
2. Diseñar la siguiente configuración de amplificadores operacionales. Tomar en cuenta que los 
valores de las resistencias de sus diseños deben ser comerciales. 
 
Para el diseño tomamos el circuito de Dorf y calculamos: 
 
𝑣𝑜𝑢𝑡 =
𝑅2
𝑅1
∙ (𝑣2 − 𝑣1) =
𝑅2
𝑅1
∙ 𝑣2 −
𝑅2
𝑅1
∙ 𝑣1 
El primer caso necesitamos una ganancia 1, por lo tanto: 
𝑣𝑜𝑢𝑡
𝑣1
=
𝑅2
𝑅1
= 1 
Asumimos 𝑅1 = 1𝐾Ω 
Por lo tanto, 𝑅2 = 1𝐾Ω 
El segundo caso necesitamos una ganancia 2, por lo tanto: 
𝑣𝑜𝑢𝑡
𝑣1
=
𝑅2
𝑅1
= 2 
Asumimos 𝑅1 = 1𝐾Ω 
Por lo tanto, 𝑅2 = 2𝐾Ω, lo cual se ve reflejado como dos resistencias en serie de 𝐾Ω, o en su defecto una 
resistencia de 2.2𝐾Ω, lo cual nos da una ganancia de 2.2. 
 
UNIVERSIDAD SAN FRANCISCO DE QUITO 
SEGUNDO SEMESTRE 2020/2021 
 
 
3. Diseñar el circuito utilizando amplificadores operacionales LM741 que permita obtener una salida 
en el rango de 2.5 a 8 VDC para una entrada lineal en el rango de 0 a 1 Voltio. Utilizar valores de 
resistencias comerciales. 
Tenemos una entrada de 0 a 1 Voltio, que busca tener una salida de 2.5 a 8 Voltios. 
 
Aplicamos el siguiente diseño, dos amplificadores inversores y un amplificador inversor sumador: 
𝑅1 = 𝑅3 = 1𝐾Ω 
𝑅2 = 2.2𝐾Ω + 3.3𝐾Ω = 5.5𝐾Ω 
𝑅4 = 1𝐾Ω + 1.5𝐾Ω = 2.5𝐾Ω 
𝑅5 = 𝑅6 = 1𝐾Ω 
 
 
 
UNIVERSIDAD SAN FRANCISCO DE QUITO 
SEGUNDO SEMESTRE 2020/2021 
 
BIBLIOGRAFIA 
• DORF, Richard; SVOBODA, James Introduction to Electric Circuits: Wiley 9th Edition

Mais conteúdos dessa disciplina