Logo Passei Direto
Buscar
Material
páginas com resultados encontrados.
páginas com resultados encontrados.
left-side-bubbles-backgroundright-side-bubbles-background

Experimente o Premium!star struck emoji

Acesse conteúdos dessa e de diversas outras disciplinas.

Libere conteúdos
sem pagar

Ajude estudantes e ganhe conteúdos liberados!

left-side-bubbles-backgroundright-side-bubbles-background

Experimente o Premium!star struck emoji

Acesse conteúdos dessa e de diversas outras disciplinas.

Libere conteúdos
sem pagar

Ajude estudantes e ganhe conteúdos liberados!

Prévia do material em texto

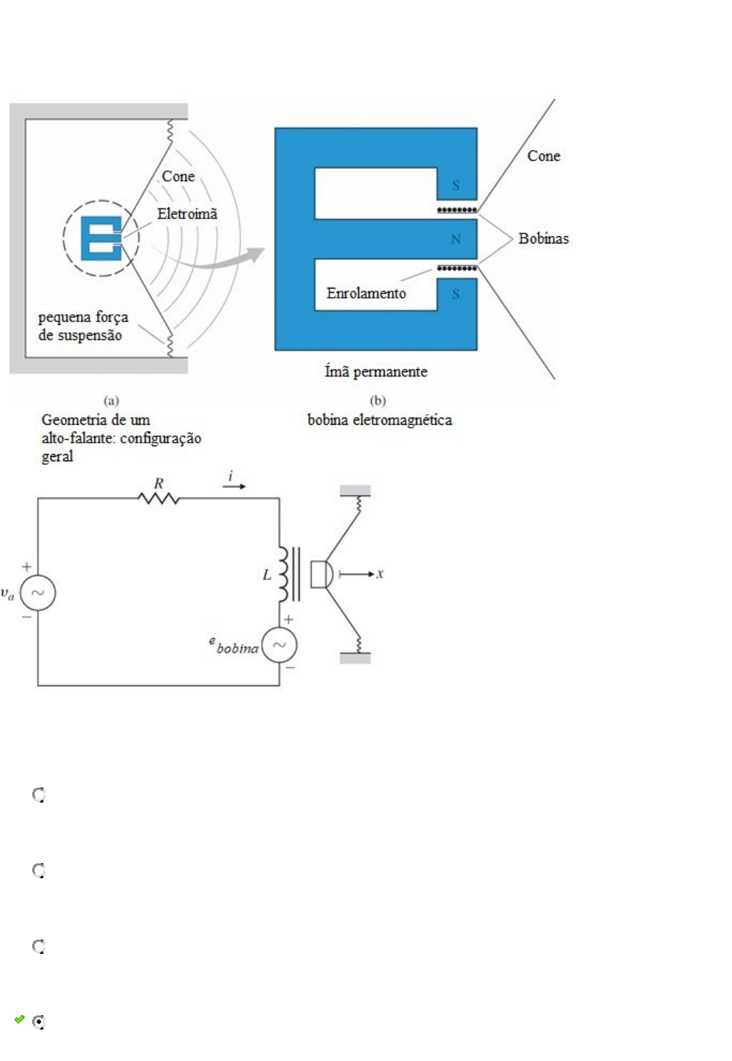
Considere a figura do alto-falante e o circuito do mesmo, mostrados  nas figuras a seguir. Encontre as equações diferenciais relacionando a tensão de entrada va com o deslocamento x do cone, e a função de transferência. Assuma que a resistência R e a indutância L sejam eficientes.
Fonte: adaptadas de Franklin et al. (2013)
	
	
	
	Ld2idt2+Ri=va−0,63x˙;X(s)Va(s)=0,63s[(Ms+b)(Ls+R)+0,632]Ld2idt2+Ri=va−0,63ẋ;X(s)Va(s)=0,63s[(Ms+b)(Ls+R)+0,632]
	
	
	Ldidt+Ri=va−0,63x˙;X(s)Va(s)=0,63[(Ms+b)(Ls+R)+0,632]Ldidt+Ri=va−0,63ẋ;X(s)Va(s)=0,63[(Ms+b)(Ls+R)+0,632]
	
	
	Ldidt+Ri=va−0,63x˙;X(s)Va(s)=0,63s[(Ms+b)(L+R)+0,632]Ldidt+Ri=va−0,63ẋ;X(s)Va(s)=0,63s[(Ms+b)(L+R)+0,632]
	
	
	Ldidt+Ri=va−0,63x˙;X(s)Va(s)=0,63s[(Ms+b)(Ls+R)+0,632]Ldidt+Ri=va−0,63ẋ;X(s)Va(s)=0,63s[(Ms+b)(Ls+R)+0,632]
	
	
	Ldidt+Ri2=va−0,63x˙;X(s)Va(s)=0,63s[(Ms+b)(Ls+R)+0,632]Ldidt+Ri2=va−0,63ẋ;X(s)Va(s)=0,63s[(Ms+b)(Ls+R)+0,632]
	
Explicação:

Mais conteúdos dessa disciplina