Logo Passei Direto
Buscar
Material
páginas com resultados encontrados.
páginas com resultados encontrados.
left-side-bubbles-backgroundright-side-bubbles-background

Crie sua conta grátis para liberar esse material. 🤩

Já tem uma conta?

Ao continuar, você aceita os Termos de Uso e Política de Privacidade

left-side-bubbles-backgroundright-side-bubbles-background

Crie sua conta grátis para liberar esse material. 🤩

Já tem uma conta?

Ao continuar, você aceita os Termos de Uso e Política de Privacidade

left-side-bubbles-backgroundright-side-bubbles-background

Crie sua conta grátis para liberar esse material. 🤩

Já tem uma conta?

Ao continuar, você aceita os Termos de Uso e Política de Privacidade

Prévia do material em texto

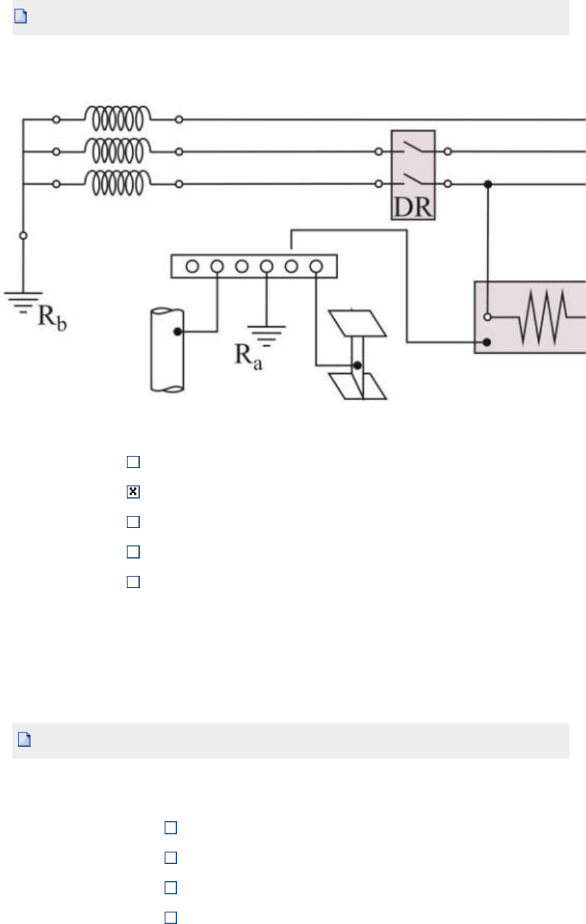
1a Questão Ref.: 201914568616 
(Concurso: Universidade Federal do Pará, Cargo - Engenharia Elétrica, CEPS, 2014) Observe o 
esquema de ligação de uma instalação elétrica na figura a seguir em que se pode observar 
ligações equipotenciais e o uso do dispositivo de proteção à corrente diferencial residual (DR). 
 
Observando essa figura, pode-se determinar que o tipo de esquema de ligação de aterramento é: 
 
 
IT 
 
TT 
 
TN-C-S 
 
TN-S 
 
TN-C 
Respondido em 10/10/2022 20:34:30 
 
 
 
 2a Questão Ref.: 201914523611 
(Concurso: Instituto Nacional de Seguridade Social, Cargo - Engenharia Elétrica, Banca - 
FUNRIO, 2014) Entre os dispositivos de comando, podemos citar os seguintes: dimmer, relé 
de impulso e minuteria. Esses dispositivos citados, em instalações prediais, são usados em: 
 
 
motores síncronos 
 
bomba de água 
 
trava eletromecânica 
 
motor de guindaste 
javascript:alert('C%C3%B3digo da quest%C3%A3o: 5497973/n/nStatus da quest%C3%A3o: Liberada para Uso.');
javascript:alert('C%C3%B3digo da quest%C3%A3o: 5452968/n/nStatus da quest%C3%A3o: Liberada para Uso.');
 
iluminação 
Respondido em 10/10/2022 20:35:52 
 
 
 
 3a Questão Ref.: 201914568606 
(Concurso: Universidade do Estado do Amapá, Cargo - Engenheiro Eletricista, Banca - UFG, 
2014) Um dos métodos de cálculo luminotécnico mais empregado é o método dos lúmens, 
também conhecido método do fluxo luminoso. Nesse método, o cálculo do fluxo luminoso é 
afetado pelo coeficiente de utilização que, por sua vez, depende: 
 
 
da quantidade de lâmpadas utilizadas na iluminação do local; 
 
da distribuição e da absorção da luz, efetuada pelas luminárias; 
 
do fator ou coeficiente de depreciação das lâmpadas; 
 
do nível de iluminamento em lux ou iluminância; 
 
das dimensões do ambiente a ser iluminado. 
Respondido em 10/10/2022 20:37:46 
 
 
 
 4a Questão Ref.: 201914553626 
(Concurso: Departamento Estadual de Águas e Saneamento do Acre, Cargo - Topógrafo, 
Banca - IBADE, 2019) Em caso de choque elétrico, os primeiros socorros devem ser 
prestados rapidamente. Em primeiro lugar, interromper o contato da pessoa com a fonte de 
eletricidade sem encostar diretamente na vítima; em seguida, chamar o resgate; verificar se 
a pessoa está respirando ou se consegue se mexer ou emitir algum som; caso não verifique 
nenhum sinal, é provável que a vítima: 
 
 
tenha fraturado as vértebras ou algum dos ossos da bacia; 
 
tenha sofrido uma parada cardíaca ou cardiorrespiratória. 
 
tenha sofrido um colapso nervoso; 
 
esteja apenas desacordada; 
 
esteja sob efeito de álcool; 
Respondido em 10/10/2022 20:38:39 
 
 
 
javascript:alert('C%C3%B3digo da quest%C3%A3o: 5497963/n/nStatus da quest%C3%A3o: Liberada para Uso.');
javascript:alert('C%C3%B3digo da quest%C3%A3o: 5482983/n/nStatus da quest%C3%A3o: Liberada para Uso.');
 5a Questão Ref.: 201914568605 
A passagem da corrente elétrica através do corpo humano, entre outros efeitos, é capaz de 
produzir queimaduras sérias. A ocorrência dessas queimaduras decorre: 
 
 
da alta tensão elétrica; 
 
da alta condutividade da pele. 
 
da alta potência elétrica; 
 
do Efeito Joule; 
 
da conservação da corrente elétrica; 
 
javascript:alert('C%C3%B3digo da quest%C3%A3o: 5497962/n/nStatus da quest%C3%A3o: Liberada para Uso.');

Mais conteúdos dessa disciplina