Logo Passei Direto
Buscar
Material
páginas com resultados encontrados.
páginas com resultados encontrados.
left-side-bubbles-backgroundright-side-bubbles-background

Crie sua conta grátis para liberar esse material. 🤩

Já tem uma conta?

Ao continuar, você aceita os Termos de Uso e Política de Privacidade

left-side-bubbles-backgroundright-side-bubbles-background

Crie sua conta grátis para liberar esse material. 🤩

Já tem uma conta?

Ao continuar, você aceita os Termos de Uso e Política de Privacidade

Prévia do material em texto

ACQA
Aluno: Adrian Henrique Moreira Santana 
RA: 1132602 
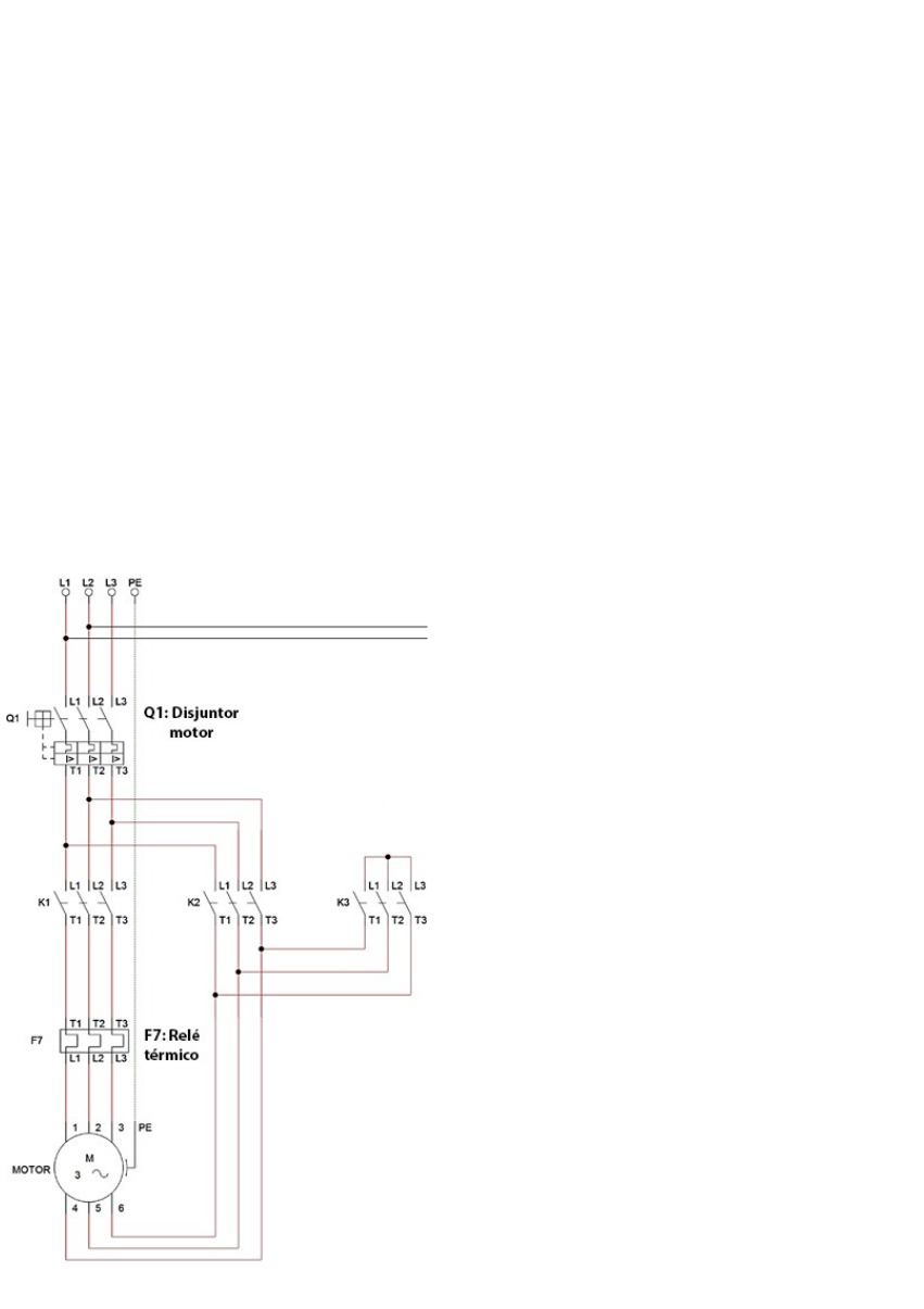
Desenvolva uma lógica em Ladder para um acionamento de um motor de 6 pontas através da partida estrela-triângulo manual. Realize os intertravamentos necessário para garantir a segurança dos equipamentos e dos operadores.
Dados:
K1: Contator para ligar o motor
K2: Contator para o fechamento em triângulo
K3: Contator para o fechamento em estrela
B1: Botão de pulso para ligar o motor (NA)
B2: Botão de pulso: transição (Y-∆) (NA)
B3: Botão de pulso para desligar o motor (NF)
B4: Botoeira de emergência (NF)
Q1: Disjuntor-Motor (estado do térmico) (NF)
M1, M2, M3 e M4: Bits de memória auxiliar
 
Obs: assim que a transição do fechamento (Y-∆) for realizada, o comando dado pelo botão B2 perde seu efeito
Segue o diagrama ladder junto do diagrama de potência que faz a partida estrela-triangulo como requisitados na questão.

Mais conteúdos dessa disciplina