Logo Passei Direto
Buscar
Material
páginas com resultados encontrados.
páginas com resultados encontrados.
left-side-bubbles-backgroundright-side-bubbles-background

Crie sua conta grátis para liberar esse material. 🤩

Já tem uma conta?

Ao continuar, você aceita os Termos de Uso e Política de Privacidade

left-side-bubbles-backgroundright-side-bubbles-background

Crie sua conta grátis para liberar esse material. 🤩

Já tem uma conta?

Ao continuar, você aceita os Termos de Uso e Política de Privacidade

left-side-bubbles-backgroundright-side-bubbles-background

Crie sua conta grátis para liberar esse material. 🤩

Já tem uma conta?

Ao continuar, você aceita os Termos de Uso e Política de Privacidade

Prévia do material em texto

Lista de Exercícios MECÂNICA VIBRATÓRIA 
1 
 
 
 
 
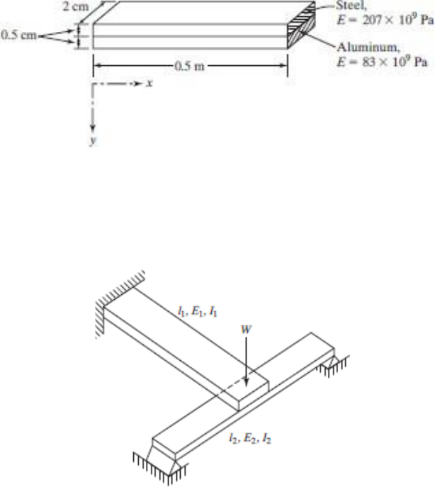
1) Encontre a constante da mola da barra bimetalica da figura abaixo: 
 
 
 
2) Determine a freqüência natural do sistema ao lado, em função das variáveis apresentadas na 
imagem. 
Observe que a carga W é aplicada na extremidade da viga 1 e no ponto médio da viga 2. 
 
Lista de Exercícios MECÂNICA VIBRATÓRIA 
2 
 
 
 
3) Encontre o modelo matemático dos sistemas abaixo: 
 
 
 
4) Determine a freqüência natural do sistema de polias mostrado na figura abaixo, 
desprezando o atrito e as massas das polias. 
 
 
 
5) Determine o deslocamento, velocidade e aceleração da massa no sistema massa-mola com: 
 
k = 500 N/m; m = 2kg; x0 = 0.1m e vo = 5m/s. 
Lista de Exercícios MECÂNICA VIBRATÓRIA 
3 
 
 
6) Um cilindro de massa m e momento de inércia Jo é livre para rolar, sem deslizar, mas restrito por 2 
molas de dureza k1 e k2, conforme a figura abaixo. Ache a freqüência natural de vibração. Encontre 
também o valor de "a" que maximize a freqüência natural de vibração. 
 
 
 
 
 
7) O peso W é suportado por 3 roldanas e uma mola de rigidez k, conforme a figura abaixo. Encontre 
a freqüência natural de vibração do peso W para pequenas oscilações. 
Obs.: desconsidere o atrito e a massa das roldanas.

Mais conteúdos dessa disciplina