Logo Passei Direto
Buscar

Manutenção e Projetos Eletromecânicos

User badge image
Joelma Rolão

em

Ferramentas de estudo

Questões resolvidas

2) Considere uma situação em que um técnico em eletromecânica tenha que desenvolver um projeto eletropneumático de ciclo contínuo para automatizar uma máquina de rebitagem que trabalha em ciclo único (A+A-), conforme imagem a seguir. Para desenvolver a melhoria na máquina, que componentes o técnico incluirá no circuito?

a) Botão sem trava NF e fim de curso NA.
b) Botão com trava NA e fim de curso NA.
c) Botão com trava NA e fim de curso NF.
d) Botão com trava NF e fim de curso NF.
e) Botão sem trava NA e fim de curso NF.

7) Um motor elétrico de uma bomba d’água de uma empresa de corte de peças metálicas por pressão de água estava desalinhado, causando diversas avarias, como vibração excessiva, desgaste de rolamentos e mancais. Para fazer o correto alinhamento do motor, o mecânico especialista do setor utilizou um relógio comparador e chapas finas de latão para ajustar o motor na posição correta. O valor encontrado pelo relógio comparador encontra-se na figura a seguir. Qual é o valor indicado no relógio?

a) 2,29 mm.
b) 2,71 mm.
c) 7,71 mm.
d) 8,71 mm.
e) 71,8 mm.

13) De acordo com a norma regulamentadora NR-10, somente serão consideradas desenergizadas as instalações elétricas liberadas para trabalho mediante procedimentos apropriados. A norma estabelece seis passos e essa sequência de ações para segurança deve ser obedecida. Qual é a sequência das três primeiras ações?

a) Constatação da ausência de tensão, impedimento de reenergização e seccionamento.
b) Seccionamento, impedimento de reenergização e constatação da ausência de tensão.
c) Impedimento de reenergização, seccionamento e instalação da sinalização de impedimento de reenergização.
d) Instalação da sinalização de impedimento de reenergização, impedimento de reenergização e seccionamento.
e) Constatação da ausência de tensão, instalação da sinalização de impedimento de reenergização e impedimento de reenergização.

14) Durante o planejamento da produção de um lote de peças, o controlador de produção identificou um símbolo em um desenho técnico. Esse símbolo, apresentado na figura a seguir, indica características de uma das superfícies da peça a ser produzida. No que se refere ao material e ao valor da rugosidade dessa peça, o que esse símbolo indica?

a) Valor mínimo de rugosidade de 3,2 µm, sem remoção de material.
b) Valor máximo de rugosidade de 3,2 µm, sem remoção de material.
c) Valor mínimo de rugosidade de 3,2 µm, com remoção de material.
d) Valor máximo de rugosidade de 3,2 µm, com remoção de material.
e) Valor mínimo de rugosidade de 3,2 µm, com remoção facultativa de material.

Com base nessas informações, para realizar a montagem do eixo na bucha, qual deve ser a dimensão mínima do eixo?

a) 18,000 mm
b) 18,007 mm
c) 18,008 mm
d) 18,018 mm
e) 18,021 mm

Esse processo caracteriza o fenômeno denominado

a) erosão.
b) abrasão.
c) corrosão.
d) cavitação.
e) degradação.

Essa técnica está inserida no tipo de manutenção

a) proativa.
b) corretiva.
c) preditiva.
d) autônoma.
e) preventiva.

Qual medida o setor utilizará no projeto?

a) 19,05 mm
b) 20,04 mm
c) 26,39 mm
d) 37,50 mm
e) 44,45 mm

Com base nessas informações, qual é a rotação nominal?

a) 450 rpm
b) 900 rpm
c) 1.800 rpm
d) 3.600 rpm
e) 7.200 rpm

Com base nessas informações, a vista D define qual tipo de vista?

a) Lateral esquerda.
b) Lateral direita.
c) Posterior.
d) Superior.
e) Inferior.

Qual é a característica construtiva da válvula direcional indicada no circuito eletropneumático?

a) Possui 5 vias e 2 posições, com acionamento de duplo solenoide com retorno por ação de mola.
b) Possui 5 vias e 2 posições, com acionamento de simples solenoide e retorno por ação de mola.
c) Possui 5 vias e 2 posições, com acionamento de duplo solenoide.
d) Possui 4 vias e 2 posições, com acionamento de duplo solenoide.
e) Possui 3 vias e 2 posições, com acionamento de simples solenoide.

O teste aplicado no redutor para detectar essa falha foi o de

a) temperaturas.
b) vibrações.
c) espectros.
d) rotação.
e) ruído.

Qual ferramenta gerencial de qualidade deverá ser implantada para que o gerente alcance o seu objetivo?

a) 5S.
b) JIT.
c) PDCA.
d) MASP.
e) SWOT.

O que esse técnico deve fazer para corrigir esse circuito?

a) Colocar em série os dois botões que estão em paralelo no circuito.
b) Acionar o circuito por meio de um comando elétrico de autorretenção.
c) Utilizar um diagrama de contato fechado do rele de K1 na linha 1 do circuito.
d) Trocar o cilindro pneumático do tipo dupla ação por um do tipo simples com retorno por mola.
e) Substituir a válvula direcional 5/2vias por uma 3/2vias acionada por solenoide e recuo por mola.

Considerando-se essa situação, a ação corretiva recomendada é a substituição do lubrificante e das engrenagens de número

a) 1 e 3.
b) 2 e 4.
c) 3 e 4.
d) 1, 2 e 5.
e) 2, 4 e 5.

Ao analisar a representação dos instrumentos A, B e C, conclui-se que eles são, respectivamente,

a) wattímetro, amperímetro e frequencímetro.
b) voltímetro, amperímetro e frequencímetro.
c) fequencímetro, wattímetro e fasímetro.
d) amperímetro, voltímetro e wattímetro.
e) fasímetro, voltímetro e wattímetro.

Para atender aos requisitos da instalação, qual deverá ser o valor da corrente máxima desse disjuntor?

a) 10 A.
b) 25 A.
c) 32 A.
d) 50 A.
e) 63 A.

Qual recurso de sistema auxiliar esse técnico deverá utilizar?

a) NC.
b) CAD.
c) CAE.
d) CAM.
e) PMO.

No que concerne a esses tópicos, do que se trata o backlog?

a) Análise da disposição das células de produção.
b) Indicador que informa se há sobrecarga de trabalho ou não.
c) Gastos relacionados com a estrutura de apoio administrativo.
d) Custos necessários para manter as máquinas e os equipamentos em operação.
e) Ferramentas, materiais de segurança, equipamentos de proteção individual e equipamentos de proteção coletiva.

Material
páginas com resultados encontrados.
páginas com resultados encontrados.
left-side-bubbles-backgroundright-side-bubbles-background

Crie sua conta grátis para liberar esse material. 🤩

Já tem uma conta?

Ao continuar, você aceita os Termos de Uso e Política de Privacidade

left-side-bubbles-backgroundright-side-bubbles-background

Crie sua conta grátis para liberar esse material. 🤩

Já tem uma conta?

Ao continuar, você aceita os Termos de Uso e Política de Privacidade

left-side-bubbles-backgroundright-side-bubbles-background

Crie sua conta grátis para liberar esse material. 🤩

Já tem uma conta?

Ao continuar, você aceita os Termos de Uso e Política de Privacidade

left-side-bubbles-backgroundright-side-bubbles-background

Crie sua conta grátis para liberar esse material. 🤩

Já tem uma conta?

Ao continuar, você aceita os Termos de Uso e Política de Privacidade

left-side-bubbles-backgroundright-side-bubbles-background

Crie sua conta grátis para liberar esse material. 🤩

Já tem uma conta?

Ao continuar, você aceita os Termos de Uso e Política de Privacidade

left-side-bubbles-backgroundright-side-bubbles-background

Crie sua conta grátis para liberar esse material. 🤩

Já tem uma conta?

Ao continuar, você aceita os Termos de Uso e Política de Privacidade

left-side-bubbles-backgroundright-side-bubbles-background

Crie sua conta grátis para liberar esse material. 🤩

Já tem uma conta?

Ao continuar, você aceita os Termos de Uso e Política de Privacidade

left-side-bubbles-backgroundright-side-bubbles-background

Crie sua conta grátis para liberar esse material. 🤩

Já tem uma conta?

Ao continuar, você aceita os Termos de Uso e Política de Privacidade

left-side-bubbles-backgroundright-side-bubbles-background

Crie sua conta grátis para liberar esse material. 🤩

Já tem uma conta?

Ao continuar, você aceita os Termos de Uso e Política de Privacidade

left-side-bubbles-backgroundright-side-bubbles-background

Crie sua conta grátis para liberar esse material. 🤩

Já tem uma conta?

Ao continuar, você aceita os Termos de Uso e Política de Privacidade

Questões resolvidas

2) Considere uma situação em que um técnico em eletromecânica tenha que desenvolver um projeto eletropneumático de ciclo contínuo para automatizar uma máquina de rebitagem que trabalha em ciclo único (A+A-), conforme imagem a seguir. Para desenvolver a melhoria na máquina, que componentes o técnico incluirá no circuito?

a) Botão sem trava NF e fim de curso NA.
b) Botão com trava NA e fim de curso NA.
c) Botão com trava NA e fim de curso NF.
d) Botão com trava NF e fim de curso NF.
e) Botão sem trava NA e fim de curso NF.

7) Um motor elétrico de uma bomba d’água de uma empresa de corte de peças metálicas por pressão de água estava desalinhado, causando diversas avarias, como vibração excessiva, desgaste de rolamentos e mancais. Para fazer o correto alinhamento do motor, o mecânico especialista do setor utilizou um relógio comparador e chapas finas de latão para ajustar o motor na posição correta. O valor encontrado pelo relógio comparador encontra-se na figura a seguir. Qual é o valor indicado no relógio?

a) 2,29 mm.
b) 2,71 mm.
c) 7,71 mm.
d) 8,71 mm.
e) 71,8 mm.

13) De acordo com a norma regulamentadora NR-10, somente serão consideradas desenergizadas as instalações elétricas liberadas para trabalho mediante procedimentos apropriados. A norma estabelece seis passos e essa sequência de ações para segurança deve ser obedecida. Qual é a sequência das três primeiras ações?

a) Constatação da ausência de tensão, impedimento de reenergização e seccionamento.
b) Seccionamento, impedimento de reenergização e constatação da ausência de tensão.
c) Impedimento de reenergização, seccionamento e instalação da sinalização de impedimento de reenergização.
d) Instalação da sinalização de impedimento de reenergização, impedimento de reenergização e seccionamento.
e) Constatação da ausência de tensão, instalação da sinalização de impedimento de reenergização e impedimento de reenergização.

14) Durante o planejamento da produção de um lote de peças, o controlador de produção identificou um símbolo em um desenho técnico. Esse símbolo, apresentado na figura a seguir, indica características de uma das superfícies da peça a ser produzida. No que se refere ao material e ao valor da rugosidade dessa peça, o que esse símbolo indica?

a) Valor mínimo de rugosidade de 3,2 µm, sem remoção de material.
b) Valor máximo de rugosidade de 3,2 µm, sem remoção de material.
c) Valor mínimo de rugosidade de 3,2 µm, com remoção de material.
d) Valor máximo de rugosidade de 3,2 µm, com remoção de material.
e) Valor mínimo de rugosidade de 3,2 µm, com remoção facultativa de material.

Com base nessas informações, para realizar a montagem do eixo na bucha, qual deve ser a dimensão mínima do eixo?

a) 18,000 mm
b) 18,007 mm
c) 18,008 mm
d) 18,018 mm
e) 18,021 mm

Esse processo caracteriza o fenômeno denominado

a) erosão.
b) abrasão.
c) corrosão.
d) cavitação.
e) degradação.

Essa técnica está inserida no tipo de manutenção

a) proativa.
b) corretiva.
c) preditiva.
d) autônoma.
e) preventiva.

Qual medida o setor utilizará no projeto?

a) 19,05 mm
b) 20,04 mm
c) 26,39 mm
d) 37,50 mm
e) 44,45 mm

Com base nessas informações, qual é a rotação nominal?

a) 450 rpm
b) 900 rpm
c) 1.800 rpm
d) 3.600 rpm
e) 7.200 rpm

Com base nessas informações, a vista D define qual tipo de vista?

a) Lateral esquerda.
b) Lateral direita.
c) Posterior.
d) Superior.
e) Inferior.

Qual é a característica construtiva da válvula direcional indicada no circuito eletropneumático?

a) Possui 5 vias e 2 posições, com acionamento de duplo solenoide com retorno por ação de mola.
b) Possui 5 vias e 2 posições, com acionamento de simples solenoide e retorno por ação de mola.
c) Possui 5 vias e 2 posições, com acionamento de duplo solenoide.
d) Possui 4 vias e 2 posições, com acionamento de duplo solenoide.
e) Possui 3 vias e 2 posições, com acionamento de simples solenoide.

O teste aplicado no redutor para detectar essa falha foi o de

a) temperaturas.
b) vibrações.
c) espectros.
d) rotação.
e) ruído.

Qual ferramenta gerencial de qualidade deverá ser implantada para que o gerente alcance o seu objetivo?

a) 5S.
b) JIT.
c) PDCA.
d) MASP.
e) SWOT.

O que esse técnico deve fazer para corrigir esse circuito?

a) Colocar em série os dois botões que estão em paralelo no circuito.
b) Acionar o circuito por meio de um comando elétrico de autorretenção.
c) Utilizar um diagrama de contato fechado do rele de K1 na linha 1 do circuito.
d) Trocar o cilindro pneumático do tipo dupla ação por um do tipo simples com retorno por mola.
e) Substituir a válvula direcional 5/2vias por uma 3/2vias acionada por solenoide e recuo por mola.

Considerando-se essa situação, a ação corretiva recomendada é a substituição do lubrificante e das engrenagens de número

a) 1 e 3.
b) 2 e 4.
c) 3 e 4.
d) 1, 2 e 5.
e) 2, 4 e 5.

Ao analisar a representação dos instrumentos A, B e C, conclui-se que eles são, respectivamente,

a) wattímetro, amperímetro e frequencímetro.
b) voltímetro, amperímetro e frequencímetro.
c) fequencímetro, wattímetro e fasímetro.
d) amperímetro, voltímetro e wattímetro.
e) fasímetro, voltímetro e wattímetro.

Para atender aos requisitos da instalação, qual deverá ser o valor da corrente máxima desse disjuntor?

a) 10 A.
b) 25 A.
c) 32 A.
d) 50 A.
e) 63 A.

Qual recurso de sistema auxiliar esse técnico deverá utilizar?

a) NC.
b) CAD.
c) CAE.
d) CAM.
e) PMO.

No que concerne a esses tópicos, do que se trata o backlog?

a) Análise da disposição das células de produção.
b) Indicador que informa se há sobrecarga de trabalho ou não.
c) Gastos relacionados com a estrutura de apoio administrativo.
d) Custos necessários para manter as máquinas e os equipamentos em operação.
e) Ferramentas, materiais de segurança, equipamentos de proteção individual e equipamentos de proteção coletiva.

Prévia do material em texto

1) Considere uma situação em que um técnico em eletromecânica, após uma análise de um 
circuito com resistores mistos, deve propor uma melhoria no funcionamento de um 
determinado equipamento, conforme o circuito a seguir. 
 
Qual é o valor total da corrente do circuito? 
A) 0,31 A. 
B) 1,14 A. 
C) 3,2 A. 
D) 13,33 A. 
E) 80 A. 
 
2) Considere uma situação em que um técnico em eletromecânica tenha que desenvolver um 
projeto eletropneumático de ciclo contínuo para automatizar uma máquina de rebitagem que 
trabalha em ciclo único (A+A-), conforme imagem a seguir. 
 
 
Para desenvolver a melhoria na máquina, que componentes o técnico incluirá no circuito? 
a) Botão sem trava NF e fim de curso NA. 
b) Botão com trava NA e fim de curso NA. 
c) Botão com trava NA e fim de curso NF. 
d) Botão com trava NF e fim de curso NF. 
e) Botão sem trava NA e fim de curso NF. 
 
3) Softwares são muito importantes para elaborar projetos mecânicos, principalmente quando 
é necessário simular o funcionamento de um sistema mecânico projetado. Para 
simular movimento em montagem de peças, é recomendado utilizar um software de desenho 
assistido por computador. 
Que recurso esse software deve possuir para executar tal simulação? 
a) Desenho artístico. 
b) Desenho em 3 dimensões (3D). 
c) Desenho em 2 dimensões (2D). 
d) Desenho em perspectiva plana. 
e) Desenho de projeções ortogonais. 
 
4) O torneiro mecânico de uma empresa, ao preparar uma máquina que havia sofrido recente 
manutenção corretiva, percebeu que ela não efetuava a reversão da placa, ocorrendo algo 
semelhante a uma frenagem por contracorrente. O mecânico solicitou a presença do técnico, e 
este, observando o esquema de comando representado na figura a seguir, solucionou o 
problema da partida. O técnico verificou que, na botoeira B1, ocorria o funcionamento normal 
da chave, mas que o motor parava a partir da botoeira B2 
 
Com base nesse diagrama, verifica-se que o defeito dessa máquina se encontrava 
a) no fusível F21 aberto. 
b) na bobina de C1 aberta. 
c) na ligação/no contato de selo 13-14 de C2. 
d) na falta do condutor neutro, n, em A2 de C2. 
e) no contato 95-96 do rele térmico FT1 aberto. 
5) Ao gerenciar um processo de manutenção, é preciso estar atento a vários fatores e pontos 
críticos que podem determinar o sucesso ou o fracasso da atividade em questão. Um bom 
começo para padronizar as atividades é usar o ciclo PDCA. 
A sequência correta desse ciclo é 
a) planejar, desenvolver, criar e agir. 
b) planejar, executar, controlar e agir. 
c) planejar, comunicar, executar e agir. 
d) programar, desenvolver, checar e agir. 
e) programar, desenvolver, corrigir e aprimorar. 
 
6) Um técnico em eletromecânica assumiu o papel de avaliar os diagnósticos de um determinado 
equipamento. Ao fim de cada mês, ele deve apresentar ao seu supervisor o desempenho desse 
equipamento, por meio do indicador MTTR, considerando o histórico de manutenção. 
 
Qual o valor do indicador que o técnico deverá relatar ao supervisor? 
a) 3,00 horas. 
b) 7,50 horas. 
c) 10,25 horas. 
d) 13,25 horas. 
e) 17,67 horas. 
 
7) Um motor elétrico de uma bomba d’água de uma empresa de corte de peças metálicas por 
pressão de água estava desalinhado, causando diversas avarias, como vibração excessiva, 
desgaste de rolamentos e mancais. Para fazer o correto alinhamento do motor, o mecânico 
especialista do setor utilizou um relógio comparador e chapas finas de latão para ajustar o motor 
na posição correta. O valor encontrado pelo relógio comparador encontra-se na figura a seguir. 
 
Qual é o valor indicado no relógio? 
a) 2,29 mm. 
b) 2,71 mm. 
c) 7,71 mm. 
d) 8,71 mm. 
e) 71,8 mm. 
 
8) Ao desmontar um compressor de ar para manutenção, um técnico percebeu que havia um 
desgaste no eixo do virabrequim, onde são conectadas as bielas. Consultando o manual, o 
técnico verificou que a recomendação do fabricante é de um desgaste de, no máximo, 0,025 
mm. 
Qual instrumento de medição deve ser utilizado para mensurar esse desgaste? 
a) Comparador de diâmetros internos com resolução de 0,01 mm. 
b) Micrômetro externo com resolução de 0,001 mm. 
c) Relógio apalpador com resolução de 0,01 mm. 
d) Paquímetro digital com resolução de 0,01 mm. 
e) Régua graduada com resolução de 0,5 mm. 
 
9) Considere uma situação em que, em uma empresa da área metal mecânica, as máquinas da 
produção tenham problemas constantes, que ocasionam paradas inesperadas. Uma análise 
constatou que esses problemas são causados por falta de lubrificação. 
Qual tipo de manutenção deve ser adotada para diminuir essas paradas? 
a) Preditiva. 
b) Corretiva. 
c) Produtiva. 
d) Preventiva. 
e) Terotecnologia. 
 
10) Considere uma situação em que, durante a fase de instalação elétrica, um técnico em 
eletromecânica receba o seguinte diagrama multifilar, onde estão esquematizados uma 
lâmpada e um interruptor. 
 
De acordo com o diagrama, quais são, respectivamente, os condutores indicados por A, B, C? 
a) Fase, neutro e terra. 
b) Neutro, fase e terra. 
c) Fase, terra e neutro. 
d) Terra, fase e neutro. 
e) Neutro, terra e fase. 
 
11) A empresa MAA é fabricante de rolamentos de esfera e possui na sua linha de fabricação 
poucas máquinas para produção da demanda de pedidos dos seus clientes. Para atender a 
variedade relativamente pequena de produtos solicitados, a empresa adota um sistema de 
produção que lhe permite produzir produtos diferentes com as mesmas máquinas, mantendo 
um alto estoque de peças. 
Qual é o sistema de produção adotado pela empresa que lhe permite esse tipo de flexibilidade? 
a) Sistema de Produção por Lote. 
b) Sistema de Produção Contínua. 
c) Sistema de Produção por Fases. 
d) Sistema de Produção Descontínua. 
e) Sistema de Produção por Encomenda. 
 
12) O sucesso de um projeto parte do bom planejamento e do controle de todas as suas fases. 
Para garantir que todas as fases tenham suas etapas concluídas, é importante que sejam 
organizadas em um software dedicado para esse fim. 
Qual deve ser esse tipo de software ? 
a) Editor de texto. 
b) Desenho técnico. 
c) Memorial de cálculo. 
d) Controle de manutenção. 
e) Gerenciamento de projetos. 
13) De acordo com a norma regulamentadora NR-10, somente serão consideradas 
desenergizadas as instalações elétricas liberadas para trabalho mediante procedimentos 
apropriados. A norma estabelece seis passos e essa sequência de ações para segurança deve ser 
obedecida. 
Qual é a sequência das três primeiras ações? 
a) Constatação da ausência de tensão, impedimento de reenergização e seccionamento. 
b) Seccionamento, impedimento de reenergização e constatação da ausência de tensão. 
c) Impedimento de reenergização, seccionamento e instalação da sinalização de 
impedimento de reenergização. 
d) Instalação da sinalização de impedimento de reenergização, impedimento de 
reenergização e seccionamento. 
e) Constatação da ausência de tensão, instalação da sinalização de impedimento de 
reenergização e impedimento de reenergização. 
 
14) Durante o planejamento da produção de um lote de peças, o controlador de produção 
identificou um símbolo em um desenho técnico. Esse símbolo, apresentado na figura a seguir, 
indica características de uma das superfícies da peça a ser produzida. 
 
No que se refere ao material e ao valor da rugosidade dessa peça, o que esse símbolo indica? 
a) Valor mínimo de rugosidade de 3,2 µm, sem remoção de material. 
b) Valor máximo de rugosidade de 3,2 µm, sem remoção de material. 
c) Valor mínimo de rugosidade de 3,2 µm, com remoção de material. 
d) Valor máximo de rugosidade de 3,2 µm, com remoção de material. 
e) Valor mínimo de rugosidade de 3,2 µm, com remoção facultativa de material. 
 
15) Considere uma situação em que um técnico em eletromecânica, que atua em uma 
determinada empresa de usinagem, receba um pedido para a fabricação de um conjunto 
mecânico. O diâmetro externo do eixo e o diâmetro interno da bucha desse conjunto 
apresentam uma dimensão nominal de 18 mm.Esse conjunto deve ser montado na forma de 
forçado duro de mecânica precisa. Nesse sentido, observe as tabelas a seguir. 
 
Com base nessas informações, para realizar a montagem do eixo na bucha, qual deve ser a 
dimensão mínima do eixo? 
a) 18,000 mm 
b) 18,007 mm 
c) 18,008 mm 
d) 18,018 mm 
e) 18,021 mm 
 
16) Um mantenedor, ao identificar uma falha em um motor elétrico de CC, detectou que uma 
de suas escovas estava gasta, sendo necessário corrigir esse erro para o funcionamento normal 
do motor e a continuação do serviço que estava sendo executado. 
O procedimento a ser adotado para executar a manutenção preventiva desse motor é 
a) fazer calagem das escovas. 
b) fazer limpeza no porta-escovas. 
c) substituir somente a escova gasta. 
d) fazer a regulagem no porta-escovas. 
e) substituir o jogo completo das escovas e assentá-las. 
 
17) As motobombas centrífugas são equipamentos eletromecânicos sujeitos a diversos 
problemas operacionais, desde uma simples redução de vazão até o colapso completo do 
equipamento. Um dos defeitos ocorre quando a pressão de sucção está abaixo da requerida 
pela bomba, formando-se bolhas de vapor nas cavidades do rotor que são transportadas para a 
região de alta pressão. 
Esse processo caracteriza o fenômeno denominado 
a) erosão. 
b) abrasão. 
c) corrosão. 
d) cavitação. 
e) degradação. 
 
18) Um analisador de vibração é utilizado regularmente para monitorar uma máquina rotativa, 
informando os dados de funcionamento do equipamento, de modo a identificar possíveis 
defeitos, podendo criar uma tendência futura de falha e(ou) pane. 
Essa técnica está inserida no tipo de manutenção 
a) proativa. 
b) corretiva. 
c) preditiva. 
d) autônoma. 
e) preventiva. 
 
19) O setor de engenharia de projetos de uma determinada empresa desenvolveu o desenho de 
certa peça em mm. Considere uma situação em que o operador responsável não percebeu a 
unidade de medida cobrada pelo setor e realizou a medição do diâmetro da peça no sistema 
inglês, conforme a figura a seguir. 
 
Qual medida o setor utilizará no projeto? 
a) 19,05 mm 
b) 20,04 mm 
c) 26,39 mm 
d) 37,50 mm 
e) 44,45 mm 
 
20) Um motor de indução trifásico de 8 polos apresenta um percentual de diferença entre a 
velocidade do campo magnético e a velocidade produzida no eixo, tendo sido fabricado para 
funcionar na frequência nacional. Considere, para essa situação, a seguinte fórmula. 
 
Com base nessas informações, qual é a rotação nominal? 
a) 450 rpm 
b) 900 rpm 
c) 1.800 rpm 
d) 3.600 rpm 
e) 7.200 rpm 
 
21) Os profissionais que fabricam peças devem garantir a qualidade dimensional e geométrica, 
bem como a devida interpretação do desenho técnico, seja no 1.° diedro ou no 3.° diedro. O 
desenho a seguir apresenta as projeções no 1.° diedro, em que a vista A representa a vista 
frontal. 
 
Com base nessas informações, a vista D define qual tipo de vista? 
a) Lateral esquerda. 
b) Lateral direita. 
c) Posterior. 
d) Superior. 
e) Inferior. 
 
22) Uma empresa solicitou um projeto de melhoria para um equipamento por meio da aplicação 
de um circuito eletropneumático utilizando os seguintes itens: um cilindro pneumático de dupla 
ação, uma válvula direcional e dois botões, um de avanço e outro de retorno. A seguir está 
ilustrado o circuito proposto. 
 
Qual é a característica construtiva da válvula direcional indicada no circuito eletropneumático? 
a) Possui 5 vias e 2 posições, com acionamento de duplo solenoide com retorno por ação 
de mola. 
b) Possui 5 vias e 2 posições, com acionamento de simples solenoide e retorno por ação 
de mola. 
c) Possui 5 vias e 2 posições, com acionamento de duplo solenoide. 
d) Possui 4 vias e 2 posições, com acionamento de duplo solenoide. 
e) Possui 3 vias e 2 posições, com acionamento de simples solenoide. 
 
23) Em uma fábrica de cimento, antes de liberar o sistema mecânico do forno para operação, 
foram feitos testes e ensaios não destrutíveis para verificar se o equipamento atendia aos 
requisitos de projeto. No mancal de rolamento do redutor, foram detectados picos de alta 
frequência acima do especificado pelo fabricante do equipamento. 
O teste aplicado no redutor para detectar essa falha foi o de 
a) temperaturas. 
b) vibrações. 
c) espectros. 
d) rotação. 
e) ruído. 
 
24) O setor de manutenção de uma empresa precisa reduzir o número de manutenções 
corretivas realizadas em um determinado período, porém não possui nenhum controle de 
manutenções realizadas para iniciar uma análise de planejamento de manutenção. O gerente 
de manutenção, então, resolveu analisar os problemas pela eliminação de defeitos por meio da 
busca da causa raiz. 
Qual ferramenta gerencial de qualidade deverá ser implantada para que o gerente alcance o seu 
objetivo? 
a) 5S. 
b) JIT. 
c) PDCA. 
d) MASP. 
e) SWOT. 
 
25) Um técnico em eletromecânica precisa realizar a correção do sistema de acionamento de 
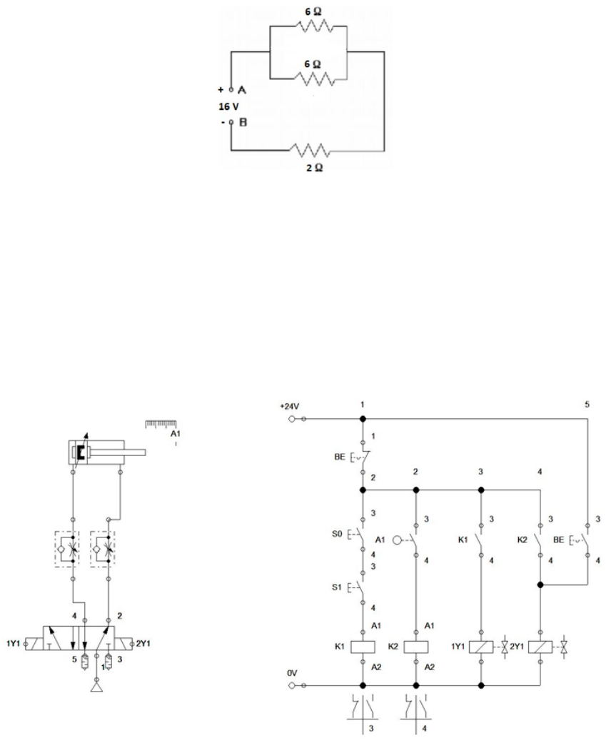
um circuito eletropneumático. Ele diagnosticou que o cilindro deveria estar recuado em seu ciclo 
inicial, ser acionado por um comando bimanual pulsado e retornar por pilotagem da válvula 
direcional por acionamento mecânico (recuo por mola). Ao verificar o manual da máquina, o 
técnico constatou, por meio da figura a seguir, que o circuito eletropneumático era idêntico ao 
montado na máquina. 
 
O que esse técnico deve fazer para corrigir esse circuito? 
a) Colocar em série os dois botões que estão em paralelo no circuito. 
b) Acionar o circuito por meio de um comando elétrico de autorretenção. 
c) Utilizar um diagrama de contato fechado do rele de K1 na linha 1 do circuito. 
d) Trocar o cilindro pneumático do tipo dupla ação por um do tipo simples com retorno 
por mola. 
e) Substituir a válvula direcional 5/2vias por uma 3/2vias acionada por solenoide e recuo 
por mola. 
 
26) Após uma análise ferrográfica do óleo lubrificante de uma caixa redutora, ilustrada na 
imagem a seguir, foi identificado alto índice de partículas metálicas na amostra, sendo 
necessária a inspeção visual das condições das engrenagens. Durante a inspeção, observou-se o 
desgaste excessivo da engrenagem de número 3 
 
Considerando-se essa situação, a ação corretiva recomendada é a substituição do lubrificante e 
das engrenagens de número 
a) 1 e 3. 
b) 2 e 4. 
c) 3 e 4. 
d) 1, 2 e 5. 
e) 2, 4 e 5. 
 
27) Em um frigorífico, são realizadas manutenções preventivas por meio de medições de alguns 
parâmetros elétricos em um motor monofásico de corrente alternada para monitorar o seu 
funcionamento. O técnico encarregado de efetuar essas medições realizou a ligação dos 
instrumentos de acordo com o esquema a seguir. 
 
Ao analisar a representação dos instrumentos A, B e C, conclui-se que eles são, respectivamente, 
a) wattímetro, amperímetro e frequencímetro. 
b) voltímetro, amperímetro e frequencímetro. 
c) fequencímetro, wattímetro e fasímetro. 
d) amperímetro, voltímetro e wattímetro. 
e) fasímetro, voltímetro e wattímetro. 
 
28) Um técnico em eletromecânica irá instalar seis lâmpadas de 110 V / 800 W em um circuito 
elétrico que possui uma tensão de alimentação igual a 220 V. Um dos componentes necessários 
para interligação e comando é o disjuntor eletromagnético. No caso dessa instalação, o técnico 
deverá solicitar um disjuntor que possua uma corrente elétrica de desarme igual ou um pouco 
acima de 40% da corrente total desse circuito. 
Para atender aos requisitos da instalação, qual deverá ser o valor da corrente máxima desse 
disjuntor? 
a) 10 A. 
b) 25 A. 
c) 32 A. 
d) 50 A. 
e) 63 A. 
 
29) Para validação de determinados projetos mecânicos, é importante a fase de prototipagem. 
Nessa fase, a velocidade de execução deve ocorrer no menor tempo possível, sendo necessário, 
em alguns casos, o uso de máquinas com comando numérico computadorizado (CNC). Nas 
máquinas com CNC, para uma geração automática da trajetória das ferramentas na máquina, 
um técnico precisou especificar um sistema auxiliar. 
Qual recurso de sistema auxiliar esse técnico deveráutilizar? 
a) NC. 
b) CAD. 
c) CAE. 
d) CAM. 
e) PMO. 
 
30) Dentro do planejamento das atividades de manutenção, existem vários tópicos a serem 
tratados para que os procedimentos sejam executados de forma efetiva e para que 
proporcionem o monitoramento do processo, o diagnóstico de melhoria e a realização dessa 
melhoria em tempo hábil. 
No que concerne a esses tópicos, do que se trata o backlog ? 
a) Análise da disposição das células de produção. 
b) Indicador que informa se há sobrecarga de trabalho ou não. 
c) Gastos relacionados com a estrutura de apoio administrativo. 
d) Custos necessários para manter as máquinas e os equipamentos em operação. 
e) Ferramentas, materiais de segurança, equipamentos de proteção individual e 
equipamentos de proteção coletiva. 
 
31) Circuitos elétricos apresentam características funcionais distintas de acordo com seu arranjo 
físico. Essas disposições físicas podem se apresentar como circuitos série, paralelo ou misto. Um 
técnico, ao efetuar a medição de um sistema sonofletor, detectou alguns parâmetros essenciais 
para o correto funcionamento de um sistema de áudio. Observe a figura. 
 
O técnico, ao efetuar a medição com o multímetro, observou que a impedância desse circuito é 
de 
a) 4 ohms em um circuito série. 
b) 4 ohms em um circuito misto. 
c) 4 ohms em um circuito paralelo. 
d) 16 ohms em um circuito paralelo. 
e) 16 ohms em um circuito série. 
 
32) Observe a figura a seguir, que ilustra o circuito misto de um sistema sonofletor que será 
medido com um multímetro. 
 
A medição desse circuito com esse instrumento indicará que a sua impedância é de 
a) 4 ohms. 
b) 8 ohms. 
c) 12 ohms. 
d) 16 ohms. 
e) 24 ohms. 
 
33) Considere uma situação em que, em uma empresa de tratamentos térmicos, um técnico 
fique responsável por separar um tarugo de aço carbono cuja especificação técnica do material 
para têmpera deveria ter, no mínimo, 0,60 % de teor de carbono. 
Qual classe de aço o técnico deverá indicar para atender a especificação técnica? 
a) 1006 
b) 1010 
c) 1030 
d) 1045 
e) 1065 
34) Um técnico de manutenção foi encarregado de coordenar a adequação de uma prensa 
excêntrica, aplicando norma técnica de segurança vigente, para garantir que a máquina fique 
em condições seguras para o uso do trabalhador. 
Qual norma regulamentadora de segurança deve ser aplicada nessa situação? 
a) NR-12 
b) NR-20 
c) NR-26 
d) NR-28 
e) NR-35 
 
35) Durante a manutenção de um torno mecânico, um técnico em eletromecânica verificou que 
o barramento principal não estava dentro da tolerância geométrica, apresentando falha em seu 
paralelismo. 
Qual instrumento de medição deverá ser utilizado? 
a) Relógio comparador. 
b) Calibrador de folga. 
c) Micrômetro. 
d) Paquímetro. 
e) Régua. 
 
36) Um coordenador de produção de uma empresa de usinagem precisa atender à especificação 
técnica do projeto de fabricação de um eixo cujo acabamento superficial solicitado está indicado 
na figura a seguir. 
 
Qual processo de usinagem deve ser utilizado na produção desse eixo, de acordo com a 
simbologia apresentada no projeto? 
a) Limar. 
b) Serrar. 
c) Plainar. 
d) Tornear. 
e) Retificar. 
37) Considere uma situação em que um técnico irá realizar manutenção no setor de bombas 
centrífugas. A empresa dispõe, para o mantenedor, a checklist a ser utilizada durante a tarefa, 
conforme imagem a seguir. 
 
Quais as principais normas regulamentadoras devem ser utilizadas para executar essas 
atividades de forma segura? 
a) NR-06 e NR-10 
b) NR-06 e NR-12 
c) NR-10 e NR-11 
d) NR-11 e NR-20 
e) NR-12 e NR-20 
 
38) Para a manutenção de uma máquina em uma empresa metalúrgica, será necessário a 
fabricação de um eixo maciço. Para a usinagem do eixo, é necessário realizar o desenho técnico 
da peça. O eixo possui 540 mm de comprimento e 90 mm de diâmetro. É padrão da empresa 
confeccionar seus desenhos em papel tamanho A4; portanto, nesse caso, é 
necessário aplicar uma escala de redução. Sabe-se que o referido eixo foi desenhado na folha 
com as dimensões de 180 mm de comprimento e 30 mm de diâmetro. 
Qual escala foi aplicada na elaboração desse desenho? 
a) 1:1 
b) 1:2 
c) 2:1 
d) 1:3 
e) 3:1 
 
39) Considere que os rolamentos sejam codificados seguindo uma padronização internacional. 
Com base nisso, observe a seguir um exemplo de um determinado rolamento. 
 
A partir da interpretação da figura, qual é, respectivamente, a correspondência das 
codificações? 
a) I. Tipo do rolamento; II. Série (diâmetro externo / largura); III. Diâmetro interno; IV. 
Dupla blindagem; V. Folga interna. 
b) I. Tipo do rolamento; II. Diâmetro externo; III. Série (diâmetro externo / largura;); IV. 
Dupla blindagem; V. Folga interna. 
c) I. Tipo do rolamento; II. Diâmetro externo; III. Série (diâmetro externo / largura;); IV. 
Folga interna; V. Folga de montagem. 
d) I. Tipo do rolamento; II. Série (diâmetro externo / largura); III. Diâmetro interno; IV. 
Dupla vedação; V. Folga de montagem. 
e) I. Tipo do rolamento; II. Série (diâmetro externo / largura); III. Folga de montagem; IV. 
Dupla blindagem; V. Folga interna. 
 
40) Um técnico em eletromecânica recebeu uma ordem de serviço indicando que o problema 
em um torno mecânico estava na placa, pois girava apenas no sentido horário. O trabalho que 
deveria ser feito no torno era a confecção de uma rosca e, por isso, necessitava inverter o 
sentido de giro (rotação). Durante a manutenção, o técnico elaborou o seguinte diagrama para 
facilitar a resolução do problema. 
 
Observando seu diagrama, o técnico identificou que o problema era uma partida 
a) estrela triângulo com reversão, mas não está com as fases trocadas. 
b) estrela triângulo com reversão, porém está com as fases trocadas. 
c) direta com reversão, porém não está com as fases trocadas. 
d) direta com reversão, mas está com as fases trocadas. 
e) estrela triângulo.

Mais conteúdos dessa disciplina