Logo Passei Direto
Buscar
Material
páginas com resultados encontrados.
páginas com resultados encontrados.

Prévia do material em texto

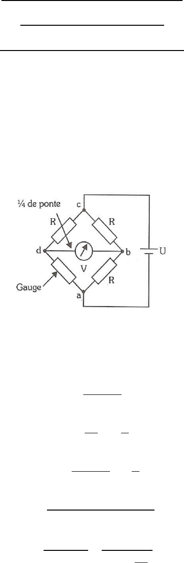
<p>UNIVERSIDADE FEDERAL DE LAVRAS</p><p>GAT121 – INSTRUMENTAÇÃO</p><p>RESOLUÇÃO DA LISTA DE EXERCÍCIOS</p><p>Prof. Felipe Oliveira e Silva</p><p>Medição de Força</p><p>1) Na configuração ¼ ponte, utiliza-se um strain-gauge alinhado na direção da força, dessa</p><p>forma:</p><p>𝑅𝑔𝑎𝑢𝑔𝑒 = 𝑅 + 𝛿𝑅</p><p>𝛿𝑉 = 𝑉𝑎𝑑 − 𝑉𝑎𝑏</p><p>𝑉𝑎𝑑 =</p><p>𝑅 + 𝛿𝑅</p><p>2𝑅 + 𝛿𝑅</p><p>𝑈</p><p>𝑉𝑎𝑏 =</p><p>𝑅</p><p>2𝑅</p><p>𝑈 =</p><p>𝑈</p><p>2</p><p>𝛿𝑉 =</p><p>𝑅 + 𝛿𝑅</p><p>2𝑅 + 𝛿𝑅</p><p>𝑈 −</p><p>𝑈</p><p>2</p><p>𝛿𝑉 = (</p><p>2(𝑅 + 𝛿𝑅) − (2𝑅 + 𝛿𝑅)</p><p>2(2𝑅 + 𝛿𝑅)</p><p>) 𝑈</p><p>𝛿𝑉 =</p><p>𝑈𝛿𝑅</p><p>4𝑅 + 2𝛿𝑅</p><p>=</p><p>𝑈</p><p>4 (𝑅 +</p><p>𝛿𝑅</p><p>2</p><p>)</p><p>𝛿𝑅</p><p>𝛿𝑉 =</p><p>𝑈𝐾</p><p>4 (1 + 𝐾</p><p>𝜀</p><p>2</p><p>)</p><p>𝜀 =</p><p>𝑈𝐾</p><p>4𝐸 (1 +</p><p>𝐾𝜎</p><p>𝐸2</p><p>)</p><p>𝜎 =</p><p>𝑈𝐾</p><p>4𝐸𝐴 (1 +</p><p>𝐾𝐹</p><p>𝐸𝐴2</p><p>)</p><p>𝐹</p><p>𝐹(𝛿𝑉) =</p><p>4𝐸𝐴</p><p>(𝑈 − 2𝛿𝑉)𝐾</p><p>𝛿𝑉</p><p>Na configuração ponte completa, são necessários quatro strain gauges, dois a dois em ramos</p><p>opostos da ponte, sendo um par na direção da aplicação da força, o outro na direção</p><p>perpendicular, acusando o efeito Poisson. Resulta em uma relação linear e com maior</p><p>sensibilidade,</p><p>𝑅𝑔𝑎𝑢𝑔𝑒1 = 𝑅 + 𝛿𝑅</p><p>𝑅𝑔𝑎𝑢𝑔𝑒2 = 𝑅 − 𝑣𝛿𝑅</p><p>𝑅𝑔𝑎𝑢𝑔𝑒3 = 𝑅 + 𝛿𝑅</p><p>𝑅𝑔𝑎𝑢𝑔𝑒4 = 𝑅 − 𝑣𝛿𝑅</p><p>𝛿𝑉 = 𝑉𝑎𝑑 − 𝑉𝑎𝑏</p><p>𝑉𝑎𝑑 =</p><p>𝑅 + 𝛿𝑅</p><p>2𝑅 + (1 − 𝑣)𝛿𝑅</p><p>𝑈</p><p>𝑉𝑎𝑏 =</p><p>𝑅 − 𝑣𝛿𝑅</p><p>2𝑅 + (1 − 𝑣)𝛿𝑅</p><p>𝑈</p><p>𝛿𝑉 = [</p><p>𝑅 + 𝛿𝑅 − 𝑅 + 𝑣𝛿𝑅</p><p>2𝑅 + (1 − 𝑣)𝛿𝑅</p><p>] 𝑈</p><p>𝛿𝑉 =</p><p>(1 + 𝑣)𝛿𝑅</p><p>2𝑅 + (1 − 𝑣)𝛿𝑅</p><p>𝑈</p><p>Fazendo 𝑣 = 1:</p><p>𝛿𝑉 =</p><p>2𝛿𝑅𝑈</p><p>2𝑅</p><p>= 𝑈𝐾𝜀 =</p><p>𝑈𝐾𝜎</p><p>𝐸</p><p>𝛿𝑉 =</p><p>𝑈𝐾</p><p>𝐸𝐴</p><p>𝐹</p><p>𝐹(𝛿𝑉) =</p><p>𝐸𝐴</p><p>𝑈𝐾</p><p>𝛿𝑉</p><p>2) Sendo uma solicitação de tração com configuração ¼ ponte, temos:</p><p>𝐹(𝛿𝑉) =</p><p>4𝐸𝐴</p><p>(𝑈 − 2𝛿𝑉)𝐾</p><p>𝛿𝑉</p><p>𝐴 =</p><p>𝐾𝐹(𝑈 − 2𝛿𝑉)</p><p>4𝐸𝛿𝑉</p><p>𝐴 = 1,09 ∗ 10−8 𝑚²</p><p>3) Sendo uma solicitação de tração com configuração ½ ponte, temos:</p><p>𝛿𝑉 =</p><p>𝑈𝐾𝐹</p><p>2𝐸𝐴</p><p>𝛿𝑉 =</p><p>12 ∗ 3,5 ∗ 10</p><p>2 ∗ 2,0685 ∗ 1011 ∗ 1,2 ∗ 10−5</p><p>𝛿𝑉 = 0,085 𝑚𝑉</p><p>4) Sendo uma solicitação de tração com configuração de ponte completa, temos:</p><p>𝛿𝑉 =</p><p>𝑈𝐾𝐹</p><p>𝐸𝐴</p><p>𝛿𝑉 = 2 ∗ 0,085 𝑚𝑉 = 0,170 𝑚𝑉</p><p>Observa-se que a configuração de ponte completa duplica a sensibilidade do conjunto.</p><p>5) Sendo uma solicitação de flexão com configuração de ponte completa, temos:</p><p>𝛿𝑉 =</p><p>𝑈𝐾𝜎𝑚𝑎𝑥</p><p>𝐸</p><p>𝛿𝑉 =</p><p>6𝑈𝐾𝐿𝐹</p><p>𝐸𝑎𝑏²</p><p>𝑏 = √</p><p>6𝑈𝐾𝐿𝐹</p><p>𝐸𝑎𝛿𝑉</p><p>𝑏 = √</p><p>6 ∗ 10 ∗ 2,0 ∗ 60 ∗ 100</p><p>9,6530 ∗ 1010 ∗ 2 ∗ 4,14 ∗ 10−3</p><p>𝑏 = 3 𝑐𝑚</p><p>6)</p><p>𝛿𝑉 =</p><p>𝑈𝐾𝜏𝑚𝑎𝑥</p><p>4𝐺</p><p>𝛿𝑉 =</p><p>𝑈𝐾</p><p>4𝐺</p><p>16</p><p>𝜋</p><p>𝑀𝑡</p><p>𝐷³</p><p>𝑀𝑡 =</p><p>𝐺𝜋 ∗ 𝐷3 ∗ 𝛿𝑉</p><p>4𝑈𝐾</p><p>𝑀𝑡 =</p><p>4,1370 ∗ 1010 ∗ 𝜋 ∗ (0,2)3 ∗ 0,04 ∗ 10−3</p><p>4 ∗ 15 ∗ 2</p><p>𝑀𝑡 = 346,58 𝑁𝑚</p>

Mais conteúdos dessa disciplina