Logo Passei Direto
Buscar
Material
páginas com resultados encontrados.
páginas com resultados encontrados.
left-side-bubbles-backgroundright-side-bubbles-background

Crie sua conta grátis para liberar esse material. 🤩

Já tem uma conta?

Ao continuar, você aceita os Termos de Uso e Política de Privacidade

left-side-bubbles-backgroundright-side-bubbles-background

Crie sua conta grátis para liberar esse material. 🤩

Já tem uma conta?

Ao continuar, você aceita os Termos de Uso e Política de Privacidade

Prévia do material em texto

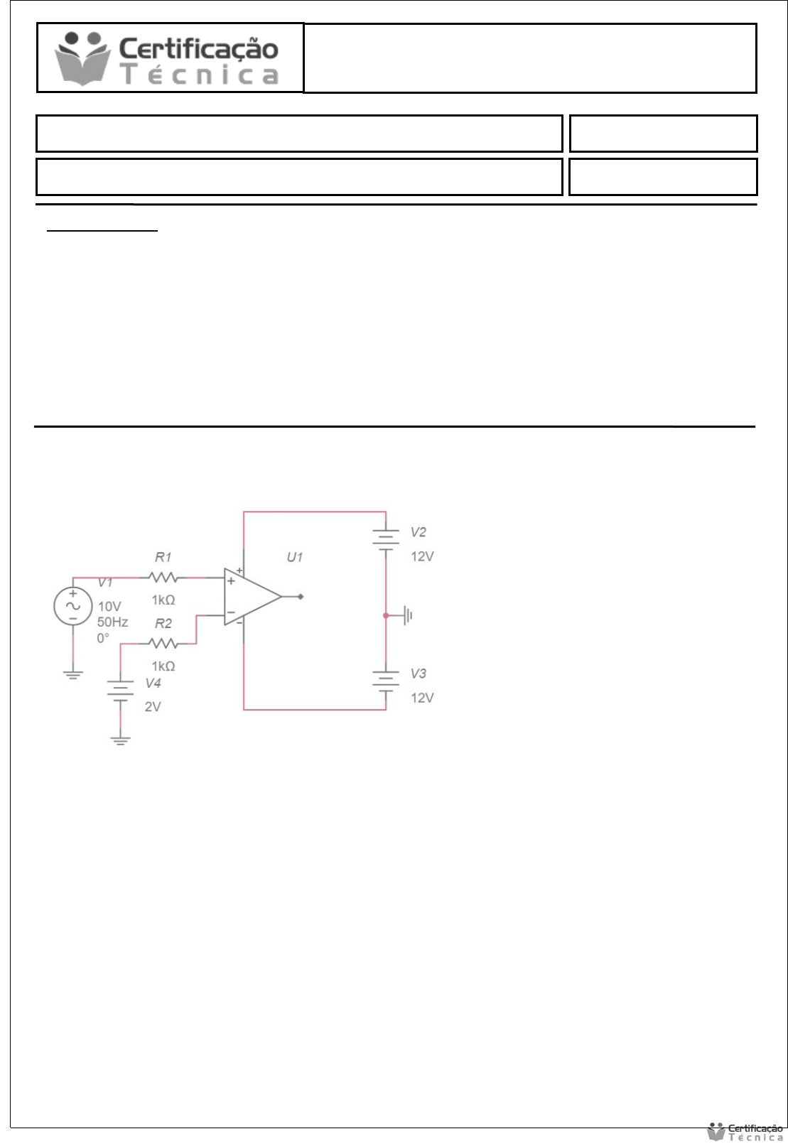
<p>Amplificadores Operacionais</p><p>Data: .</p><p>Aluno (a):</p><p>Avaliação Pratica</p><p>INSTRUÇÕES:</p><p>· Esta Avaliação contém 1 (uma) questão, totalizando 10 (dez) pontos;</p><p>· Baixe o arquivo disponível com a Atividade Pratica;</p><p>· Você deve preencher dos dados no Cabeçalho para sua identificação:</p><p>· Nome / Data de entrega.</p><p>· As respostas devem ser digitadas abaixo de cada pergunta;</p><p>· Ao terminar grave o arquivo com o nome Atividade Prática;</p><p>· Quando solicitado</p><p>· Envio o arquivo pelo sistema no local indicado;</p><p>· Em caso de dúvidas consulte o seu Tutor.</p><p>Simule o circuito abaixo, use um osciloscópio para medir o sinal de saída e o apresente aqui:</p><p>image1.emf</p><p>image2.png</p><p>image3.png</p><p>INSTRUÇÕES</p><p>:</p><p>v</p><p>Esta</p><p>Avaliação</p><p>contém</p><p>1</p><p>(</p><p>uma</p><p>) quest</p><p>ão</p><p>, totalizando 10 (dez) pontos</p><p>;</p><p>v</p><p>Baixe o arquivo dispon</p><p>ível com a Atividade Pratica</p><p>;</p><p>v</p><p>Você deve preencher dos dados no Cabeçalho para sua identificação</p><p>:</p><p>o</p><p>Nome / Data de entrega</p><p>.</p><p>v</p><p>As respostas devem ser digitadas abaixo de</p><p>cada pergunta</p><p>;</p><p>v</p><p>Ao terminar</p><p>grave o arquivo com o nome Atividade Prática</p><p>;</p><p>o</p><p>Quando solicitado</p><p>v</p><p>Envio o arquivo pelo sistema no local indicado</p><p>;</p><p>v</p><p>Em caso de dúvidas consulte o seu Tutor</p><p>.</p><p>Aluno</p><p>(a):</p><p>Data</p><p>:</p><p>.</p><p>Amplificadores Operacionais</p><p>A</p><p>valiação Pratica</p><p>Simule o circuito abaixo, use um osciloscópio para medir o sinal de saída e o apresente aqui:</p><p>INSTRUÇÕES:</p><p> Esta Avaliação contém 1 (uma) questão, totalizando 10 (dez) pontos;</p><p> Baixe o arquivo disponível com a Atividade Pratica;</p><p> Você deve preencher dos dados no Cabeçalho para sua identificação:</p><p>o Nome / Data de entrega.</p><p> As respostas devem ser digitadas abaixo de cada pergunta;</p><p> Ao terminar grave o arquivo com o nome Atividade Prática;</p><p>o Quando solicitado</p><p> Envio o arquivo pelo sistema no local indicado;</p><p> Em caso de dúvidas consulte o seu Tutor.</p><p>Aluno (a):</p><p>Data: .</p><p>Amplificadores Operacionais</p><p>Avaliação Pratica</p><p>Simule o circuito abaixo, use um osciloscópio para medir o sinal de saída e o apresente aqui:</p>

Mais conteúdos dessa disciplina