Logo Passei Direto
Buscar

1 (406)

User badge image
Joaquim

em

Ferramentas de estudo

Material
páginas com resultados encontrados.
páginas com resultados encontrados.

Prévia do material em texto

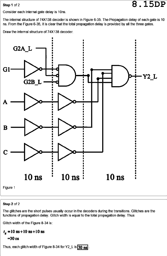
Step 1 of 2 8.15DP Consider each internal gate delay is 10ns. The internal structure of 74X138 decoder is shown in Figure 6-35. The Propagation delay of each gate is 10 ns. From the Figure 6-35, it is clear that the total propagation delay is provided by all the three gates. Draw the structure of 74X138 decoder. G2A_L G1 Y2_L G2B_L A B C 10 ns 10 ns 10 ns Figure 1 Step 2 of 2 The glitches are the short pulses usually occur in the decoders during the transitions. Glitches are the functions of propagation delay. Glitch width is equal to the total propagation delay. Thus Glitch width of the Figure 8-34 is: = 10 ns + 10 ns +10 ns =30 ns Thus, each glitch width of Figure 8-34 for Y2_L is

Mais conteúdos dessa disciplina