Logo Passei Direto
Buscar

Princípios de Mecânica e Resistência dos Materiais Exercícios 2 Nota 100

Ferramentas de estudo

Questões resolvidas

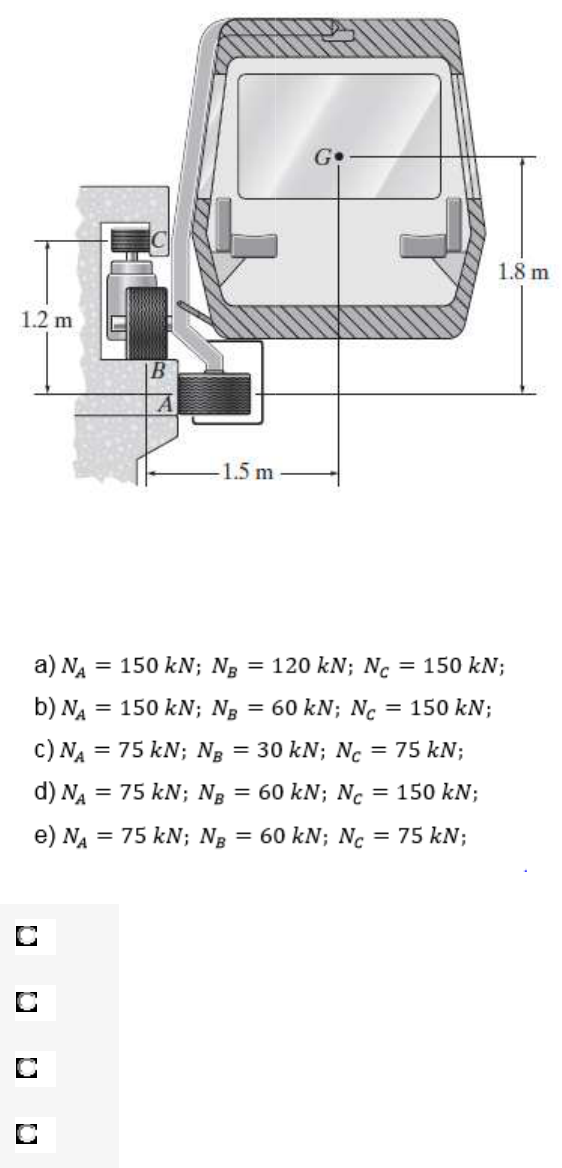
Vagões ferroviários são utilizados para o transporte de passageiros e cargas. Um modelo específico destes vagões possui peso de 120 kN e centro de massa em G. Ele é suspenso pela frente e por trás no trilho por seis pneus localizados em A, B.
Determine as reações normais desses pneus se considerarmos que o trilho é uma superfície lisa e uma parte igual da carga é sustentada nos pneus dianteiros e traseiros.
A "a" é a alternativa correta.
B "b" é a alternativa correta.
C "c" é a alternativa correta.
D "d" é a alternativa correta.

Para estudar a resposta dinâmica ou o movimento acelerado de um corpo, é importante localizar o centro de massa do mesmo.
Para que este ponto coincida com o centro geométrico (centroide), é necessário que o corpo:
A esteja localizado em um campo gravitacional, já que estes pontos sempre são coincidentes;
B seja constituído por material metálico;
C seja composto por uma série infinita de partículas;
D possua material uniforme e homogêneo;

Material
páginas com resultados encontrados.
páginas com resultados encontrados.
left-side-bubbles-backgroundright-side-bubbles-background

Crie sua conta grátis para liberar esse material. 🤩

Já tem uma conta?

Ao continuar, você aceita os Termos de Uso e Política de Privacidade

left-side-bubbles-backgroundright-side-bubbles-background

Crie sua conta grátis para liberar esse material. 🤩

Já tem uma conta?

Ao continuar, você aceita os Termos de Uso e Política de Privacidade

left-side-bubbles-backgroundright-side-bubbles-background

Crie sua conta grátis para liberar esse material. 🤩

Já tem uma conta?

Ao continuar, você aceita os Termos de Uso e Política de Privacidade

left-side-bubbles-backgroundright-side-bubbles-background

Crie sua conta grátis para liberar esse material. 🤩

Já tem uma conta?

Ao continuar, você aceita os Termos de Uso e Política de Privacidade

left-side-bubbles-backgroundright-side-bubbles-background

Crie sua conta grátis para liberar esse material. 🤩

Já tem uma conta?

Ao continuar, você aceita os Termos de Uso e Política de Privacidade

left-side-bubbles-backgroundright-side-bubbles-background

Crie sua conta grátis para liberar esse material. 🤩

Já tem uma conta?

Ao continuar, você aceita os Termos de Uso e Política de Privacidade

left-side-bubbles-backgroundright-side-bubbles-background

Crie sua conta grátis para liberar esse material. 🤩

Já tem uma conta?

Ao continuar, você aceita os Termos de Uso e Política de Privacidade

left-side-bubbles-backgroundright-side-bubbles-background

Crie sua conta grátis para liberar esse material. 🤩

Já tem uma conta?

Ao continuar, você aceita os Termos de Uso e Política de Privacidade

Questões resolvidas

Vagões ferroviários são utilizados para o transporte de passageiros e cargas. Um modelo específico destes vagões possui peso de 120 kN e centro de massa em G. Ele é suspenso pela frente e por trás no trilho por seis pneus localizados em A, B.
Determine as reações normais desses pneus se considerarmos que o trilho é uma superfície lisa e uma parte igual da carga é sustentada nos pneus dianteiros e traseiros.
A "a" é a alternativa correta.
B "b" é a alternativa correta.
C "c" é a alternativa correta.
D "d" é a alternativa correta.

Para estudar a resposta dinâmica ou o movimento acelerado de um corpo, é importante localizar o centro de massa do mesmo.
Para que este ponto coincida com o centro geométrico (centroide), é necessário que o corpo:
A esteja localizado em um campo gravitacional, já que estes pontos sempre são coincidentes;
B seja constituído por material metálico;
C seja composto por uma série infinita de partículas;
D possua material uniforme e homogêneo;

Prévia do material em texto

Questão 1/5 - Princípios
Vagões ferroviários são utilizados para o transporte de passageiros e 
cargas. Um modelo específico destes vagões possui peso de 120 kN e 
centro de massa em G. Ele é suspenso pela frente e por trás no trilho 
por seis pneus localizados em A, B
 
Determine as reações normais desses pneus se considerarmos que o 
trilho é uma superfície lisa e uma parte igual 
pneus dianteiros e traseiros. 
 
Nota: 20.0 
 
A "a" é a alternativa correta.
 
B "b" é a alternativa correta.
 
C "c" é a alternativa correta.
 
D "d" é a alternativa correta.
Princípios de Mecânica e Resistência dos Materiai
Vagões ferroviários são utilizados para o transporte de passageiros e 
cargas. Um modelo específico destes vagões possui peso de 120 kN e 
centro de massa em G. Ele é suspenso pela frente e por trás no trilho 
por seis pneus localizados em A, B e C, conforme a figura a seguir:
 
Determine as reações normais desses pneus se considerarmos que o 
trilho é uma superfície lisa e uma parte igual da carga é sustentada nos 
pneus dianteiros e traseiros. 
 
"a" é a alternativa correta. 
"b" é a alternativa correta. 
"c" é a alternativa correta. 
"d" é a alternativa correta. 
de Mecânica e Resistência dos Materiais 
Vagões ferroviários são utilizados para o transporte de passageiros e 
cargas. Um modelo específico destes vagões possui peso de 120 kN e 
centro de massa em G. Ele é suspenso pela frente e por trás no trilho 
e a figura a seguir: 
Determine as reações normais desses pneus se considerarmos que o 
da carga é sustentada nos 
 
E "e" é a alternativa correta.
Você acertou! 
 
"e" é a alternativa correta. 
 
 
 
Questão 2/5 - Princípios
Determine o momento de inércia da área em relação ao eixo y
 
 
 
Dica: escolha um elemento diferencial retangular vertical para a 
integração, e integre de 
 
 
Analise as alternativas abaixo e marque a correta:
Nota: 20.0 
 
A 
 
 
B 
 
 
C 
 
 
D 
 
Você acertou! 
Princípios de Mecânica e Resistência dos Materiais
ento de inércia da área em relação ao eixo y
 
Dica: escolha um elemento diferencial retangular vertical para a 
integração, e integre de x = 0 até x = 1 m 
Analise as alternativas abaixo e marque a correta: 
de Mecânica e Resistência dos Materiais 
ento de inércia da área em relação ao eixo y : 
Dica: escolha um elemento diferencial retangular vertical para a 
 
 
 
Questão 3/5 - Princípios
Determine o momento de inércia da área de seção transversal da viga em 
relação ao eixo x′x′ que passa pelo centroide C da seção reta. Despreze as 
dimensões dos cantos de soldas em A e B para esses cálculos; considere 
que ¯ y=104,3mmy¯ =104,3mm
 
Nota: 20.0 
 
A 
 
B 
 
C 
Você acertou! 
Aula 3, tema 2 
Princípios de Mecânica e Resistência dos Materiais
Determine o momento de inércia da área de seção transversal da viga em 
que passa pelo centroide C da seção reta. Despreze as 
dimensões dos cantos de soldas em A e B para esses cálculos; considere 
y¯ =104,3mm. (Estática, 10ª ed, Hibbeler) 
 
 
 
 
 
de Mecânica e Resistência dos Materiais 
Determine o momento de inércia da área de seção transversal da viga em 
que passa pelo centroide C da seção reta. Despreze as 
dimensões dos cantos de soldas em A e B para esses cálculos; considere 
 
 
D 
Questão 4/5 - Princípios
Para estudar a resposta dinâmica ou o movimento acelerado de um 
corpo, é importante localizar o centro de massa do mesmo. Para que 
este ponto coincida com o centro geométrico (centroide), é necessário 
que o corpo: 
Nota: 20.0 
 
A esteja localizado em um campo gravitacional, já que estes pontos sempre são 
 
B seja constituído por material metálico;
 
C seja composto por uma série infinita de partículas;
 
D possua material uniforme e homogêneo;
Você acertou! 
A resposta é dada por definição. Ver Hibbeler 
 
Princípios de Mecânica e Resistência dos Materiais
Para estudar a resposta dinâmica ou o movimento acelerado de um 
corpo, é importante localizar o centro de massa do mesmo. Para que 
este ponto coincida com o centro geométrico (centroide), é necessário 
esteja localizado em um campo gravitacional, já que estes pontos sempre são 
seja constituído por material metálico; 
seja composto por uma série infinita de partículas; 
possua material uniforme e homogêneo; 
A resposta é dada por definição. Ver Hibbeler – Estática, página 376.
 
 
de Mecânica e Resistência dos Materiais 
Para estudar a resposta dinâmica ou o movimento acelerado de um 
corpo, é importante localizar o centro de massa do mesmo. Para que 
este ponto coincida com o centro geométrico (centroide), é necessário 
esteja localizado em um campo gravitacional, já que estes pontos sempre são coincidentes; 
Estática, página 376. 
 
Questão 5/5 - Princípios
Trabalhadores que precisam acessar alturas elevadas utilizam 
plataformas, conforme a da figura a seguir:
 
A plataforma possui um peso de 1,25 kN e centro de gravidade em G. 
Sabendo que ela deve suportar uma carga máxima de 2 kN colocada 
no ponto G, determine o menor contrapeso 
em B de modo a evitar que a plataforma tombe. Dica: quando a 
plataforma está na iminência de tombar, perde
em C e o solo. 
 
Analise as alternativasabaixo e assinale a correta.
Nota: 20.0 
 
A 
 
B 
Você acertou! 
Princípios de Mecânica e Resistência dos Materiais
Trabalhadores que precisam acessar alturas elevadas utilizam 
plataformas, conforme a da figura a seguir: 
 
A plataforma possui um peso de 1,25 kN e centro de gravidade em G. 
ue ela deve suportar uma carga máxima de 2 kN colocada 
, determine o menor contrapeso W que deve ser colocado 
de modo a evitar que a plataforma tombe. Dica: quando a 
plataforma está na iminência de tombar, perde-se o contato entre roda 
Analise as alternativasabaixo e assinale a correta. 
 
 
de Mecânica e Resistência dos Materiais 
Trabalhadores que precisam acessar alturas elevadas utilizam 
A plataforma possui um peso de 1,25 kN e centro de gravidade em G. 
ue ela deve suportar uma carga máxima de 2 kN colocada 
que deve ser colocado 
de modo a evitar que a plataforma tombe. Dica: quando a 
se o contato entre roda 
 
C 
 
D

Mais conteúdos dessa disciplina