Logo Passei Direto
Buscar

Avaliação I - Eletrônica Analógica e Digital

Ferramentas de estudo

Questões resolvidas

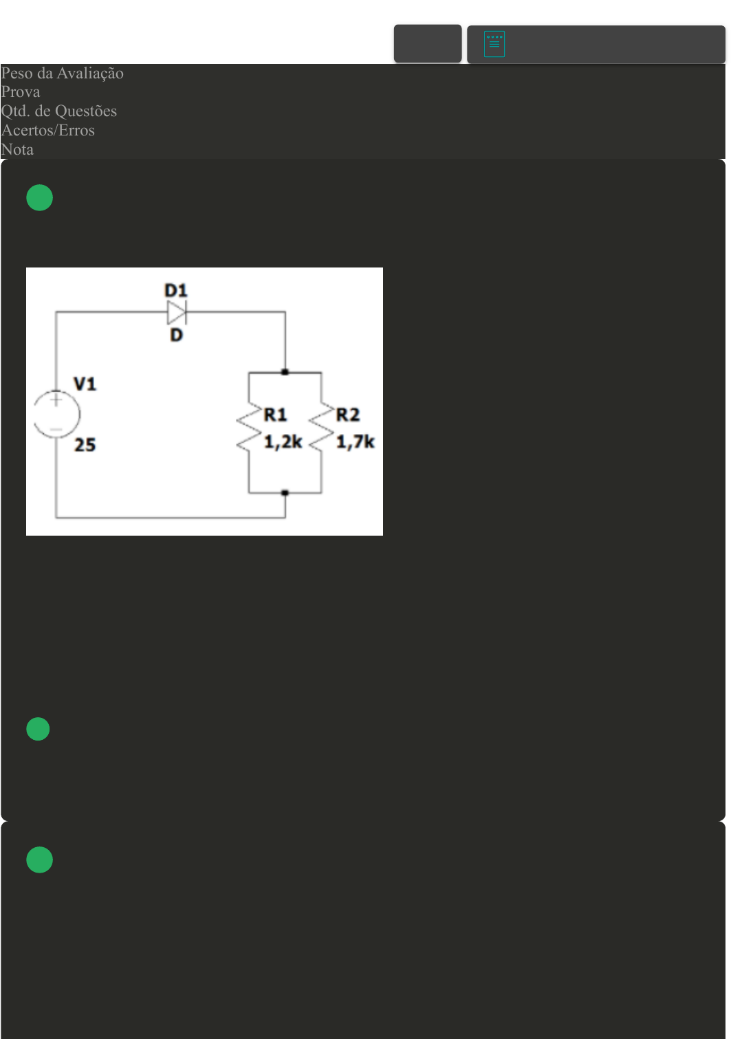
Em uma situação foi aplicado um componente diodo em uma fonte de corrente alternada, com a finalidade de ceifar o semiciclo negativo e alimentar duas resistências adiante, R1 e R2, com resistências de 1200 Ohms e 1700 Ohms respectivamente. Considere Vreq = Tensão em R1 e R2.
Conforme o texto e imagem expostos, analise e assinale a alternativa CORRETA quanto ao Req e Tensão dos componentes:
A Req = 710,43 Ohms e Vreq = 24,3 V.
B Req = 706,62 Ohms e Vreq = 21,2 V.
C Req = 705,77 Ohms e Vreq = 23,8 V.
D Req = 703,45 Ohms e Vreq = 24,3 V.
E Req = 701,34 Ohms e Vreq = 22,7 V.

Uma das configurações de retificadores monofásicos existentes que é utilizado é a topologia de meia onda com diodo de roda livre, operando com dois diodos no circuito RL e um deles é conectado em antiparalelo com a carga, desta forma qualquer valor de tensão negativa de forma abrupta é bloqueado, e ainda permitindo que o indutor possa esvair a energia concentrada.
Partindo do trecho supracitado, julgue as alternativas a seguir quanto o funcionamento do retificador mencionado. É correto o que se afirma em:
A A corrente negativa que surge no semiciclo negativo da fonte flui do primeiro ao segundo diodo, onde é interrompida.
B O diodo em antiparalelo impede o surgimento de uma tensão negativa na carga prevenindo a queda da tensão média.
C A tensão armazenada no indutor terá valor positivo por mais de meio período positivo da fonte de tensão alternada.
D O semiciclo negativo apresenta um valor de pico até o valor zero de tensão, e por meio do indutor, a tensão será invertida e contra a queda de corrente.
E O indutor influencia diretamente a corrente que flui da fonte de tensão através do campo magnético induzido.

No processo de obtenção de energia elétrica, parte de uma fonte geradora acompanhada de um sistema de transmissão, geralmente cabos elétricos e em seguida, chegam aos consumidores finais para sua utilização doméstica, comercial ou industrial. A tensão de transmissão não é a mesma durante o consumo por fatores de distância, por isso, os cabos são de elevadas tensões. Logo, existe os componentes transformadores, e estes estão presentes até nos circuitos mais delicados.
Sobre o exposto, analise as sentenças a seguir:
I. Os sistemas de filtro e retificação operam na transformação da corrente alternada para contínua.
II. As usinas geradoras criam variações de potencial nas redes de distribuição em sinal discreto e contínuo, depois elevam sua tensão e distribuem.
III. Os circuitos eletrônicos operam com baixas tensões, entre 5V e 12V, fazendo uso de retificação da entrada de energia elétrica, reduzindo a tensão.
IV. As instalações residenciais contam com transformadores anteriores ao quadro de distribuição, realizando a queda da tensão vinda da concessionária a valores entre 127V e 220V.
A I, apenas.
B I e II, apenas.
C I, II, III e IV.
D II e IV, apenas.
E I, III e IV, apenas.

O LED é um componente eletrônico semicondutor, ou seja, um diodo emissor de luz, mesma tecnologia utilizada nos chips dos computadores, que tem a propriedade de transformar energia elétrica em luz. Tal transformação é diferente da encontrada nas lâmpadas convencionais que utilizam filamentos metálicos, radiação ultravioleta e descarga de gases, dentre outras. Nos LEDs, a transformação de energia elétrica em luz é feita na matéria, sendo, por isso, chamada de estado sólido.
Conforme o breve trecho anterior, julgue a veracidade das afirmativas abaixo:
I. A emissão de luz algo é importante a ser observado, pois quando ocorre a temperatura ambiente se diferencia da incandescência que ocorre em altas temperaturas.
II. Os diodos emissores de luz, também conhecidos como LED, emitem luz visível ou invisível (infravermelho) quando energizados e são compostos por diferentes camadas de semicondutores em estado sólido.
III. A emissão de luz de um material sólido foi observado pela primeira vez no início do século XIX quando o mesmo é excitado por uma fonte de tensão, sendo denominado este fenômeno, de eletroluminescência.
IV. A maior parte da energia é convertida em calor em diodos de Si e Ga, sendo a luz emitida insignificante, porém diodos de GaAl emitem luz invisível na zona de infravermelho durante este processo de recombinação.
A I e II, apenas.
B I, II e III, apenas.
C III, apenas.
D III e IV, apenas.
E II, III e IV, apenas.

O Diodo Emissor de Luz sem dúvida é conhecido pela maioria das pessoas da atualidade, pois é muito utilizado em dispositivos portáteis e em diversos equipamentos elétricos para emitir luz de acordo com o status de funcionamento. A luz emitida pelo LED se dá pelo salto do elétron, de uma órbita para outra, durante a circulação de corrente pela junção. Corrente esta que tem limites de acordo com o fabricante.
Já a cor do LED depende de:
A Da tensão na junção acima de 5 V.
B Do material utilizado para a fabricação da pastilha de semicondutor e a sua dopagem.
C Da corrente do LED.
D Da cor da lente do encapsulamento.
E Da frequência do sinal aplicada no ânodo.

As máquinas e dispositivos elétricos em operação atualmente são compostos de elementos que façam a transmissão de energia, desse modo há a passagem de uma grandeza física ou química em intensidade de trabalho. O ambiente da eletrônica cede a possibilidade da combinação de elementos de diferentes classes no mesmo processo, como é o caso de qualquer máquina industrial que apresente um sistema mecânico, elétrico e eletrônico.
Partindo das informações dadas no trecho anterior, analise a veracidade dentre as afirmativas a seguir:
I. A indústria exige ações conjuntas dentre materiais metálicos e cerâmicos.
II. As placas eletrônicas servem como uma forma de direcionar trabalho e intensidade requeridas para as funções e maquinas.
III. As operações industriais se aproveitam das características de transmissão de energia dos elementos condutores e semicondutores.
A III, apenas.
B I e II, apenas.
C I, II e III.
D II e III, apenas.
E I, apenas.

Na polaridade P, a positiva, chamada ânodo, geralmente composta pelo elemento índio e a polaridade N, negativa, chamada cátodo. Com essa diferença em cada polo, o fenômeno de polarização acontece de acordo com o sentido da corrente. Por isso a aplicação do diodo é tão comum. Ele pode agir como um retificador de tensão, transformando a corrente alternada (AC) em corrente contínua (DC) em uma única direção.
Conforme o breve trecho anterior, julgue a coerência das afirmativas abaixo:
I. A sua corrente é medida em miliampères e possui uma subida rápida após o seu "joelho".
II. O diodo de silício real em polarização direta possui, no máximo, uma queda de tensão de 1 V.
III. A equação de Chutney pode ser utilizada para definir as características do diodo semicondutor nas regiões de polarização reversa e direta.
IV. O valor da corrente de saturação reversa que aparece na equação de Chutney costuma ser mensuravelmente menor que a real de um diodo comercial devido a diversos fatores dentre os quais é possível destacar a corrente de fuga, a geração de portadores na região de depleção, sensibilidade à temperatura etc.
A I, II e III, apenas.
B II, III e IV, apenas.
C III, apenas.
D II e IV, apenas.
E I e II, apenas.

O LED é um diodo que possui a capacidade de emitir luz quando polarizado diretamente, entretanto, alguns tipos de LED emitem luz na faixa de espectro eletromagnético visível e outros em infravermelho, que não podemos ver de forma natural, o que normalmente é utilizado em aplicações de comunicação de dados e instrumentação industrial.
Baseado neste conceito, calcule o valor do resistor, utilizado para limitar a corrente do LED que opera com corrente de 5 mA e tensão do LED de 2,0 V, sendo alimentado com tensão de 12 V. Considerando o cálculo feito, assinale a alternativa CORRETA:
A Rs= 4000 Ohms e PRLED= 20 mW.
B Rs= 1000 Ohms e PRLED= 500 mW.
C Rs= 5000 Ohms e PRLED= 20 mW.
D Rs= 2000 Ohms e PRLED= 50 mW.
E Rs= 200 Ohms e PRLED= 5000 mW.

Material
páginas com resultados encontrados.
páginas com resultados encontrados.
left-side-bubbles-backgroundright-side-bubbles-background

Crie sua conta grátis para liberar esse material. 🤩

Já tem uma conta?

Ao continuar, você aceita os Termos de Uso e Política de Privacidade

left-side-bubbles-backgroundright-side-bubbles-background

Crie sua conta grátis para liberar esse material. 🤩

Já tem uma conta?

Ao continuar, você aceita os Termos de Uso e Política de Privacidade

left-side-bubbles-backgroundright-side-bubbles-background

Crie sua conta grátis para liberar esse material. 🤩

Já tem uma conta?

Ao continuar, você aceita os Termos de Uso e Política de Privacidade

left-side-bubbles-backgroundright-side-bubbles-background

Crie sua conta grátis para liberar esse material. 🤩

Já tem uma conta?

Ao continuar, você aceita os Termos de Uso e Política de Privacidade

left-side-bubbles-backgroundright-side-bubbles-background

Crie sua conta grátis para liberar esse material. 🤩

Já tem uma conta?

Ao continuar, você aceita os Termos de Uso e Política de Privacidade

left-side-bubbles-backgroundright-side-bubbles-background

Crie sua conta grátis para liberar esse material. 🤩

Já tem uma conta?

Ao continuar, você aceita os Termos de Uso e Política de Privacidade

Questões resolvidas

Em uma situação foi aplicado um componente diodo em uma fonte de corrente alternada, com a finalidade de ceifar o semiciclo negativo e alimentar duas resistências adiante, R1 e R2, com resistências de 1200 Ohms e 1700 Ohms respectivamente. Considere Vreq = Tensão em R1 e R2.
Conforme o texto e imagem expostos, analise e assinale a alternativa CORRETA quanto ao Req e Tensão dos componentes:
A Req = 710,43 Ohms e Vreq = 24,3 V.
B Req = 706,62 Ohms e Vreq = 21,2 V.
C Req = 705,77 Ohms e Vreq = 23,8 V.
D Req = 703,45 Ohms e Vreq = 24,3 V.
E Req = 701,34 Ohms e Vreq = 22,7 V.

Uma das configurações de retificadores monofásicos existentes que é utilizado é a topologia de meia onda com diodo de roda livre, operando com dois diodos no circuito RL e um deles é conectado em antiparalelo com a carga, desta forma qualquer valor de tensão negativa de forma abrupta é bloqueado, e ainda permitindo que o indutor possa esvair a energia concentrada.
Partindo do trecho supracitado, julgue as alternativas a seguir quanto o funcionamento do retificador mencionado. É correto o que se afirma em:
A A corrente negativa que surge no semiciclo negativo da fonte flui do primeiro ao segundo diodo, onde é interrompida.
B O diodo em antiparalelo impede o surgimento de uma tensão negativa na carga prevenindo a queda da tensão média.
C A tensão armazenada no indutor terá valor positivo por mais de meio período positivo da fonte de tensão alternada.
D O semiciclo negativo apresenta um valor de pico até o valor zero de tensão, e por meio do indutor, a tensão será invertida e contra a queda de corrente.
E O indutor influencia diretamente a corrente que flui da fonte de tensão através do campo magnético induzido.

No processo de obtenção de energia elétrica, parte de uma fonte geradora acompanhada de um sistema de transmissão, geralmente cabos elétricos e em seguida, chegam aos consumidores finais para sua utilização doméstica, comercial ou industrial. A tensão de transmissão não é a mesma durante o consumo por fatores de distância, por isso, os cabos são de elevadas tensões. Logo, existe os componentes transformadores, e estes estão presentes até nos circuitos mais delicados.
Sobre o exposto, analise as sentenças a seguir:
I. Os sistemas de filtro e retificação operam na transformação da corrente alternada para contínua.
II. As usinas geradoras criam variações de potencial nas redes de distribuição em sinal discreto e contínuo, depois elevam sua tensão e distribuem.
III. Os circuitos eletrônicos operam com baixas tensões, entre 5V e 12V, fazendo uso de retificação da entrada de energia elétrica, reduzindo a tensão.
IV. As instalações residenciais contam com transformadores anteriores ao quadro de distribuição, realizando a queda da tensão vinda da concessionária a valores entre 127V e 220V.
A I, apenas.
B I e II, apenas.
C I, II, III e IV.
D II e IV, apenas.
E I, III e IV, apenas.

O LED é um componente eletrônico semicondutor, ou seja, um diodo emissor de luz, mesma tecnologia utilizada nos chips dos computadores, que tem a propriedade de transformar energia elétrica em luz. Tal transformação é diferente da encontrada nas lâmpadas convencionais que utilizam filamentos metálicos, radiação ultravioleta e descarga de gases, dentre outras. Nos LEDs, a transformação de energia elétrica em luz é feita na matéria, sendo, por isso, chamada de estado sólido.
Conforme o breve trecho anterior, julgue a veracidade das afirmativas abaixo:
I. A emissão de luz algo é importante a ser observado, pois quando ocorre a temperatura ambiente se diferencia da incandescência que ocorre em altas temperaturas.
II. Os diodos emissores de luz, também conhecidos como LED, emitem luz visível ou invisível (infravermelho) quando energizados e são compostos por diferentes camadas de semicondutores em estado sólido.
III. A emissão de luz de um material sólido foi observado pela primeira vez no início do século XIX quando o mesmo é excitado por uma fonte de tensão, sendo denominado este fenômeno, de eletroluminescência.
IV. A maior parte da energia é convertida em calor em diodos de Si e Ga, sendo a luz emitida insignificante, porém diodos de GaAl emitem luz invisível na zona de infravermelho durante este processo de recombinação.
A I e II, apenas.
B I, II e III, apenas.
C III, apenas.
D III e IV, apenas.
E II, III e IV, apenas.

O Diodo Emissor de Luz sem dúvida é conhecido pela maioria das pessoas da atualidade, pois é muito utilizado em dispositivos portáteis e em diversos equipamentos elétricos para emitir luz de acordo com o status de funcionamento. A luz emitida pelo LED se dá pelo salto do elétron, de uma órbita para outra, durante a circulação de corrente pela junção. Corrente esta que tem limites de acordo com o fabricante.
Já a cor do LED depende de:
A Da tensão na junção acima de 5 V.
B Do material utilizado para a fabricação da pastilha de semicondutor e a sua dopagem.
C Da corrente do LED.
D Da cor da lente do encapsulamento.
E Da frequência do sinal aplicada no ânodo.

As máquinas e dispositivos elétricos em operação atualmente são compostos de elementos que façam a transmissão de energia, desse modo há a passagem de uma grandeza física ou química em intensidade de trabalho. O ambiente da eletrônica cede a possibilidade da combinação de elementos de diferentes classes no mesmo processo, como é o caso de qualquer máquina industrial que apresente um sistema mecânico, elétrico e eletrônico.
Partindo das informações dadas no trecho anterior, analise a veracidade dentre as afirmativas a seguir:
I. A indústria exige ações conjuntas dentre materiais metálicos e cerâmicos.
II. As placas eletrônicas servem como uma forma de direcionar trabalho e intensidade requeridas para as funções e maquinas.
III. As operações industriais se aproveitam das características de transmissão de energia dos elementos condutores e semicondutores.
A III, apenas.
B I e II, apenas.
C I, II e III.
D II e III, apenas.
E I, apenas.

Na polaridade P, a positiva, chamada ânodo, geralmente composta pelo elemento índio e a polaridade N, negativa, chamada cátodo. Com essa diferença em cada polo, o fenômeno de polarização acontece de acordo com o sentido da corrente. Por isso a aplicação do diodo é tão comum. Ele pode agir como um retificador de tensão, transformando a corrente alternada (AC) em corrente contínua (DC) em uma única direção.
Conforme o breve trecho anterior, julgue a coerência das afirmativas abaixo:
I. A sua corrente é medida em miliampères e possui uma subida rápida após o seu "joelho".
II. O diodo de silício real em polarização direta possui, no máximo, uma queda de tensão de 1 V.
III. A equação de Chutney pode ser utilizada para definir as características do diodo semicondutor nas regiões de polarização reversa e direta.
IV. O valor da corrente de saturação reversa que aparece na equação de Chutney costuma ser mensuravelmente menor que a real de um diodo comercial devido a diversos fatores dentre os quais é possível destacar a corrente de fuga, a geração de portadores na região de depleção, sensibilidade à temperatura etc.
A I, II e III, apenas.
B II, III e IV, apenas.
C III, apenas.
D II e IV, apenas.
E I e II, apenas.

O LED é um diodo que possui a capacidade de emitir luz quando polarizado diretamente, entretanto, alguns tipos de LED emitem luz na faixa de espectro eletromagnético visível e outros em infravermelho, que não podemos ver de forma natural, o que normalmente é utilizado em aplicações de comunicação de dados e instrumentação industrial.
Baseado neste conceito, calcule o valor do resistor, utilizado para limitar a corrente do LED que opera com corrente de 5 mA e tensão do LED de 2,0 V, sendo alimentado com tensão de 12 V. Considerando o cálculo feito, assinale a alternativa CORRETA:
A Rs= 4000 Ohms e PRLED= 20 mW.
B Rs= 1000 Ohms e PRLED= 500 mW.
C Rs= 5000 Ohms e PRLED= 20 mW.
D Rs= 2000 Ohms e PRLED= 50 mW.
E Rs= 200 Ohms e PRLED= 5000 mW.

Prévia do material em texto

<p>Prova Impressa</p><p>GABARITO | Avaliação I - Individual (Cod.:990356)</p><p>Peso da Avaliação 2,00</p><p>Prova 87303360</p><p>Qtd. de Questões 10</p><p>Acertos/Erros 10/0</p><p>Nota 10,00</p><p>Em uma situação foi aplicado um componente diodo em uma fonte de corrente alternada, com a</p><p>finalidade de ceifar o semiciclo negativo e alimentar duas resistências adiante, R1 e R2, com</p><p>resistências de 1200 Ohms e 1700 Ohms respectivamente. Considere Vreq = Tensão em R1 e R2.</p><p>Conforme o texto e imagem expostos, analise e assinale a alternativa CORRETA quanto ao Req e</p><p>Tensão dos componentes:</p><p>A Req = 710,43 Ohms e Vreq = 24,3 V.</p><p>B Req = 706,62 Ohms e Vreq = 21,2 V.</p><p>C Req = 705,77 Ohms e Vreq = 23,8 V.</p><p>D Req = 703,45 Ohms e Vreq = 24,3 V.</p><p>E Req = 701,34 Ohms e Vreq = 22,7 V.</p><p>Uma das configurações de retificadores monofásicos existentes que é utilizado é a topologia de</p><p>meia onda com diodo de roda livre, operando com dois diodos no circuito RL e um deles é</p><p>conectado em antiparalelo com a carga, desta forma qualquer valor de tensão negativa de forma</p><p>abrupta é bloqueado, e ainda permitindo que o indutor possa esvair a energia concentrada.</p><p>Fonte: adaptado de: AHMED, A. Eletrônica de potência. São Paulo: Pearson Education do Brasil,</p><p>2008.</p><p>Partindo do trecho supracitado, julgue as alternativas a seguir quanto o funcionamento do</p><p>retificador mencionado. É correto o que se afirma em:</p><p>VOLTAR</p><p>A+ Alterar modo de visualização</p><p>1</p><p>2</p><p>19/09/2024, 09:01 Avaliação I - Individual</p><p>about:blank 1/6</p><p>A A corrente negativa que surge no semiciclo negativo da fonte flui do primeiro ao segundo</p><p>diodo, onde é interrompida.</p><p>B O diodo em antiparalelo impede o surgimento de uma tensão negativa na carga prevenindo a</p><p>queda da tensão média.</p><p>C A tensão armazenada no indutor terá valor positivo por mais de meio período positivo da</p><p>fonte de tensão alternada.</p><p>D O semiciclo negativo apresenta um valor de pico até o valor zero de tensão, e por meio do</p><p>indutor, a tensão será invertida e contra a queda de corrente.</p><p>E O indutor influencia diretamente a corrente que flui da fonte de tensão através do campo</p><p>magnético induzido.</p><p>No processo de obtenção de energia elétrica, parte de uma fonte geradora acompanhada de um</p><p>sistema de transmissão, geralmente cabos elétricos e em seguida, chegam aos consumidores finais</p><p>para sua utilização doméstica, comercial ou industrial. A tensão de transmissão não é a mesma</p><p>durante o consumo por fatores de distância, por isso, os cabos são de elevadas tensões. Logo,</p><p>existe os componentes transformadores, e estes estão presentes até nos circuitos mais delicados.</p><p>Fonte: adaptado de: KOSOV, I. I. Máquinas Elétricas e Transformadores. São Paulo: Globo,</p><p>2005.</p><p>Sobre o exposto, analise as sentenças a seguir:</p><p>I. Os sistemas de filtro e retificação operam na transformação da corrente alternada para contínua.</p><p>II. As usinas geradoras criam variações de potencial nas redes de distribuição em sinal discreto e</p><p>contínuo, depois elevam sua tensão e distribuem.</p><p>III. Os circuitos eletrônicos operam com baixas tensões, entre 5V e 12V, fazendo uso de retificação</p><p>da entrada de energia elétrica, reduzindo a tensão.</p><p>IV. As instalações residenciais contam com transformadores anteriores ao quadro de distribuição,</p><p>realizando a queda da tensão vinda da concessionária a valores entre 127V e 220V.</p><p>É correto o que se afirma em:</p><p>A I, apenas.</p><p>B I e II, apenas.</p><p>C I, II, III e IV.</p><p>D II e IV, apenas.</p><p>E I, III e IV, apenas.</p><p>O LED é um componente eletrônico semicondutor, ou seja, um diodo emissor de luz, mesma</p><p>tecnologia utilizada nos chips dos computadores, que tem a propriedade de transformar energia</p><p>elétrica em luz. Tal transformação é diferente da encontrada nas lâmpadas convencionais que</p><p>utilizam filamentos metálicos, radiação ultravioleta e descarga de gases, dentre outras. Nos LEDs,</p><p>a transformação de energia elétrica em luz é feita na matéria, sendo, por isso, chamada de estado</p><p>sólido.</p><p>Conforme o breve trecho anterior, julgue a veracidade das afirmativas abaixo:</p><p>3</p><p>4</p><p>19/09/2024, 09:01 Avaliação I - Individual</p><p>about:blank 2/6</p><p>I. A emissão de luz algo é importante a ser observado, pois quando ocorre a temperatura ambiente</p><p>se diferencia da incandescência que ocorre em altas temperaturas.</p><p>II. Os diodos emissores de luz, também conhecidos como LED, emitem luz visível ou invisível</p><p>(infravermelho) quando energizados e são compostos por diferentes camadas de semicondutores</p><p>em estado sólido.</p><p>III. A emissão de luz de um material sólido foi observado pela primeira vez no início do século</p><p>XIX quando o mesmo é excitado por uma fonte de tensão, sendo denominado este fenômeno, de</p><p>eletroluminescência.</p><p>IV. A maior parte da energia é convertida em calor em diodos de Si e Ga , sendo a luz emitida</p><p>insignificante, porém diodos de GaAl emitem luz invisível na zona de infravermelho durante este</p><p>processo de recombinação.</p><p>É correto o que se afirma em:</p><p>A I e II, apenas.</p><p>B I, II e III, apenas.</p><p>C III, apenas.</p><p>D III e IV, apenas.</p><p>E II, III e IV, apenas.</p><p>O Diodo Emissor de Luz sem dúvida é conhecido pela maioria das pessoas da atualidade, pois é</p><p>muito utilizado em dispositivos portáteis e em diversos equipamentos elétricos para emitir luz de</p><p>acordo com o status de funcionamento. A luz emitida pelo LED se dá pelo salto do elétron, de uma</p><p>órbita para outra, durante a circulação de corrente pela junção. Corrente esta que tem limites de</p><p>acordo com o fabricante.</p><p>Já a cor do LED depende de:</p><p>A Da tensão na junção acima de 5 V.</p><p>B Do material utilizado para a fabricação da pastilha de semicondutor e a sua dopagem.</p><p>C Da corrente do LED.</p><p>D Da cor da lente do encapsulamento.</p><p>E Da frequência do sinal aplicada no ânodo.</p><p>[Laboratório Virtual – Estudo de Retificadores de Tensão] É necessário realizar a prática para</p><p>auxiliar na resolução do exercício.</p><p>Para o circuito 2, um retificador de onda completa, quando configuramos a entrada com um</p><p>gerador de sinais com uma onda senoidal de 60 Hz e 40 V de amplitude (pico-pico), é possível</p><p>afirmar que a tensão pico-pico e eficaz (RMS) sobre a carga são respectivamente</p><p>aproximadamente iguais a:</p><p>5</p><p>6</p><p>19/09/2024, 09:01 Avaliação I - Individual</p><p>about:blank 3/6</p><p>A 18 V e 6 V.</p><p>B 20 V e 7 V.</p><p>C 40 V e 14 V.</p><p>D 36 V e 12 V.</p><p>As máquinas e dispositivos elétricos em operação atualmente são compostos de elementos que</p><p>façam a transmissão de energia, desse modo há a passagem de uma grandeza física ou química em</p><p>intensidade de trabalho. O ambiente da eletrônica cede a possibilidade da combinação de</p><p>elementos de diferentes classes no mesmo processo, como é o caso de qualquer máquina industrial</p><p>que apresente um sistema mecânico, elétrico e eletrônico.</p><p>Fonte: adaptado de: SEDRA, A. S.; SMITH, K. C. Microeletrônica. 5. ed. São Paulo: Pearson, 2012.</p><p>Disponível em:</p><p>https://www.academia.edu/39150861/Livro_Sedra_Microeletr%C3%B4nica_5_Ed_Portugu%C3%AAs.</p><p>Acesso em: 7 abr. 2022.</p><p>Partindo das informações dadas no trecho anterior, analise a veracidade dentre as afirmativas a</p><p>seguir:</p><p>I. A indústria exige ações conjuntas dentre materiais metálicos e cerâmicos.</p><p>II. As placas eletrônicas servem como uma forma de direcionar trabalho e intensidade requeridas</p><p>para as funções e maquinas.</p><p>III. As operações industriais se aproveitam das características de transmissão de energia dos</p><p>elementos condutores e semicondutores.</p><p>É correto o que se afirma em:</p><p>A III, apenas.</p><p>B I e II, apenas.</p><p>C I, II e III.</p><p>D II e III, apenas.</p><p>E I, apenas.</p><p>Na polaridade P, a positiva, chamada ânodo, geralmente composta pelo elemento índio e a</p><p>polaridade N, negativa, chamada cátodo. Com essa diferença em cada polo, o fenômeno de</p><p>polarização acontece de acordo com o sentido da corrente. Por isso a aplicação do diodo é tão</p><p>comum. Ele pode agir como um retificador de tensão, transformando a corrente alternada (AC) em</p><p>corrente contínua (DC) em uma única direção.</p><p>Conforme o breve trecho anterior, julgue a coerência das afirmativas abaixo:</p><p>I. A sua corrente é medida em miliampères e possui uma subida rápida após o seu "joelho".</p><p>II. O diodo de silício real</p><p>em polarização direta possui, no máximo, uma queda de tensão de 1 V.</p><p>III. A equação de Chutney pode ser utilizada para definir as características do diodo semicondutor</p><p>nas regiões de polarização reversa e direta.</p><p>7</p><p>8</p><p>19/09/2024, 09:01 Avaliação I - Individual</p><p>about:blank 4/6</p><p>IV. O valor da corrente de saturação reversa que aparece na equação de Chutney costuma ser</p><p>mensuravelmente menor que a real de um diodo comercial devido a diversos fatores dentre os</p><p>quais é possível destacar a corrente de fuga, a geração de portadores na região de depleção,</p><p>sensibilidade à temperatura etc.</p><p>É correto o que se afirma em:</p><p>A I, II e III, apenas.</p><p>B II, III e IV, apenas.</p><p>C III, apenas.</p><p>D II e IV, apenas.</p><p>E I e II, apenas.</p><p>O LED é um diodo que possui a capacidade de emitir luz quando polarizado diretamente,</p><p>entretanto, alguns tipos de LED emitem luz na faixa de espectro eletromagnético visível e outros</p><p>em infravermelho, que não podemos ver de forma natural, o que normalmente é utilizado em</p><p>aplicações de comunicação de dados e instrumentação industrial.</p><p>Baseado neste conceito, calcule o valor do resistor, utilizado para limitar a corrente do LED que</p><p>opera com corrente de 5 mA e tensão do LED de 2,0 V, sendo alimentado com tensão de 12 V.</p><p>Considerando o cálculo feito, assinale a alternativa CORRETA:</p><p>A Rs= 4000 Ohms e PRLED= 20 mW.</p><p>B Rs= 1000 Ohms e PRLED= 500 mW.</p><p>C Rs= 5000 Ohms e PRLED= 20 mW.</p><p>D Rs= 2000 Ohms e PRLED= 50 mW.</p><p>E Rs= 200 Ohms e PRLED= 5000 mW.</p><p>[Laboratório Virtual – Estudo de Retificadores de Tensão] É necessário realizar a prática para</p><p>auxiliar na resolução do exercício.</p><p>Para o circuito 3, um retificador de onda completa com um capacitor eletrolítico de 47 uF</p><p>conectado em paralelo com a carga, quando configuramos a entrada com um gerador de sinais com</p><p>uma onda senoidal de 60 Hz e 40 V de amplitude (pico-pico), é possível verificar que a onda sobre</p><p>a carga tem um comportamento:</p><p>A Possui um degrau CC de aproximadamente 15 V e uma oscilação da onda de pico de 2,18 V,</p><p>aproximadamente.</p><p>B Possui um degrau CC de aproximadamente 35 V e uma oscilação da onda de pico a pico de</p><p>2,18 V, aproximadamente.</p><p>9</p><p>10</p><p>19/09/2024, 09:01 Avaliação I - Individual</p><p>about:blank 5/6</p><p>C Possui um degrau CC de aproximadamente 15 V e uma oscilação da onda de pico a pico de</p><p>2,18 V, aproximadamente.</p><p>D Possui um degrau CC de aproximadamente 35 V e uma oscilação da onda de pico de 2,18 V,</p><p>aproximadamente.</p><p>Imprimir</p><p>19/09/2024, 09:01 Avaliação I - Individual</p><p>about:blank 6/6</p>

Mais conteúdos dessa disciplina