Logo Passei Direto
Buscar
Material
páginas com resultados encontrados.
páginas com resultados encontrados.

Prévia do material em texto

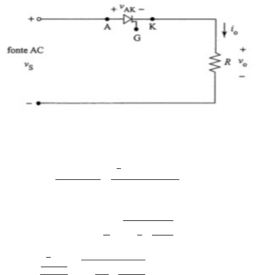
Exercício 1: Para um retificador controlado da figura abaixo, a fonte de tensão é de 200 V, 60 Hz e alimenta uma carga 
de 20 Ω. Sabe-se que o ângulo de disparo são 45º. Portanto, calcule: 
a-) Tensão média na carga 
b-) Corrente RMS na carga 
c-) ângulo de condução 
 
 
a-) Tensão Média na carga 
Olhando o circuito. Deduz-se que é um retificador monofásico de meia onda. 
 
𝑉 =
𝑉 (1 + 𝑐𝑜𝑠𝛼)
2𝜋
=
√2. 200(1 + 𝑐𝑜𝑠45)
2𝜋
= 𝟕𝟔, 𝟖𝟓 𝑽 
 
b-) Corrente RMS na carga 
𝐼 =
𝐼
2
1 −
𝛼
𝜋
+
sin 2𝛼
2𝜋
 
𝐼 =
√2. 200
20
2
1 −
45
180
+
sin 2.45
2𝜋
= 7,071.0,9535 = 𝟔, 𝟕𝟒 𝑨 
 
c-) ângulo de condução 
𝜃 = 𝜋 − 𝛼 = 180 − 45 = 𝟏𝟑𝟓 𝒈𝒓𝒂𝒖𝒔 
 
 
 
 
 
Exercício 3: Dado um transformador trifásico, ligado em Dy1, (2400 – 240 ) V, 60 Hz, ligado a um sistema trifásico com 
tensão de 2,35 kV. Calcule o valor e ângulo da tensão no lado BT, considerando que a tensão de linha no lado AT tem 
um ângulo de fase de -30º. Se conectar uma carga de 50 KVA no lado BT e fp= 0,8 indutivo calcule a corrente e seu 
ângulo de defasagem. Desenhe o diagrama fasorial trifásico. 
 
 
Dados nominais do Transformador 
V primária  2400 V 
V secundária  240 V 
Dy1  primário é ligado em Delta e o secundário é ligado em Y. (+30º) 
𝑎 =
𝑉
𝑉
=
2400
240
√3
= 17,32 
 
Está sendo aplicada no primário do transformador uma tensão 2,35 KV<-30º 
 
𝑉 =
𝑉𝑝
𝑎
=
2350
17,32
= 135,68 𝑉 → 𝑉 = √3. 135,68 = 235 < 0º 𝑉 
 
𝐼 =
𝑆
√3. 𝑉
=
50
√3. 0,235
= 𝟏𝟐𝟐, 𝟖𝟒 𝑨 
 
𝐼 =
𝑃
√3. 𝑉 . 𝑓𝑝. 𝜂
=
50
√3. 𝑉
→ 𝑢𝑠𝑎 𝑞𝑑𝑜 𝑡𝑒𝑚𝑜𝑠 𝑃 (𝑘𝑤) 
 
 
 
Módulo da corrente é 122,84 A. E o ângulo? 
 
se o fp = 0,8 
então, o cos phi = 0,8 
arc cos (0,8) = 36,87º 
 
 
 
 
 
 
 
 
 
 
 
 
 
 
 
 
 
 
 
 
 
 
 
 
 
 
 
Vab (235<0) 
Vbc (235<-120) 
Vca (235<120) 
Va (135<-30) 
Vc (135<90) 
Vb (135<-150) 
Ia (122<-36) 
Ib (122<-186) 
Ic (122<-54) 
Exercício 4: Considerando o diagrama fasorial da figura e o sentido da freqüência angular, determinar a função das 
tensões V20 e V30, dado que o eixo de referência passa por V12 = √𝟑. VM. cos(wt). 
 
 
 
 
 
 V12  0º 
 V1  -30º (azul) 
 
 
 
 
 
 
 
 
V2  -150º (vermelha) 
V3  90º ou -270 (verde) 
 
Portanto, as equações serão: 
𝑉 = 𝑉 . sin 𝜔𝑡 −
5𝜋
6
[𝑉] 
 
𝑉 = 𝑉 . sin 𝜔𝑡 −
3𝜋
2
[𝑉] 𝑜𝑢 𝑉 . sin 𝜔𝑡 +
𝜋
2
[𝑉]𝑜𝑢 
 
 
 
 
 
 
 
 
 
V12=√3. 𝑉 . sin 𝜔𝑡 
 
Exercício 5:Considerar as formas de ondas das tensões de um sistema trifásico, conforme a seqüência de fases da figura. 
Se “S” for a tensão de fase V30, qual é a forma de onda que representa a tensão de linha V23? 
 
 
1  tensão “T” vermelha 
2  tensão “R” preta 
3  tensão “S” – Azul 
 
A tensão V23 = V2 – V3  tensão V2 está atrasada de V23. Portanto, a forma de onda “A” é 
tensão V23. 
 
 
 
 
 
 
 
 
Exercício 6:Considerar as formas de ondas das tensões de um sistema trifásico, conforme a seqüência de fases da figura. 
Se “T” for a tensão de fase V20, qual é a forma de onda que representa a tensão de linha V12 ? 
 
 
1  tensão “S” - Azul 
2  tensão “T” - Vermelha 
3  tensão “R” – Preta 
 
A tensão V12 = V1 – V2. Então, a tensão de linha V12 está adiantada de 30º em 
relação a V1. 
Portanto, a forma de onda “C” é a tensão V12.

Mais conteúdos dessa disciplina