Logo Passei Direto
Buscar

Ferramentas de estudo

Questões resolvidas

A comporta AB da figura abaixo tem 1,5 m de largura e pode girar em torno de A. O tanque à esquerda contém água (γ=10.000 N/m³) e o da direita, óleo ( γ=7.500 N/m³). Qual a força necessária em B para manter a comporta vertical? (Resp:FB=50.000N)

Em uma tubulação horizontal de diâmetro igual a 150 mm, de ferro fundido em uso com cimento centrifugado, foi instalada em uma seção A, uma mangueira plástica (piezômetro) e o nível d'água na mangueira alcançou a altura de 4,20 m. Em uma seção B, 120 m à jusante de A, o nível d'água em outro piezômetro alcançou a altura de 2,40 m. Determine a vazão. (Resp: Q=26,51 l/s)

Determine o diâmetro de uma adutora, por gravidade, de 850 m de comprimento, ligando dois reservatórios mantidos em níveis constantes, com diferença de cotas de 17,5 m, para transportar uma vazão de água de 30 l/s. Material da tubulação, aço galvanizado com costura novo, ε = 0,15 mm. (Resp: 0,15 m)

A ligação entre dois reservatórios, mantidos em níveis constantes, é feita por duas tubulações em paralelo. A primeira com 1.500 m de comprimento, 300 mm de diâmetro, com fator de atrito f=0,032, transporta uma vazão de 0,056 m³/s de água. Determine a vazão transportada pela segunda tubulação, com 3000 m de comprimento, 600 mm de diâmetro, e fator de atrito f=0,024. (Resp: 0,28 m³/s)

Material
páginas com resultados encontrados.
páginas com resultados encontrados.
left-side-bubbles-backgroundright-side-bubbles-background

Crie sua conta grátis para liberar esse material. 🤩

Já tem uma conta?

Ao continuar, você aceita os Termos de Uso e Política de Privacidade

left-side-bubbles-backgroundright-side-bubbles-background

Crie sua conta grátis para liberar esse material. 🤩

Já tem uma conta?

Ao continuar, você aceita os Termos de Uso e Política de Privacidade

left-side-bubbles-backgroundright-side-bubbles-background

Crie sua conta grátis para liberar esse material. 🤩

Já tem uma conta?

Ao continuar, você aceita os Termos de Uso e Política de Privacidade

Questões resolvidas

A comporta AB da figura abaixo tem 1,5 m de largura e pode girar em torno de A. O tanque à esquerda contém água (γ=10.000 N/m³) e o da direita, óleo ( γ=7.500 N/m³). Qual a força necessária em B para manter a comporta vertical? (Resp:FB=50.000N)

Em uma tubulação horizontal de diâmetro igual a 150 mm, de ferro fundido em uso com cimento centrifugado, foi instalada em uma seção A, uma mangueira plástica (piezômetro) e o nível d'água na mangueira alcançou a altura de 4,20 m. Em uma seção B, 120 m à jusante de A, o nível d'água em outro piezômetro alcançou a altura de 2,40 m. Determine a vazão. (Resp: Q=26,51 l/s)

Determine o diâmetro de uma adutora, por gravidade, de 850 m de comprimento, ligando dois reservatórios mantidos em níveis constantes, com diferença de cotas de 17,5 m, para transportar uma vazão de água de 30 l/s. Material da tubulação, aço galvanizado com costura novo, ε = 0,15 mm. (Resp: 0,15 m)

A ligação entre dois reservatórios, mantidos em níveis constantes, é feita por duas tubulações em paralelo. A primeira com 1.500 m de comprimento, 300 mm de diâmetro, com fator de atrito f=0,032, transporta uma vazão de 0,056 m³/s de água. Determine a vazão transportada pela segunda tubulação, com 3000 m de comprimento, 600 mm de diâmetro, e fator de atrito f=0,024. (Resp: 0,28 m³/s)

Prévia do material em texto

Lista de exercícios
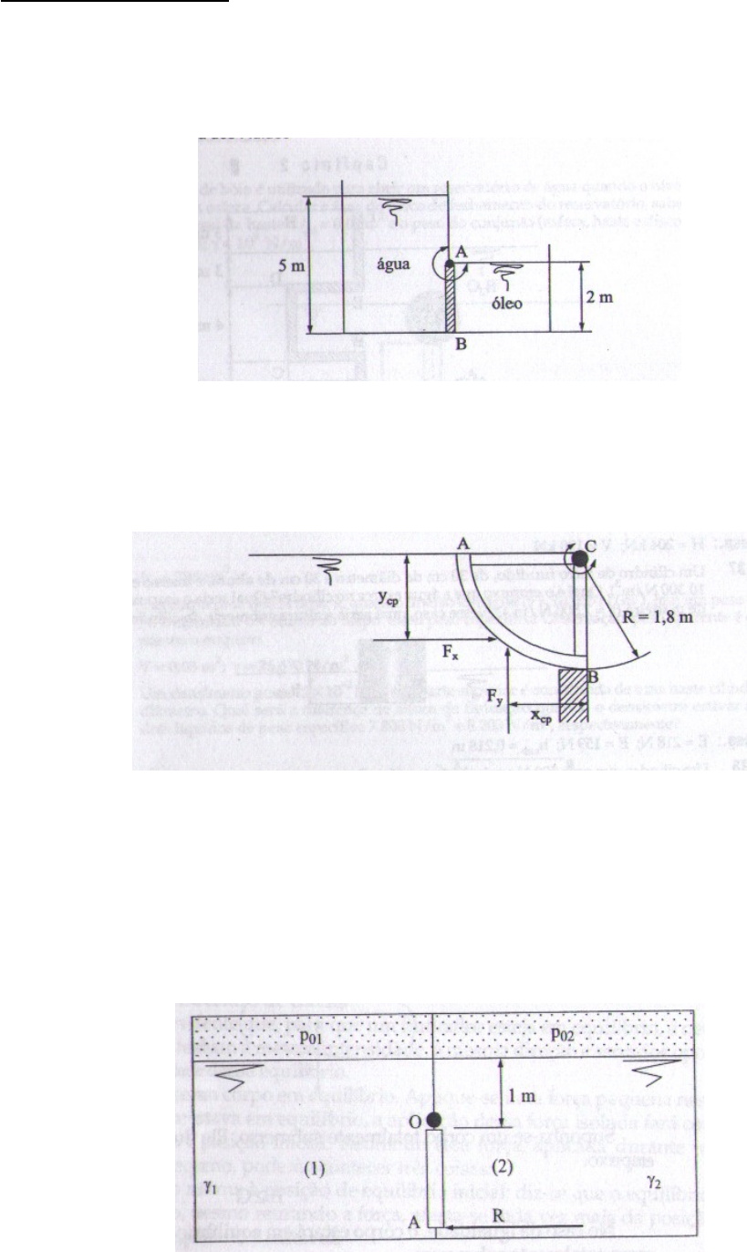
1) A comporta AB da figura abaixo tem 1,5 m de largura e pode girar em torno de A. O 
tanque à esquerda contém água (γ=10.000 N/m³) e o da direita, óleo ( γ=7.500 N/m³). 
Qual a força necessária em B para manter a comporta vertical? (Resp:FB=50.000N)
2) Determinar o módulo e o ponto de aplicação das componentes horizontal e vertical da 
força exercida pela água sobre a comporta AB da figura, sabendo que sua largura é de 
0,3 m, o raio é 1,8 m e a comporta está articulada em C. (Resp: Fy=7.634 N; Fx=4.860 N; 
ycp = 1,2 m; xcp= 0,736 m.
3) Determinar a força R que deverá ser aplicada no ponto A da comporta da figura para 
que permaneça em equilíbrio, sabendo que ela pode girar em torno do ponto O.
1
Dados: P01=100kPa γ1 = 10000 Ν/m³
P02=50kPa γ 2= 8000 Ν/m³
Comporta retangular com h=5 m e b = 2 m
4) Determinar a relação entre a vazão máxima e a mínima que pode ser retirada na 
derivação B, conforme a figura abaixo, impondo que o reservatório 2 nunca seja 
abastecido pelo reservatório 1 e que a mínima carga de pressão disponível na linha seja 
1m.c.a. Utilize a fórmula de Hazen-Williams. Desprese as perdas de carga localizadas e 
as cargas cineticas. (Resp: Qmáx/Qmin=1,89)
5) Em uma tubulação horizontal de diâmetro igual a 150 mm, de ferro fundido em uso com 
cimento centrifugado, foi instalada em uma seção A, uma mangueira plástica (piezômetro) 
e o nível d'água na mangueira alcançou a altura de 4,20 m. Em uma seção B, 120 m à 
jusante de A, o nível d'água em outro piezômetro alcançou a altura de 2,40 m. Determine 
a vazão. (Resp: Q=26,51 l/s)
6) Um ensaio de campo em uma adutora de 6” de diâmetro, na qual a vazão era 26,5 l/s, 
para determinar as condições de rugosidade da parede, foi feito medindo-se a pressão 
em dois pontos A e B, distanciados 1.017 m, com uma diferença de cotas topográficas 
igual a 30 m, cota de A mais baixa que B. A pressão em A foi igual a 68,6 N/cm² e, em B, 
20,6 N/cm². Determine a rugosidade média absoluta da adutora. (Resp: ε = 0,3 mm)
7) Determine o diâmetro de uma adutora, por gravidade, de 850 m de comprimento, 
ligando dois reservatórios mantidos em níveis constantes, com diferença de cotas de 17,5 
m, para transportar uma vazão de água de 30 l/s. Material da tubulação, aço galvanizado 
com costura novo, ε = 0,15 mm. (Resp: 0,15 m)
8) Considere o escoamento permanente de água em uma tubulação retilínea de 200 m de 
comprimento, de um certo material, com diâmetro igual a 1/2”. Em uma seção A, na cota 
de 100 m, a altura d'água em um piezômetro é de 3,0 m e em uma seção B, na cota 100,5 
m, a altura d'água em um piezômetro é de 2,0 m. Determine
a) o sentido do escoamento;
b) a vazão que escoa.(Resp: Q=0,015 l/s)
OBS: suponha o regime laminar e depois verique se a hipótese está correta.
9) A ligação entre dois reservatórios, mantidos em níveis constantes, é feita por duas 
tubulações em paralelo. A primeira com 1.500 m de comprimento, 300 mm de diâmetro, 
com fator de atrito f=0,032, transporta uma vazão de 0,056 m³/s de água. Determine a 
vazão transportada pela segunda tubulação, com 3000 m de comprimento, 600 mm de 
diâmetro, e fator de atrito f=0,024. (Resp: 0,28 m³/s)
10) Dada a tubulação da figura abaixo, cuja aseção (2) está aberta à atmosfera, calcular:
a) a perda de carga entre (1) e (2);
b) a vazão em volume
Sabendo que o escoamento é laminar
Dados: peso específico da água = 9.000 N/m³, υ=0,5 x 10-3 m²/s, L1,2 = 15 cm; p1=32,8 
kPa

Mais conteúdos dessa disciplina