Ed
há 2 meses
Para calcular o momento de binário atuando sobre uma estrutura tubular, você precisa considerar a força aplicada e a distância do ponto de aplicação da força até o ponto de rotação (braço de alavanca). O momento de binário (M) é dado pela fórmula: \[ M = F \times d \] onde: - \( M \) é o momento de binário, - \( F \) é a força aplicada, - \( d \) é a distância (braço de alavanca). Sem a figura e os valores específicos, não é possível determinar qual das opções é a correta. Você deve aplicar a fórmula com os dados que você tem para encontrar o momento de binário e, assim, escolher a opção correta. Se precisar de ajuda com os cálculos, sinta-se à vontade para perguntar!
Carla Regina
há 2 meses
resp. (- 14,41 j) N.m.
Ariana Maria da Silva Gomes
há 2 meses
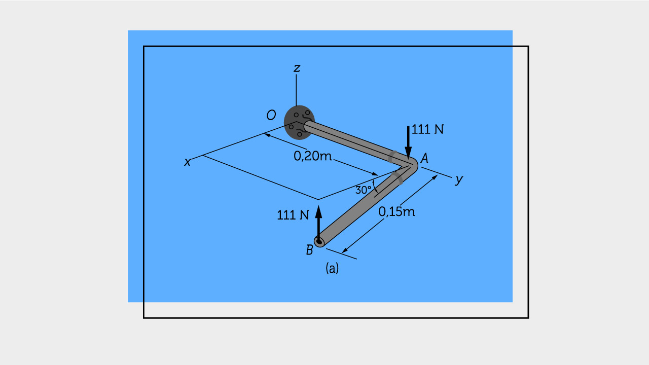
A figura a seguir mostra um binário atuando sobre uma estrutura tubular. Com base nas informações fornecidas, o momento de binário será dado por:

Opções da pergunta 6:
(14,41 j) N.m.
(- 6 j) N.m.
(6 j) N.m.
(- 143,2 j) N.m.
(- 14,41 j) N.m.