Logo Passei Direto
Buscar
Material
páginas com resultados encontrados.
páginas com resultados encontrados.

Prévia do material em texto

Disciplina: Gerência de Riscos 
Estudante: João Geneilson Gomes Araújo 
 
A fim de conferir praticidade aos aprendizados desta disciplina, produza e 
indique as repostas aos três exercícios que seguem: 
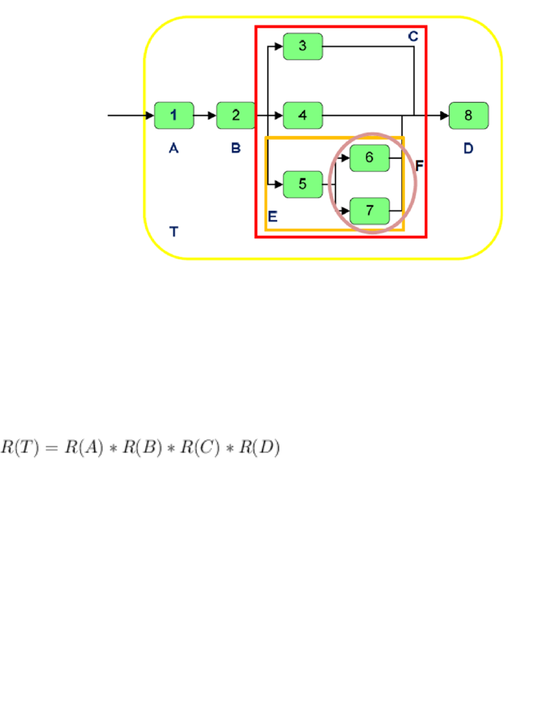
1. Dados os valores de confiabilidade (R) de cada etapa em um processo 
produtivo (R1 = 0,90; R2 = 0,80; R3 = 0,85; R4 = 0,75; R5 = 0,70; R6 = 
0,95; R7 = 0,80; R8 = 0,85), determine a confiabilidade total R (T). 
 
 
Fonte: próprio autor. 
A confiabilidade é calculada em cada etapa em um processo 
produtivo, supondo que sejam 4 etapas (porque no caso não é 
especificado o não tem imagem) a confiablididade total seria: 
 
 
 
Dos dados do enunciado temos que: 
 
R1 = 0,90 
R2 = 0,80 
R3 = 0,85 
R4 = 0,75 
R5 = 0,70 
R6 = 0,95 
R7 = 0,80 
R8 = 0,85 
 
Assim temos que as etapas são: 
 
R(A)=R(1) 
R(B)=R(2) 
R(C) = desconhecida 
R(D)=R(8) 
 
Substituindo na equação temos que: 
 
 
 
 Equação I 
 
Para achar R(C) temos que usar as sub - etapas, (Q), assim: 
 
 Equação II 
 
Onde: 
 
 
 
 
 
 
 
Agora substituindo na equação Equação II (R(C)) temos que: 
 
 
 
 Equaçao III 
 
É necessario achar R(E) para resolver a equaçao III, assim temos que: 
 
 
 
 Equaçao IV 
 
E R(F) é determinado da seguinte forma: 
 
 
 
Onde: 
 
 
 
 
 
Substituimos na equação de R(F) 
 
 
 
Agora sim podese substituir o valor de R(F) na equação Equaçao IV 
 
 
 
Logo substituimos o valor do R(E) Equaçao III 
 
 
 
E finalmente podese substituir o valor de R(C) na Equação I para 
achar o valor de R(T) 
 
 
 
 
 
 
 
Assim temos que a confiabilidade total R (T) é de 60,495% 
 
2. Explique por que componentes idênticos de baixa confiabilidade 
quando montados em paralelo produzem confiabilidade total maior que 
cada um individualmente, e por outro lado, componentes idênticos de 
alta confiabilidade quando montados em série produzem confiabilidade 
total menor que cada um individualmente. 
Quando são colocados em operação a partir de um tempo inicial, os 
componentes de baixa confiabilidade realizam a medição do tempo de 
operação em (Ti), em que cada um irá fazer a apresentação de um defeito 
determinado. 
Já os componentes de alta confiabilidade, realizam a medição do tempo de 
operação em (Ti), a partir de uma falha presenta no sistema em série, de forma 
a se igualar com um produto considerado de confiabilidade. 
3. Considerando o diagrama ETA-FMEA-FTA, apresente seu entendimento 
sobre os objetivos, em que consiste e as diferenças de cada uma delas, 
situando-as no espaço e tempo. 
 
 
Fonte: CICCO, Francesco F. M.G.A.F. Gerência de riscos: ampliando conceitos. 
Proteção. São Paulo, n. 27, fevereiro-março, 1994. 
FMEA e FTA é abordagem que seguem. A FTA é um método sistemático e 
dedutivo; o ponto de partida é a falha e daí chega a uma conclusão mais 
abrangente, como se fosse uma investigação ou um diagnóstico. Por exemplo, 
assumindo uma falha no alarme de incêndios, a FTA parte dessa falha para 
explorar as potenciais causas (ou houve uma falha no sistema de detecção de 
fumaça, ou nos sensores de temperatura), até chegar à causa raiz. 
 
A FMEA, por outro lado, é um método indutivo, ou seja, parte de uma regra 
geral para o particular. Em vez de começar pela falha, a análise FMEA foca em 
um componente, para o qual são descritos diversos modos de falha com base 
no histórico e no nosso conhecimento do ativo. Depois, analisa o efeito de cada 
falha. Assim sendo, acaba por se tornar num “catálogo” de falhas. No exemplo 
acima, a FMEA iria listar os modos de falha do alarme de incêndio, listando 
como efeito em caso de falha a “propagação do incêndio”. 
A diferença que explicamos acima tem consequências profundas na descrição 
dos modos de falha. No entanto, há uma coisa em comum: ambas as análises 
têm de ser feitas por alguém com um conhecimento profundo dos 
equipamentos e da sua confiabilidade. 
A análise FMEA depende de prever todos os modos de falha para cada 
componente: as causas que provocam uma paragem completa; as que 
provocam danos parciais e as que são quase imperceptíveis. Ao contrário da 
FTA, esta análise não leva em consideração fatores condicionantes nem 
estabelece a relação entre as falhas de diversos componentes. 
Por outro lado, na FTA corremos o risco de não considerar falhas parciais, 
porque cada hipótese corresponde a 0 ou a 1 – não há uma escala. Se uma 
componente falha, mas retém alguma funcionalidade, isto não é considerado. 
No entanto, quando usada ainda ao nível de projeto, é muito eficaz em detectar 
potenciais origens de falha e componentes que precisam de modos de 
segurança. 
Bom trabalho!

Mais conteúdos dessa disciplina