Logo Passei Direto
Buscar
Material
left-side-bubbles-backgroundright-side-bubbles-background

Crie sua conta grátis para liberar esse material. 🤩

Já tem uma conta?

Ao continuar, você aceita os Termos de Uso e Política de Privacidade

Prévia do material em texto

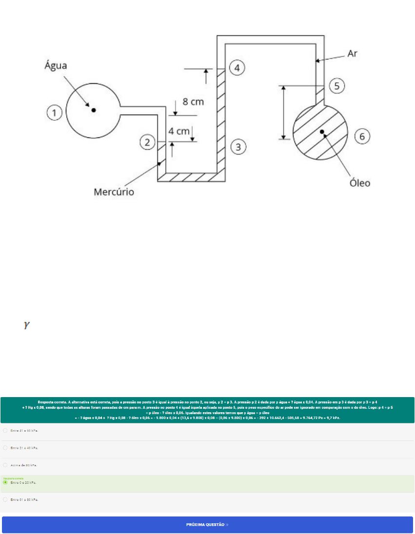
Ar Água 4 5 8 cm 1 4 cm 6 2 3 Oleo Mercúrio Y Resposta correta. A alternative esta correta, pois a pressão no ponto igual a pressão no ponto 2, ou seja, 3. A pressão p2 dade por P agua agua 0,04. A pressão em dada por +7 Hg sendo que todas as alturas foram passadas de cm A pressão no ponto igual aquela no ponto pois 0 peso especifico do pode ser ignorado em comparação com 0 do Logo: oleo oleo 0,06. igualando estes valores temos que agua cleo 0,04 0,08 0,06 0,04 392 10.662,4 505,68 9.764,72 kPa. Entre Entre Entre kPa. Entre kPa. PROXIMA QUESTAO

Mais conteúdos dessa disciplina